外部中断
外部中断一般是由计算机外设发出的中断请指求,如:键盘中断、打印机中断、定时器中断等。外部中断一般指io高低电平(下降沿等由寄存器配置)来触发并响应io中断函数
定时器中断
定时器中断是指计数器在晶振的震荡下一直加数一直加到一定数值后溢出产生中断,并进入中断服务函数
在单片机80c51中
共有5个中断源2个优先级
1.外部中断0
2.定时器0
3.外部中断1
4.定时器1
5.串口中断
默认的优先级为,INT0 > T0 > INT1 > T1 >串口中断。默认的优先级为,INT0 > T0 > INT1 > T1 >串口中断
IP寄存器是设置优先级的一般用的较少
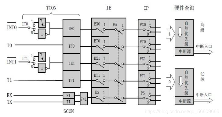
在80c51单片机中,p3.2控制的外部中断0 p3.3控制的外部中断1
p3.4控制定时器0(外部输入) p3.5控制定时器1(外部输入)
中断相关寄存器:
注意: 中断相关寄存器包括(IE,IP,TCON,SCON)都可以进行位寻址
而寄存器TMOD不能位寻址只能字节寻址
中断系统结构
例如外部中断0: 首先配置TCON寄存器中的IT0来选择外部中断产生的条件向下是低电平产生向上是下降沿产生.然后是TCON寄存器中的IE0来请求中断产生是IE0会被硬件置为1,请求完之后会置为0;是由硬件处理所以编写程序时不用管,然后到了IE寄存器来控制EX0来打开外部中断0,EA是总中断.
中断服务程序编写
要注意几点:
<1> 中断函数没有返回值,也不能带参数。
<2> 函数名后面要跟一个关键字interrupt,说明这是一个中断服务函数。
<3> 在关键字interrupt后面要跟上中断号,说明这个中断服务函数是为那个中断服务的。
中断服务函数的格式为:
void 函数名() interrupt 中断号
{ ----函数体----
}
我们要利用定时器0来进行间隔定时,中断程序架构我们C语言可以这样写:
中断号:从中断优先级上至下0到5
例如外部中断0的中断服务程序
void 函数名() interrupt 0
{
程序
}
最后说定时器中断.
定时器相关寄存器
51单片机有两个定时/计数器T0和T1,为16位加法计数器,由低8位TLx和高8位THx两个寄存器组成,最大计数值为65535个计数脉冲。
该加1计数器的计数脉冲来源有2个:
<1> 系统时钟振荡器输出的12分频。
<2> T0或T1引脚输入的外部脉冲信号。
每接收到一个计数脉冲,计数器就会加1,当计数值累计至全为1时(8位255,13位8191,16位65535),再输入一个计数脉冲,计数器便会溢出回零,并且计数器的溢出是TCON寄存器的TF0或TF1位置1,同时向内核提出中断请求。如果定时/计数器工作于定时模式,则表示间隔定时时间到,如果工作与计数模式,则表示计数值已满。
假设单片机的外部晶振为12MHz,那么,经过12分频后输入计数器的计数脉冲为1MHz,即每个脉冲的周期为1us。因此定时器T0的16位工作模式最大的定时时间为65535us,65.5ms。如果要定时10ms的话,计数器就不能够从0开始计数了,必须给它一个计数初值。怎么计算这个初值呢?
要定时10ms,则相当于计数10000个脉冲后计数器的值就到达65535了,那么开始计数的这个地方就是计数初值。
65535 - 10000 = 55535 = 0xd8ef
把这个计算得到的初值写入TH0和TL0寄存器即可:
TH0 = 0xd8;或者 TH0 = (65535 - 10000) / 256;
TL0 = 0xef; 或者 TL0 = (65535 - 10000) % 256;
定时器中断的思路
<1> 配置工作模式,即对TMOD寄存器编程。
<2> 计算技术初值,即对THx和TLx寄存器进行赋值。
<3> 使能定时/计数器中断,即ET0或ET1置1。
<4> 打开总中断,即EA =1。
<5> 启动定时器,即TR0或TR1置1。
在中断服务函数中,一般需要进行以下的编程:
<1> 如果不是自动重装模式,需要对THx和TLx重新赋值。
<2> 进行间隔定时到达的逻辑处理(越少越好).
