CD4013_双上升沿D触发器
【芯片引脚图】
图CD4013-1 CD4013芯片引脚图
1D、2D:数据输入端
1CP、2CP:时钟输入端1Q、2Q:原码输出端1 /Q、2 /Q:反码输出端
1SD、2SD:直接置位端
1RD、2RD:直接复位端
VDD:电源正
VSS:地
【芯片功能概述】
表CD4013-2 CD4013芯片真值表
| RD(复位端) | SD(置位端) | Q(输出端) |
|---|---|---|
| 1 | 0 | 0 |
| 0 | 1 | 1 |
| 0 | 0 | D |
| 1 | 1 | X |
| CD4013有两个D触发器,一个D触发器有6个端子:2个输出,4个控制。4个控制分别是R、S、CP、D。 | ||
| 1)R和S不能同时为高电平。 | ||
| 2)当R为1、S为0时,输出Q一定为0,因此R可称为复位端。 | ||
| 3)当S为1、R为0时,输出Q一定为1。 | ||
| 4)当R、S均为0时,Q在CP端有脉冲上升沿到来时动作,具体是Q=D,即若D为1则Q也为1,若D为0则Q也为0。 |
【芯片实例讲解】
实例一:一位编码器
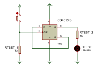
图CD4013-3 CD4013之实例一:一位编码器
如图CD4013-3所示,该电路可以完成生活中的灯控开关的功能。电路上电后,按下奇次按键,LED点亮;按下偶次按键,LED熄灭。
该电路也可理解为一位编码器的构成。
表CD4013-4 CD4013构成的一位编码器的真值表
| 按键按下次数 | D | Q |
|---|---|---|
| 0 | 1 | 0 |
| 1 | 0 | 1 |
| 2n(n为整数) | 1 | 0 |
| 2n+1(n为整数) | 0 | 1 |
该电路可以进行升级改造。
1)在R接口增加一个上电复位电路(1–>0),此操作可以确保电路的上电时序正确。
2)在实际电路中,按键上可以添加一个消抖电容,以增强电路的稳定性能。
3)若Q接口接较高功率的负载,那么可以考虑采用三极管进行括流。
实例二:两位编码器及多位编码器
如图CD4013-5所示,该电路是实例一中电路的级联,即该电路为两位编码器。在该电路中,前级的D接口连接后级的CLK接口,在两个D触发器的R接口都连接有上电复位电路。
故通过按下按键,Q2&Q1端口分别输出00、01、10、11、00…
该电路也可以进行升级改造。

图CD4013-5 CD4013之实例二:两位编码器
1)在实际电路中,按键上可以添加一个消抖电容,以增强电路的稳定性能。2)若Q接口接较高功率的负载,那么可以考虑采用三极管进行括流。
根据上述规律,我们可以通过子电路的多级级联得到相应阶次的编码器。
【芯片真题考察】
1)2018年省赛中,考察点为实例二。
2)2019年省赛中,利用CD4013作为消抖芯片,实属鸡肋,可直接在按键两侧防止消抖电容。