RS485和RS422只对电气特性进行定义,规定协议、接口类型、传输线缆。常用DB9接口或RJ45接口,传输线常用网络双绞线或同轴电缆,协议一般采用与RS232匹配的异步串行通信方式。
RS422也称EIA-422, 全称是“平衡电压数字接口电路的电气特性”,规定采用4线,采用全双工,差分传输,实际上还有一根信号地线,共5根线。
RS485相当简化版的RS422, 采用两线制,只能工作在半双工,即收和发不能同时进行。在RS485器件中,一般还有一个“使能”控制信号,“使能”信号用于控制“发送发送器”与传输线的切断和连接,当使能端起作用时,发送发送器处于高阻状态,称作“第三态”,它是有别于逻辑“1”和“0”的第三种状态。任何时候只能有一点处于发送状态,因此,发送电路须由使能信号加以控制。

传输速率:RS-422和RS485的最大传输距离为4000英尺(约1219米),最大传输速率为10Mb/s。平衡双绞线的长度与传输速率成反比。在100kb/s速率以下,才可能达到最大传输距离。只有在很短的距离下才能获得最高速率传输。一般100米长的双绞线上所能获得的最大传输速率仅为1Mb/s。
传输类型:RS422全双工,RS485半双工。
电平范围及逻辑关系:
发送端间T+与T-的电压差+2 ~ +6v为逻辑1; -2 ~ -6v 为逻辑0。
接收端 R+与R-间的电压差大于 +200mv 为逻辑1,小于-200mv 为逻辑0。
定义逻辑1为D+>D-或R+>R-的状态, 定义逻辑0为D+<D-或R+<R-的状态。
接收端R+,R-之间的电压差不小于200mv.
收发器共模电压范围为-7~+12V超出此范围时就会影响通信的稳定可靠,甚至损坏接口。
传输线阻抗:若采用双绞线则传输阻抗为120ohm。
允许并联电容要求:无。
支持设备数量:
RS422采用平衡传输采用单向/非可逆,有使能端或没有使能端的传输线。于接收器采用高输入阻抗和发送驱动器比RS232更强的驱动能力,故允许在相同传输线上连接多个接收节点,最多可接10个节点。一个主设备(Master),其余为从设备(Slave),从设备之间不能通信,所以RS-422支持点对多的双向通信。
RS-485接口在总线上是允许连接多达128个收发器。即具有多站能力,这样用户可以利用单一的RS-485接口方便地建立起设备网络。但是任何时候只能有一点处于发送状态,因此,发送电路须由使能信号加以控制。
设计要点:
1)端接电阻
RS-422和RS485需要一终接电阻,要求其阻值约等于传输电缆的特性阻抗。在短距离传输时可不需终接电阻,即一般在300米以下不需终接电阻。终接电阻接在传输电缆的最远端。
2)收发器电路设计
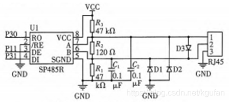
RS485收发器电路设计利用SBUS多主式协议,完成了多路温度采集系统的设计。常见的串口RS-232标准因为通信距离短、速率低,所以不适于该通信系统,而RS一485标准则很好地弥补了这方面的缺陷。所以物理层的收发器设计采用了MAX485芯片,具体电路如图所示。
Rs485收发器有2个使能端,将接收使能端接地,发送使能端由51单片机控制,所以主机空闲时一直处于接收状态,而当需要发送数据的时候使能发送端即可。另外,为了实现总线的监听,将串口接收端通过施密特触发器接至单片机的外部中断INT0,这样可通过中断来判断总线是否忙。
在 RS485 通信网络中,通常会使用 485 收发器来转换 TTL 电平和 RS485 电平。节点中的串口控制器使用 RX 与 TX 信号线连接到 485 收发器上,而收发器通过差分线连接到网络总线,串口控制器与收发器之间一般使用 TTL 信号传输,收发器与总线则使用差分信号来传输。发送数据时,串口控制器的 TX 信号经过收发器转换成差分信号传输到总线上,而接收数据时,收发器把总线上的差分信号转化成 TTL 信号通过 RX 引脚传输到串口控制器中。通常在这些节点中只能有一个主机,剩下的全为从机。在总线的起止端分别加了一个 120 欧的匹配电阻。
常用通信接口电气特征(五):RS485/RS422
版权声明:本文为kgufan原创文章,遵循CC 4.0 BY-SA版权协议,转载请附上原文出处链接和本声明。