点击上方蓝字“汽车维修技师杂志”,或者查找公众号:zz8-236
车型:配置2.0L发动机、0AW变速器。
行驶里程:28683km。
故障现象:车辆熄火后一段时间,电子风扇高速运转,直至车辆无电。
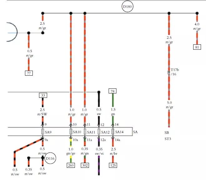
故障诊断:用VAS6150B检测车辆所有控制单元均无故障码。散热器风扇控制单元J293电路图如图1~图3所示。

图1 散热器风扇控制电路1

图2 散热器风扇控制电路2

图3 散热器风扇控制电路3
故障原因分析:
(1)散热器风扇控制单元J293故障。
(2)线路故障。
(3)发动机控制单元J623 故障。
(4)空调控制单元J255 故障。
(5)其他故障。
对散热器风扇控制单元J293线路进行检查,蓄电池电压经S42-T4bf/1为散热器风扇控制单元J293常电源,T4bf/4直接接地,经检查均为正常。T4bf/3连接发动机控制单元J623的T94/50为散热器风扇控制单元控制线,无短路断路现象。T4bf/2经保险SA11连接发动机控制单元J623的主继电器J271,电压正常。线路检查正常。
维修技师在确定线路无故障后,替换车辆的散热器风扇控制单元J293,试车故障没有再现,车辆停放洗车房洗车,准备将车辆交予客户。车辆在洗车过程中,电子风扇高速运转,故障又出来了。
再次将车辆开回维修车间,对线路检查,依旧没有发现故障。车辆温度无条件触发电子风扇,替换温度传感器和水泵节温器总成后故障依旧。
维修技师怀疑车辆发动机控制单元J623,导致熄火后控制电子风扇运转。更换发动机控制单元J623,试车故障依旧。考虑空调引起电子扇运转,对换正常车辆的空调控制单元J255后故障依旧,至此维修陷入僵局,求助于笔者。
在接到车辆以后,仔细对车辆故障现象进行确认。发现一个小规律,车辆在行驶过程中或者点火开关打开的情况下,电子风扇工作很正常。车辆只要一熄火,电子风扇在1min左右就会高速运转。该车电子风扇电源SA11由发动机控制单元J623的主继电器J271控制,延时功能也刚好在1min左右时关闭。找来一辆正常车辆,对SA11电压检测发现,关闭点火开关后1min左右,SA11即断电。该车SA11在点火开关断电后,1min左右断电瞬间马上恢复到11V左右,电子风扇也高速运行。这就解释了为什么车辆在熄火后高速运转了,熄火后发动机控制单元在1min后断电,而其他原因导致SA11供电,散热器风扇控制单元J293正常工作又收不到发动机控制单元J623的控制信号,于是启动应急模式,风扇一直高速运转。车辆行驶过程中或者打开点火开关情况下,发动机控制单元J623和散热器风扇控制单元J293都能正常工作,所以风扇控制单元能够控制电子扇正常工作。
接下来检查SA11熄火后常电源的原因,拔掉J271主继电器后,检测SA11还存在电源电压,确认故障不在J271和发动机控制单元J623。根据电路图,SA11还与SB保险座共电源,都受J271主继电器控制。拆卸仪表台左侧保险盖板准备对SB检测,发现该处加装了行车记录仪,并从30号和15号取电源,测量SB保险电源,发现熄火后依然有电源电压,如图4、图5所示。

图4 加装线路位置

图5 测量加装线路电压
拆卸加装线路,电源即恢复正常,SA11也恢复正常,在熄火后1min左右断电。
故障排除:拆卸加装线路,恢复原车线路后,试车故障排除。
故障总结:此例为典型线路改装导致疑难问题,在排除线路故障时要对每条线路进行仔细确认,不然很容易走入误区而无法找到故障点。
《汽车维修技师》杂志
《汽车维修技师》杂志 由国家科学技术部和新闻出版署批准,创办于2001年6月。由全国汽车图书五强之一的辽宁科学技术出版社主办。杂志自创刊以来深得新老读者的支持和喜爱。被评为极具实用价值的期刊。杂志以专业的视角透视新车型、新技术;迅捷公布国内外新车维修资料;披露中外修车高手经验秘笈。
杂志的宗旨 :向汽车维修业提供全方位技术支持
杂志读者定位:以中高层次汽车维修人员为读者对象的专业期刊
杂志主要栏目:信息快报、新车透视、技术公报、技师手记 、高手秘笈、进修学院、技术蓝牙、车身修复、维修设备、经营管理、总监之星、电路传真等
杂志发行范围:国内外发行
订购电话:024-23284626 23284373