与非门符号:

与非门真值表

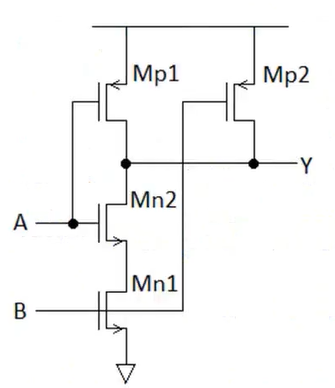
与非门电路原理图

与非门Verilog代码:
`timescale 1ns/10ps
module nand_gate(
A,
B,
Y
);
input A;
input B;
output Y;
assign Y=~(A&B); //assign组合逻辑赋值语句
//先与后非,与非操作,Verilog位操作
endmodule测试代码testbench
//-----testbench of nand_gate
module nand_gate_tb;
reg aa,bb;
wire yy;
//异名例化
nand_gate nand_gate(
.A(aa),
.B(bb),
.Y(yy)
);
initial begin
aa<=0;bb<=0;//reg型变量赋值用带箭头的等号
#10 aa<=0;bb<=0;
#10 aa<=0;bb<=0;
#10 aa<=0;bb<=0;
#10 $stop;//调用$stop系统任务
end
endmodule四位与非门Verilog代码与测试代码
//四位与非门
`timescale 1ns/10ps
module nand_gate_4bits(
A,
B,
Y
);
input[3:0] A;
input[3:0] B;
output[3:0] Y;
assign Y=~(A&B);
endmodule
//-----testbench of nand_gate_4bits
module nand_gate_4bits_tb;
reg[3:0] aa,bb;
wire[3:0] yy;
nand_gate_4bits nand_gate_4bits(
.A(aa),
.B(bb),
.Y(yy)
);
initial begin
aa<=4'b0000;bb<=4'b1111;//表示四位
#10 aa<=4'b0010;bb<=4'b0110;
#10 aa<=4'b0111;bb<=4'b0100;
#10 aa<=4'b0000;bb<=4'b1110;
#10 $stop;
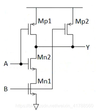
end电路原理图:

版权声明:本文为weixin_41788560原创文章,遵循CC 4.0 BY-SA版权协议,转载请附上原文出处链接和本声明。