序列检测器检测巴克码1110010
做的一次实验,序列检测器,当时在网上找了相关资料比如74LS175中英文参考手册等,当时还考虑了74HC175,后来发现他们只是制作工艺和功耗等不一样,功能都是一样的:
74LSxxxx 是 Low power Schottky(“低功率肖特基”)制程
74HCxxxx 是 High speed CMOS (“高速cmos”)制程
一.实验目的
熟悉和掌握时序电路的设计方法。
二.实验任务
1.设计一个巴克码1110010序列检测器。设计要求:
2.对串行输入的序列信号进行检测,当电路输入序列连续送入1110010时,检测器输出为1,指示灯亮;其他情况,检测器输出都为0。
三.实验器材
根据设计的电路,自行详细地列出所需要的芯片、电阻、电容等,以备连接线路时使用。
四.实验要求
1.用两种方法实现巴克码1110010序列检测器,并写出设计思路。
2. 画出序列检测器的电路图。
3. 接线验证电路是否符合要求。
4. 详细说明在设计操作中遇到问题与解决方法。
5. 对实验结果进行分析。
五、提示
该实验理论上用触发器可以实现,实际操作时却很难实现。因此,建议用寄存器实现。针对该实验本实验室能提供的芯片有:74LS175、74LS194、74LS02、74LS10、74LS20、74LS04等
开始实验
我选用了74LS175+74LS20+74LS04;
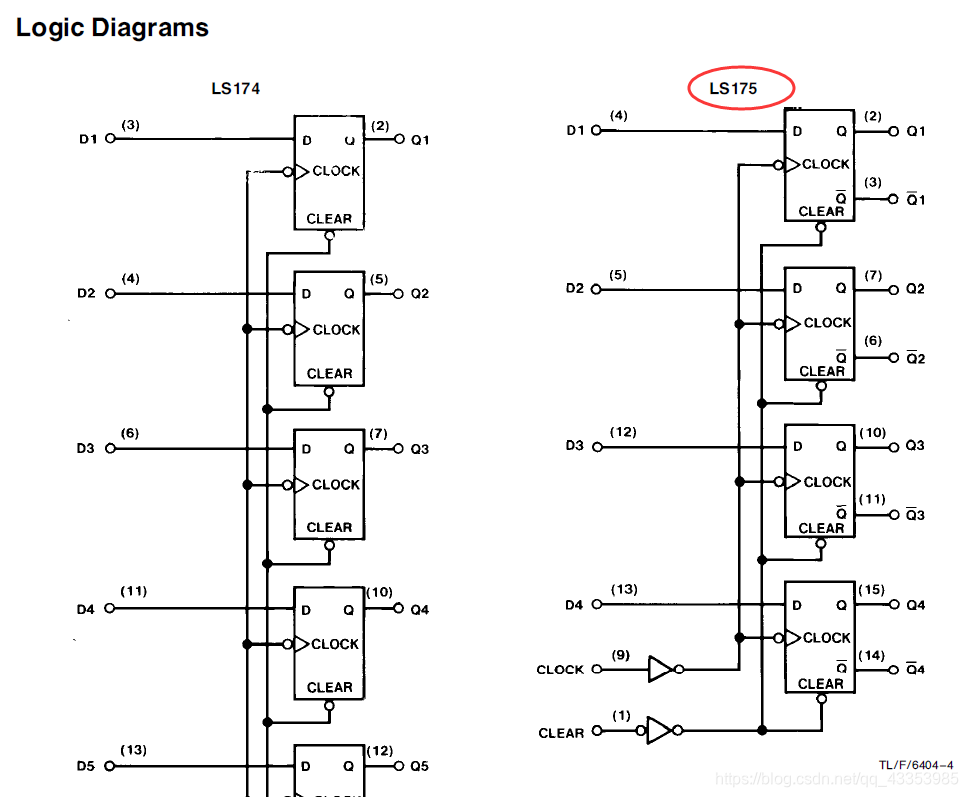
74s175是常用的4D触发器集成电路,里面含有4组D触发器,可以用来构成寄存器,抢答器等功能等部件,下面给大家介绍一下74ls175的相关资料。
工作条件
连接图。至于54和74系列的区别,我引用了网友gjszxs的一个回答:
“54/74系列器件采用单一的bai5V供电。54系列的TTL电路du和74系列的TTL电路具有完全相同的电zhi路结构和电气参数,二者的差别仅为dao工作温度范围和电源电压范围。54系列的工作温度范围为-55到+125摄氏度,电源电压范围为5V ±10%。74系列的工作温度范围为0到70摄氏度,电源电压范围为5V ±5%。”
逻辑图,其实可以直接用作移位寄存器
网上找的74LS175真值表:
Proteus仿真
至于思路也很简单,核心是就是两个存储为4的移位寄存器的串联,SW1相当于发送按键接CLK,SW2相当于(0/1)存储池。存储池准备(拨动开关选择0/1),SW1产生上升沿发送。不断重复上述过程,发送“1”“1”“1”“0”“0”“1”“0”就可以实现LED的点亮。
原理图
“已经送入1110010”