序列信号1011101共7位, 则电路共需要7个有效状态: 可先用同步置数法将74LS161设计为同步7进制计数器.
(由于multisim7中只有74163, 故这里用74163替代74161) 如此设计后, 电路共有7个状态(都是有效状态)0000、0001、0010、0011、0100、0101、0110, 且按照0000->0001->0010->0011->0100->0101->0110变化. 在设计输出信号时, 只需要用到74163的低三位输出即可.
在完成同步7进制加法计数器的设计后, 我们再设定输出变量Z, 以向外界提供输出序列信号.
根据题目的要求, 要产生序列序列信号1011101, 须向下表示填充真值表:
| QC | QB | QA | Z |
| 0 | 0 | 0 | 1 |
| 0 | 0 | 1 | 0 |
| 0 | 1 | 0 | 1 |
| 0 | 1 | 1 | 1 |
| 1 | 0 | 0 | 1 |
| 1 | 0 | 1 | 0 |
| 1 | 1 | 0 | 1 |
| 1 | 1 | 1 | × |
用4选1数据选择器74153实现Z的逻辑表达式:
Z=QC'QB'QA'+QC'QBQA'+QC'QBQA+QCQB'QA'+QCQBQA'
=QC'QB'QA'+QC'QB(QA'+QA)+QCQB'QA'+QCQBQA'
=QC'QB'QA'+QC'QB·1+QCQB'QA'+QCQBQA'
令QC接74153的B(高位), QB接74153的A(高位)
=m0QA'+m1·1+m2QA'+m3QA',
∴C0=C2=C3=QA', C1=1.

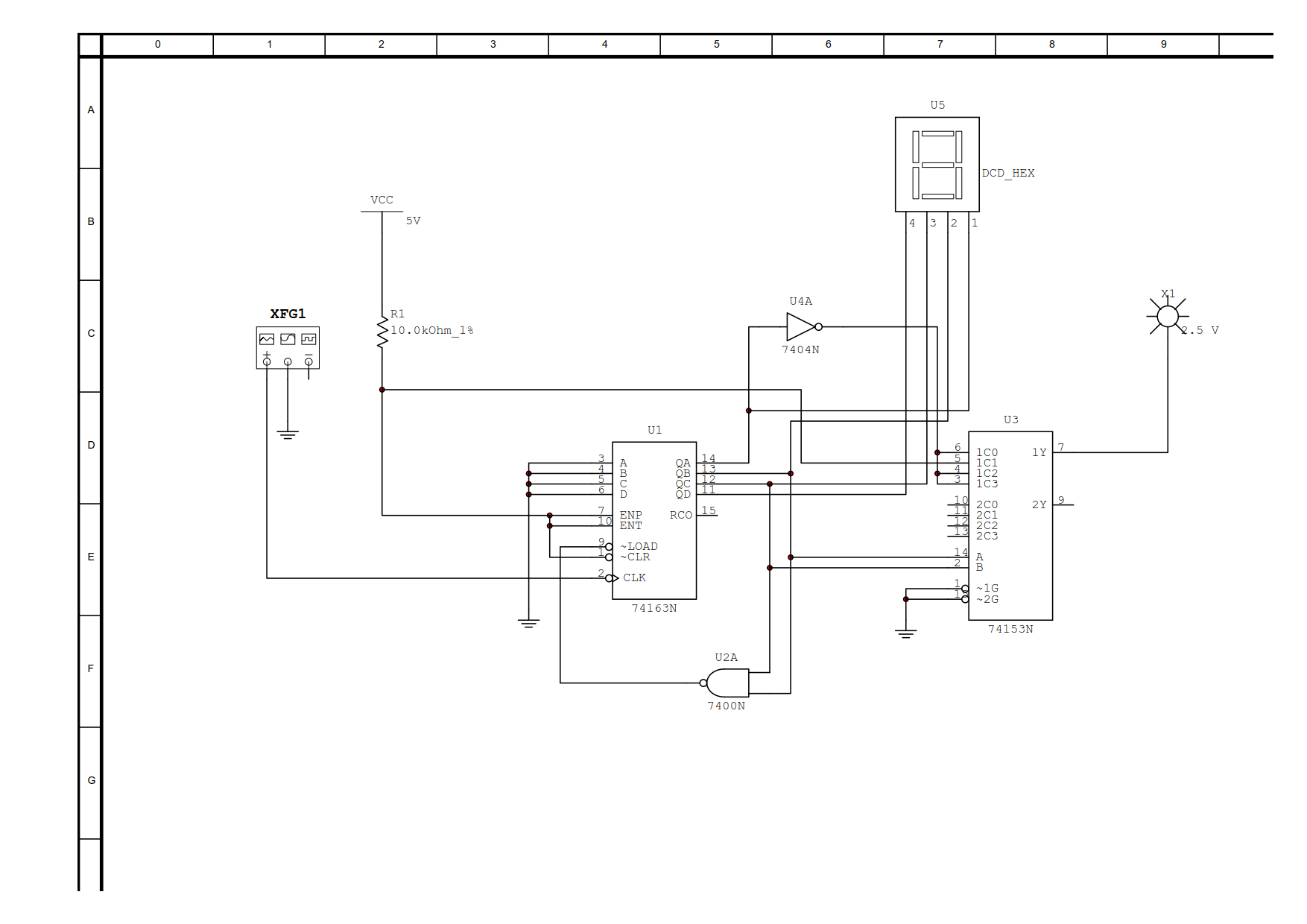
按照上述分析实现的电路原理图如下图示:

版权声明:本文为weixin_42048463原创文章,遵循CC 4.0 BY-SA版权协议,转载请附上原文出处链接和本声明。