调试STM32F429,程序可以通过jtag下进去,但是无法运行。随后将程序改成控制单个引脚的简单程序。发现其引脚虽然无法正常工作,但如果此脚将手按上去构成回路之后,可以看似正常的工作。于是就怀疑电源与地平面的问题。最后经过重重检验确保电源没有问题的之后,将目光集中到晶振上,最后发现,本是无源晶振的地方,错焊有源晶振,切换过后,一切顺利。
一下是整理的有缘晶振与无源晶振的一些资料
有源晶振管脚识别.
有源晶振电路及工作原理简述
有源晶振是由石英晶体组成的,石英晶片之所以能当为振荡器使用,是基于它的压电效应:在晶片的两个极上加一电场,会使晶体产生机械变形;在石英晶片上加上交变电压,晶体就会产生机械振动,同时机械变形振动又会产生交变电场,虽然这种交变电场的电压极其微弱,但其振动频率是十分稳定的。当外加交变电压的频率与晶片的固有频率(由晶片的尺寸和形状决定)相等时,机械振动的幅度将急剧增加,这种现象称为“压电谐振”。
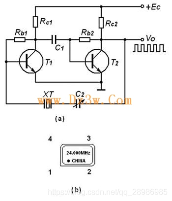
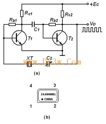
压电谐振状态的建立和维持都必须借助于振荡器电路才能实现。图3是一个串联型振荡器,晶体管T1和T2构成的两级放大器,石英晶体XT与电容C2构成LC电路。在这个电路中,石英晶体相当于一个电感,C2为可变电容器,调节其容量即可使电路进入谐振状态。该振荡器供电电压为5V,输出波形为方波。

有源晶振引脚排列:
有源晶振引脚识别,实物图如上图(b)所示.
有个点标记的为1脚,按逆时针(管脚向下)分别为2、3、4。
方形有源晶振引脚分布:
1、正方的,使用DIP-8封装,打点的是1脚。
1-NC;4-GND;5-Output;8-VCC
2、长方的,使用DIP-14封装,打点的是1脚。
1-NC;7-GND;8-Output;14-VCC
注:有源晶振型号众多,而且每一种型号的引脚定义都有所不同,接法也有所不同,上述介绍仅供参考,实际使用中要确认其管脚列方式.
有源晶振通常的接法:
一脚悬空,二脚接地,三脚接输出,四脚接电压。
有源晶振与无源晶振的联系与区别
无源晶振与有源晶振的英文名称不同,无源晶振为crystal(晶体),而有源晶振则叫做oscillator(振荡器)。无源晶振是有2个引脚的无极性元件,需要借助于时钟电路才能产生振荡信号,自身无法振荡起来,所以“无源晶振”这个说法并不准确;有源晶振有4只引脚,是一个完整的振荡器,其中除了石英晶体外,还有晶体管和阻容元件,因此体积较大。
石英晶体振荡器的频率稳定度可达10^-9/日,甚至10^-11。例如10MHz的振荡器,频率在一日之内的变化一般不大于0.1Hz。因此,完全可以将晶体振荡器视为恒定的基准频率源(石英表、电子表中都是利用石英晶体来做计时的基准频率)。从PC诞生至现在,主板上一直都使用一颗14.318MHz的石英晶体振荡器作为基准频率源。
有源晶振不需要DSP的内部振荡器,信号质量好,比较稳定,而且连接方式相对简单(主要是做好电源滤波,通常使用一个电容和电感构成的PI型滤波网络,输出端用一个小阻值的电阻过滤信号即可),不需要复杂的配置电路。相对于无源晶体,有源晶振的缺陷是其信号电平是固定的,需要选择好合适输出电平,灵活性较差,而且价格高。
下图为晶体及晶振实特图,左边两个是晶振,右边14.38MHz的为晶体.

晶振有源和无源的区别
无源晶振有2个引脚,需要借助于外部的时钟电路(接到主IC内部的震荡电路)才能产生振荡信号,自身无法振荡.
有源晶振有4个引脚,是一个完整的振荡器,其中除了石英晶体外,还有晶体管和阻容元件.只需要电源,就可输出比较好的波形.
有源晶振只是将无源晶体和振荡电路做到一起
晶振行业内一般不以有源无源来分类晶振,一般是客户端工程师才这么叫。客户端工程师所说的晶振,其实是包括晶体(谐振器)和晶体振荡器(振荡器)的统称。
晶体是依靠石英晶体的天然振荡出频率,而晶振借助补偿电路及其它补偿功能实现更好的输出频率。
所以,如果单纯从有无接电路区别,可以简单地分为无源/有源晶振.
晶体(谐振器,crystal,resonator):如49U,49S,UM-1,UM-5.-----无源
晶振(振荡器,oscillator):如XO,VCXO,TCXO,OCXO.-----------------有源
石英晶片之所以能当为振荡器使用,是基于它的压电效应:在晶片的两个极上加一电场,会使晶体产生机械变形;在石英晶片上加上交变电压,晶体就会产生机械振动,同时机械变形振动又会产生交变电场,虽然这种交变电场的电压极其微弱,但其振动频率是十分稳定的。当外加交变电压的频率与晶片的固有频率(由晶片的尺寸和形状决定)相等时,机械振动的幅度将急剧增加,这种现象称为“压电谐振”。
压电谐振状态的建立和维持都必须借助于振荡器电路才能实现。图3是一个串联型振荡器,晶体管T1和T2构成的两级放大器,石英晶体XT与电容C2构成LC电路。在这个电路中,石英晶体相当于一个电感,C2为可变电容器,调节其容量即可使电路进入谐振状态。该振荡器供电电压为5V,输出波形为方波。
在电子学上,通常将含有晶体管元件的电路称作“有源电路”(如有源音箱、有源滤波器等),而仅由阻容元件组成的电路称作“无源电路”。电脑中的晶体振荡器也分为无源晶振和有源晶振两种类型。无源晶振与有源晶振的英文名称不同,无源晶振为crystal(晶体),而有源晶振则叫做oscillator(振荡器)。
无源晶振是有2个引脚的无极性元件,需要借助于时钟电路才能产生振荡信号,自身无法振荡起来,所以“无源晶振”这个说法并不准确;有源晶振有4只引脚,是一个完整的振荡器,其中除了石英晶体外,还有晶体管和阻容元件,因此体积较