前言
在日常学习中发现大一学习的模电知识忘得差不多了,在这里记录学习过程。
提示:以下是本篇文章正文内容,下面案例可供参考
一、电压参考点
知识点
点位φ:单位正电荷从一点移动到**参考点**电场力做的功
让我们来看下面这个例子
我们直接讨论以C点为参考点求Uab、Ubc电压
φa = Wac/q = (8+12)/4V = 5V
φb = Wbc/q = 12/4V = 3V
那么
Uab = φa-φb = 5-3 =2V
Ubc = φb-φc = 3-0 =3V
由此我们可以得出结论:当参考电位不变时,各点的电位也不变,任意两点的电压始终不变。
二、基尔霍夫定理
1.电流定理
任何时刻流入节点的电流之和为0
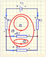
来看下面这个例子
n1: -Iv1-Ir1=0
n2: Iv1-Ir2=0
n3 Ir2+Ir3+Ir4 =0
n4: Ir1-Ir3-Ir4=0
大家看上面的计算可能会觉得枯燥无聊,不过不怕在这里我总结一下:进入节点的电流和离开节点的电流之和为0。
怎么理解呢?电流方向是进入的就是正,离开的就是负。
2.电压定理
任意时刻,闭合回路各支路的压降之和为0
L1 : -Ir2R2 +Ir1R1-V1=0
L2: Ir4R4-Ir3R3 =0
L3: -Ir1R1+V1+Ir2R2-Ir4*R4=0
个人理解:回环方向指向正就是正压降
版权声明:本文为weixin_48062060原创文章,遵循CC 4.0 BY-SA版权协议,转载请附上原文出处链接和本声明。