《ILI9341的使用之【一】TFT-LCD原理(转载)》
《ILI9341的使用之【二】ILI9341介绍》
《ILI9341的使用之【三】ILI9341系统通信接口模式操作详解》
《ILI9341的使用之【四】RGB接口操作详解》
《ILI9341的使用之【五】命令一》
《ILI9341的使用之【六】命令二》
《ILI9341的使用之【七】实体面板案例-arduino 2.4inch TFT Touch Shield》
《ILI9341的使用之【八】ASCII字符显示及驱动分析》
《ILI9341的使用之【九】BG2312字库》
1、简介
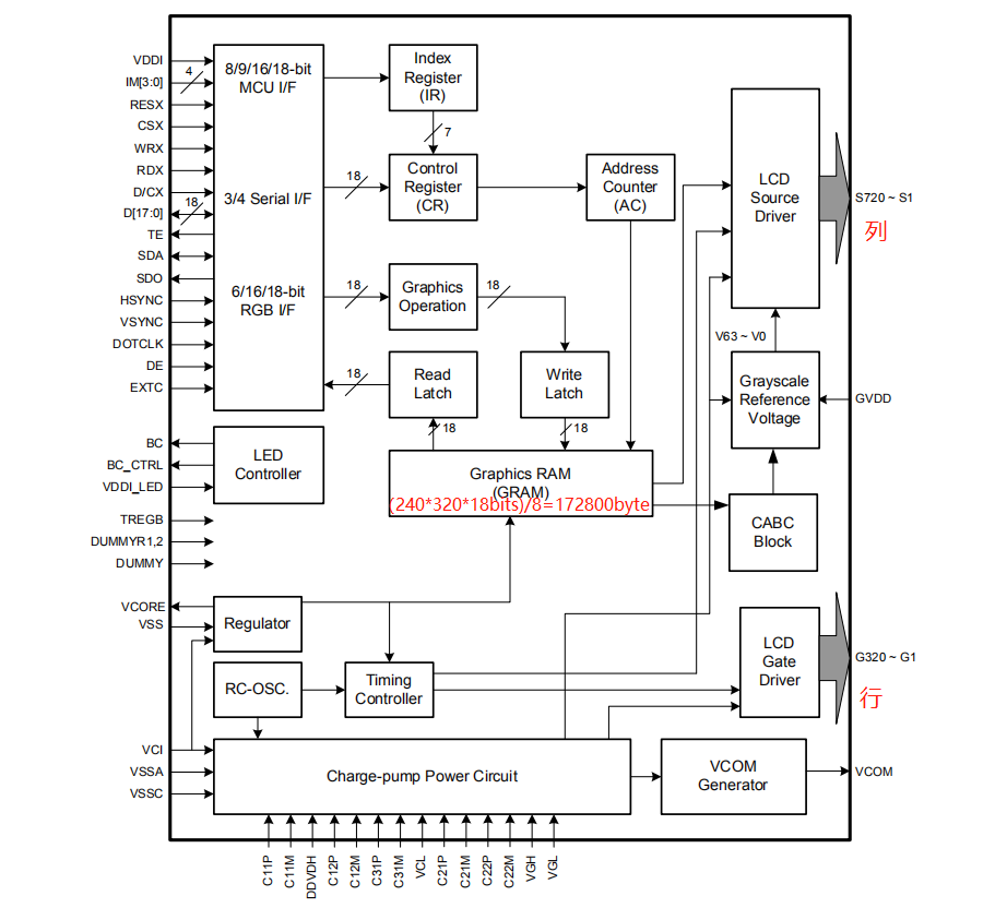
ILI9341是一个支持分辨率为240RGBx320点阵的a-TFT LCD 的262144色单片驱动器。这个单片驱动器包含了一个720通道的源极驱动器(source driver),一个320通道的栅极驱动器(gate driver),172800字节的GRAM用于显示240RGBx320分辨率的图片数据,一套电源支持电路。
ILI9341提供8位/9位/16位/18位的并行MCU数据总线,6位/16位/18位RGB接口数据总线以及3或4线SPI接口(serial peripheral interface)。通过窗口地址函数,电影区域被指定在GRAM内。这个指定的窗口区域可以被有选择地更新,因此电影能够同时被显示在静态图像的单 独区域内。
ILI9341的IO接口电压工作于1.65V-3.3V。一种合并的电压跟随电路,用以产生驱动液晶显示器的电压电平。ILI9341支持full color ,8-color显示模式,支持由软件控制的精确电源睡眠模式。这些功能使ILI9341成为类似于移动电话,小电话,MP3需要电池长效工作的中等或小尺寸便携产品的理想驱动器。
2、功能
*显示分辨率:【240RGB】(H)x 320(V)
*Output:
- 720 源极输出 source
- 320栅极输出 gate
- 公共极输出(VCOM)
- (注:可以查看上一篇原理可知。一个像素有3原色显示RGB,所以240列像素需要720个源极控制。)
a-TFT LCD驱动器内置的满显RAM: 172800字节
*系统接口
- 8-bits,9-bits,16bits,18b-bits 的8080-I/8080-II串行MCU接口
- 6-bits,16-bits,18-bits RGB 图像控制接口
- 3线/4线串行接口
*显示模式
- Full color 模式(Idle模式关,指令38h):262K彩色(可由软件设置)
- Reduce color模式(idle模式开,指令39h):8-color
节电模式: 睡眠模式(相关指令:01h, 10h, 11h, )
*片上功能
- VCOM生成与调节器
- 定时器
- 振荡器
- DC/DC转换
- 线/帧切换
- 1个预置的Gamma 和单 独的RGBGamma修正
*内容自适应亮度控制 (相关指令 51h,52h,53h,54h,55h,56h,5Eh,5Fh,B8h,B9h,BAh,BBh,BCh,BEh,BFh)
*MTP(可编程存储器)
- 8-bits 用于 ID1,ID2,ID3
- (这三个是制造商,版本号等信息,关联指令为D0h,D1h,D2h,DAh,DBh,DCh)
- 7-bits用于VCOM调节器 (关联指令 C5h,C7h)
*低功耗
- 低工作电源支持
–>VDDI=1.65~3.3V(logic)
–>VCI=2.5V~3.3V(analog) - 栅级输出电压
–> VGH - GND = 10.0V ~ 16.0V
–>VGL - GND = -5.0V ~ -10.0V
VGH - VGL ≦ 28V - VCOM 输出电压
VCOMH = 3.0V ~ (DDVDH – 0.2)V
VCOML = (VCL+0.2)V ~ 0V
VCOMH - VCOML ≦ 6.0V - Operate temperature range: -40℃ to 85℃
- a-Si TFT LCD storage capacitor : Cst on Common structure only
参考内容:
上面的功能涉及到较多的各个专有名词的缩写。这里展开复习一下。详细的可看《ILI9341的使用之【一】TFT-LCD原理(转载)》
关于源,栅驱动及公共电极VCOM

3、芯片功能框图

4、引脚描述
4.1、电源支持引脚
| Pin Name | I/o | 类型 | 描述 |
|---|---|---|---|
| VDDI | I | P | 用于接口逻辑电路的低压电源 |
| VDDI_LED | I | LED驱动接口电源。如果LED驱动没有使用,把这脚固定到VDDI上 | |
| VCI | I | 模拟电源 | 用于模拟电路模块(2.5~3.3V)的高电压电源 |
| Vcore | O | 数字电源 | 接口电路的调节低电压电平。为稳压需一个电容。不要在该处接任何外部电源 |
| VSS3 | I | I/O地 | i/O电路的系统地 |
| VSS | I | 数字地 | 数字地 |
| VSSA | I | 模拟地 | 模拟地。为防止噪声需连接到柔性板上的VSS |
| VSSC | I | 模拟地 | 模拟地,为防止噪声需连接到柔性板上的VSS |
4.2、接口逻辑信号
| Pin Name | I/o | 类型 | 描述 |
|---|---|---|---|
| IM[3:0] | I | (VDDI/VSS) | 设定MCU接口模式,8-bits,9-bits,16bits,18b-bits 的8080-I/8080-II串行MCU接口等 |
| RESX | I | MCU(VDDI/VSS) | 低电平有效。将重置设备 |
| EXTC | I | MCU(VDDI/VSS) | 扩展命令集有效,LOW无效,HIGH有效。把EXTC连到VDDI才能读写扩展寄存器(RB0hRCFh,RE0hRFFh) |
| CSX | I | MCU(VDDI/VSS) | 低电平有效,芯片片选信号。此脚 只能在MPU接口模式下永久固定在“LOW”电平上。并行接口模式中,如果CSX连接VSS,则显示模块不会出现异常可见效果。此外,也不会限制使用并行读写协议,电源开关序列或其他功能。当CSX='1’时,对并行和串行接口没有影响。 |
| D/CX(SCL) | I | MCU(VDDI/VSS) | 该引脚用于在并行接口或4线8位串行数据接口中选择“数据或命令”。DCX=1时数据被选择,DCX=0时命令被选择。此引脚在3线9bit或4线8bit串行数据接口中被作为串行接口时钟信号 |
| RDX | I | MCU(VDDI/VSS) | 8080-I/8080-II系统(RDX):作为一个读取信号,在其上升沿时MCU读取数据。如果不使用时,把RDX接到VDDI电平上 |
| WRX(D/CX) | I | MCU(VDDI/VSS) | 8080-I/8080-II系统(WRX):做为一个写入信号,当在其上升沿时写入数据。4线系统(D/CX):作为命令或参数选择不用时接VDDI电平上 |
| D[17:0] | I/o | MCU(VDDI/VSS) | 18bits 双向并行数据总线,用于MCU系统和RGB接口模式 |
| SDI/SDA | O | MCU(VDDI/VSS) | 当IM[3]=0时,串口模式下该脚为in/out信号(SDA);当IM[3]=1时,串口模式下该脚为in模式(SDI);该数据适用于SCL信号的上升沿。如果不用时,该脚需要接VDDI或VSS |
| SDO | O | MCU(VDDI/VSS) | 串口输出信号。数据是在SCL信号下降沿输出。不例用时,需悬空 |
| TE | O | MCU(VDDI/VSS) | 撕裂效果输出引脚用于同步MPU的帧输出,由S/W命令激活。当这个引脚没有激活时,输出低电平。如果没使用,需悬空该引脚 |
| DOTCLK | I | MCU(VDDI/VSS) | RGB接口操作的点时钟信号。不使用把该引脚引到VDDI或VSS电平上。 |
| VSYNC | I | MCU(VDDI/VSS) | RGB接口操作 帧同步信号。不用时把该引脚连接到VDDI或VSS电平上。 |
| HSYNC | I | MCU(VDDI/VSS) | RGB接口操作的线同步信号。不用时把该引脚连接到VDDI或VSS电平上。 |
| DE | I | MCU(VDDI/VSS) | RGB接口操作的数据使能信号。不用时把该引脚连接到VDDI或VSS电平上。 |
4.3、LCD驱动器input/output
| Pin Name | I/o | 类型 | 描述 |
|---|---|---|---|
| S720~S1 | O | Source | 源输出信号(列),不用时悬空 |
| G320~G1 | O | Gate | 栅输出信号(行),不用时悬空 |
| DDVDH | I | Power Stabilizing capacitor | 第一级升压电路的输出电压(2xVCI)。第二级升压电路的输入电压。为源极奁动块产生输出功率。为了稳定连接该脚到电容。 |
| VGH | I | Power Stabilizing capacitor | 为栅极驱动器提供功率。由BT[2:0]bits调节VGL电平。需连接到一个稳压电容器 |
| VGL | I | Power Stabilizing capacitor | 为栅级驱动器提功电源。由BT[2:]bits调节VGL电平。需连接到一个稳压电容器 |
| VCL | I | Power Stabilizing capacitor | 为VCOML提供电源。VCL=0~-VCI。连接到一个稳压电容器 |
| C11P,C11M C12P,C12M | P | Stabilizing capacitor | 为了生成DDVDH电平需连接到电荷泵电容器 |
| C21P,C21M C22P,C22M | P | Stabilizing capacitor | 连接到电荷泵电容器用于生成VGH,VGL电平 |
| GVDD | I | 用于灰度电压生成器的高电平参考电压。内部寄存器可用于调节该电压 | |
| VCOM | O | 为TFT显示反电极提供电源,连接到该反电极。与VCI和VSSA电压一起使用的电荷循环模式 | |
| LEDPWM | O | 输出驱动LED的PWM信号,不用时,悬空 | |
| LEDON | o | LED驱动的使能 |
4、功能块描述
4.1 MCU系统接口
IM[3:0]引脚取值来选择接口模式
8080-I/8080-II串并接口,通过D[17:0]数据引脚实现寄存器的存取
4.2 并行RGB接口
ILI9341也支持显示电影的RGB接口。当RGB接口模式被选择,显示操作与外部信号,VSYNC,HSYNC同步,并且DOTCLK和输入显示数据根据使能信号的极性与这些信号同步写入。
4.3图像RAM(GRAM)
GRAM是图像RAM用于存储显示数据。GRAM的大小是172800字节用于最大240(RGB)x320个点的图像显示,其中每个像素18bits。
4.4 灰度电压生成电路
灰度电压生成电路生成一个液晶驱动电压,相当于gamma修正寄存器里的灰度电平设置。ILI9341能显示最大262144种颜色。
4.5 电源提供电路
LCD驱动电源提供电路生成像GVDD,VGH,VGL以及VCOM这类电压电平用于驱动TFT LCD 。
4.6 时钟控制
时钟控制生成所有的时钟信号用于显示和GRAM的访问。
4.7 振荡器
ILI9341包含RC振荡器电路并且输出一个稳定频率。
4.8 面板驱动电路
液晶显示驱动电路由720个源极输出驱动器(S1~S720),320个栅极输出驱动器(G1-G320),以及VCOM信号