Quartus prime 程序下载指南
Intel的quartus prime为用户免费使用,其官方下载地址:
https://www.intel.cn/content/www/cn/zh/software/programmable/quartus-prime/overview.html
英特尔®(前身为 Altera 公司)下载电缆可以用于英特尔 FPGA的电路内重新配置。下载电缆也可以用于MAX® II、MAX V、MAX 3000A和MAX 7000器件的在系统编程。
采用英特尔 FPGA 下载电缆,将修改后的设计直接下载到器件中,简化了原型开发,连续完成多次设计迭代。可选择的下载电缆类型:ByteBlaster II、USB-Blaster和EthernetBlaster下载电缆
本例使用USB-Blaster下载电缆,使用说明如下:
第一步:安装好Quartus Prime Lite Edition软件;
第二布:以管理员身份运行Quartus Prime Lite Edition软件;
第三步:安装USB-Blaster驱动程序,其驱动程序在Quartus Prime Lite Edition软件安装过程中已装入。
计算机插入USB-Blaster仿真器,在USB-Blaster插入后会提示自动安装软件,安装完成后查看计算机->管理->设备管理器,显示USB-Blaster仍有黄色惊叹号,需手动安装驱动程序。
按步骤手动安装驱动程序,选择搜索Quartus Prime的安装路径,参考本机路径C:\intelFPGA_lite\19.1\quartus\drivers\usb-blaster。需注意usb-blaster有usb-blaster-ii和usb-blaster两个文件夹,根据所用仿真器选择即可。安装完成后查看计算机->管理->设备管理器,显示USB-Blaster工作正常。

第四步:将USB-Blaster仿真器接入目标板,而后给目标板上电。
第五步:编译Quartus Prime的CPLD工程,应保证所有项目通过无错误。如下示例:

第六步:选择Tools->programmer。在弹出的programmer界面点击进入Hardware Setup,在Currently selected hardware里选择USB-Blaster并Close。此时在programmer界面可选择Auto Detec应能检查到目标器件,可刷出对应器件的编程信息,示例如下:

本例以5M40ZE64为例,可选择Program/Configure,Verify,Blank-Check等项,点击“Start”按钮进行编程。

编程成功会在Porgress里提示100%Successful.
当然,在没有工程引导的情况下,也可以在Add File项里添加可编程文件直接进行编程操作。
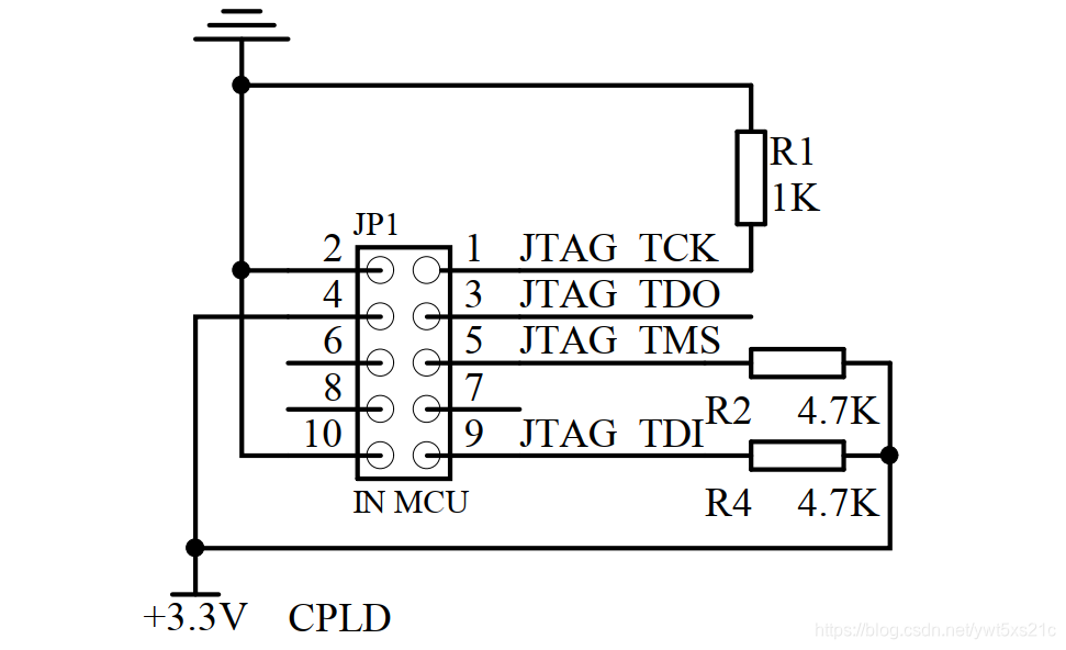
随文附笔者的JTAG接口电路,经测试可用。
