前言
- 本章主要介绍高速电路HDMI原理图相关内容。
- 之前一直找不到硬件题目来练习,老羡慕人家做软件的,最近发现牛客居然有硬件相关题目!
- 这是链接,牛客网刷题(点击可以跳转),而且它登陆后会自动保存刷题记录,重新登录时不会又原地重练,我觉得这一点还挺好的。
- 个人刷题练习系列专栏:个人CSDN牛客刷题专栏
- 而且牛客的硬件板块还挺多的,包括FPGA等等,而CSDN相对硬件板块太少了,如下是牛客硬件专项题目位置:

一.HDMI介绍
- HDMI(High Definition Multimedia Interface)高清多媒体接口,传输数字信号以及音频信号。HDMI与去掉音频传输功能的UDI(Unified Display Interface)统一显示接口都继承DVI的核心技术“传输最小化差分信号”TMDS,从本质上来说仍然是DVI的扩展。

二.HDMI信号说明
- HDMI接口主要有Type A、Type B、Type C、Type D、Type E五种类型,最常见应用最广泛的是HDMI Type A,引脚如下图所示:

| 引脚 | 作用 |
|---|---|
| 1~9 | TMDS数据传输实际上用到的引脚,分为0,1,2三组 |
| 10~12 | TMDS clock传输用到的引脚,如当前Video Timing为480p@60Hz(Htotal:800,Vtotal:525),则TMDS clock = 800x525x60 = 25.2MHz。一个clock分别在三个Channel传输一个像素的R、G、B(8bit)信号 |
| 13 | CEC引脚,Consumer Electronics Control 用户电气控制,可供厂家自己定制HDMI消息 |
| 14 | 保留引脚,可以为13CEC多提供一个引脚 |
| 15~16 | I2C引脚,用于DDC(Display Data Channel,主要用于EDID与HDCP的传输)传输。在HDMI的流程中,DDC通信几乎是最先做的(前有Hotplug),因为HDMI的主从两个设备需要通过DDC来获得他们对方设备的EDID,从而得到各种信息,并且通过比较timming以确定以后送出来的timming为最合适的 |
| 17 | 接地引脚 |
| 18 | 5v的AC引脚 |
| 19 | Hotplug引脚用于监测HDMI设备有没有存在,如果存在(Hotplug为high)那么可以通过DDC去读EDID |
- Type A HDMI可向后兼容于现今多数显示器与显卡所使用的DVI-D或DVI-I接口(但不支持DVI-A),这表示采用DVI-D接口的信号来源可以透过转换线驱动HDMI显示屏,但转换并不支持音频发送等功能。
三.HDMI模块框图

- 1、TMDS Channel 0~2:
三组差分信号,TMDS Clock Channel:差分信号的时钟。
在一个时钟周期内,每个TMDS通道可以传输10bit数据。
Source端原始数据为8位,经过转换成10位数据,前8为数据由原始信号经运算后获得,第9位指示运算的方式,第10位用来对应直流平衡(使TMDS发送的"0"、"1"数量保持一致)。
通过这种算法,会使得数据的传输和恢复更加可靠。
Sink端接收到10bit数据后再还原回8bit数据。
Pclk Clock:像素时钟,例:1920x1080p/60hz,Pclk Clock=1920108060=124.4MHz
带宽:1s内传输的数据量(bit),例:1920x1080p/60hz,色深8位,RGB三色就是24bit,
1920108060*24=2.99GHz
CTL0~3:=1000后面传输视频数据(Pixel component)
=1011后面传输数据包(Auxiliary Data)
- 2、**DDC:**一种I2C总线。主要用于读取EDID、HDCP数据。
EDID:通常是256字节,在Sink设备的EEPROM中存放EDID信息,Source在收到HPD后会通过DDC通道读取EDID得到显示设备的属性。
- 3、CEC:一种单总线。
CEC是一种单总线双向串行总线,引脚为pin13。
CEC的作用就是实现TV和各种设备间的通信。
例如,TV与视频盒子相连,用电视的遥控器进行控制,那么就可以通过HDMI的CEC将这控制信号传送到视频盒子,反之,亦可用视频盒子的遥控器去控制电视。
有时,TV连接着多个CEC设备,为了区分开来,就需要物理地址和逻辑地址。
物理地址:通过EDID分配,具有唯一性。
逻辑地址:指定设备属于什么类型。
链接: HDMI音视频传输协议
- 4、Utility:自定义的总线,目前没有使用过。
- 5、HPD:热拔插。
pin19引脚是HPD,作用是检测HDMI两端是否连接,工作过程:
①、当HDMI接口连接起来,sink将HPD由低电平拉高。
②、source检测到HPD被拉高,于是命令DDC开始干活,DDC读取sink的EDID数据,认为咱俩合适,就叫TMDS开始发送视频数据。
③、如果sink想强制刷新一波EDID数据,可以再把HPD拉低->拉高
④、当HDMI接口断开时,sink无法将HPD信息传达过去,source的HPD自然是一直为低。
⑤值得一提的是,由于source的pin18可以向sink提供+5V电源,所以即使sink不开机,sink也可以利用这+5V电源将HPD拉高,进而使source的DDC和TMDS工作。可惜的是,由于HDCP没有工作起来,所以此时TMDS并不能真正的通信起来。
- 6、除此之外还连接着+5V电源线。
补充:
- CEC:Consumer Electronics Control 用户电气控制,CEC可以控制从设备的一些状态,比如开机,可供厂家自己定制HDMI消息,比如DVD与TV,DVD通过HDMI线连接到TV,用TV的遥控器可以控制DVD,令DVD执行某种功能,那么该功能的命令信号就是通过TV与DVD间的CEC引脚传输的。
- DDC:用来获取被接设备的信息EDID(扩展显示标识数据 )DDC是IIC接口,可以结合HDMI的19管脚(热拔插信号)来读取被接设备的一些有用信息,比如分辨率。FPGA检测到显示器后可以通过DDC读取显示器的分辨率,从而达到智能识别分辨率,FPGA设备可以根据分辨率调整输出(比如我们把笔记本的HDMI接到1080p的显示器和720p的显示器笔记本的输出会自己做调整适应不同的显示器)
- HPD:Hot Plug Detect 热拔插检测,用于HDMI设备是否连接
HDMI(Receiver)接收端(通常为显示器),通常是HDMI接收端配置EDID,HDMI(Transmitter)发送端获取EDID信息,配置适合的分辨率,通过TMDS差分信号传输视频数据。
下面是SiI9136 HDMI Transmitter模块框图:
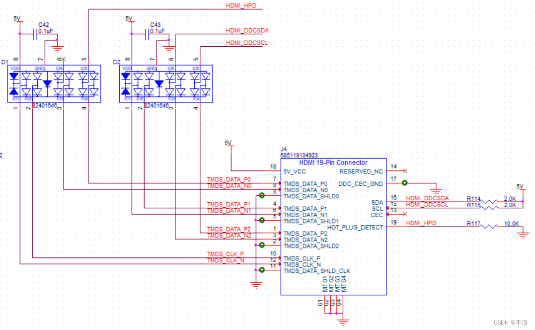
四.HDMI电路图
FPGA端:此段至转换型号为并行信号,注意等长。
转换芯片:

DDC:
连接器端:此段到转换芯片为高速差分信号,注意阻抗、差分、延时、尽可能短等。
结束语
- 以上就是高速电路HDMI原理图概述的内容。
- 推荐牛客网刷题(点击可以跳转)的硬件刷题板块。

参考资料:
链接: HDMI音视频传输协议
相关内容及图片为《电巢》课程的学习记录,侵删。
版权声明:本文为weixin_43490708原创文章,遵循CC 4.0 BY-SA版权协议,转载请附上原文出处链接和本声明。

