电力电子技术仿真(一)单相半波整流电路
一.powergui
1.1poweigui的介绍
power是电能,gui是图形界面。是为研究人员提供的电能图形界面。这个模块是专门为电气工程领域研究人员提供的图形界面,可以设置解算器的解算方式,对波形进行FFT分析等等,功能很多。
1.2 powergui的位置
Library Browser->Simscape->Electrical->Specialized Power
Systems->Fundamental Blocks.
仿真电力电子时常用的simulink模块有Simulink(包括弱电器件)和Simscape(物理模型仿真模块组)
二、仿真单相半波整流电路
2.1 器件的位置
- 电源:
Simscape->Electrical->Specialized Power Systems->Fundamental
Blocks->Elctrical Sources
可以找到电力电子常用的电源器件,在这里我们选择AC Voltage
Source(交流电压源)
- 晶闸管:
Simscape->Electrical->Specialized Power Systems->Fundamental
Blocks->Power Electronics(电力电子器件)
,在这里我们选择Detailed Thyristor(晶闸管)
- RLC:
Simscape->Electrical->Specialized Power Systems->Fundamental
Blocks->Elements
在这里我们可以选择Series RLC Load 或 Series RLC Branch
- 电压、电流表、万用表(Multimeter):
Simscape->Electrical->Specialized Power Systems->Fundamental
Blocks->Measurements
使用万用表时,想要测量的值,点击对应的元件选择Measurements即可
- 测平均值表(Mean)、有效值/均方根表(RMS):
Simscape->Electrical->Specialized Power
Systems->Control&Measurements->Measurements
- 示波器(Sope)、显示输入的值(Display):
Simulink->Sinks
- 脉冲信号发生器(Pluse Generator):
Simulink->Sources
双击可以设置脉冲的幅值,周期及占空比。
- 多路复用器(Mux)、多路分解器(Demux):
Simulink->Commonly Used Blocks
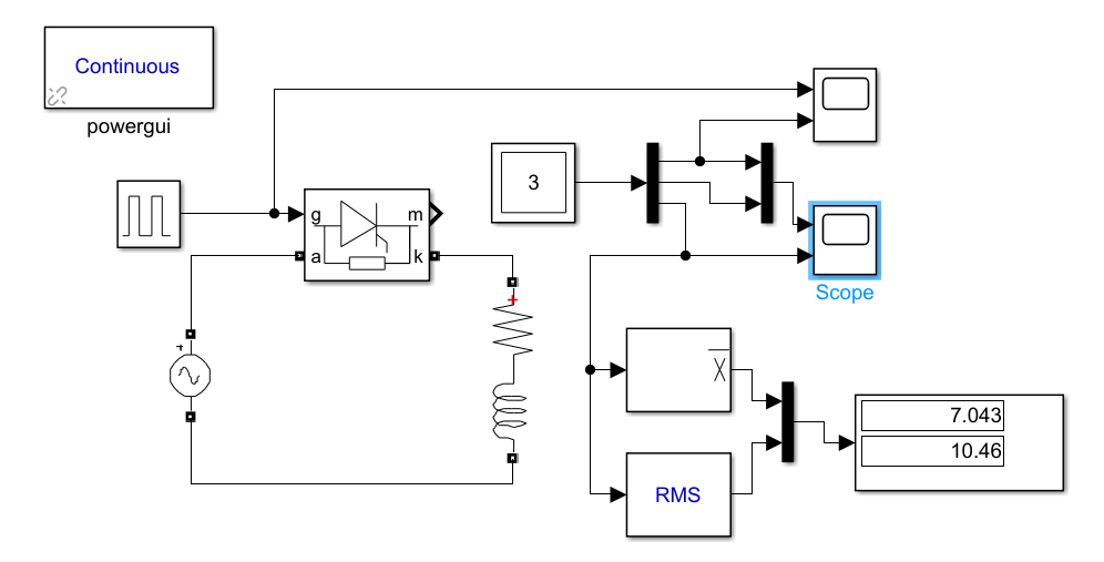
2.2电路的连接及仿真效果
2.2.1 连接图

万用表测量的值(从上至下):电源电压,负载电压,电路电流
2.2.2 仿真结果


三、Tips
3.1 仿真图像不连续,看起来断断续续?
可能是因为取样最大步长较大,使得取样粗糙。
可以点击
从而设置
将Max step size从auto改为一个较小的值,即可使得图像看起来连续。
3.2 设置pulse generator时填的数据可以是表达式
eg:
便省下计算的时间。
3.3 对仿真图像及数据的导出
点击万用表中想要知道的数据支路,simulink上方会多出signal的选项,点击log signal便将此信号添加成功,图中也会显示信号的标志。
- 点击信号的标志,选择好数据并点击export,便可将数据导出。
- 回到matlab主界面,会多出变量(每个版本matlab出现的可能不一样),找到 logsout ->signal->values 便可以对数据进行导出或制图等操作。
此系列文章是我学习simulink仿真电子电路的笔记,帮助我记忆更牢靠。大多知识点出自下面的b站视频: here
仿真的电路图:百度网盘 提取码:7891