FOC控制笔记 - 基本概念
. 整体概括
1, FOC主要是通过对电机电流的控制实现对电机扭矩(电流)、速度、位置的控制。通常是电流作为最内环,速度是中间环,位置作为最外环。
2, 定子绕组可产生任意的磁场方向。
3, 定子产生的磁场和转子本身磁场同步旋转,且始终成90°夹角并产生最大转矩。
下图显示了矢量控制算法的基本结构。要执行矢量控制,必须执行以下四个步骤:
1、测量电机物理量(直流母线电压和电流,转子位置/速度)
2、使用Clarke变换将测量电流转换为两相系统(α,β)。之后,使用Park变换将α,β坐标系中的电流转换为d,q参考系。
3、在d,q旋转框架中单独控制d轴q轴电流。
4、通过逆向Park变换从d,q参考系变换为与定子固定的两相系统。使用空间矢量调制产生输出三相电压。
Clark变换
由于三相电路计算困难,将三相交流电路等效成二相交流电路,变换原则是电流产生的磁场相等,并且简化了运算。
Park变换
二相交流电流计算还是复杂,定子坐标系(α,β),建立一旋转坐标系(d,q)跟随转子转动,实轴d和转子磁链 的方向相同,利用矢量映射原理,将二相交流电变换成d,q两路直流电。
推公式的话使用欧拉角会更加简单,可以理解为Idq = Iαβ * e^-jθ
反Park变换
在建立一旋转坐标系(d,q)计算完成后,需要再变换回二相交流电(α,β)输出,称为反Park变换。
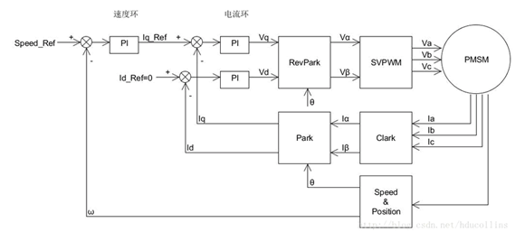
图一:电流环
其中,Iq_Ref是q轴(交轴)电流设置定值,Id_Ref是d轴(直轴)电流设定值,在电机转子上建立一个坐标系,此坐标系与转子同步转动,取转子磁场方向为d轴,垂直于转子磁场方向为q轴,将电机的数学模型转换到此坐标系下,就可实现d轴和q轴的解耦。
Ia、Ib、Ic分别是A相、B相、C相的采样电流,是可以直接通过AD采样得到的,通过直接采样其中两相,利用公式Ia+Ib+Ic=0计算到第三相,电角度θ可以通过实时读取编码器的值计算得到。
在得到三相电流和电角度后,即可以进行电流环的执行了,三相电流Ia、Ib、Ic经过Clark变换得到Iα、Iβ;然后经过Park变换得到Iq、Id;然后分别于他们的设定值Iq_Ref、Id_Ref计算误差值;然后分别将q轴电流误差值带入q轴PI环计算得到Vq,将d轴电流误差值带入d轴电流PI环计算得到Vd;然后对Vq、Vd进行反Park变换得到Vα、Vβ;然后经过SVPWM算法得到Va、Vb、Vc;最后输入到电机三相中,完成一次电流环的控制。
当对电机进行速度控制时,需要在电流环外面加一个速度环,控制框图如下:
图二:速度电流双环
其中Speed_Ref是速度设定值,w是电机的转速反馈,可以通过电机编码器等传感器或者通过反电势计算得到。
将计算得到的电机速度与电机速度w与速度设定值Speed_Ref进行误差值计算,带入速度PI环,计算的结果作为电流环的输入,比较图一跟图二的电流环部分发现,图二中d轴电流被设定为零(Id_Ref=0),因为d轴电流对于驱动电机的转动不会产生输出力,所以通常情况下都会将d轴电流设定为零(但不是总是零);当Iq_Ref等于了速度环的输出时,再结合上面的电流环,就实现了速度的双闭环控制。