目录
4. 构造欠采样等距掩模 (equispaced mask) 并显示
功能函数 rsos.m (root-sum-of-square)
function image = rsos(data)
% RSOS Root Sum of Squares Function.
%
% The root Sum of Squares function necessary for converting 3D multichannel
% complex data into 2D real valued data.
assert(length(size(data)) == 2 || length(size(data)) == 3, 'Data must be either 2D or 3D.');
image = abs(data) .^ 2;
image = sum(image, 3);
image = sqrt(image);
assert(length(size(image)) == 2);
end初始化
%% GRAPPA MRI Reconstruction
%% Initializing
%%
tic
close;
clear;
约定:相位编码方向 k_y 自底向上 (↑)、读出方向/频率编码方向 k_x 从左往右 (→)。
1. 加载全采样 MR 图像并显示
brainCoils 是 5 通道的大脑 MR 图像,分别来自 Nc = 5 个线圈各自的 全采样 结果,每张图像 size = 120 ×128,type = double
%% Loading data
%%
brainCoilsData = load('brain_coil.mat');
brainCoils = brainCoilsData.brain_coil_tmp; % 120×128×5 double
[phaseLength, freqLength, numCoils] = size(brainCoils); % 120, 128, 5
disp(size(brainCoils)); % Phases, Frequencies, Coils
%% Show original Brain Image
%%
originalImage = rsos(brainCoils); % 120×128 double
figure;
colormap('gray');
imagesc(originalImage);
title('Original Image');
colorbar();
2. 全采样 MR 图像转换为全采样 k 空间并显示
fullKsapce 是由全采样 MR 图像 brainCoils 经 FFT 得到的全采样 k 空间数据,size = 120×128×5,type = complex double
%% Convert to Fourier Domain with 2D Fast Fourier Transform
% Don't forget to use fftshift and ifftshift.
%fullKspace = fftshift(fftshift(fft2(brainCoils), 1), 2); % 源代码
fullKspace = ifftshift(fft2(fftshift(brainCoils))); % 修正 120×128×5 complex double
%% Check k-space
%%
figure;
imagesc(rsos(fullKspace), [0, 10000]);
title('Original k-space');
colormap('gray');
colorbar();
fftshift 与 ifftshift
注意,当空域中的点 f(x,y) 移位时,在频域中只发生相移,并不影响其傅里叶变换的幅度。反之,当频域中的点 F(u,v) 移位时,相应的 f(x,y) 在空域中也只发生相移,不产生幅值变化。根据平移性质,为更清楚查看频率域的 k 空间数据 的频谱 (复数值数据的模),在把画面分成四分的基础上,可以进行换位/移位 (shift),从而使频域原点 (直流成分) 平移到频谱中央。如下所示:
举个例子:
3. 设置部分参数
samplingRate 即为下/欠采样率,又称缩减因子 (reduction factor) / 加速因子 (accelation factor),符号通常为 R。此处设置 R = 2 表示将进行 2 倍加速 MRI,这在笛卡尔 k 空间顺序采集中,意味着每 R = 2 条相位编码线的位置才真正地采集到 1 条 (acquired line),其位置将由 1 值 mask 覆盖表示已采集;另 1 条 (unacquired line) 的位置将由 0 值 mask 覆盖表示未采集。从而,实现 R = 2 倍欠采样 / 加速。
acsLength 即 ACS 区域长度 / ACS 相位编码线数目,此处表示中央区域连续 12 条相位编码线作为 ACS。
kernelHeight 指 GRAPPA kernel 高度,kernelWidth指 GRAPPA kernel 宽度
remainder 用于确定已采集线 (mask=1) 的位置 (R=2 时用于区分奇数索引/偶数索引)
%% Setting parameters for later use.
% Due to overlap with the downsampling lines, the actual ACS length may be 1
% or 2 lines longer than specified.
samplingRate = 2; % reduction factor / accelation factor R = 2
acsLength = 12; % 12 条 ACS 线
kernelHeight = 4; % kernel 高度为 4
kernelWidth = 3; % kernel 宽度为 3
remainder = 0; % 已采集线为偶数行
assert(mod(kernelHeight, 2) == 0, 'kernel height should be an even number')
assert(mod(kernelWidth, 2) == 1, 'kernel width should be an odd number')
assert(remainder < samplingRate, ...
'The remainder must be a non-negative integer smaller than the sampling rate.')
4. 构造欠采样等距掩模 (equispaced mask) 并显示
acsStart 为 ACS 起始行索引,acsFinish为 ACS 结束行索引,在此范围内的 mask 值恒为 1 表示全采样。
mask 为与 fullKpace 等 size 和 type 的 0/1 等距掩模 (不是随机掩模),用于模拟/制作 R = 2 倍欠采样 k 空间数据,其中第 55-66 共 12 行为 ACS 区域。
%% Making the mask
% Creating a mask for the downsampling and the acs lines.
mask = zeros(size(fullKspace)); % Making a mask for the brain coils. 120×128×5 double
acsStart = floor((phaseLength - acsLength) ./ 2); % ACS 起始行索引 (120 - 12) / 2 = 54
acsFinish = acsStart + acsLength; % ACS 结束行索引 54 + 12 = 66
for idx = 1:phaseLength
if (acsStart < idx) && (idx <= acsFinish)
mask(idx, :, :) = 1; % ACS 区域为 1 值掩模
end
if mod(idx, samplingRate) == remainder
mask(idx, :, :) = 1; % 已采集线设在偶数索引处 (remainder=1 则在奇数索引)
end
end
assert(isequal(size(mask), size(brainCoils)), 'Mask size is incorrect.')然后,显示构造好的 R = 2 倍欠采样等距 mask:
%% Displaying mask.
% This code functions to check whether the mask has been made correctly.
%
% All values should be either 0 or 1. The presence of any other value indicates
% an error.
%
% There should be a white band in the middle, with striped lines surrounding
% it.
figure;
imagesc(mean(mask, 3));
title('Mask array');
colormap('gray');
colorbar();
5. 模拟/生成欠采样 k 空间数据并显示
fullKpace 为各线圈全采样 MR 图像对应的 k 空间域数据,size = 120×128×5,type = complex double
mask 为 0/1 等距掩模,用于模拟/生成 R = 2 倍欠采样 k 空间数据,size = 120×128×5,type = complex double
downSampledKpace 为 fullKpace 和 mask 通过阵列乘法 —— 按元素相乘得到的模拟 R = 2 倍欠采样 k 空间复数值数据,size = 120×128×5,type = complex double
%% Generating down-sampled k-space
% Obtain the Hadamard product (elementwise matrix multiplication) between the
% full k-space data and the mask.
downSampledKspace = fullKspace .* mask; % 120×128×5 complex double
assert(isequal(size(downSampledKspace), size(brainCoils)), 'Reconstruction is of the wrong shape.')downSampleKspaceImage 是通过 平方和根 (root-sum-of-square) 方法 组合 所有线圈各自的欠采样 masked k 空间 复数值数据 重建的 总体欠采样 masked k 空间 实数值频谱,size = 120×128,type = double
% 实数值频谱, 仅用于展示, 无实际用途
downSampledKspaceImage = rsos(downSampledKspace); % RSOS 组合多个欠采样 k 空间, 重建得到 实值欠采样 k 空间频谱图像 (多对一) 128×120 double
figure;
imagesc(downSampledKspaceImage, [0, 10000]);
title('Downsampled k-space');
colormap('gray');
colorbar();
6. 欠采样 k 空间数据 IFFT 转换到图像域并显示
dsBrainCoils 为 R = 2 倍欠采样 k 空间 复数值数据 的 downSampleKspace 图像域 MR 图像 (Nc = 5 个线圈各自的都叠在一起),size = 120×128×5,type = complex double
dsImage 是通过 平方和根 (root-sum-of-square) 方法 组合 所有线圈各自的欠采样 MR 复数值图像数据 dsBrainCoils 而重建的 总体欠采样 MR 实数值图像,size = 120×128,type = double
%% Check Downsampled Image
%%
%dsImage = ifft2(ifftshift(ifftshift(downSampledKspace, 2), 1));
dsBrainCoils = ifftshift(ifft2(fftshift(downSampledKspace))); % 120×128×5 complex double
dsImage = rsos(dsBrainCoils); % 120×128 double然后,显示总体 R = 2 倍欠采样 MR 图像:
figure;
imagesc(dsImage);
title('Downsampled Image');
colormap('gray');
colorbar();
7. 重新修正真正的 ACS 区域
由于使用了等距 mask 模拟 R = 2 倍的欠采样,在原 ACS 区域 (行索引 55-66) 的基础上,必然多出 1 条已采集的相位编码线与之相邻,因此可以重新修正 ACS 区域使之扩大。
由于 mask 是用于模拟欠采样的,而在实际欠采样 k 空间数据中,我们并不知道 mask 的存在。因此,我们需要手动获取等同于 mask 的数据finder。
finder 中,包括 ACS 区域 (55-66) 内的已采集数据 (偶数行) 的行索引 (相位编码方向) 处值为 1,未采集数据 (奇数行) 的行索引为 0,size = 120×1,type = logical,例如:

acsFinder 则在原定 ACS 区域行索引 (相位编码方向) 处值为 1,其余行索引处值均为 0,size = 120×1,type = double,例如:

acsLines则包含了最终实际的 ACS 区域行索引,size = 13。之所以为 13 而非 12 条, 是因为多出的 1 条 (第 54 条) 来偶数位置索引的已采样数据。例如:

matrixHeight表示 kernel / 权重覆盖范围的高度为 7 (每次拟合/估计纵跨 7 条相位编码线,其中 第 1、3、5、7 条 为已采集数据点 (kernelHeight = 4),第 4 条的中点 为待拟合/待估计数据点 (kernelWidth = 3))。
acsTrueLength表示最终实际的 ACS 区域长度为 13 (第 54-66 行)。
%% Find True ACS
% Find the length of the true ACS domain, including lines due to downsampling.
%finder = any(downSampledKspace, [2, 3]); % 原代码
%assert(isequal(finder, mean(mask, [2, 3])), 'The indices are wrong.') % 原代码
finder = any(any(downSampledKspace, 2), 3); % finder.size = 120×1 logical
assert(isequal(finder, mean(mean(mask, 2),3)), 'The indices are wrong.') % mean.size = 120×1 double
acsFinder = zeros(phaseLength, 1); % 120×1 double
for idx = 2:phaseLength-1
if finder(idx-1) == 1 && finder(idx) == 1 && finder(idx+1) == 1
acsFinder(idx-1:idx+1) = 1; % ACS 区域置 1
end
end
% Getting the idices of the ACS lines.
acsLines = find(acsFinder); % 13×1 double (54-66)
% 之所以为 13 而非 12 条, 是因为多出的 1 条来自偶数位置索引的已采样数据
% Checking whether the parameters fit.
matrixHeight = samplingRate .* (kernelHeight-1) + 1; % 2 * (4-1) + 1 = 7 表示 kernel/权重覆盖范围的高度为 7
acsTrueLength = length(acsLines); % 表示真实的 ACS 线长度为 13
assert(acsTrueLength >= matrixHeight, 'ACS is too short for kernel params')
assert((acsLength <= acsTrueLength) && (acsTrueLength <= acsLength+2), 'Mask is incorrect')8. 构造 kernel 权重矩阵
8.1 正常过程
根据矩阵乘法公式:Y = X * w → 权重矩阵:w = pinv(X) * Y
对应代码中的变量名与运算:weights = pinv(inMatrix) * outMatrix;
acsPhases为 7,表示覆盖范围高度为 7 的 GRAPPA kernel,在相位编码方向上沿 ACS 区域 (54-66 共 13 行) 有 7 个不同的起始行。
numKernels 为 897,表示 GRAPPA kernel 在 ACS 区域滑动的总次数为 897,对应着 897 个待拟合的 ACS 点 y。987 = 7 * 128,其中 7 表示 7 个 kernel 范围起始行,128 表示频率编码轴长度为 128 (有 128 个横坐标)。
kernelSize 为 60,表示每个 GRAPPA kernel 的权重个数为 60。60 = 4 * 3 * 5,其中 4 是 kernel 高度,3 是 kernel 宽度,5 是 kernel 通道数,对应 Nc = 5 个线圈,表明每个线圈上的待拟合/待估计点都是由所有 Nc = 5 个线圈的已采集数据点共同参与的。
outSize为 5,表示 每次拟合/估计 1 个位置的点,Nc = 5 个线圈在此相同位置的点由矩阵运算同时得出,对应 outMatrix 的列数。
%% Building the weight matrix
% Has equation of X * w = Y in mind. (Eq.11)
% X = inMatrix, Y = outMatrix, w = weights.
% Each kernel adds one row to the X and Y matrices.
acsPhases = acsTrueLength - matrixHeight + 1; % 13 - 7 + 1 = 7, kernel 纵向移动次数 / 起始行次序
numKernels = acsPhases .* freqLength; % 7 * 128 = 897, kernel 在 ACS 上移动的总次数 (训练对数)
kernelSize = kernelHeight .* kernelWidth .* numCoils; % 4 * 3 * 5 = 60, kernel 包含的权重个数
outSize = numCoils .* (samplingRate - 1); % 5 * (2 - 1) = 5, outMatrix 的列数
outMatrix表示 ACS 中待拟合的数据点矩阵 Y (可视为 训练集 labels / targets),size = 896×5,type = complex double。其中,896 = 7 * 128,表示 ACS 区域中央的 7 行 (第 54, 55, 56, 57, 58, 59, 60)、每行的 128 个点为用于估计 GRAPPA kernel 的待拟合数据点 y,而 Nc = 5 个线圈在同一坐标位置处的 5 个点由矩阵运算同时得出。
inMatrix对应 ACS 中用于数据点矩阵 X (可视为 训练集 data),size = 896×60,type = complex double。其中,896 = 7 * 128,表示共有 7 * 128 个待拟合数据点 x;60 = 4 * 3 * 5,表示拟合每个点需要的 ACS 数据点 / 权重 个数为 60 个。换言之,每 60 个 ACS 数据点 x / 权重 拟合一个 y,共需要 896 组。
% Eq.11 S represents the collected signal in each element coil at some position
inMatrix = zeros(numKernels, kernelSize); % 896×60 complex double
% Eq.11 S(m)
outMatrix = zeros(numKernels, outSize); % 896×5 complex double
hkw为 GRAPPA kernel 宽度的一半 1,hkh为 GRAPPA kernel 高度的一半 2。
kidx作为 kernel 计数器。
hkw = floor(kernelWidth/2); % Half kernel width. 1
hkh = kernelHeight/2; % Half kernel height. 2
kidx = 1; % "Kernel index" for counting the number of kernels.
然后,遍历 7 行 (54-60) 128 列 (1-128) 以拟合共 7 * 128 = 896 个点矩阵 Y。
注意,每次估计 kernel 的覆盖范围是 7 行 3 列,但只有其中 4 行属于 x (如第一次为 54、56、58、60),列选取则是循环移位的 (如第一次为 128、1、2),那么待拟合点 y 就在正中心 (如第一次为 (57, 1))。以此类推:
第二次行编号为 54、56、58、60,列编号为 1、2、3,待拟合点 y 在 (57,2);
第二次行编号为 54、56、58、60,列编号为 1、2、3,待拟合点 y 在 (57,2);
...
倒数第二次 (第891次) 行编号为 60、62、64、66,列编号为 126、127、128,待拟合点 y 在 (61,127);
最后一次 (第892次) 行编号为 60、62、64、66,列编号为 127、128、1,待拟合点 y 在 (61,128)。
% acsline = 54,55,56,57,58,59,60, 表示 kernel 的起始行
for acsLine = acsLines(1:acsPhases)' % 遍历第 1,2,3,4,5,6,7 位 (acsLines 整体范围从 54 到 66)
% 第一个 phases = linsapce(54, 54+7-1, 4) = linspace(54, 60, 4) = 54 56 58 60
phases = linspace(acsLine, acsLine+matrixHeight-1, kernelHeight); % Phases of the kernel
% 频率编码轴长度 freqLength = 128, freq 表示当前 kernel 中点的横坐标/频率值 (1-128)
for freq = 1:freqLength
% 第一个 freqs = linspace(1-1, 1+1, 3) = linspace(0, 2, 3) = 0 1 2
freqs = linspace(freq-hkw, freq+hkw, kernelWidth); % Frequencies of the kernel.
% 第一个 freqs = mod((0 1 2) - 1, 128) + 1 = 128 1 2
freqs = mod(freqs-1, freqLength) + 1; % For circular indexing.
% 第一个 selected = linspace(56+1, 58-1, 2-1) = 57
selected = linspace(phases(hkh)+1, phases(hkh+1)-1, samplingRate-1);
% 第一个 selected = mod(57-1, 120) + 1 = 57
selected = mod(selected-1, phaseLength) + 1; % Selected Y phases.
% 第一个 tempX = downSampledKspace((54 56 58 60), (128 1 2), :)
% 共 4 * 3 * 5 = 60 个数据点
tempX = downSampledKspace(phases, freqs, :); % 4×3×5 complex double
% 第一个 tempY = downSampledKspace(57, 1, :)
% 共 1 * 1 * 5 = 5 个待拟合点
tempY = downSampledKspace(selected, freq, :); % 1×1×5 complex double
% Filling in the matrices row by row.
inMatrix(kidx, :) = reshape(tempX, 1, kernelSize); % ACS 训练数据点排在第 kids 行上, size = 1×60
outMatrix(kidx, :) = reshape(tempY, 1, outSize); % ACS 待拟合数据点排在第 kids 行上, size = 1×5
kidx = kidx + 1; % 下一保存行, 共 7 * 128 = 896 行, 对应 896 个 ACS 待拟合数据点
end
end
assert(isequal(size(inMatrix), [numKernels, kernelSize]), 'Incorrect X matrix');
assert(isequal(size(outMatrix), [numKernels, outSize]), 'Incorrect Y matrix');最后,使用 Moore-Penrose 伪逆 求解权重矩阵weights,size = 60×5,type = comples double
% Has equation of X * w = Y in mind. (Eq.11)
% X = inMatrix, Y = outMatrix, w = weights.
% Each kernel adds one row to the X and Y matrices.
% Eq.11 求解 n^(m) (weights)
% pinv(inMatrix) 60×896 complex double
% outMatrix 896×5 complex double
weights = pinv(inMatrix) * outMatrix; % Calculate the weight matrix. 60×5 complex double
% B = pinv(A) returns the Moore-Penrose pseudoinverse of A (伪逆)
assert(isequal(size(weights), [kernelSize, outSize]), 'Incorrect weight size');
Moore-Penrose 伪逆
Moore-Penrose 伪逆 是一种矩阵,可在不存在逆矩阵的情况下作为逆矩阵的部分替代。此矩阵常被用于求解没有唯一解或有许多解的线性方程组。
对于任何矩阵 A 来说,伪逆 B 都存在,是唯一的,并且具有与 A' (A 的转置) 相同的维度。若 A 是方阵且非奇异,则 pinv(A) 只是一种成本比较高的计算 inv(A) 的方式。但若 A 不是方阵,或是方阵且奇异,则 inv(A) 不存在。在这些情况下,pinv(A) 拥有 inv(A) 的部分(但非全部)属性:
伪逆计算基于 svd(A)。该计算将小于 tol 的奇异值视为零。
具体地:
pinv 通过奇异值分解来形成 A 的伪逆。S 对角线上小于奇异值容差 tol 的奇异值 (不那么重要或代表性不够的特征值) 被视为零,而 A 的表示由此变成:
因此 A 的伪逆等于:
8.2 可视化
%% 可视化三个矩阵
figure;
rsos_inMatrix = rsos(inMatrix);
imagesc(rsos_inMatrix, [0, 10000]); % 896×60 double
title('modulus of X');
colormap('gray');
colorbar();
figure;
rsos_outMatrix = rsos(outMatrix);
imagesc(rsos_outMatrix, [0, 10000]); % 896×5 double
title('modulus of Y');
colormap('gray');
colorbar();
figure;
rsos_weights = rsos(weights);
imagesc(rsos_weights); % 60×5 double
title('modulus of weights');
colormap('gray');
colorbar();



9. GARPPA 重建
9.1 原理




9.2 实现
说明
%% GRAPPA Reconstruction
% Performing a naive reconstruction according to first principles causes an
% overlap problem.
%
% The lines immediately before and after the ACS lines are not necessarily
% spaced with the sampling rate as the spacing.
%
% This causes alteration of the original data if GRAPPA reconstruction is
% performed naively.
%
% The solution is to perform reconstruction on a blank, and then overwrite
% all vlaues with the original data.
%
% This alleviates the problem of having to do special operations for the
% values at the edges.
%
% Also, the lines of k-space at the start or end of k-space may be neglected
% (depending on the implementation).
%
% This requires shifting the finder by the sampling rate to look at the phase
% from one step above.
%
% If the downsampling does not match due to incorrect k-space dimensions,
% errors will be overwritten by the final correction process.
% 根据第一个原理进行朴素的重建会导致重叠问题.
% ACS 线前后的线不一定要以采样率作为间隔来间隔。
% 如果朴素地执行 GRAPPA 重建,将导致原始数据的更改。
% 解决方案是对空白重建,然后用原始数据覆盖所有值。 (数据一致性)
% 这减轻了必须对边缘值进行特殊运算的问题。
% 而且,可以忽略在 k 空间的开始或结尾处的 k 空间的线(取决于实现方式)。
% 这需要将 finder 按采样率移动,以从上方一步查看相位。
% 如果由于不正确的 k 空间尺寸导致下采样不匹配,则最终的校正过程将覆写错误。
先确定未采集数据行索引 fillFinder,再逐点通过 GRAPPA kernel 卷积 (矩阵运算形式) 估计缺失点。对于已采集数据点,不经估计直接覆盖使用,保持 数据一致性。换言之,已采集数据点直接用上,未采集数据点才进行估计。
% Find the indices to fill, including at the beginning of k-space.
temp1 = find(diff(finder) == -1) + 1; % Gets nearly all the lines.
% 待填充行索引??? 3、5 ... 51、53、67、69 ... 117、119 共 53 行
% diff(finder) 在 54-65 行为 0, 其余奇数行为 1, 偶数行为 -1 119×1 double
% find(diff(finder) == -1) + 1 找到值为 -1 的偶数行的索引, 然后将索引+1, 53×1 double
temp2 = find(diff(circshift(finder, samplingRate)) == -1) - samplingRate + 1;
% 待填充行索引??? 1、3 ... 51、53、67、69 ... 115、117 共 53 行
% circshift(finder, samplingRate) 偶数行及 56-68 行为 1, 其余行为 0, 120×1 logical
% diff(circshift(finder, samplingRate)) 在 56-67 行为 0, 其余奇数行为 1, 偶数行为 -1, 119×1 double
% find(diff(circshift(finder, samplingRate)) == -1) - samplingRate + 1 找到值为 -1 的偶数行的索引,
% 然后将索引 - 2 + 1 = -1, 53×1 double
% Second line exists to catch the first few empty lines, if any are present.
% 待重建从而填充的缺失行索引 (mask=0)
fillFinder = unique([temp1; temp2]); % 1、3 ... 51、53、67、69 ... 117、119 共 54 行
% Shift from first fill line to beginning of kernel data.
upShift = (hkh-1) .* samplingRate + 1; % (2-1) * 2 + 1 = 3
% Shift from first fill line to end of kernel data.
downShift = hkh .* samplingRate - 1; % 2 * 2 - 1 = 3
% GRAPPA 重建 k 空间
grappaKspace = zeros(size(downSampledKspace)); % 120×128×5 complex double
% 遍历待重建填充的缺失行索引 (mask=0) 1×53 double
for phase = fillFinder'
% 第一个 phases = linspace(1-3, 1+3, 4) = -2 0 2 4
phases = linspace(phase-upShift, phase+downShift, kernelHeight);
% 第一个 phases = mod((-2 0 2 4) - 1, 120) + 1 = 118 120 2 4
phases = mod(phases-1, phaseLength) + 1; % Circularly indexed phases.
% 频率编码轴长度 freqLength = 128, freq 表示当前 kernel 中点的横坐标/频率值 (1-128)
for freq = 1:freqLength
% 第一个 freqs = linspace(1-1, 1+1, 3) = linspace(0, 2, 3) = 0 1 2
freqs = linspace(freq-hkw, freq+hkw, kernelWidth); % Frequencies of the kernel.
% 第一个 freqs = mod((0 1 2) - 1, 128) + 1 = 128 1 2
freqs = mod(freqs-1, freqLength) + 1; % Circularly indexed frequencies.
kernel = downSampledKspace(phases, freqs, :); % 取出已知数据点, 4×3×5 complex double
% One line of the input matrix.
tempX = reshape(kernel, 1, kernelSize); % 1×60 complex double
% One line of the output matrix.
tempY = tempX * weights; % 加权线性组合得到缺失点, 1×5 complex double
tempY = reshape(tempY, (samplingRate-1), 1, numCoils); % 1×1×5 complex double
% Selected lines of the output matrix to be filled in.
% 第一个 selected = linspace(0+1, 2-1, 2-1) = 1
selected = linspace(phases(hkh)+1, phases(hkh+1)-1, samplingRate-1);
% 第一个 selected = mod(1-1, 120) + 1 = 1
selected = mod(selected-1, phaseLength) + 1; % Selected Y phases.
grappaKspace(selected, freq, :) = tempY; % 缺失点估计值填充
end
end
% Filling in all the original data.
% Doing it this way solves the edge overlap problem.
% 只估计未采集的数据, 而直接拷贝已采集的数据, 从而实现数据一致性 (data consistency)
grappaKspace(finder, :, :) = downSampledKspace(finder, :, :); % 数据一致性处理
assert(isequal(size(downSampledKspace), size(grappaKspace)), 'Incorrect matrix size.');
% Somewhat redundant assertion now.
% assert(isequal(grappaKspace(finder, :, :), downSampledKspace(finder, :, :)));9.3 可视化
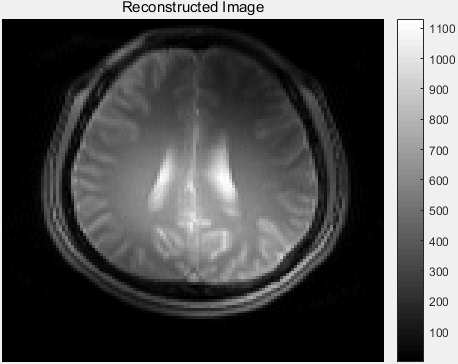
显示 RSOS 重建 MR 图像:
%% Display recon image
%%
%recon = ifft2(ifftshift(ifftshift(grappaKspace, 2), 1)); 源代码
recon = ifftshift(ifft2(fftshift(grappaKspace))); % 120×128×5 complex double 修正
reconImage = rsos(recon); % 120×128 double RSOS 组合重建结果
显示恢复的各线圈及 RSOS 重建的相位角图像:
%% Display phase angle
%temp = recon(:, :, 1); % 120×128 complex double
% angle(reconImage) 则由于 reconImage 是实数图像, 相位角已经为 0 了
% P = angle(Z) returns the phase angles, in radians, for each element of complex array Z.
% The angles lie between ±π.
% For complex Z, the magnitude R and phase angle theta are given by
% R = abs(Z)
% theta = angle(Z)
% and the statement
% Z = R.*exp(i*theta)
% converts back to the original complex Z.
figure;
colormap('gray');
subplot(2, 3, 1);
imagesc(angle(recon(:, :, 1)));
title('coil-1 recon phase angle');
colorbar();
subplot(2, 3, 2);
imagesc(angle(recon(:, :, 2)));
title('coil-2 recon phase angle');
colorbar();
subplot(2, 3, 3);
imagesc(angle(recon(:, :, 3)));
title('coil-3 recon phase angle');
colorbar();
subplot(2, 3, 4);
imagesc(angle(recon(:, :, 4)));
title('coil-4 recon phase angle');
colorbar();
subplot(2, 3, 5);
imagesc(angle(recon(:, :, 5)));
title('coil-5 recon phase angle');
colorbar();
subplot(2, 3, 6);
imagesc(angle(reconImage));
title('RSOS recon MR phase angle');
colorbar();
对欠采样重建图像与全采样重建图像作差并显示:
%% Compute difference image
%%
deltaImage = reconImage - originalImage; % difference image 重建图像与标签图像之差
figure;
imagesc(deltaImage);
title('Difference Image');
colormap('gray');
axis('off');
colorbar();

汇总对比显示:
%% Summary
%%
figure;
subplot(2, 2, 1);
imagesc(originalImage);
title('Original Image');
colormap('gray');
axis('off');
colorbar();
subplot(2, 2, 2);
imagesc(dsImage);
title('Down-Sampled Image');
colormap('gray');
axis('off');
colorbar();
subplot(2, 2, 3);
imagesc(reconImage);
title('Reconstructed Image');
colormap('gray');
axis('off');
colorbar();
subplot(2, 2, 4);
imagesc(deltaImage);
title('Difference Image');
colormap('gray');
axis('off');
colorbar();
toc
完整程序 GRAPPA.m
%% GRAPPA MRI Reconstruction
%% Initializing
%%
tic
close;
clear;
%% Loading data
%%
brainCoilsData = load('brain_coil.mat');
brainCoils = brainCoilsData.brain_coil_tmp; % 120×128×5 double
[phaseLength, freqLength, numCoils] = size(brainCoils); % 120, 128, 5
disp(size(brainCoils)); % Phases, Frequencies, Coils
%% Show original Brain Image
%%
originalImage = rsos(brainCoils); % 120×128 double
figure;
colormap('gray');
imagesc(originalImage);
title('Original Image');
colorbar();
%% Convert to Fourier Domain with 2D Fast Fourier Transform
% Don't forget to use fftshift and ifftshift.
%fullKspace = fftshift(fftshift(fft2(brainCoils), 1), 2); % 源代码
fullKspace = ifftshift(fft2(fftshift(brainCoils))); % 修正 120×128×5 complex double
%% Check k-space
%%
figure;
imagesc(rsos(fullKspace), [0, 10000]);
title('Original k-space');
colormap('gray');
colorbar();
%% Setting parameters for later use.
% Due to overlap with the downsampling lines, the actual ACS length may be 1
% or 2 lines longer than specified.
samplingRate = 2; % reduction factor / accelation factor R = 2
acsLength = 12; % 12 条 ACS 线
kernelHeight = 4; % kernel 高度为 4
kernelWidth = 3; % kernel 宽度为 3
remainder = 0; % 已采集线为偶数行
assert(mod(kernelHeight, 2) == 0, 'kernel height should be an even number')
assert(mod(kernelWidth, 2) == 1, 'kernel width should be an odd number')
assert(remainder < samplingRate, ...
'The remainder must be a non-negative integer smaller than the sampling rate.')
%% Making the mask
% Creating a mask for the downsampling and the acs lines.
mask = zeros(size(fullKspace)); % Making a mask for the brain coils. 120×128×5 double
acsStart = floor((phaseLength - acsLength) ./ 2); % ACS 起始行索引 (120 - 12) / 2 = 54
acsFinish = acsStart + acsLength; % ACS 结束行索引 54 + 12 = 66
for idx = 1:phaseLength
if (acsStart < idx) && (idx <= acsFinish)
mask(idx, :, :) = 1; % ACS 区域为 1 值掩模
end
if mod(idx, samplingRate) == remainder
mask(idx, :, :) = 1; % 已采集线设在偶数索引处 (remainder=1 则在奇数索引)
end
end
assert(isequal(size(mask), size(brainCoils)), 'Mask size is incorrect.')
%% Displaying mask.
% This code functions to check whether the mask has been made correctly.
%
% All values should be either 0 or 1. The presence of any other value indicates
% an error.
%
% There should be a white band in the middle, with striped lines surrounding
% it.
figure;
imagesc(mean(mask, 3));
title('Mask array');
colormap('gray');
colorbar();
%% Generating down-sampled k-space
% Obtain the Hadamard product (elementwise matrix multiplication) between the
% full k-space data and the mask.
downSampledKspace = fullKspace .* mask; % 120×128×5 complex double
assert(isequal(size(downSampledKspace), size(brainCoils)), 'Reconstruction is of the wrong shape.')
% 实数值频谱, 仅用于展示, 无实际用途
downSampledKspaceImage = rsos(downSampledKspace); % RSOS 组合多个欠采样 k 空间, 重建得到 实值欠采样 k 空间频谱图像 (多对一) 128×120 double
figure;
imagesc(downSampledKspaceImage, [0, 10000]);
title('Downsampled k-space');
colormap('gray');
colorbar();
%% Check Downsampled Image
%%
%dsImage = ifft2(ifftshift(ifftshift(downSampledKspace, 2), 1));
dsBrainCoils = ifftshift(ifft2(fftshift(downSampledKspace))); % 120×128×5 complex double
dsImage = rsos(dsBrainCoils); % 120×128 double
figure;
imagesc(dsImage);
title('Downsampled Image');
colormap('gray');
colorbar();
%% Find True ACS
% Find the length of the true ACS domain, including lines due to downsampling.
%finder = any(downSampledKspace, [2, 3]); % 原代码
%assert(isequal(finder, mean(mask, [2, 3])), 'The indices are wrong.') % 原代码
finder = any(any(downSampledKspace, 2), 3); % finder.size = 120×1 logical
assert(isequal(finder, mean(mean(mask, 2),3)), 'The indices are wrong.') % mean.size = 120×1 double
acsFinder = zeros(phaseLength, 1); % 120×1 double
for idx = 2:phaseLength-1
if finder(idx-1) == 1 && finder(idx) == 1 && finder(idx+1) == 1
acsFinder(idx-1:idx+1) = 1; % ACS 区域置 1
end
end
% Getting the idices of the ACS lines.
acsLines = find(acsFinder); % 13×1 double (54-66)
% 之所以为 13 而非 12 条, 是因为多出的 1 条来自奇数位置索引的已采样数据
% Checking whether the parameters fit.
matrixHeight = samplingRate .* (kernelHeight-1) + 1; % 2 * (4-1) + 1 = 7 表示 kernel/权重覆盖范围的高度为 7
acsTrueLength = length(acsLines); % 表示真实的 ACS 线长度为 13
assert(acsTrueLength >= matrixHeight, 'ACS is too short for kernel params')
assert((acsLength <= acsTrueLength) && (acsTrueLength <= acsLength+2), 'Mask is incorrect')
%% Building the weight matrix
% Has equation of X * w = Y in mind. (Eq.11)
% X = inMatrix, Y = outMatrix, w = weights.
% Each kernel adds one row to the X and Y matrices.
acsPhases = acsTrueLength - matrixHeight + 1; % 13 - 7 + 1 = 7, kernel 纵向移动次数 / 起始行次序
numKernels = acsPhases .* freqLength; % 7 * 128 = 897, kernel 在 ACS 上移动的总次数 (训练对数)
kernelSize = kernelHeight .* kernelWidth .* numCoils; % 4 * 3 * 5 = 60, kernel 包含的权重个数
outSize = numCoils .* (samplingRate - 1); % 5 * (2 - 1) = 5, outMatrix 的列数 ???
% Eq.11 S represents the collected signal in each element coil at some position
inMatrix = zeros(numKernels, kernelSize); % 896×60 complex double
% Eq.11 S(m)
outMatrix = zeros(numKernels, outSize); % 896×5 complex double
hkw = floor(kernelWidth/2); % Half kernel width. 1
hkh = kernelHeight/2; % Half kernel height. 2
kidx = 1; % "Kernel index" for counting the number of kernels.
% acsline = 54,55,56,57,58,59,60, 表示 kernel 的起始行
for acsLine = acsLines(1:acsPhases)' % 遍历第 1,2,3,4,5,6,7 位 (acsLines 整体范围从 54 到 66)
% 第一个 phases = linsapce(54, 54+7-1, 4) = linspace(54, 60, 4) = 54 56 58 60
phases = linspace(acsLine, acsLine+matrixHeight-1, kernelHeight); % Phases of the kernel
% 频率编码轴长度 freqLength = 128, freq 表示当前 kernel 中点的横坐标/频率值 (1-128)
for freq = 1:freqLength
% 第一个 freqs = linspace(1-1, 1+1, 3) = linspace(0, 2, 3) = 0 1 2
freqs = linspace(freq-hkw, freq+hkw, kernelWidth); % Frequencies of the kernel.
% 第一个 freqs = mod((0 1 2) - 1, 128) + 1 = 128 1 2
freqs = mod(freqs-1, freqLength) + 1; % For circular indexing.
% 第一个 selected = linspace(56+1, 58-1, 2-1) = 57
selected = linspace(phases(hkh)+1, phases(hkh+1)-1, samplingRate-1);
% 第一个 selected = mod(57-1, 120) + 1 = 57
selected = mod(selected-1, phaseLength) + 1; % Selected Y phases.
% 第一个 tempX = downSampledKspace((54 56 58 60), (128 1 2), :)
% 共 4 * 3 * 5 = 60 个数据点
tempX = downSampledKspace(phases, freqs, :); % 4×3×5 complex double
% 第一个 tempY = downSampledKspace(57, 1, :)
% 共 1 * 1 * 5 = 5 个待拟合点
tempY = downSampledKspace(selected, freq, :); % 1×1×5 complex double
% Filling in the matrices row by row.
inMatrix(kidx, :) = reshape(tempX, 1, kernelSize); % ACS 训练数据点排在第 kids 行上, size = 1×60
outMatrix(kidx, :) = reshape(tempY, 1, outSize); % ACS 待拟合数据点排在第 kids 行上, size = 1×5
kidx = kidx + 1; % 下一保存行, 共 7 * 128 = 896 行, 对应 896 个 ACS 待拟合数据点
end
end
assert(isequal(size(inMatrix), [numKernels, kernelSize]), 'Incorrect X matrix');
assert(isequal(size(outMatrix), [numKernels, outSize]), 'Incorrect Y matrix');
% Has equation of X * w = Y in mind. (Eq.11)
% X = inMatrix, Y = outMatrix, w = weights.
% Each kernel adds one row to the X and Y matrices.
% Eq.11 求解 n^(m) (weights)
% pinv(inMatrix) 60×896 complex double
% outMatrix 896×5 complex double
weights = pinv(inMatrix) * outMatrix; % Calculate the weight matrix. 60×5 complex double
% B = pinv(A) returns the Moore-Penrose pseudoinverse of A (伪逆)
assert(isequal(size(weights), [kernelSize, outSize]), 'Incorrect weight size');
%% GRAPPA Reconstruction
% Performing a naive reconstruction according to first principles causes an
% overlap problem.
%
% The lines immediately before and after the ACS lines are not necessarily
% spaced with the sampling rate as the spacing.
%
% This causes alteration of the original data if GRAPPA reconstruction is
% performed naively.
%
% The solution is to perform reconstruction on a blank, and then overwrite
% all vlaues with the original data.
%
% This alleviates the problem of having to do special operations for the
% values at the edges.
%
% Also, the lines of k-space at the start or end of k-space may be neglected
% (depending on the implementation).
%
% This requires shifting the finder by the sampling rate to look at the phase
% from one step above.
%
% If the downsampling does not match due to incorrect k-space dimensions,
% errors will be overwritten by the final correction process.
% 根据第一个原理进行朴素的重建会导致重叠问题.
% ACS 线前后的线不一定要以采样率作为间隔来间隔。
% 如果朴素地执行 GRAPPA 重建,将导致原始数据的更改。
% 解决方案是对空白重建,然后用原始数据覆盖所有值。 (数据一致性)
% 这减轻了必须对边缘值进行特殊运算的问题。
% 而且,可以忽略在 k 空间的开始或结尾处的 k 空间的线(取决于实现方式)。
% 这需要将 finder 按采样率移动,以从上方一步查看相位。
% 如果由于不正确的 k 空间尺寸导致下采样不匹配,则最终的校正过程将覆写错误。
% Find the indices to fill, including at the beginning of k-space.
temp1 = find(diff(finder) == -1) + 1; % Gets nearly all the lines.
% 待填充行索引??? 3、5 ... 51、53、67、69 ... 117、119 共 53 行
% diff(finder) 在 54-65 行为 0, 其余奇数行为 1, 偶数行为 -1 119×1 double
% find(diff(finder) == -1) + 1 找到值为 -1 的偶数行的索引, 然后将索引+1, 53×1 double
temp2 = find(diff(circshift(finder, samplingRate)) == -1) - samplingRate + 1;
% 待填充行索引??? 1、3 ... 51、53、67、69 ... 115、117 共 53 行
% circshift(finder, samplingRate) 偶数行及 56-68 行为 1, 其余行为 0, 120×1 logical
% diff(circshift(finder, samplingRate)) 在 56-67 行为 0, 其余奇数行为 1, 偶数行为 -1, 119×1 double
% find(diff(circshift(finder, samplingRate)) == -1) - samplingRate + 1 找到值为 -1 的偶数行的索引,
% 然后将索引 - 2 + 1 = -1, 53×1 double
% Second line exists to catch the first few empty lines, if any are present.
% 待重建从而填充的缺失行索引 (mask=0)
fillFinder = unique([temp1; temp2]); % 1、3 ... 51、53、67、69 ... 117、119 共 54 行
% Shift from first fill line to beginning of kernel data.
upShift = (hkh-1) .* samplingRate + 1; % (2-1) * 2 + 1 = 3
% Shift from first fill line to end of kernel data.
downShift = hkh .* samplingRate - 1; % 2 * 2 - 1 = 3
% GRAPPA 重建 k 空间
grappaKspace = zeros(size(downSampledKspace)); % 120×128×5 complex double
% 遍历待重建填充的缺失行索引 (mask=0) 1×53 double
for phase = fillFinder'
% 第一个 phases = linspace(1-3, 1+3, 4) = -2 0 2 4
phases = linspace(phase-upShift, phase+downShift, kernelHeight);
% 第一个 phases = mod((-2 0 2 4) - 1, 120) + 1 = 118 120 2 4
phases = mod(phases-1, phaseLength) + 1; % Circularly indexed phases.
% 频率编码轴长度 freqLength = 128, freq 表示当前 kernel 中点的横坐标/频率值 (1-128)
for freq = 1:freqLength
% 第一个 freqs = linspace(1-1, 1+1, 3) = linspace(0, 2, 3) = 0 1 2
freqs = linspace(freq-hkw, freq+hkw, kernelWidth); % Frequencies of the kernel.
% 第一个 freqs = mod((0 1 2) - 1, 128) + 1 = 128 1 2
freqs = mod(freqs-1, freqLength) + 1; % Circularly indexed frequencies.
kernel = downSampledKspace(phases, freqs, :); % 取出已知数据点, 4×3×5 complex double
% One line of the input matrix.
tempX = reshape(kernel, 1, kernelSize); % 1×60 complex double
% One line of the output matrix.
tempY = tempX * weights; % 加权线性组合得到缺失点, 1×5 complex double
tempY = reshape(tempY, (samplingRate-1), 1, numCoils); % 1×1×5 complex double
% Selected lines of the output matrix to be filled in.
% 第一个 selected = linspace(0+1, 2-1, 2-1) = 1
selected = linspace(phases(hkh)+1, phases(hkh+1)-1, samplingRate-1);
% 第一个 selected = mod(1-1, 120) + 1 = 1
selected = mod(selected-1, phaseLength) + 1; % Selected Y phases.
grappaKspace(selected, freq, :) = tempY; % 缺失点估计值填充
end
end
% Filling in all the original data.
% Doing it this way solves the edge overlap problem.
% 只估计未采集的数据, 而直接拷贝已采集的数据, 从而实现数据一致性 (data consistency)
grappaKspace(finder, :, :) = downSampledKspace(finder, :, :); % 数据一致性处理
assert(isequal(size(downSampledKspace), size(grappaKspace)), 'Incorrect matrix size.');
% Somewhat redundant assertion now.
% assert(isequal(grappaKspace(finder, :, :), downSampledKspace(finder, :, :)));
%% Display recon image
%%
%recon = ifft2(ifftshift(ifftshift(grappaKspace, 2), 1)); 源代码
recon = ifftshift(ifft2(fftshift(grappaKspace))); % 120×128×5 complex double 修正
reconImage = rsos(recon); % 120×128 double RSOS 组合重建结果
imagesc(reconImage);
title('Reconstructed Image');
colormap('gray');
axis('off');
colorbar();
%% Display phase angle
%temp = recon(:, :, 1); % 120×128 complex double
% angle(reconImage) 则由于 reconImage 是实数图像, 相位角已经为 0 了
% P = angle(Z) returns the phase angles, in radians, for each element of complex array Z.
% The angles lie between ±π.
% For complex Z, the magnitude R and phase angle theta are given by
% R = abs(Z)
% theta = angle(Z)
% and the statement
% Z = R.*exp(i*theta)
% converts back to the original complex Z.
figure;
colormap('gray');
subplot(2, 3, 1);
imagesc(angle(recon(:, :, 1)));
title('coil-1 recon phase angle');
colorbar();
subplot(2, 3, 2);
imagesc(angle(recon(:, :, 2)));
title('coil-2 recon phase angle');
colorbar();
subplot(2, 3, 3);
imagesc(angle(recon(:, :, 3)));
title('coil-3 recon phase angle');
colorbar();
subplot(2, 3, 4);
imagesc(angle(recon(:, :, 4)));
title('coil-4 recon phase angle');
colorbar();
subplot(2, 3, 5);
imagesc(angle(recon(:, :, 5)));
title('coil-5 recon phase angle');
colorbar();
subplot(2, 3, 6);
imagesc(angle(reconImage));
title('RSOS recon MR phase angle');
colorbar();
%% Compute difference image
%%
deltaImage = reconImage - originalImage; % difference image 重建图像与标签图像之差
figure;
imagesc(deltaImage);
title('Difference Image');
colormap('gray');
axis('off');
colorbar();
%% Summary
%%
figure;
subplot(2, 2, 1);
imagesc(originalImage);
title('Original Image');
colormap('gray');
axis('off');
colorbar();
subplot(2, 2, 2);
imagesc(dsImage);
title('Down-Sampled Image');
colormap('gray');
axis('off');
colorbar();
subplot(2, 2, 3);
imagesc(reconImage);
title('Reconstructed Image');
colormap('gray');
axis('off');
colorbar();
subplot(2, 2, 4);
imagesc(deltaImage);
title('Difference Image');
colormap('gray');
axis('off');
colorbar();
toc




