51单片机——数码管动态显示
1、静态与动态不同的显示
- 在静态显示时所有数码管显示的是一样的,动态显示时可以单独决定每个数码管显示什么;
- 静态显示时,数码管是常亮的。动态显示时每时刻只有一个数码管在亮;
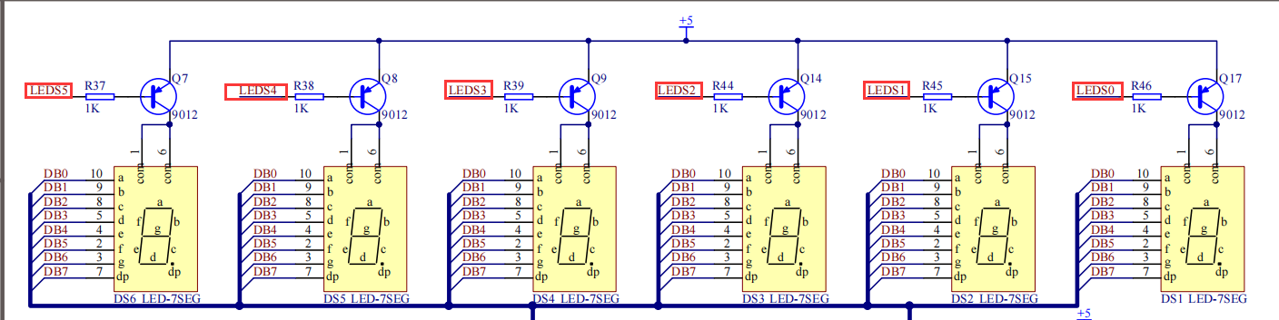
2、按原理图找对应控制端口


数码管的显示由P0口控制



可以用P1口选择哪个数码管亮
3、程序部分
程序如下:
#include <reg52.h>
sbit ADDR0=P1^0;
sbit ADDR1=P1^1;
sbit ADDR2=P1^2;
sbit ADDR3=P1^3;
sbit ENLED=P1^4;
void delay(unsigned char x);
unsigned char code duan[]=//数码管显示
{0xf9,0xa4,0xb0,0x99,0x92,0x82,0xf8,0x80,0x90};
unsigned wei[]=//选择哪个数码管亮
{0xe8,0xe9,0xea,0xeb,0xec,0xed};
void main()
{
unsigned char i;
while(1)
{
for(i=0;i<6;i++)
{
P1=wei[i];
P0=duan[i];
delay(3);
}
P0=0xff; //消影
}
}
void delay(unsigned char x)
{
unsigned char n;
while(--x)
for(n=0;n<250;n++);
}4、效果

版权声明:本文为nuonuonene原创文章,遵循CC 4.0 BY-SA版权协议,转载请附上原文出处链接和本声明。