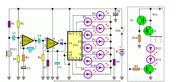
1.跑马灯设计(音调显示)

2.跑马灯设计(音调定时设计)

3.呼吸灯设计


4.更完善的呼吸灯设计


5.NE555定时器的应用
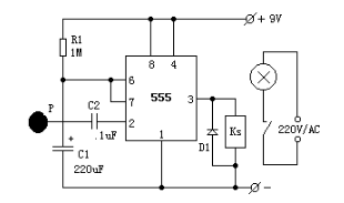
NE555触摸定时开关
成电路IC1是一片555定时电路,在这里接成单稳态电路。平时由于触摸片P端无感应电压,电容C1通过555第7脚放电完毕,第3脚输出为低电平,继电器KS释放,电灯不亮。

当需要开灯时,用手触碰一下金属片P,人体感应的杂波信号电压由C2加至555的触发端,使555的输出由低变成高电平,继电器KS吸合,电灯点亮。同时,555第7脚内部截止,电源便通过R1给C1充电,这就是定时的开始。
当电容C1上电压上升至电源电压的2/3时,555第7脚道通使C1放电,使第3脚输出由高电平变回到低电平,继电器释放,电灯熄灭,定时结束。
定时长短由R1、C1决定:T1=1.1R1*C1。按图中所标数值,定时时间约为4分钟。D1可选用1N4148或1N4001。
NE555自动窗帘电路

该电路使用晶体管,集成电路和一个继电器的混合物,并且用于自动地打开和关闭的一对帘。使用开关S3还允许手动控制,使窗帘,只留部分打开或关闭。该电路控制一个连接到一个简单的滑轮机构的马达,以移动窗帘。
自动操作该电路可分为三个主要部分,一个双稳锁存器,一个定时器和一个换向电路。拨动开关S3确定手动或自动模式。如上所示的电路被绘制在自动位置,并操作如下。双稳态内置Q1和Q2以及相关电路和控制继电器的A/2左右。S1用于打开窗帘和S2,关闭窗帘。在上电,简要正脉冲加到Q2的通过C2的基极。第2季将在,并激活继电器A/2。C3和R4的网络形成用于中继一低电流保持电路。继电器A/2是一个12V继电器与500欧姆的线圈。它需要稍微减流动比它操作它,保持它通电。一旦继电器已动作时,通过线圈的电流是由R4减少,节省电力消耗。当Q2关断,C3将被解除,但在Q2被激活(无论是在开关电源或按S1),电容C3将通过继电器线圈充电非常迅速。初始充电电流足以激发通过R4继电器和电流足以使其保持通电。
NE555水开报警器
水开报警器由温度控制电路、低频振荡电路和高频振荡电路等三部分组成。RP、RT和VT1组成温度控制电路。由IC1、R2、R3、C1组成的低频振荡电路,其强制复位端④脚受VT1控制。IC2、R4、R5、C2等组成的高频震荡器,其强制复位端④脚受IC1控制。当水温达到一定温度时,RT阻值变小,VT1截止,IC1④脚为高电平,IC1开始振荡,输出低频脉冲,调制IC2组成的高频振荡器工作,发出滴-滴声。

两款NE555三极管好坏鉴别仪电路
图中555、R1、C1构成多谐振荡器,555输出端③脚一路经R1为C1充放电,另一路经R3给VT1提供基极电压。当③脚为高电平时,C1被充电,同时VT1导通。当③脚为低电平时,C1经R1放电,同时VT1截止。LED1、LED2、R5作为被测三极管C、b极电源电压,555的放电端⑦脚连接于被测管e极。设LED1为红色,LED2为绿色。当测量NPN型三极管时,红色发光管闪烁,说明管子是好的。若红绿发光管都不亮,说明c、e极间开路,或b、c或者b、e极短路或开路。当测量PNP型三极管时,绿色发光管闪烁,说明管子是好的,否则说明c、e极间开路,或b、c或者b、e极短路或开路。

NE555三极管好坏鉴别仪(一)
图中555、R1、R2、C1等元件组成音频振荡器.R3、RP为待测管的偏流电阻。调节RP可使声音变大或变小。插上NPN型待测管若无声,说明管子是坏的。调节RP声音变化不大,说明β值低。调节RP声音大,说明β值高。若测PNP型三极管,将R3连正极一端改接于电源地。原C点插e,原e点插c.

NE555三极管好坏鉴别仪(二)
NE555红外线遥控延时灯
现代家庭一般都有红外遥控器,我们可利用现有的遥控器控制一个红外遥控延时灯。图中H是一体化红外接收头,C1为滤波电容器,由于遥控器发出的是一串数字脉冲,因此经C1滤波后,得到一个负向脉冲使555单稳态电路工作。

NE555红外线遥控延时灯
NE555红外线遥控开关灯
图中IC1、R1、C2等元件组成单稳态电路。IC2、R3、R4、R5、C3等元件组成双稳态开关电路。R3、R4连接在IC2②、⑥脚上,R5、C3连接在IC2输出端,并通过继电器触点与②、⑥脚相连。当触点断开时,由于②、⑥脚均为1/2VDD,因此刚接通电源时,输出端具有随机性。若③脚为高电平,则当继电器吸合一下时,C3上的充电电压被加到②、⑥脚上,因充电电压高于触发电平2/3VDD,使IC2复位,③脚转为低电平。同时,因片内放电管导通,⑦脚为低电平,LED亮。当继电器触点接通并断开后,不管C3通过R5向③脚放电是否放完,不影响电路的状态,③脚仍为低电平。当再按一下遥控器,继电器再次吸合,因放完电的C3连接于②、⑥脚,使IC2置位,③脚为高电平,内部放电管截止,⑦脚为高电平,LED熄灭。电路又处于另一种稳态。

NE555红外线遥控开关灯
NE555光控楼梯灯
在白天自然光很强的情况下,如果楼道灯还亮着,那是一种极大的浪费。本实验电路可解决这一问题,当自然光达到一定照度时,让声控功能无效。电路原理是:光敏电阻RG与R7组成一个分压电路。当照度强时,RG阻值变小,555④脚电位变低,输出端③脚始终为0。当照度弱时,RG阻值变大,555④脚电位变高,这时单稳态电路受555②脚负脉冲信号控制。

NE555光控楼梯灯
NE555双音频门铃
双音频可以发出“叮咚”两个不同频率的声音。平时,555④脚是通过R1、C1接地,555处于复位状态,③脚输出低电平,扬声器无声。当按下K1时,VDD通过VD1向C1充电,使555④脚很快呈现高电平,555开始振荡。同时VDD通过VD2向R3、R4、C2振荡网络提供工作电压,此时R2与K1和VD2呈并联电路,R2阻值变小,555振荡频率变高,产生(叮)声。当松开K1时,由于C1上电荷通过R1放电,使555④脚仍为高电平,555仍将维持振荡状态,此时由R2、R3、R4、C2等组成的网络使振荡频率变低,产生(咚)声。随着C1逐步放电,直到555④脚为低电平时,555再次复位,停止振荡,扬声器无声。

NE555双音频门铃
NE555水位(电机开关)控制器
图中555构成施密特触发器来完成水位控制功能。工作原理如下:附图中A、B、C是三个检测点。当水位上升到A点时,水泵停机,水位低于B点时,水泵工作,自动给水池加水。
C点处于水池底部,它连接于电源VDD,当水位低于B点时,555②、⑥脚电压为0,③脚输出高电平,VT1导通,继电器吸合,水泵工作。
当水位到达B点时,C、B点在水的作用下被短路,使②、⑥脚电压等于R3/(R3+R2+R1)*VDD,等于1/2VDD(2.25V)。此电压大于②脚(1/3)VDD,小于⑥脚(2/3)VDD,③脚维持高电平不变,继续加水。
当水位到达A点时,C、B、A三点被短路,使②、⑥脚电压等于R3/(R3+R2)*VDD,等于(3.6V)。此电压大于⑥脚(2/3)VDD,③脚输出低电平,VT1截止,继电器断开,使水泵停止工作。

NE555水位控制器
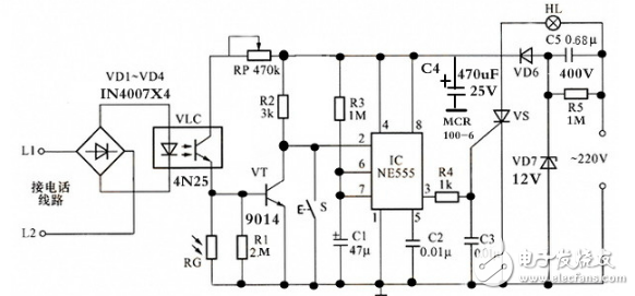
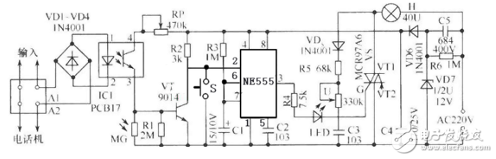
NE555构成的电话自控延时照明控制器电路
利用NE555型时基集成电路构成的电话自控延时照明控制器典型电路如图所示。该控制器白天不工作,在夜间电话铃响或摘机拨号时,使照明灯具自动点亮。通话结束挂机延时1min分钟后,照明灯具又能自动熄灭。它常用于公用电话或家庭接听、拨打电话照明灯具控制。

NE555音频控制延时关灯电路
555声控延时台灯电路集多种用途于一体,主要由光电耦合电路、光控电路,负脉冲产生电路、单稳态触发电路、晶闸管开关电路及电源电路组成。
IC1选用4脚PC817型号;IC2选用NE555等同类型时基集成电路。VT最好选用9014、3DK4等开关管;VS选用1A、600V~800V双向晶闸管,如97A6、97A8等型号;稳压管为1/2W12V如2CW60等。MG选用亮阻小于1kΩ的MG45等型号。C5最好选用CBB聚炳烯电容,耐压400V以上。H用25W或45W灯泡。
当夜间响铃或摘机时灯会自动点亮,挂机后延时45s灯自行熄灭。平时可作一般调光台灯使用,
330K可调电阻为调光电位器,不用开关。作延时灯使用时,只要按一下延时轻触按钮S,该灯会延时45秒后自行熄灭。

本篇借鉴自电子发烧友论坛,十一款经典NE555应用电路图详解-电子发烧友网,本人因热爱发烧电子,找此篇,请见谅
6.流水灯的设计
原理图:

器件图

流水灯程序请私聊我
7.单片机时钟设计

单片机程序请联系作者本人1912006798
8.电源的设计

3V--25V
9.放大电路的设计



R1与R2的比值为放大倍数
.