前言
利用基于轨迹预测的预瞄控制实现无人驾驶汽车的路径跟踪。本文主要记录在仿真过程中遇到的问题,原理和操作步骤援引其他博客或论文。
一、基于轨迹预测的预瞄控制原理
原理可以参考2016年发表在《机械工程学报》上的《一类基于轨迹预测的驾驶员方向控制模型》一文。本文所建立的模型基于文中式(9),即DMb模型。暂不考虑系统的延迟和微分校正。
在公式推导过程中,需要注意以下事项:
(1)文中式③汽车稳定性因数计算公式中的Cr、Cf均为单个轮胎的侧偏刚度,详情可查阅《汽车理论》–”操纵稳定性“一章
(2)文中式②汽车横摆角速度对方向盘转角的稳态增益系数Gw计算公式中的i_sw并不适用于所有汽车,比如齿轮齿条转向系统的方向盘转角和汽车前轮转角并不是确定的比例关系。此时可以将分母上的i_sw去掉,计算的结果是汽车横摆角速度对前轮转角的稳态增益。
(3)对于非车辆工程专业出身的人,可能会非常好奇上面两个公式是怎么来的,详情请查阅《汽车理论》–”操纵稳定性“一章
二、Carsim搭建模型
详细建模过程请参考教程Carsim系列学习笔记
这里只给出最终的设置结果
整体设置
procedure设置
Drive Preview Points设置
import参数设置
export参数设置
export参数关于预瞄点的参数解释(可以在Drive preview points设置界面中的help文档中查看)
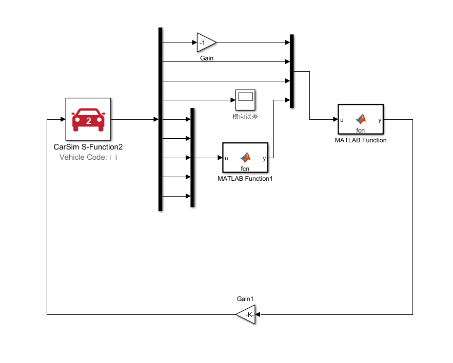
三、matlab控制模型搭建
搭建的控制模型:
下面讲计算过程中关键参数的获取:
(1)常量:质量m(包括簧上质量+前悬质量+后悬质量)、质心到前轴距lf、质心到后轴距lr可以在carsim中查看汽车模型获取。

而轮胎侧偏刚度往往不能直接获取,计算方法详见博客carsim如何获取轮胎侧偏刚度
(2)变量的获取
讲述deta_f的获取方式
Carsim和VeDYNA一样,只能输出点到路径的距离,需要经过转换才能得到deta_f。因此需要获得当前航向角和预瞄点对应的路径上的点的航向角之差。
当前航向角可以通过carsim模型输出变量Yaw获得。
在没有上层轨迹规划经验的背景下,预瞄点对应的路径上的点的航向角采用近似方法获得。
如下图所示,将预瞄点1设置为4m,预瞄点2设置为-1.016m(汽车质心的位置),预瞄点3设置为4.05米。
carsim可以输出预瞄点对应的路径上的点的global location,下图中输出变量5-8即为预瞄点1和3对应的路径上的点的横纵坐标,
由于两点距离十分接近,可以用atan((y3-y1)/(x3-x1))近似表示预瞄点1的航向角。
总结
尚有一些细节待完善。