SSD主控主要有三大部分组成:与Host对接的界面(Host interface), 闪存转换层FTL以及闪存对接界面(Flash interface)。
再把SSD主控的架构图请上来展示一下:

目前主流NAND闪存都是采用浮栅技术(Floating Gate, 简称FG)。
学过数电,模电,半导体物理的你,是否还记得大明湖畔的MOS管吗?NAND闪存的基本单元就是多出一个浮栅的MOS管。
也许还有与MOS管素未谋面的你,没关系,你只要了解NAND闪存的浮栅FG就是存放我们写入的数据就足够了。

浮栅FG类似于一个“陷阱”,电子在控制栅(Controll Gate,简称CG)的召唤下从沟道欢快地奔向控制栅CG,不幸的是,半道杀出个程咬金-浮栅FG,电子就这样被困在浮栅了。
NAND闪存利用这个有点“残忍”的手段实现了领导-主控交给的任务-【数据写入】。
NAND闪存性本善,电子被困浮栅FG之后, 输送给基板(Subsrtate)20V左右的能量,让基板奋不顾身的把电子都浮栅中解救出来。
NAND闪存通过把电子从浮栅FG解救出来的过程也实现了领导-主控交给的另一个任务-【数据擦除】。
其实上面看到的浮栅FG结构只是NAND闪存中的最小单元(Cell),成千上万个这样的单元(Cell)组成的阵列(Array)是才是NAND闪存的真正模样。
了解NAND闪存阵列之前,先NAND闪存阵列的两个坐标轴:字线(Word Line,简称WL),位线(Bit Line, 简称BL)。

WL方向,连接着控制栅CG,
BL方向,连接着MOS管的漏(Drain),
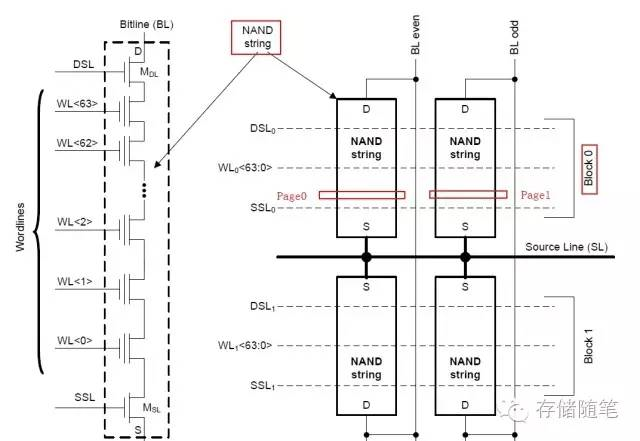
明白WL和BL的含义之后,让我们检阅一下NAND闪存中Cell方阵-Array。

1. Cell沿着BL方向手拉手,排排站,构成了一个串(String),
上图中左边有一个String,由64个Cell组成,
2. 共享一组WLs的所有String称为是一个块(Block)。
上图中右边有两个Block,Block0由WL Group 0<63:0>组成,Block1由WL Group 2<63:0>组成,
3. 共享一根WL的Cell称为是一个页(Page)。
上图中右边有两个Page, Page0是由WL0与偶数BL交叉的Cell构成,Page1是由WL0与奇数BL交叉的Cell构成,
面对庞大的Cell阵营,管理起来实在伤脑筋,于是NAND闪存引入了逻辑页(Logical page)的管理概念。
有了逻辑页的概念,就需要把单纯的cell根据存储级别划分为SLC/MLC/TLC,
SLC Cell存储1个bit,SLC很单纯,很靠谱,很少犯错,所以SLC Page又被称为Strong Page;
MLC Cell存储2个bit,MLC包含有Lower page和Upper page;
TLC Cell存储3个bit, TLC包含有Lower page, Middle page和Upper page;