采集卡指标:FPGA(altera)、AD(输入范围正负5V、AD9226、12bit、65MHz)、SDRAM(16bit数据位、13bit地址线)、串口(CH340)
1. 电路:
(1)FPGA最小系统:
(2)SDRAM:
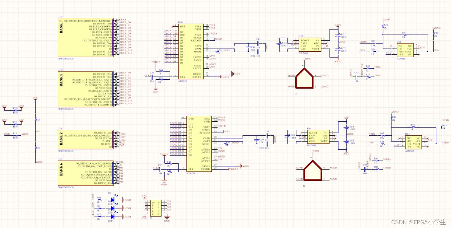
(3)双路AD:
(4)PCB布局:
(5)实物图:
2. 程序:
依托双通路采集卡的电路板可以完成多种功能,这里面只展示一种,就是将两通道(每个采样率都为65MHz)的数据融合为一路(130MHz),然后在SDRAM中缓存,缓存一定量的数据之后,就将数据通过串口发送到上位机中。具体的程序如下所示:
module AD(
input clk,
input rst_n,
input key_in0, //按键0按下,开始存AD9226的数据
input key_in1, //按键1按下开始读取已经存下的数据
output Rs232_Tx,
input [11:0]ADA_IN,
input [11:0]ADB_IN,
output CLKA,
output CLKB,
output CLK_130M,
output [11:0]Data_a,
output [11:0]Data_b,
output reg [11:0]Data,
output reg[2:0]led
);
always@(posedge clk or negedge rst_n)begin
if(!rst_n)
led[2] <= 1'b0;
else
led[2] <= 1'b1;
end
always@(posedge clk or negedge rst_n)begin
if(!rst_n)
led[0] <= 1'b0;
else if(key_flag0 & !key_state0)
led[0] <= 1'b1;
else if(key_flag1 & !key_state1)
led[0] <= 1'b0;
else
led[0] <= led[0];
end
always@(posedge clk or negedge rst_n)begin
if(!rst_n)
led[1] <= 1'b0;
else if(key_flag1 & !key_state1)
led[1] <= 1'b1;
else if(key_flag0 & !key_state0)
led[1] <= 1'b0;
else
led[1] <= led[1];
end
//AD
wire CLK_65M_P;
wire CLK_65M_N;
pll pll_inst (
.areset ( ~rst_n ),
.inclk0 ( clk ),
.c0 ( CLK_65M_P ),
.c1 ( CLK_65M_N ),
.c2 ( CLK_130M )
);
assign CLKA = CLK_65M_P;
assign CLKB = CLK_65M_N;
assign Data_a = ADA_IN;
assign Data_b = ADB_IN;
//Integrate two channels of data
reg flag;
always@(posedge CLK_130M or negedge rst_n)begin
if(!rst_n)
flag <= 1'b0;
else
flag <= ~flag;
end
always@(posedge CLK_130M or negedge rst_n)begin
if(!rst_n)
Data <= 'd0;
else if(flag)
Data <= Data_a;
else
Data <= Data_b;
end
//key
wire key_flag0;
wire key_state0;
key_filter key_filter0(
.clk (clk ),
.rst_n (rst_n ),
.key_in (key_in0 ),
.key_flag (key_flag0 ),
.key_state (key_state0 )
);
wire key_flag1;
wire key_state1;
key_filter key_filter1(
.clk (clk ),
.rst_n (rst_n ),
.key_in (key_in1 ),
.key_flag (key_flag1 ),
.key_state (key_state1 )
);
//write 4096 Byte Data
reg [19:0]wr_cnt;
reg data_in_req;
always@(posedge clk or negedge rst_n)begin
if(!rst_n)
data_in_req <= 1'b0;
else if(key_flag0 & !key_state0)
data_in_req <= 1'b1;
else if(wr_cnt >= 'd4095)
data_in_req <= 1'b0;
else
data_in_req <= data_in_req;
end
always@(posedge clk or negedge rst_n)begin
if(!rst_n)
wr_cnt <= 'd0;
else if(data_in_req)
wr_cnt <= wr_cnt + 1'b1;
else
wr_cnt <= 'd0;
end
wire [7:0]data_byte;
FIFO FIFO_inst (
.data ( Data[11:4] ),
.rdclk ( clk ),
.rdreq ( pos_tx_done ),
.wrclk ( CLK_130M ),
.wrreq ( data_in_req ),
.q ( data_byte ),
.rdempty ( ),
.wrfull ( )
);
//Read data and sent out through serial port
reg send_en;
wire tx_done;
reg tx_done_r;
wire pos_tx_done;
reg [19:0]tx_done_cnt;
always@(posedge clk or negedge rst_n)begin
if(!rst_n)
tx_done_r <= 1'b0;
else
tx_done_r <= tx_done;
end
assign pos_tx_done = tx_done & (!tx_done_r);
always@(posedge clk or negedge rst_n)begin
if(!rst_n)
tx_done_cnt <= 'd0;
else if(pos_tx_done)
tx_done_cnt <= tx_done_cnt + 1'b1;
else
tx_done_cnt <= tx_done_cnt;
end
always@(posedge clk or negedge rst_n)begin
if(!rst_n)
send_en <= 1'b0;
else if(key_flag1 & !key_state1)
send_en <= 1'b1;
else if(tx_done_cnt >= 'd4095)
send_en <= 1'b0;
else
send_en <= send_en;
end
uart_byte_tx uart_byte_tx(
.Clk (clk ),
.Rst_n (rst_n ),
.data_byte (data_byte ),
.send_en (send_en ),
.baud_set (3'd4 ),
.Rs232_Tx (Rs232_Tx ),
.Tx_Done (tx_done ),
.uart_state ( )
);
endmodule
3. 测试效果:
以上从电路到程序的展示就完成了,如果对电路资料和程序资料感兴趣的可以添加QQ:2859340499.
版权声明:本文为weixin_44586889原创文章,遵循CC 4.0 BY-SA版权协议,转载请附上原文出处链接和本声明。