学完本章你应该会的问题:
- 如何将 50 Hz、220 V 的交流电压变为 6 V 的直流电压?主要步骤是什么?
- 220 V 的电网电压是稳定的吗?它的波动范围是多少? 220 V 交流电压经整流后是否输出 220 V 的直流电压?
- 将市场销售的 6 V 直流电源接到收音机上,为什么有的声音清晰,有的含有交流声?
- 对于同样标称输出电压为 6 V 的直流电源,在未接收音机时,为什么测量输出端子的电压,有的为 6 V,而有的为 7~8 V?用后者为收音机供电,会造成收音机损坏吗?
- 要使一个有效值为 5 V的交流电压变为 6 V 直流电压是否可能?变为 10 V直流电压呢?
- 一个 3 V电池是否可以转换为 6 V 的直流电压?
- 对于一般直流电源,若不慎将输出端短路,则一定会使电源损坏吗?线性电源和开关型电源有何区别?它们分别应用在什么场合为好?
(答案往后找)
目录
(3)输出电压平均值Uo(AV)和输出电流平均值Io(AV)
一、直流电源的组成及各部分的作用
单相交流电经过电源变压器 、整流电路、滤波电路和稳压电路转换成稳定的直流电压,其方框图及各电路的输出电压波形如图 9.1.1 所示,下面就各部分的作用加以介绍。
1、变压(AC-AC:220V-几十V)
直流电源的输入为 220 V的电网电压(即市电),一般情况下,所需直流电压的数值和电网电压的有效值相差较大,因而需要通过电源变压器降压后,再对交流电压进行处理。
2、整流(AC-DC)
变压器二次电压通过整流电路从交流电压转换为直流电压,即将正弦波电压转换为单-—方向的脉动电压——半波整流电路和全波整流电路的输出波形如图中所画。
- 可以看出,它们均含有较大的交流分量,会影响负载电路的正常工作;
- 例如,交流分量将混入输入信号被放大电路放大,甚至在放大电路的输出端所混入的电源交流分量大于有用信号;因而不能直接作为电子电路的供电电源。应当指出,图中整流电路输出端所画波形是未接滤波电路时的波形,接入滤波电路后波形将有所变化。
3、滤波(滤除交流分量)
为了减小电压的脉动,需通过低通滤波电路滤波,使输出电压平滑。理想情况下,应将交流分量全部滤掉,使滤波电路的输出电压仅为直流电压。然而,由于滤波电路为无源电路,所以接入负载后势必影响其滤波效果。对于稳定性要求不高的电子电路,整流、滤波后的直流电压可以作为供电电源。
4、稳压(输出稳定的电压)
交流电压通过整流、滤波后虽然变为交流分量较小的直流电压,但是当电网电压波动或者负载变化时,其平均值也将随之变化。稳压电路的功能是使输出直流电压基本不受电网电压波动和负载电阻变化的影响,从而获得足够高的稳定性。
二、整流电路
分析的前提条件:
- 在分析整流电路时,为了突出重点,简化分析过程,一般均假定负载为纯电阻性;
- 整流二极管具有理想的伏安特性,即导通时正向压降为零,截止时反向电流为零;
- 变压器无损耗,内部压降为零等。
1、单相半波整流电路
(1)工作原理
单相半波整流电路是最简单的一种整流电路,设变压器的二次电压有效值为 U2,则其瞬时值u2 =√2U2sinwt。
- 在 u2 的正半周,A 点为正,B 点为负,二极管外加正向电压,因而处于导通状态。电流从 A点流出,经过二极管 D和负载电阻 RL流入 B 点,u0=u2=√2U2sinwt(wt =0~π)。
- 在 u2 的负半周,B 点为正,A 点为负,二极管外加反向电压,因而处于截止状态,u0=0(wt =π~2π)。负载电阻 RL的电压和电流都具有单一方向脉动的特性。图9.2.2 所示为变压器二次电压 u2、输出电压 u0(也可表示输出电流和二极管的电流)、二极管端电压的波形。
分析整流电路工作原理时,应研究变压器二次电压极性不同时二极管的工作状态,从而得出输出电压的波形,也就弄清了整流原理。整流电路的波形分析是其定量分析的基础。


(2)主要参数
①输出电压平均值:


②负载电流平均值

- 例如,当变压器二次电压有效值 U2=20 V 时,单相半波整流电路的输出电压平均值 Uo(AV) ≈9 V。若负载电阻 RL=20 Ω,则负载电流平均值Io(AV) ≈0.45 A。
③脉动系数
整流输出电压的脉动系数 S 定义为整流输出电压的基波峰值 Uo1M与输出电压平均值 Uo(AV)之比,即

- S 越大,脉动越大
- 由于半波整流电路输出电压u0的周期与u2相同,uo的基波角频率与u2相同,即 50 Hz。通过谐波分析可得 Uo1M= U2 / √2,故半波整流电路输出电压的脉动系数

- 说明半波整流电路的输出脉动很大,其基波峰值约为平均值的 1.57 倍。
(3)二极管的选择
- 当整流电路的变压器二次电压有效值和负载电阻值确定后,电路对二极管参数的要求也就确定了。
- 一般应根据流过二极管电流的平均值和它所承受的最大反向电压来选择二极管的型号。
在单相半波整流电路中,二极管的正向平均电流等于负载电流平均值,即
二极管承受的最大反向电压等于变压器二次侧的峰值电压 ,即
一般情况下,允许电网电压有±10%的波动,即电源变压器一次电压为 198~242 V,因此在选用二极管时,对于最大整流平均电流 I_F和最高反向工作电压U_RM应至少留有 10% 的余地,以保证二极管安全工作,即选取
单相半波整流电路简单易行,所用二极管数量少。但是由于它只利用了交流电压的半个周期,所以输出电压低,交流分量大(即脉动大),效率低。因此,这种电路仅适用于整流电流较小,对脉动要求不高的场合。
【例1】在图 9.2.1 所示整流电路中,已知电网电压波动范围是 ±10%,变压器二次电压有效值 U2=30 V,负载电阻 RL=100 ΩQ,试问:
(1)负载电阻 RL上的电压平均值和电流平均值各为多少?
(2)二极管承受的最大反向电压和流过的最大电流平均值各为多少?
(3)若不小心将输出端短路,则会出现什么现象?
【解】
(1) 根据输出波形图,负载电阻RL上的电压平均值为
=13.5V;
电流平均值为
=0.135A
(2)二极管承受的最大反向电压
;
最大电流平均值
;
考虑电网波动,
;
(3)若不小心将输出端短路,则变压器二次电压全部加在二极管上,二极管会因正向电流过大而烧坏。若将二极管烧成为短路,则会使变压器二次线圈短路,二次电流将很大,如不及时断电,会造成变压器永久性损坏。
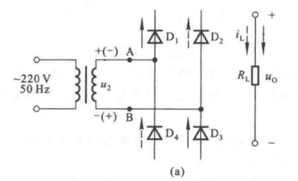
2、单相桥式整流电路
(1)电路组成
单相桥式整流电路由四只二极管组成,其构成原则就是保证在变压器二次电压 u2的整个周期内,负载上的电压和电流方向始终不变。为达到这一目的,就要在 u2的正、负半周内正确引导流向负载的电流。
- 设变压器二次侧两端分别为 A 和 B,则 A 为"+"、B 为"-"时应有电流流出 A 点,A 为"-"、B 为"+"时应有电流流入 A 点;
- 相反,A为"+"、B为" -"时应有电流流入 B点,A 为"-"、B 为"+"时应有电流流出 B 点;
- 因而 A 和 B 点均应分别接两只二极管的阳极和阴极,以引导电流;如图9.2.4(a)所示,负载接入的方式如图(b)所示。
- 图9.2.5(a)所示为习惯画法,图(b)所示为简化画法。


(2)工作原理

设变压器二次电压u2 =√2U2sinwt,U2为其有效值。
- 当 u2 为正半周时,电流由 A 点流出,经 D1、RL、D3 流入 B 点,如图 9.2.5(a)中实线箭头所示,因而负载电阻 RL上的电压等于变压器二次电压,即uo = u2,D2和 D4管承受的反向电压为-u2;
- 当 u2 为负半周时,电流由 B 点流出,经 D2、RL、D4 流入 A 点,如图9.2.5(a)中虚线箭头所示,负载电阻 RL上的电压等于-u2,即uo= -u2,D1、D3承受的反向电压为u2。
这样,由于 D1、D3和 D2、D4两对二极管交替导通,致使负载电阻 RL上在 u2的整个周期内都有电流通过,而且方向不变,输出电压uo=|√2U2sinwt|。图 9.2.6 所示为单相桥式整流电路各部分的电压和电流的波形。
(3)输出电压平均值Uo(AV)和输出电流平均值Io(AV)
①输出电压的平均值
由于桥式整流电路实现了全波整流电路,它将 u2的负半周也利用起来,所以在变压器二次电压有效值相同的情况下,输出电压的平均值是半波整流电路的两倍。
②输出电流的平均值(即负载电阻中的电流平均值)
在变压器二次电压相同、且负载也相同的情况下,输出电流的平均值也是半波整流电路的两倍。
③脉动系数
S=0.67
与半波整流电路相比,输出电压的脉动减小很多。
(4)二极管的选择
①二极管的平均电流
在单相桥式整流电路中,因为每只二极管只在变压器二次电压的半个周期通过电流,所以每只二极管的平均电流只有负载电阻上电流平均值的一半,即
与半波整流电路中二极管的平均电流相同(虽然负载电流大了一倍,但二极管是轮流工作的,所以流过的平均电流不变)
②二极管的最大反向电压
与半波整流电路中二极管承受的最大反向电压也相同。
- 考虑到电网电压的波动范围为 ±10% ,在实际选用二极管时,应至少有 10% 的余量,选择最大整流电流I_F和最高反向工作电压 U_RM 分别为
(同半波整流)
(同半波整流)
单相桥式整流电路与半波整流电路相比,在相同的变压器二次电压下,对二极管的参数要求是一样的,并且还具有输出电压高、变压器利用率高、脉动小等优点,因此得到相当广泛的应用。目前有不同性能指标的集成电路,称之为"整流桥堆"。
它的主要缺点是所需二极管的数量多,由于实际上二极管的正向电阻不为零,必然使得整流电路内阻较大,当然损耗也就较大。
(5)拓展应用——实现正、负电源
可以想象,如果将桥式整流电路变压器二次侧中点接地,并将两个负载电阻相连接,且连接点接地,如图 9.2.7 所示;
- 那么根据桥式整流电路的工作原理,当 A 点为"+"B 点为"-"时,D1 D3导通,D2、D4截止,电流如图中实线所示;
- 而当 B 点为"+"A 点为"-"时,D2、D4导通,D1、D3截止,电流如图中虚线所示;
- 这样,两个负载上就分别获得正、负电源。
- 可 见,利用桥式整流电路可以轻而易举地获得正、负电源,这是其它类型整流电路难于做到的。

3、三相整流电路及其波形
在实际应用中,当整流电路的输出功率(即输出电压平均值与电流平均值之积)超过几千瓦且又要求脉动较小时,就需要采用三相整流电路。
- 三相整流电路的组成原则和方法与单相桥式整流电路相同,变压器二次侧的三个端均应接两只二极管,且一只接阴极,另一只接阳极,电路如图 9.2.8(a)所示;利用前面所述方法分析电路,可以得出其波形,如图(b)所示。

【例9.2.2】在图9.2.5 所示电路中,已知变压器二次电压有效值 U2=30 V,负载电阻RL= 100 Ω。试问∶
(1)输出电压与输出电流平均值各为多少?
(2)当电网电压波动范围为 ±10% ,二极管的最大整流平均电流 I_F与最高反向工作电压 U_RM至少应选取多少?
(3)若整流桥中的二极管 D1开路或短路,则分别产生什么现象?解∶(1)输出电压平均值:U_O(AV) ≈0.9U2=0.9×30 V=27 V
输出电流平均值:I_O(AV) = U_O(AV) / R_L = 0.27A
(2)考虑电网波动,二极管的最大整流平均电流 I_F = 1.1 * I_O(AV) / 2 = 0.149A
最高反向工作电压 U_RM = 1.1 * √2 U2 = 46.7 V
(3)若D1开路,则电路仅能实现半波整流,因而输出电压平均值仅为原来的一半。若D1短路,则在u2的负半周将变压器二次电压全部加在 D2上,D2将因电流过大而烧坏,且若 D2烧成为短路,则有可能烧坏变压器。
三、滤波电路(脉动的直流电压变为平滑的直流电压)
整流电路的输出电压虽然是单—方向的,但是含有较大的交流成分,不能适应大多数电子电路及设备的需要。
- 因此,一般在整流后,还需利用滤波电路将脉动的直流电压变为平滑的直流电压。
- 与用于信号处理的滤波电路相比,直流电源中滤波电路的显著特点是:
- 均采用无源电路(缺点:输出随负载电阻变化);
- 理想情况下,滤去所有交流成分,而只保留直流成分;能够输出较大电流;
- 而且,因为整流管工作在非线性状态(即导通或截止),故而滤波特性的分析方法也不尽相同。
1、电容滤波电路
电容滤波电路是最常见也是最简单的滤波电路,在整流电路的输出端(即负载电阻两端)并联一个电容即构成电容滤波电路,如图 9.3.1(a)所示。滤波电容容量较大(C越大,低频截止频率越小,滤波效果越好),因而一般均采用电解电容(在接线时要注意电解电容的正、负极)。
电容滤波电路利用电容的充放电作用,使输出电压趋于平滑。
(1)滤波原理
当变压器二次电压 u2 处于正半周并且数值大于电容两端电压uc时(+u2>uc),二极管 D1、D3导通,电流一路流经负载电阻 RL,另一路对电容 C 充电。因为在理想情况下,变压器二次侧无损耗,二极管导通电压为零,所以电容两端电压 uc(uL)与u2相等,见图 9.3.1(b)中曲线的ab 段。
当 u2上升到峰值后开始下降,电容通过负载电阻 RL放电,其电压uc也开始下降,趋势与u2基本相同,见图(b)中曲线的 bc 段。
但是由于电容按指数规律放电,所以当uc下降到一定数值后,uc的下降速度小于u2的下降速度,使uc大于u2,从而导致 D1、D3反向偏置而变为截止。此后,电容 C继续通过RL放电,uc按指数规律缓慢下降,见图 9.3.1(b)cd 段。
当u2的负半周幅值变化到恰好大于uc时(-u2>uc),D2、D4因加正向电压变为导通状态,u2再次对 C充电,uc上升到u2的峰值后又开始下降;下降到一定数值时 D2、D4变为截止,C 对 RL放电,uc按指数规律下降;放电到一定数值时 D1、D3变为导通,重复上述过程。
从图 9.3.1(b)所示波形可以看出,经滤波后的输出电压不仅变得平滑,而且平均值也得到提高。若考虑变压器内阻和二极管的导通电阻,则 uc的波形如图(c)所示,阴影部分为整流电路内阻上的压降。
从以上分析可知:
- 电容充电时,回路电阻为整流电路的内阻,即变压器内阻和二极管的导通电阻之和,其数值很小,因而时间常数很小(时间常数τ=RC)。
- 电容放电时,回路电阻为 RL,放电时间常数为 R_L*C,通常远大于充电的时间常数。
- 因此,充电很快,滤波效果取决于放电时间。电容愈大,负载电阻愈大,滤波后输出电压愈平滑,并且其平均值愈大,如图 9.3.2 所示。换言之,当滤波电容容量一定时,若负载电阻减小(即负载电流增大),则时间常数 R_L*C 减小,放电速度加快,输出电压平均值随即下降,且脉动变大。

(2)输出电压平均值
滤波电路输出电压波形难于用解析式来描述,近似估算时,可将图 9.3.1(c)所示波形近似为锯齿波,如图9.3.3所示。图中 T 为电网电压的周期。设整流电路内阻较小而 R_L*C 较大,电容每次充电均可达到 u2的峰值(即 Uomax=√2U2),然后按 R_L*C放电的起始斜率直线下降,经 R_L*C交于横轴,且在 T/2 处的数值为最小值 Uomin,则输出电压平均值为
同时按相似三角形关系可得
因而
上式表明,当负载开路,即 RL=∞时,U_O(AV) =√2U2。
- 当RL*C=(3~5)T/2时,U_O(AV) ≈1.2U2(输出随负载变化)
- 为了获得较好的滤波效果,在实际电路中,应选择滤波电容的容量满足 RL*C=(3~5)T/2 的条件。
- 由于采用电解电容,考虑到电网电压的波动范围为 ± 10%,电容的耐压值应大于 1.1√2U2。
- 在半波整流电路中,为获得较好的滤波效果,电容容量应选得更大些。
(3)电容滤波电路的输出特性和滤波特性
当滤波电容C选定后,输出电压平均值 U_O(AV),和输出电流平均值 I_O(AV) 的关系称为输出特性,脉动系数 S和输出电流平均值 I_O(AV)的关系称为滤波特性。根据式
和
可画出输出特性如图9.3.5(a)所示,滤波特性如图 9.3.5(b)所示。
- 曲线表明,C 愈大电路带负载能力愈强,滤波效果愈好;
- I_O(AV) 愈大(即负载电阻 RL愈小),U_O(AV)愈低,S 的值愈大(所以只适合小电流、小负载电路)。
综上所述,电容滤波电路简单易行,输出电压平均值高(输出随负载变化),适用于负载电流较小且其变化也较小的场合。
【例 9.3.1】 在图 9.3.1(a)所示电路中,已知电网电压的波动范围为 ±10%, U_O(AV) ≈ 1.2U2。要求输出电压平均值 U_O(AV)=15 V,负载电流平均值I_L(AV)=100 mA。试选择合适的滤波电容。
解∶根据 U_O(AV) ≈ 1.2U2 可知,C的取值满足 RL*C=(3~5)T/2 的条件。
![]()
电容的容量为
变压器二次电压有效值为
电容的耐压值为
实际可选取容量为300 μF、耐压为25 V的电容做本电路的滤波电容。
2、倍压整流电路
利用滤波电容的存储作用,由多个电容和二极管可以获得几倍于变压器二次电压的输出电压,称为倍压整流电路。

图 9.3.6 所示为二倍压整流电路,U2为变压器二次电压有效值。其工作原理简述如下∶
当u2正半周时,A 点为"+",B点为"-",使得二极管 D1导通,D2截止;C1充电,电流如图中实线所示;C1上电压极性右为"+",左为"-",最大值可达√2U2。
当u2负半周时,A 点为"-",B 点为"+",C1上电压与变压器二次电压相加,使得 D2导通,D1截止;C2充电,电流如图中虚线所示;C2上电压的极性下为"+",上为"-",最大值可达2√2U2。
可见,是C1对电荷的存储作用,使输出电压(即电容 C2上的电压)为变压器二次电压峰值的 2 倍,利用同样原理可以实现所需倍数的输出电压。
图 9.3.7 所示为多倍压整流电路,在空载情况下,根据上述分析方法可得,C1上电压为√2U2,C2~C6上电压均为2√2U2。
因此,以 C1两端作为输出端,输出电压的值为√2U2;以 C2两端作为输出端,输出电压的值为2√2U2;以 C1和 C3上电压相加作为输出,输出电压的值为 3√2U2,……依此类推,从不同位置输出,可获得√2U2的 4、5、6 倍的输出电压。
应当指出,为了简便起见,分析这类电路时,总是设电路空载,且已处于稳态;当电路带上负载后,输出电压将不可能达到u2峰值的倍数。
3、电感滤波电路
在大电流负载情况下,由于负载电阻 RL很小,若采用电容滤波电路,则电容容量必很大(为了时间常数τ=R_L*C足够大,则C得大)。而且整流二极管的冲击电流也非常大。这就使得整流管和电容器的选择变得很困难,甚至不太可能,在此情况下应当采用电感滤波。
①电路结构
在整流电路与负载电阻之间串联—个由电感线圈 L 就构成电感滤波(电容滤波是并联),如图 9.3.8 所示。由于电感线圈的电感量要足够大,所以一般需要采用有铁心的线圈。

②工作原理
电感的基本性质是当流过它的电流变化时,电感线圈中产生的感生电动势将阻止电流的变化。
- 当通过电感线圈的电流增大时,电感线圈产生的自感电动势与电流方向相反,阻止电流的增加,同时将一部分电能转化成磁场能存储于电感之中;
- 当通过电感线圈的电流减小时,自感电动势与电流方向相同,阻止电流的减小,同时释放出存储的能量,以补偿电流的减小。
因此,经电感滤波后,不但负载电流及电压的脉动减小,波形变得平滑,而且整流二极管的导通角增大。
整流电路输出电压可分解为两部分,
- 一部分为直流分量,它就是整流电路输出电压的平均值 U_O(AV),对于全波整流电路,其值约为0.9U2;
- 另一部分为交流分量ud;如图9.3.8 所标注。
- 电感线圈对直流分量呈现的电抗很小,就是线圈本身的电阻 R;而对交流分量呈现的电抗为 wL。
- 所以若二极管的导通角近似为 π,则电感滤波后的输出电压平均值
(9.3.5)
- 输出电压的交流分量
(9.3.6)
- 从式(9.3.5)可以看出,电感滤波电路输出电压平均值小于整流电路输出电压平均值,在线圈电阻可忽略的情况下,U_O(AV) ≈ 0.9U2。
- 从式(9.3.6)可以看出,在电感线圈不变的情况下,负载电阻愈小(即负载电流愈大),输出电压的交流分量愈小,脉动愈小。注意,只有在 RL远远小于 wL时,才能获得较好的滤波效果。显然,L 愈大,滤波效果愈好。
- 另外,由于滤波电感电动势的作用,可以使二极管的导通角等于π,减小了二极管的冲击电流,平滑了流过二极管的电流,从而延长了整流二极管的寿命。
4、复式滤波电路
当单独使用电容或电感进行滤波,效果仍不理想时,可采用复式滤波电路。电容和电感是基本的滤波元件,利用它们对直流量和交流量呈现不同电抗的特点,只要合理地接入电路都可以达到滤波的目的。图9.3.9(a)所示为LC滤波电路,图(b)、(c)所示为两种π型滤波电路。

5、各种滤波电路的比较

四、稳压电路
虽然整流滤波电路能将正弦交流电压变换成较为平滑的直流电压,但是,
- 一方面,由于输出电压平均值取决于变压器二次电压有效值,所以当电网电压波动时,输出电压平均值将随之产生相应的波动;(电网波动会影响输出电压)
- 另一方面,由于整流滤波电路内阻的存在,当负载变化时,内阻上的电压将产生变化.干是输出电压平均值也将随之产生相反的变化。 例如,如果负载电阻减小,则负载电流增大,内阻上的电流也就随之增大,其压降必然增大,输出电压平均值必将相应减小。(负载变化会影响输出电压)
- 因此,整流滤波电路输出电压会随着电网电压的波动而波动,随着负载电阻的变化而变化。为了获得稳定性好的直流电压,必须采取稳压措施。
1、稳压管稳压电路
本节将对稳压管稳压电路的组成、工作原理和电路参数的选择一一加以介绍。
(1)电路组成
由稳压二极管 Dz 和限流电阻 R所组成的稳压电路是一种最简单的直流稳压电源,如图 9.4.1 中点画线框内所示。其输入电压 Ui是整流滤波后的电压,输出电压 Uo就是稳压管的稳定电压 Uz,RL是负载电阻。

从稳压管稳压电路可得两个基本关系式

从图 9.4.2 所示稳压管的伏安特性中可以看出,在稳压管稳压电路中,只要能使稳压管始终工作在稳压区(线性击穿区),即保证稳压管的电流I_Z ≤ I_Dz ≤ I_ZM,输出电压 Uo就基本稳定。
(2)稳压原理
对任何稳压电路都应从两个方面考察其稳压特性:
- 一是设电网电压波动,研究其输出电压是否稳定;
- 二是设负载变化,研究其输出电压是否稳定。
在图9.4.1所示稳压管稳压电路中,当电网电压升高时,稳压电路的输入电压 Ui随之增大,输出电压 Uo也随之按比例增大;
但是,由于 Uo=Uz,根据稳压管的伏安特性,Uz的增大将使I_DZ急剧增大;
根据式(9.4.2), I_R必然随着 I_DZ 急剧增大,UR会同时随着IR而急剧增大;
根据式(9.4.1),UR的增大必将使输出电压 Uo减小。
因此,只要参数选择合适,R上的电压增量就可以与 Ui的增量近似相等,从而使 Uo基本不变。
上述过程可简单描述如下∶
- 电网电压↑ → Ui↑ → Uo = Uz↑ → I_DZ↑ → I_R↑ → U_R↑ → Uo↓
- 当电网电压下降时,各电量的变化与上述过程相反。
可见,当电网电压变化时,稳压电路通过限流电阻 R 上电压的变化来抵消 Ui 的变化,即△UR ≈ △Ui ,从而使Uo基本不变。
当负载电阻 RL 减小即负载电流 IL 增大时,根据式(9.4.2),导致 IR 增加,UR 也随之增大;
根据式(9.4.1),Uo必然下降,即 Uz 下降;
根据稳压管的伏安特性,Uz 的下降使 I_DZ 急剧减小,从而 IR 随之急剧减小。
如果参数选择恰当,就可使 △I_DZ ≈ -△I_L,使 IR 基本不变,从而 Uo 也就基本不变。
上述过程可简单描述如下∶
- RL↓ → Uo(Uz)↓ → I_DZ↓ → IR↓ → △I_DZ ≈ -△I_L → IR 基本不变 → Uo基本不变
- RL↓ → I_L↑ → IR ↑
相反,如果 RL 增大即 IL 减小,则 I_DZ 增大,同样可使 IR 基本不变,从而保证 Uo 基本不变。
显然,在电路中只要能使 △I_DZ ≈ -△I_L,就可以使 IR 基本不变,从而保证负载变化时输出电压基本不变。
综上所述,在稳压二极管所组成的稳压电路中,利用稳压管所起的电流调节作用,通过限流电阻 R上电压或电流的变化进行补偿,来达到稳压的目的。限流电阻 R 是必不可少的元件,它既限制稳压管中的电流使其正常工作,又与稳压管相配合以达到稳压的目的。一般情况下,在电路中如果有稳压管存在,就必然有与之匹配的限流电阻。
(3)性能指标
对于任何稳压电路,均可用稳压系数 Sr和输出电阻 Ro来描述其稳压性能。
Sr 定义为负载一定时, 稳压电路输出电压相对变化量与其输入电压相对变化量之比,即
Sr 表明电网电压波动的影响,其值愈小,电网电压变化时输出电压的变化愈小。式中 Ui为整流滤波后的直流电压。
Ro 为输出电阻,是稳压电路输入电压一定时, 输出电压变化量与输出电流变化量之比,即

Ro 表明负载电阻对稳压性能的影响。
在仅考虑变化量时,图 9.4.1 所示稳压管稳压电路的等效电路如图 9.4.3 所示,r_z 为稳压管的动态电阻(值很小)。


式(9.4.5)表明,为使 Sr 数值小,需增大 R;而在 Uo(Uz)和负载电流确定的情况下,若 R 的取值大,则 UR 的取值必须大,这势必使 Sr 增大;可见 R 和 Ui 必须合理搭配,Sr 的数值才可能比较小。
根据式(9.4.4),稳压管稳压电路的输出电阻为 Ro = R // r_z ≈ r_z
在一些文献中,也常用电压调整率和电流调整率来描述稳压性能。在额定负载且输入电压产生最大变化的条件下,输出电压产生的变化量 △Uo 称为电压调整率;在输入电压一定且负载电流产生最大变化的条件下,输出电压产生的变化量 △Uo 称为电流调整率。
(4)电路参数的选择
设计一个稳压管稳压电路,就是合理地选择电路元件的有关参数。
在选择元件时,应首先知道负载所要求的输出电压 Uo,负载电流 I_L 的最小值 I_Lmin 和最大值 I_Lmax (或者负载电阻 R_L的最大值 R_Lmax 和最小值 R_Lmin ),输入电压 Ui的波动范围(一般为 ±10%)。
①稳压电路输入电压 Ui 的选择
根据经验,一般选取 Ui = (2~3)Uo
Ui 确定后,就可以根据此值选择整流滤波电路的元件参数。
②稳压管的选择
在稳压管稳压电路中 Uo=Uz;当负载电流 I_L 变化时,稳压管的电流将产生一个与之相反的变化,即 △I_DZ ≈ -△I_L,所以稳压管工作在稳压区所允许的电流变化范围应大于负载电流的变化范围,即
。选择稳压管时应满足


③限流电阻R的选择


限流电阻的上限值:



限流电阻的上限值:
![]()
R的阻值一旦确定,根据它的电流即可算出其功率。
【例9.4.1】在图9.4.1所示电路中,已知 Ui =15 V,负载电流为10~20 mA;稳压管的稳定电压 Uz=6 V,最小稳定电流 I_Zmin=5 mA,最大稳定电流 I_Zmax = 40 mA,r_z =15 Ω。
(1)求解 R 的取值范围;
(2)若 R=250 Ω,则稳压系数 Sr 和输出电阻 Ro 各为多少?
(3)为使稳压性能好一些,在允许范围内,R 的取值应当偏大些,还是偏小些?为什么?【解】
(1)
(2)
(3) 在允许范围内,R的取值应当偏大些。因为式
、
表明,当其余参数确定的情况下,R 愈大,Sr 愈小(愈好),Ro 愈接近r_z(Ro表明负载电阻对稳压性能的影响,应该是愈小愈好)。
【例9.4.2】在图9.4.1所示电路中,已知Ui =12 V,电网电压允许波动范围为±10%;稳压管的稳定电压Uz =5 V,最小稳定电流 I_Zmin =5 mA,最大稳定电流I_Zmax =30 mA,负载电阻 RL = 250~350 Ω。试求解∶
(1)R 的取值范围;
(2)若限流电阻短路,则将产生什么现象?【解】
(1)首先求出负载电流的变化范围∶ l
再求出 R的最大值和最小值
所以,R的取值范围是 185 ~232 Ω。(2)若限流电阻短路,则 Ui 全部加在稳压管上,使之因电流过大而烧坏。
稳压管稳压电路的优点是电路简单,所用元件数量少;
但是,因为受稳压管自身参数的限制,其输出电流较小,输出电压不可调节,因此只适用于负载电流较小,负载电压不变的场合。
2、串联型稳压电路
稳压管稳压电路输出电流较小,输出电压不可调,不能满足很多场合下的应用。串联型稳压电路以稳压管稳压电路为基础,利用晶体管的电流放大作用,增大负载电流;在电路中引入深度电压负反馈使输出电压稳定;并且,通过改变反馈网络参数使输出电压可调。
(1)基本调整管电路
如前所述,在图 9.5.1(a)所示稳压管稳压电路中,负载电流最大变化范围等于稳压管的最大稳定电流和最小稳定电流之差(I_Zmax - I_Zmin)。不难想象,扩大负载电流最简单的方法是∶将稳压管稳压电路的输出电流作为晶体管的基极电流,而晶体管的发射极电流作为负载电流,电路采用射极输出形式,如图 9.5.1(b)所示,常见画法如图(c)所示。
由于图(b)、(c)所示电路引入了电压负反馈,故能够稳定输出电压。但它们与一般共集放大电路有着明显的区别∶其工作电源 Ui 不稳定,"输入信号"为稳定电压 Uz,并且要求输出电压 Uo 在 Ui 变化或负载电阻 R_L 变化时基本不变。
其稳压原理简述如下。
当电网电压波动引起 Ui 增大,或负载电阻 RL 增大时,输出电压 Uo 将随之增大,即晶体管发射极电位 Uo 升高;稳压管端电压基本不变,即晶体管基极电位 U_B 基本不变;故晶体管的 U_BE(= U_B - U_E)减小,导致I_B(I_E)减小,从而使 Uo 减小;因此可以保持 Uo 基本不变。
当 Ui 减小或负载电阻 RL 减小时,变化与上述过程相反。
可见,晶体管的调节作用使 Uo 稳定,所以称晶体管为调整管,称图(b)、(c)所示电路为基本调整管电路。
根据稳压管稳压电路输出电流的分析已知,晶体管基极的最大电流为(I_Zmax - I_Zmin),因而图(b)所示的最大负载电流为
I_Lmax = (1 + β)(I_Zmax - I_Zmin)(9.5.1)
这也就大大提高了负载电流的调节范围。输出电压为Uo = U_Z - U_BE(9.5.2)
从上述稳压过程可知,要想使调整管起到调整作用,必须使之工作在放大状态,因此其管压降应大于饱和管压降 U_CES;换言之,电路应满足 U1 ≥ Uo + U_CES 的条件。由于调整管与负载相串联,故称这类电路为串联型稳压电源;由于调整管工作在线性区,故称这类电路为线性稳压电源。
3、具有放大环节的串联型稳压电路(LDO)
式(9.5.2)表明基本调整管稳压电路的输出电压仍然不可调,且输出电压将因 U_BE 的变化而变,稳定性较差。为了使输出电压可调,也为了加深电压负反馈以提高输出电压的稳定性,通常在基本调整管稳压电路的基础上引入放大环节。
①电路的构成
若同相比例运算电路的输入电压为稳定电压,且比例系数可调,则其输出电压就可调节;同时,为了扩大输出电流,集成运放输出端加晶体管,并保持射极输出形式,就构成具有放大环节的串联型稳压电路,如图 9.5.2(a)所示。

输出电压为(9.5.3)
由于集成运放开环差模增益可达 80 dB 以上,电路引入深度电压负反馈,输出电阻趋近于零,因而输出电压相当稳定。图(b)所示为电路的常见画法。
在图(b)所示电路中,晶体管 T为调整管,电阻 R 与稳压管 D,构成基准电压电路,电阻 R, R。和 R,为输出电压的采样电路,集成运放作为比较放大电路,如图中所标注。调整管、基准电压电路、采样电路和比较放大电路是串联型稳压电路的基本组成部分。
②稳压原理
当由于某种原因(如电网电压波动或负载电阻的变化等)使输出电压 Uo 升高(降低)时,采样电路将这一变化趋势送到 A 的反相输入端,并与同相输入端电位 Uz 进行比较放大;A的输出电压,即调整管的基极电位降低(升高);因为电路采用射极输出形式,所以输出电压 Uo 必然降低(升高),从而使 Uo 得到稳定。可简述如下∶
![]()
可见,电路是靠引入深度电压负反馈来稳定输出电压的。
③输出电压的可调范围
- 在理想运放条件下,U_P = U_N = U_Z。
- 所以,当电位器 R2 的滑动端在最上端时,输出电压最小,为
- 当电位器 R2的滑动端在最下端时,输出电压最大,为
- 若 R1=R2=R3 =300 Ω,Uz=6 V,则输出电压9 V≤Uo≤18 V。
④调整管的选择
在串联型稳压电路中,调整管是核心元件,它的安全工作是电路正常工作的保证。调整管常为大功率管,因而选用原则与功率放大电路中的功放管相同,主要考虑其极限参数 I_CM、U_(BR)CEO和 P_CM。调整管极限参数的确定,必须考虑到输入电压 Ui 由于电网电压波动而产生的变化,以及输出电压的调节和负载电流的变化所产生的影响。
- 从图 9.5.2(b)所示电路可知,调整管T的发射极电流 I_E 等于采样电阻 R1 中电流和负载电流 I_L 之和(I_E = I_R1 + I_L);
- T的管压降 U_CE 等于输入电压 Ui 与输出电压 Uo 之差(U_CE = Ui - Uo)。
- 显然,当负载电流最大时,流过 T 管发射极的电流最大,即I_Emax = I_R1 + I_Lmax。
- 通常,R1 上电流可忽略,且I_Emax ≈ I_Cmax,
- 所以调整管的最大集电极电流 I_Cmax ≈ I_Lmax (9.5.6)
当电网电压最高(即输入电压最高),同时输出电压又最低时,调整管承受的管压降最大,即U_CEmax = U_Imax - U_Omin(9.5.7)
当晶体管的集电极(发射极)电流最大(即满载),且管压降最大时,调整管的功率损耗最大,即P_Cmax= I_Cmax*U_CEmax (9.5.8)
根据式(9.5.6)、(9.5.7)、(9.5.8),在选择调整管 T 时,应保证其最大集电极电流I_CM、集电极与发射极之间的反向击穿电压U_(BR)CEO和集电极最大耗散功率P_CM满足

实际选用时,不但要考虑一定的余量,还应按手册上的规定采取散热措施。
在图 9.5.2(b)所示电路中,如果最大负载电流为 500 mA;输出电压调节范围为 10~20 V;输入电压 25 V,波动范围为 ±10%;那么选择 T 管时,其极限参数应为

【例 9.5.1】电路如图9.5.2(b)所示,已知输入电压 Ui 的波动范围为 ±10%,调整管的饱和管压降 U_CES = 2 V,输出电压 Uo 的调节范围为 5~20 V,R1 =R2 =200 Ω。试问∶
(1)稳压管的稳定电压 U_Z和 R2 的取值各为多少?(2)为使调整管正常工作,Ui的值至少应取多少?
【解】
(1)输出电压的表达式为
(2)所谓调整管正常工作,是指在输入电压波动和输出电压改变时调整管应始终工作在放大状态。研究电路的工作情况可知,在输入电压最低且输出电压最高时管压降最小,若此时管压降大于饱和管压降,则在其它情况下管子一定会工作在放大区。用式子表示为U_CEmin = U_Imin - U_Omax,即U_Imin > U_Omax + U_CES,代入数据 0.9 U_I > (20+2)V,得出U_I > 24.7V,故U_I至少应取25V。
五、开关型稳压电源(DCDC:直流-直流斩波电路)
前节所讲的线性稳压电路具有结构简单、调节方便、输出电压稳定性强、纹波电压小等优点。但是,由于调整管始终工作在放大状态,自身功耗较大;故效率较低,甚至仅为 30% ~40%。而且,为了解决调整管散热问题,必须安装散热器,这就必然增大整个电源设备的体积、重量和成本。
可以设想,如果调整管工作在开关状态,那么当其截止时,因电流很小(为穿透电流)而管耗很小;当其饱和时,因管压降很小(为饱和管压降)而管耗也很小;这将可以大大提高电路的效率。开关型稳压电路中的调整管正是工作在开关状态,并因此而得名,其效率可达 70% ~95% 。
- 按调整管与负载的连接方式可分为串联型和并联型。
- 按稳压的控制方式可分为脉冲宽度调制型(PWM)、脉冲频率调制型(PFM)和混合调制(即脉宽 -频率调制)型。
- 按调整管是否参与振荡可分为自激式和他激式。
- 按使用开关管的类型可分为晶体管、VMOS 管和晶闸管型。
1、串联开关型稳压电路(buck电路 / 降压斩波电路)
(1)换能电路的基本原理
开关型稳压电路的换能电路将输入的直流电压转换成脉冲电压,再将脉冲电压经 LC 滤波转换成直流电压,图 9.6.1(a)所示为基本原理图。输入电压 U_I是未经稳压的直流电压(整流+滤波后的信号);晶体管 T为调整管(调节电流),即开关管;u_B为矩形波,控制开关管的工作状态;电感L和电容 C 组成滤波电路,D为续流二极管。

- 当U_B 为高电平时,T 饱和导通,D因承受反压而截止,等效电路如图(b)所示,电流如图中所标注;电感L存储能量,电容 C充电;发射极电位U_E = U_I - U_CES ≈ U_I。
- 当U_B 为低电平时,T截止,此时虽然发射极电流为零,但是L 释放能量,其感应电动势使 D 导通,等效电路如图(c)所示;与此同时,C 放电,负载电流方向不变,u_E = - U_D ≈ 0。
T1导通时,根据KVL:
,即
,则
(1),
△t为T1导通时间,所以,△t = T_on = q * T
T1截止,根据KVL,忽略二极管压降:
,即
,△t为T1截止时间,故△t = (1-q)*T
所以
(2),
联立(1)(2)得,

根据上述分析,可以画出u_B、u_E、电感上的电压u_L和电流 i_L 以及输出电压u_o的波形,如图9.6.2 所示。
为使问题简单起见,图中将 i_L 折线化。在 u_B 的一个周期 T内,T_on 为调整管导通时间,T_off 为调整管截止时间,占空比 q=T_on / T。
在换能电路中,如果电感L数值太小,在 T_on 期间储能不足,那么在 T还未结束时,能量已放尽,将导致输出电压为零,出现台阶,这是绝对不允许的。
同时为了使输出电压的交流分量足够小,C的取值应足够大。
换言之,只有在L和 C 足够大时,输出电压 Uo 和负载电流 I_L 才为连续的,L和 C 愈大,Uo的波形愈平滑。由于输出电流 Io是 U_I 通过开关调整管 T 和 LC 滤波电路轮流提供,通常脉动成分比线性稳压电源要大一些,这是开关型稳压电路的缺点之一。
若将 u_E 视为直流分量和交流分量之和,则输出电压的平均值等于 u_E 的直流分量,即
可以写为 Uo = q * Ui
改变占空比 q,即可改变输出电压的大小。
2、并联开关型稳压电路(boost / 升压斩波电路)
串联开关型稳压电路调整管与负载串联,输出电压总是小于输入电压,故称为降压型稳压电路。
在实际应用中,还需要将输入直流电源经稳压电路转换成大于输入电压的稳定的输出申压,称为升压型稳压电路。
在这类电路中,开关管常与负载并联,故称之为并联开关型稳压电路;
它通过电感的储能作用,将感生电动势与输入电压相叠加后作用于负载,因而 Uo> Ui。
图 9.6.6(a)所示为并联开关型稳压电路中的换能电路,输入电压 Ui为直流供电电压,晶体管T为开关管,u_B为矩形波,电感L和电容 C 组成滤波电路,D为续流二极管。

T管的工作状态受u_B的控制。
当u_B为高电平时,T饱和导通,Ui通过T给电感 L充电储能,充电电流几乎线性增大;D因承受反压而截止;滤波电容 C 对负载电阻放电,等效电路如图(b)所示,各部分电流如图中所标注。
当u_B为低电平时,T截止,L产生感生电动势,其方向阻止电流的变化,因而与Ui同方向,两个电压相加后通过二极管 D对C充电,等效电路如图(c)所示。
因此,无论 T和 D的状态如何,负载电流方向始终不变。
根据上述分析,可以画出控制信号u_B、电感上的电压 u_L 和输出电压u_o的波形,如图 9.6.7 所示。
从波形分析可知,只有当L足够大时,才能升压;并且只有当C 足够大时,输出电压的脉动才可能足够小;当 u_B 的周期不变时,其占空比愈大,输出电压将愈高。
六、LDO和DCDC的差异
LDO 只能降压 LDO是low dropout regulator,意为低压差线性稳压器,是相对于传统的线性稳压器来说的。如78xx系列的芯片都要求输入电压要比输出电压高出2v~3V以上,否则就不能正常工作。但是在一些情况下,这样的条件显然是太苛刻了,如5v转3.3v,输入与输出的压差只有1.7v,显然是不满足条件的。针对这种情况,才有了LDO类的电源转换芯片。LDO的静态电流一般可以做到很小,如HT7550、7530,可以做到几个uA
DC-DC主要有buck(降压),boost(升压),buck-boost(升降压)三种(还有一些是从这3种演化来的)
LDO在效率方面有个问题,就是它的效率大约等于输出电压比输入电压,所以当输出电压和输入电压相差较大时,效率低。
而DC-DC的效率就比较高了。重载时可以到96%,轻载80%以上。
一般来说,LDO的纹波比DC-DC小。
如果是需要3.3V的电压,我用LDO 实现和用DCDC转换实现,有什么不同?
如上所述,用LDO的话,输入电压不能低于3.3V。而DC-DC要看你用什么结构了。
具体用LDO还是DC-DC,或者是两者结合使用,都是要看具体应用的。
就像手机的电源管理芯片,它里面是3种都用的(LDO,DC-DC,Charge pump),分别向不同的功能模块提供电压。

DC/DC和LDO区别及选型
在电子产品中,我们经常看到DC/DC、LDO的身影,它们有什么区别,在电子产品设计中该如何去选择及如何设计避免线路设计的缺陷?
DC/DC是将某一直流输入电压转换成另一直流输出电压,常见的有升压式(Boost)、降压式(Buck)、升降压式和反相结构。LDO是low dropout voltage regulator的缩写,就是低压差线性稳压器。它们都是将一种输入电压稳定到某一电压,LDO只能作为降压式输出。在电源芯片选取时主要关注一下参数:
1、输出电压。DC/DC输出电压可通过反馈电阻调节,LDO有固定输出和可调输出两种类型;
2、输入输出电压差。输入输出电压差是LDO重要参数,由LDO输出电流与输入电流相等,压差越小,芯片内部功耗越小,效率越高。
3、最大输出电流。LDO一般最大输出电流有几百mA,而DCDC最大输出电流有几A甚至更大。
4、输入电压。不同芯片对输入有不同的要求。
5、纹波/噪声。由DC/DC工作在开关状态导致其纹波/噪声要比LDO差,所以在设计时比较敏感的电路尽量选择LDO供电。
6、效率。如果输入输出电压接近,选择LDO比DC/DC相对效率高,若压差大,选择DC/DC高,因LDO输出电流与输入电流基本相等,压降太大,耗在LDO上能量太大,效率就不高。
7、成本、外围电路。LDO相对DCDC成本要低,外围电路要简单。
以上参数在产品设计时都需要首先关注的,以避免打样回来或后期出现产品不能正工作,不稳定、效率低等问题。在现实中有接触到产品设计时没有细看芯片规格书,选用的DC-DC作为一级稳压后再经LDO稳压给整个系统供电,DC-DC输入电压是由电池输入,DC-DC规格要求最小输入电压3.2V,而电池耗电最小约3.2V,造成有些产品出现在低电状态系统出现异常状况。
在选择DC-DC芯片时,要避免靠近敏感的弱信号,避免直接给这类电路直接供电。DC-DC工作的开关频率在设计时也是要考虑,避免出现开关频率直接或间接通过混频对信号干扰,在不确定下,最好把同步信号SYNC接由可控的PWM来调整工作在不同的开关频率下
思考题解答
学完本章你应该会的问题:
- 如何将 50 Hz、220 V 的交流电压变为 6 V 的直流电压?主要步骤是什么?
答:市电→变压→整流→滤波→稳压
- 220 V 的电网电压是稳定的吗?它的波动范围是多少? 220 V 交流电压经整流后是否输出 220 V 的直流电压?
答:会有±10%的波动,范围是220V * (1±10%),即198V~242V;整流后的输出电压有纹波(交流分量),需要滤波;且输出电压会降低,也会随电网输入电压和输出负载变化而变化,因为要想得到220V的直流电压,整流之后,除了要滤波外,还要加稳压(具有放大环节的线性稳压或并联开关稳压)
- 将市场销售的 6 V 直流电源接到收音机上,为什么有的声音清晰,有的含有交流声?
答:输出电压有纹波,另外不同收音机输出阻抗不一样,存在阻抗不匹配的问题;
- 对于同样标称输出电压为 6 V 的直流电源,在未接收音机时,为什么测量输出端子的电压,有的为 6 V,而有的为 7~8 V?用后者为收音机供电,会造成收音机损坏吗?
答:标称输出电压为 6 V 的直流电源应该是
- 要使一个有效值为 5 V的交流电压变为 6 V 直流电压是否可能?变为 10 V直流电压呢?
答:使用能升压的只能电源——具有放大环节的线性稳压或并联开关稳压电路
- 一个 3 V电池是否可以转换为 6 V 的直流电压?
答:可以。3V直流逆变为交流,再使经过整流并在稳压电路采用升压斩波电路
- 对于一般直流电源,若不慎将输出端短路,则一定会使电源损坏吗?线性电源和开关型电源有何区别?它们分别应用在什么场合为好?









