
无刷直流电机
无刷直流电机(Brushless Direct Current Motor,BLDCM)克服了有刷直流电机的缺点,用电子换向器取代了机械换向器,这使它既具有良好的调速性能,又具有交流电机结构简单、容易维护、无换向火花、效率高、噪音小等特点。它可以把输入的直流电源DC通过逆变器转换为交流电AC。若是设计出线路更简单、体积更小的无刷直流电机控制系统,将更利于设计其他功能性外围电路,降低生产成本,提高产品竞争力。
2014年Duan LiNan在核心期刊《微电机》上介绍了一种用DSP芯片控制无刷直流电机的系统。系统中用DSP芯片的事件管理器的比较模块产生六路控制信号,其捕获模块会获取转子位置信息,在通过霍尔传感器来控制电机换相。整个系统电路设计简化,减少系统体积,提高了系统的可靠性。
无刷直流电机控制电路设计

【系统设计框图】
系统主要元器件参数选择:
- l DSP控制芯片:TMS320F2812
- l 小功率无刷直流电机:24V/60W
- l 光耦合器:6N137(用于单通道的高速光耦合器)
- l PWM频率选择:13.4Hz

【无刷直流电机驱动主电路】
主电路是三相全桥逆变电路,为了保证电路的简洁,mosfet场效应管选择由PMOS管和NMOS管配合使用。该电路上桥臂用P沟道场效应管IRF9540N组成,也可用VBsemi微碧的VBZE40P10完美替代;
下桥壁用N沟道场效应管IRF540组成,也可选用VBsemi微碧的VBM1104N型号的MOS管完美替代。
上桥臂可选用的VBsemi微碧p沟道MOSFET晶体管型号:
①VBE2104N
②VBZE40P10
③VBM2104N
④VBMB2104N

【可选用VBsemi微碧公司PMOS管】
下桥臂可选用的VBsemi微碧N沟道MOSFET晶体管型号:
①VBL1104N
②VBM1104N
③VBM1102N
④VBZE30N10
⑤VBZM3710
⑥VBZE4286

【可选用VBsemi微碧公司NMOS管】
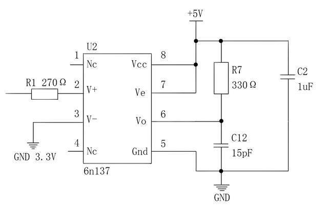
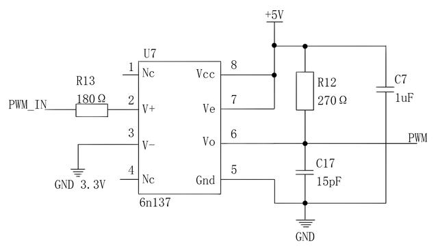
本系统选用了 TMS320F2812 DSP 作主控芯片,由于TMS320F2812 DSP芯片输出的 PWM 触发信号强度不足以驱动功率MOS管的导通,因此在触发控制信号和功率管栅极之间需要另外加入功率驱动电路,本系统采用 6N137 光耦合器使控制部分和功率部分隔离,以下是两个部分的光耦结构。

【一路信号光耦隔离电路】

【PWM信号光耦隔离电路】
该系统的设计方案经试验证明是可行的,配合上其他外围功能电路,将可更优的控制无刷直流电机。
微碧半导体MOS管封装及应用
微碧半导体企业主要产品的封装有:SOP-8 、TO-220(F)、TO-263、TO-247、TO-252、TO-251、SOT-23、SOT-223、SOT-89、QFN、AO3400等系列封装产线。

【微碧部分MOS管产品封装】
广泛应用于3C数码、安防设备、测量仪器、广电教育、家用电器、军工/航天、可穿戴设备、汽车电子、网络通信、物联网IoT、新能源、医疗电子、照明电子、智能家居、电脑主板显卡、MIDUMPC 、GPS、蓝牙耳机、PDVD、车载DVD、汽车音箱、液晶显示器、移动电源、手机电池(锂电池保护板)、LED电源等产品。微碧半导体有限公司以饱满的激情,拼搏务实的干劲,不断创新进取,致力于为客户群体打造出一座高效、便捷、直通、优质的服务桥梁。
参考文献
[1]童宏伟,张莉萍,申景双,解大,陈宇晨.基于STM32的无刷直流电机控制系统[J].传感器与微系统,2019,38(07):79-81.
[2]段丽娜,赵金.基于DSP的无刷直流电机控制系统的研究[J].微电机,2014,47(03):60-63+68.
[3]吴红星,叶宇骄,倪天,郭庆波.无刷直流电机转子位置检测技术综述[J].微电机,2011,44(08):75-81.
[4]叶美桃.直流无刷电动机原理及其在汽车中的应用[J].机械管理开发,2008(02):90-91+93.
往期部分MOSFET场效应管产品应用方案
锂电池无线充电功放电路中MOS管的应用选择
电动汽车直流充电桩电源电路中大功率mos管的应用选择
太阳能LED照明系统优化后各电路中MOS管的应用选择
电动自行车无刷直流机控制器中的MOS管选择应用
MOS管在医用控温毯控制系统驱动电路设计中的应用
一种无线传感器网络中小功率太阳能电源管理电路MOS管应用方案
大功率LED驱动电源设计中MOS管应用