描述
单片机8255型号大全(工作字的选择,单片机连接,初始化程序分析):工作字该如何选择?
1. 工作方式的控制字
例:设8255A的控制端口地址为00E6H,要把A口指定为方式1输入,C口上半部定为输出,B口指定为方式0输出, C口下半部定为输入,则方式控制字应是:10110001B或BIH。
若将此控制字的内容写入8255A的控制寄存器,即实现了对8255A工作方式的指定(或者说完成了对8255A的初始化) ,初始化的程序段为:

MOV DX, 00E6H ;控制端口地址00E6H
MOV AL, 0BIH ;方式控制字
OUT DX, AL ;送控制端口。
2. C口的位控字

8255A的C口具有位控功能,即允许CPU用输出指令单独对C口的某一位写“1”或“0”,C口的位控字的格式 如图所示。这是通过向8255A的控制寄存器写入(注意不是直接对C口写入)一个位控字来实现的。最高位 D7必须为“0”是 C口置位/复位控制字的特征位。D0位决定了是置“1”还是置“0”操作;D3~D1位决定了 对C口中的哪一位进行操作。
单片机8255型号大全(工作字的选择,单片机连接,初始化程序分析):单片机连接方法:
就我们平时所用到8255的功能,本人认为很简单!!
为什么这么说呢?
其实我只是把8255看成一个139译码器(2-4),CS为片选,A0,A1分别选中PA,PB,PC,D口(控制寄存器),唯一不同的是可以通过D口控制PA,PB,PC的工作方式。先来看看8255的引脚图 http://www.51hei.com/chip/161.html
首先CS=0,即P25=0,然后就是通过P21,P22分别选中几个口。所以PA的地址可以0000-D9FF
同理PB:DBFF,PC:DDFF,CON:DFFF。
通过配置D口来控制P口的功能,不管三七二十一,都配置成输出就可以(方式一)。
#include 《absacc.h》
#define a8255_PA XBYTE[0xD1FF] /*PA口地址*/
#define a8255_PB XBYTE[0xD2FF] /*PB口地址*/
#define a8255_PC XBYTE[0xDDFF] /*PC口地址*/
#define a8255_CON XBYTE[0xDFFF] /*控制字地址*/
a8255_CON=0x81;
以上是例子的程序里面配置的,由于开始没有看到这个头文件,看到这程序感觉有点懵,后面我看了头文件的东西,哈哈,原来是这么回事啊!当然他头文件里面有很多东西,其实只有只一句起作用:#define XBYTE ((unsigned char volatile xdata *) 0)
幸亏看ARM的时候见过这东西,不然真的不知道怎么办了!!!!
#define XBYTE ((unsigned char volatile xdata *) 0)
定义 :XBYTE 为 指向 外部 地址空间

unsigned char 数据类型的指针,指针值为0(我也不知道为什么为char型)
至于 volatile的作用就是让编译器不至于优化掉它的操作(不是特别理解)
这样,可以直接用XBYTE[0xnnnn]或*(XBYTE+0xnnnn)访问外部RAM了。
所以我们用8255的时候可以不用头文件。
#define XBYTE ((unsigned char volatile xdata *) 0)
#define a8255_PA XBYTE[0xD1FF] /*PA口地址*/
#define a8255_PB XBYTE[0xD2FF] /*PB口地址*/
#define a8255_PC XBYTE[0xDDFF] /*PC口地址*/
#define a8255_CON XBYTE[0xDFFF] /*控制字地址*/
只要把上面五行代码拷贝进去就行了!unsigned char 数据类型的指针,指针值为0(我也不知道为什么为char型)
这是c语言中的强制转换,转换成什么类型根据要转换成的目标的单位长度,单片机是8位的,都是以字节为单位,所以转换成char。在arm中,一般就要转成unsigned int(4字节)。当然,如果操作的外设的数据宽度是16bits,就要转换成unsigned short

单片机8255型号大全(工作字的选择,单片机连接,初始化程序分析):初始化程序分析:
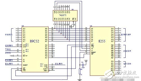
1、地址确定因为A10A9A8A7A6A5A4A3=01010011,A2A1=11为控制字端口,A2A1=10为C口,A2A1=01为B口,A2A1=00为A口,A0为0,所以8255A地址范围为24CH~24FH。
2、控制字确定因为A口为方式0输出,B口为方式0输入,所以控制字为10000010B=82H3、初始化程序MOV AL,82HMOV DX,24FHOUT DX,AL附8255知识:8255是微机并行接口芯片。8255是可编程I/O口扩展芯片。对8255输入不同的指令可改变I/O口的工作方式。8255与单片机系统连接方式简单,工作方式由程序设定,图2为8255的引脚图。8255内部有4个寄存器:分别为寄存器A、B、C和控制寄存器。A、B、C寄存器的数据就是引脚PA7~PA0、PB7~PB0、 PC7~PC0上输入或输出的数据。而控制寄存器的数据则表明PA、PB、PC的工作方式。通过CS、A0、A1、RD和WR对4个寄存器进行操作。1)CS为低电平时选通8255;2)A1、A0为地址选通;3)RD和WR为读、写信号:RD为低、WR为高时为读方式,RD为高、WR为低时为写方式。4)D0~D7为数据口。向控制寄存器写入不同的数据可以使8255工作在三种不同的方式下。这里只介绍应用最多的方式0。方式0下8255的PA、PB及PC口上半部分(PC7~PC4)和下半部分(PC3~PC0)中任何一个端口都可以设定为输入或输出,PC口还可以进行位操作。控制寄存器各位的含义如图3所示。 SLPC-24中8255工作在方式0。PA、PB为输入口、PC为输出口,对控制寄存器写入的数据为10010010B,即92H。

打开APP阅读更多精彩内容
点击阅读全文