1. 上网查找海明检验码(又称汉明校验码)的编码原理,举例说明它是如何发现错误和纠正错误的。
海明码的编码原理
海明码——一种很有效的校验方法,是只要增加少数几个校验位,就能检测出二位同时出错、亦能检测出一位出错并能自动恢复该出错位的正确值的有效手段(自动纠错)。它的实现原理,是在n个数据位之外加上k个校验位,从而形成一个k+n位的新的码字。把数据的每一个二进制位分配在几个不同的偶校验位的组合中,当某一位出错后,就会引起相关的几个校验位的值发生变化。
海明码公式:2k-1≥ k +n
这个式子的意思是:假设为n个数据位设置k个校验位,则校验位能表示2k个状态,用来校验错误的数字个数(2k -1)要大于等于数据位数(n)和校验位数(k)的和。显然在2k中我们要留出一个数表示数据正确,所以我们用2k-1来代表出错的位数。
海明校验码设计思路:
1.将信息位分k(k为正整数)组进行偶校验,那么就得出k个校验位
2.且每个校验位都标注着是否出错和出错的位置
那么问题来了,应该分成几组呢?
1.假设信息位有n位,校验位有k位,
2.那么k个校验位就可以表示2^k种状态,
3.信息位+校验位共n+k位,且每一位都可能会出错,这就说明出错的状态会有n+k种,所以就能得出2^k >= n + k,
4.但是还有一种传输正确时的状态,所以最终为:2^k >= (n + k) + 1,
5.代入式子,就能求出校验位k的值,k为多少就表示分成几组。
海明校验码求解步骤:

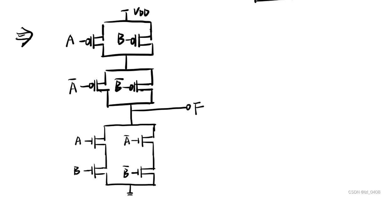
2. 直接用晶体管而不是逻辑门实现异或门,并解释这个电路是如何工作的。




版权声明:本文为a45667原创文章,遵循CC 4.0 BY-SA版权协议,转载请附上原文出处链接和本声明。