锁相环
原理
众所周知,三相电的锁相环只需要进行Clark变换和Park变换得到dq分量,进行PI运算就可以轻松的完成锁相,这里就不简述Clark变换和Park变换了,网上一搜一大把资料,在此简单阐述
锁相环的原理:
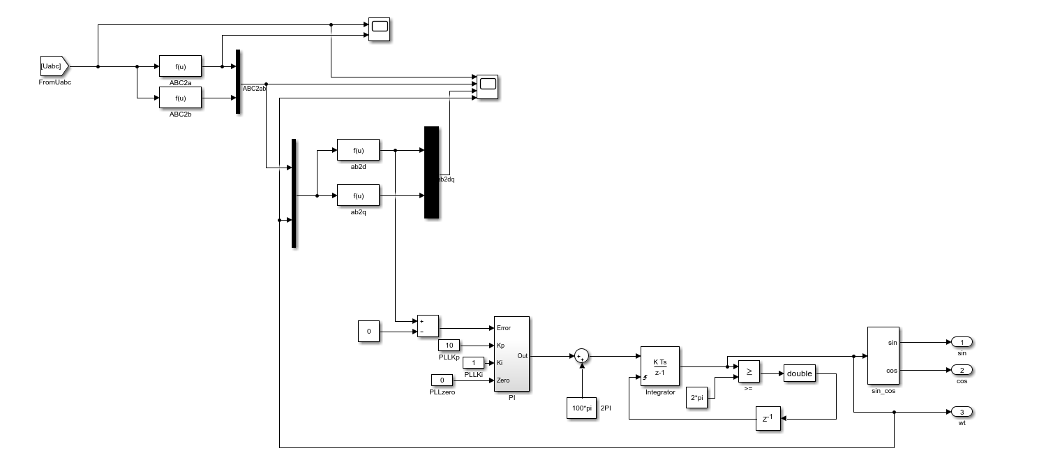
锁相环就是讲ABC三相通过clark变换和Park变换转换成dq分量,通过dq来进行锁相,锁相环框图如下
clark变换:将abc 变换到 静止 的αβ 坐标系下。
设ABC三相电压为:
通过U=x+ac+a^c变换合成矢量为

如图所示,将它们投影到αβ轴上,有
Clark transformation 3s−2s(仅考虑三相三线制情形,零序分量被忽略,详细推导可参考陈伯时《电力拖动自动控制系统-运动控制系统》第三版 P263)

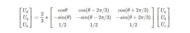
Park变换:将abc 变换到 旋转 的 dq 坐标系下

clark变换到park变换
变换矩阵为
仿真

源码
主要代码
//
// Included Files
//
#include <math.h>
#include "Interrupt.h"
/* ABC电压值变量定义 */
FLOAT32 g_f32Ua;
FLOAT32 g_f32Ub;
FLOAT32 g_f32Uc;
typedef struct STRUCT_SPLL
{
/* input data */
FLOAT32 g_f32VoltD;
FLOAT32 g_f32VoltQ;
FLOAT32 g_f32Theta;
/* output data */
FLOAT32 g_f32SinWT;
FLOAT32 g_f32CosWT;
/* parameter */
FLOAT32 g_f32VoltAlpha;
FLOAT32 g_f32VoltBeta;
PI_CONTROL_STRUCT PllLoop;
}ST_SPLL;
/* 锁相环PI控制 */
#define PLL_MAX_OUT 2000
#define PLL_MIN_OUT -2000
#define PLL_KP 48.0 * 2.0//12 // 0.3
#define PLL_KI 0.1 * 2.0//0.04 // 0.001
ST_SPLL g_stSpll = {0};
UINT16 g_u16VoltageIndex = 0;
UINT16 g_u16SendFlag = 0;
FLOAT32 g_f32VoltageSample[3] = {0};
void ISR_APP_ThreePhaseSPLL(ST_SPLL *t_spll, const FLOAT32 *VABC, UINT32 Ts);
//中断频率50k
#pragma CODE_SECTION(ISR_InterruptTask, ".TI.ramfunc");
__interrupt void ISR_InterruptTask(void)
{
g_u16VoltageIndex++;
if(g_u16VoltageIndex > 1000)
g_u16VoltageIndex = 0;
g_f32VoltageSample[0] = sinf(2 * M_PI * 100 / 1000 * g_u16VoltageIndex);//模拟输出A相电压,可由adc采样值替换
g_f32VoltageSample[1] = sinf(2 * M_PI * 100 / 1000 * g_u16VoltageIndex - 2*M_PI/3.0f);//模拟输出B相电压
g_f32VoltageSample[2] = sinf(2 * M_PI * 100 / 1000 * g_u16VoltageIndex + 2*M_PI/3.0f);//模拟输出C相电压
g_f32Ua = g_f32VoltageSample[0];
g_f32Ub = g_f32VoltageSample[1];
g_f32Uc = g_f32VoltageSample[2];
ISR_APP_ThreePhaseSPLL(&g_stSpll, g_f32VoltageSample, 1000);//锁相环函数
}
void APP_InitSpll(ST_SPLL *t_spll)
{
t_spll->g_f32VoltD = 0;
t_spll->g_f32VoltQ = 0;
t_spll->g_f32Theta = 0;
/* output data */
t_spll->g_f32SinWT = 0;
t_spll->g_f32CosWT = 0;
/* parameter */
t_spll->g_f32VoltAlpha = 0;
t_spll->g_f32VoltBeta = 0;
t_spll->PllLoop.m_u16CtrFlg = INCREMENTAL_CONTROL; /* 增量式PI控制标志 */
t_spll->PllLoop.m_f32Ref = 0; /* 给定 */
t_spll->PllLoop.m_f32Fed = 0; /* 反馈 */
t_spll->PllLoop.m_f32Err = 0; /* 误差 */
t_spll->PllLoop.m_f32ErrPre = 0; /* 前拍误差 */
t_spll->PllLoop.m_f32Kp = PLL_KP; /* 比例参数 */
t_spll->PllLoop.m_f32Ki = PLL_KI; /* 积分参数 */
t_spll->PllLoop.m_f32Acc = 0; /* 积分累加 */
t_spll->PllLoop.m_f32LoopOut = 0; /* 输出 */
t_spll->PllLoop.m_f32KiMaxACC = PLL_MAX_OUT; /* 积分累加最大限幅 */
t_spll->PllLoop.m_f32KiMinACC = PLL_MIN_OUT; /* 积分累加最小限幅 */
t_spll->PllLoop.m_f32MaxOutput = PLL_MAX_OUT; /* 输出最大限幅 */
t_spll->PllLoop.m_f32MinOutput = PLL_MIN_OUT; /* 输出最小限幅 */
}
#pragma CODE_SECTION(ISR_APP_ABC2ab, ".TI.ramfunc");
void ISR_APP_ThreePhaseSPLL(ST_SPLL *t_spll, const FLOAT32 *VABC, UINT32 Ts)
{
FLOAT32 t_f32TempValue = 0;
t_spll->g_f32VoltAlpha = 0.6666667f * (VABC[0]-(0.5f*VABC[1])-(0.5*VABC[2]));//Clark变换
t_spll->g_f32VoltBeta = 0.6666667f*(((sqrtf(3)/2)*VABC[1])-((sqrtf(3)/2)*VABC[2]));
#if 0 //开环
theta = 2 * M_PI * 50;
#endif
//Park变换
t_spll->g_f32VoltD = t_spll->g_f32CosWT * t_spll->g_f32VoltAlpha + t_spll->g_f32SinWT * t_spll->g_f32VoltBeta;
t_spll->g_f32VoltQ = -t_spll->g_f32SinWT * t_spll->g_f32VoltAlpha + t_spll->g_f32CosWT * t_spll->g_f32VoltBeta;
//锁相环环路计算
t_spll->PllLoop.m_f32Ref = t_spll->g_f32VoltD;//0;
t_spll->PllLoop.m_f32Fed = 0;//t_spll->g_f32VoltD;
t_spll->PllLoop.m_f32Err = t_spll->PllLoop.m_f32Ref - t_spll->PllLoop.m_f32Fed;
t_f32TempValue = t_spll->PllLoop.m_f32Ki * t_spll->PllLoop.m_f32Err; /* 积分计算 */
t_f32TempValue += t_spll->PllLoop.m_f32Kp * (t_spll->PllLoop.m_f32Err - t_spll->PllLoop.m_f32ErrPre); /* 比例计算 */
t_spll->PllLoop.m_f32LoopOut += t_f32TempValue;/* 增量运算 */
t_spll->PllLoop.m_f32ErrPre = t_spll->PllLoop.m_f32Err;
if (t_spll->PllLoop.m_f32LoopOut > t_spll->PllLoop.m_f32MaxOutput) /* 输出限幅 */
{
t_spll->PllLoop.m_f32LoopOut = t_spll->PllLoop.m_f32MaxOutput;
}
if (t_spll->PllLoop.m_f32LoopOut < t_spll->PllLoop.m_f32MinOutput)
{
t_spll->PllLoop.m_f32LoopOut = t_spll->PllLoop.m_f32MinOutput;
}
t_spll->g_f32Theta += (t_spll->PllLoop.m_f32LoopOut / Ts);//环路输出即为w,需要t积分
if(t_spll->g_f32Theta > (2 * M_PI))
{
t_spll->g_f32Theta = t_spll->g_f32Theta - (2 * M_PI);
}
if(t_spll->g_f32Theta < 0)
{
t_spll->g_f32Theta = t_spll->g_f32Theta + (2 * M_PI);
}
t_spll->g_f32SinWT = sinf(t_spll->g_f32Theta);
t_spll->g_f32CosWT = cosf(t_spll->g_f32Theta);
}
//
// End of File
//
版权声明:本文为u010109760原创文章,遵循CC 4.0 BY-SA版权协议,转载请附上原文出处链接和本声明。