基于STM32的定时器方法输出PWM波形
一、PWM相关
1. PWM简介
PWM是Pulse Width Modulation 的缩写,中文意思就是脉冲宽度调制,简称脉宽调制。它是利用微处理器的数字输出来对模拟电路进行控 制的一种非常有效的技术,其控制简单、灵活和动态响应好等优点而成 为电力电子技术最广泛应用的控制方式,其应用领域包括测量,通信, 功率控制与变换,电动机控制、伺服控制、调光、开关电源,甚至某些 音频放大器,因此学习PWM具有十分重要的现实意义。 其实我们也可以这样理解,PWM是一种对模拟信号电平进行数字编码的方法。通过高分辨率计数器的使用,方波的占空比被调制用来对一个 具体模拟信号的电平进行编码。PWM 信号仍然是数字的,因为在给定的 任何时刻,满幅值的直流供电要么完全有(ON),要么完全无(OFF)。电压 或电流源是以一种通(ON)或断(OFF)的重复脉冲序列被加到模拟负载上去 的。通的时候即是直流供电被加到负载上的时候,断的时候即是供电被 断开的时候。只要带宽足够,任何模拟值都可以使用 PWM 进行编码。

2. STM32F1 PWM介绍
STM32F1除了基本定时器TIM6和TIM7,其他定时器都可以产生PWM输出 。其中高级定时器 TIM1 和 TIM8 可以同时产生多达 7 路的 PWM 输出 。而通用定时器也能同时产生多达 4路的 PWM 输出,这些在定时器中断 章节中已经介绍过。PWM的输出其实就是对外输出脉宽可调(即占空比调节)的方波信号 ,信号频率是由自动重装寄存器 ARR 的值决定,占空比由比较寄存器 CCR 的值决定。
PWM输出比较模式总共有8种,具体由寄存器 CCMRx 的位 OCxM[2:0] 配置。我们这里只讲解最常用的两种PWM输出模式:PWM1和PWM2.其他几 种模式可以参考《STM32F10x中文参考手册》13、14、15定时器章节。
PWM1和PWM2这两种模式用法差不多,区别之处就是输出电平的极性不 同。
PWM模式根据计数器CNT计数方式,可分为边沿对齐模式和中心对齐模式
(1)PWM边沿对齐模式
当 TIMx_CR1 寄存器中的 DIR 位为低时执行递增计数,计数器CNT从 0 计数到自动重载值(TIMx_ARR 寄存器的内容),然后重新从 0 开始 计数并生成计数器上溢事件。 以 PWM 模式 1 为例。只要TIMx_CNT < TIMx_CCRx, PWM 参考信号 OCxREF 便为有效的高电平,否则为无效的低电平。如果 TIMx_CCRx 中 的比较值小于自动重载值(TIMx_ARR 中),则 OCxREF 保持为“ 1”。 如果比较值为 0, 则 OCxREF 保持为“ 0”。
当 TIMx_CR1 寄存器中的 DIR 位为高时执行递减计数,计数器CNT从 自动重载值(TIMx_ARR 寄存器的内容)递减计数到0,然后重新从 TIMx_ARR值开始计数并生成计数器下溢事件。 以 PWM 模式 1 为例。只要TIMx_CNT >TIMx_CCRx, PWM 参考信号 OCxREF 便为无效的低电平,否则为有效的高电平。如果 TIMx_CCRx 中 的比较值大于自动重载值(TIMx_ARR 中),则 OCxREF 保持为“ 1”。 此模式下不能产生0%的PWM波形。

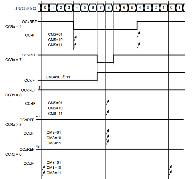
(2)PWM中心对齐模式
在中心对齐模式下,计数器 CNT 是工作做递增/递减模式下。开始的 时候, 计数器CNT 从 0 开始计数到自动重载值减 1(ARR-1),生成计数 器上溢事件;然后从自动重载值开始向下计数到 1 并生成计数器下溢事 件。之后从 0 开始重新计数。
我们以ARR=8,CCRx=4为例进行介绍。第一阶段计数器CNT工作在递增 计数方式,从0开始计数,当TIMx_CNT < TIMx_CCRx时,PWM 参考信号 OCxREF为高电平,当TIMx_CNT >= TIMx_CCRx时,PWM 参考信号 OCxREF 为低电平。第二阶段计数器CNT工作在递减计数方式,从ARR开始递减计 数,当TIMx_CNT > TIMx_CCRx时,PWM 参考信号 OCxREF为低电平,当 TIMx_CNT <= TIMx_CCRx时,PWM 参考信号 OCxREF为高电平。

二、实验代码运行
1.实验准备
这里我们进行STM32F103输出一路PWM波形的实验,是采用定时器TIM的方法。因此本次实验的代码我们可以参考野火官房资料中TIM定时器部分的代码,其中就有本次实验的源码。
这些资料在官方中都有,如图采用的是4路PWM输出。
2. 代码运行


如图,我们可以看到我们的代码编译是没有问题的,然后我们需要进行的是调试了
点击上图的按钮我们就可以进入到如下界面
点亮图中画横线的按钮可以看到波形仿真界面。
三、PWM波形显示
在波形显示前需要进行一些配置
图中的第2~3步具体的端口可以看代码中有介绍
如图在文件README中有相关的介绍。
点击运行,再点红色的stop

如图我们可以看到输出的PWM波形了。
示波器显示
总结
这次我们完成了利用定时器STM32的PWM波形的输出,从实验中我们了解到PWM实际上就是利用脉冲宽度调制(PWM)和数模/模数转换原理,同时通过硬件设备能够将波形输出。收获很多。
