【前驱知识–主存储器扩展】
主存储器表达方法:字线(地址线) × 位线(数据线)
*CS片选信号线、WE读写控制信号线、A地址线、D数据线。
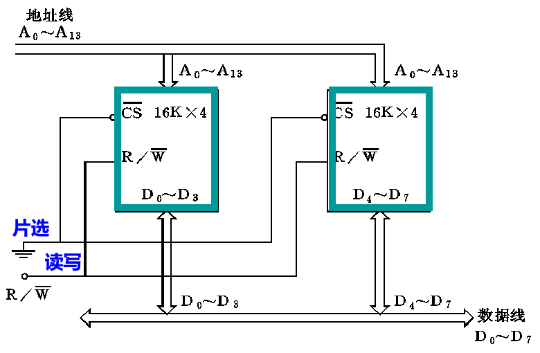
位扩展(数据线扩充)
例如:两片16K×4 扩充到 16K×8。
计算地址线数目,遇K取10(遇M取20),16为2的4次方,10+4=14条地址线。将 两个芯片的14条地址线两两分别并在一起,两条片选信号线、两条读写信号线分别两两并一起;两芯片各4条数据线,按顺序接到D0-D3 和 D4-D7。
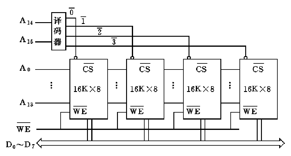
字扩展(地址线扩充)
例如:四片16K × 8 扩充到 64K × 8。
四片地址线 各14条: 所有A0并连在一起… …所有A13并连在一起
四片数据线各8条:所有D0并连在一起… …所有D7并连在一起
四片读写信号线各1条:全部并连在一起,共享一条。
四片片选信号线各1条:由扩展出的高位地址线 A14、A15,通过译码产生4个片选信号。
片选信号相当于班号,来区分相同芯片的地址,在地址前加上由CPU多出来的地址线译码出来的信号就可完成字扩展。位字扩展(先位后字)
1)字、位同时扩展时:先位扩展,后字扩展。
2)各芯片的片选信号线:并联(位扩展),分开(字扩展)
3)各芯片的片内地址线:条条相并联。
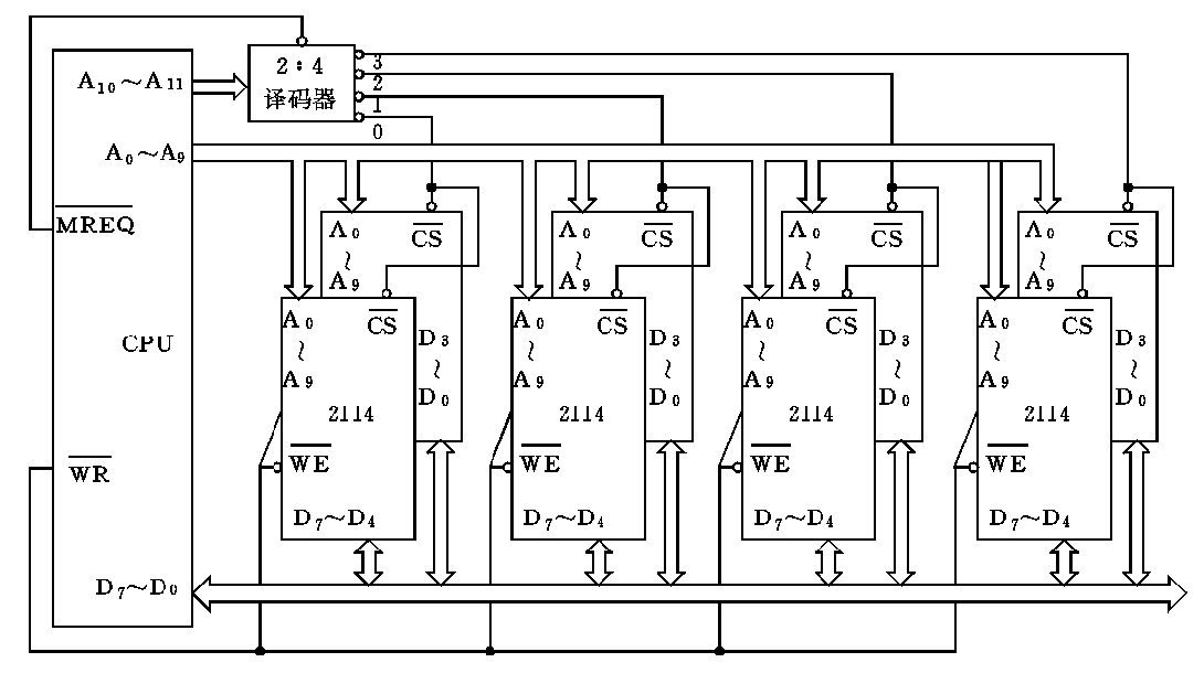
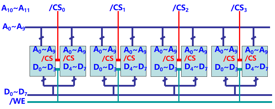
例如:现有芯片Intel2114 1K×4,扩展成 4 K×8 的存储器。
地址线12条,数据线8条。
两个高位地址线,用来译码形成4个片选信号。
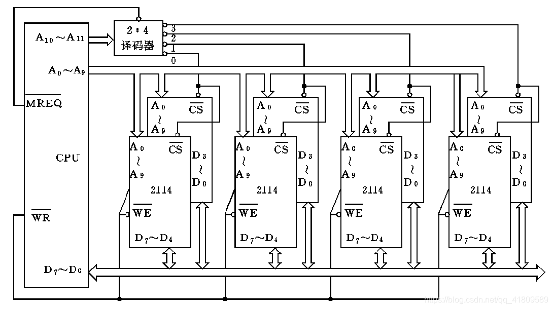
【主存信号线与CPU的连接】

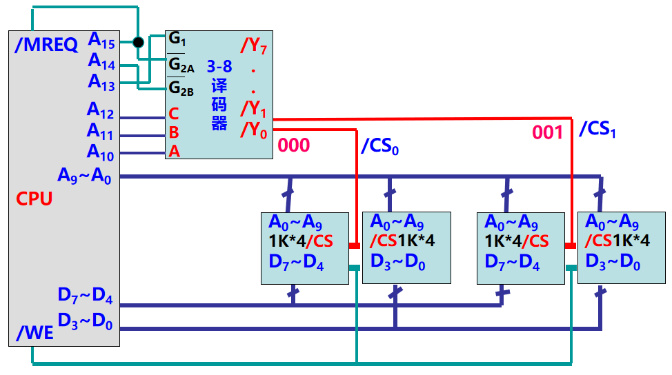
【例题1】

下面这个图非常重要,八种输入输出表明了八种情况,每一种情况都对应一个Y为0,其它Y都为1的结果,而CS为0的时候被选中,就决定了在ABC输出一种信号时,该用第几个Y连到CS上,一定要好好理解。注意一点,并不一定所有Y都用,也不一定从Y0开始连线。
开始画图,开始画图,开始画图
先画出四个芯片
再把CPU简单画一下,把芯片简单连一下
再简单按照模板把CPU和芯片连线完善一下,把3-8译码器亮出来。两个芯片为一个整体时,只要一个读写和一个片选即可,故要把两个芯片连接起来。
根据题中的地址范围,算出A13、A14、A15哪个是0,哪个是1,根据上面提到过的,G1接1,G2A和G2B接0。

对照上面的范围,可以知道A13为1,高电平,所以A13接G1,/MREQ和低电平连一起接G2A和G2B均可。A10,A11,A所对应产生的值在图中可以看出只有000和001两种片选信号,对照上面八种输入输出的表,CS为0的时候表示被选中,在表中看出,000时Y0为0,001时Y1为0,故只输出两根线Y0,Y1即可。
【例题2】
图解:
解析:大部分流程和例题1一样,这里只说一下不同点。
这玩意儿是电路中的一个常用元件,有两个信号输入端,一个输出端,那个三个小圆是取反的元件,大的东西是进行两输入相与,即一个为0结果为0,均为1结果才为1。
由上面计算出地址可知,A11A12A13输出只有100和101,对照八个输入输出那个表,100时只有Y4为0,其它都是1,101时只有Y5为0,其它都是1,又因为输出0时CS接受到0表示被选中,则Y4和Y5分别输出片选信号,Y4直接连到第一个芯片上。那为啥Y5不能直接接过去呢?可以知道题中RAM是ROM的一半大小,如果直接用的话当地址一直增加,直到A10变成1时,还要对RAM进行访存,可它已经没有那么大的地方了,就会出现地址溢出,故用A10来控制那一位数,不让它变成1,就可以控制好地址范围了。图解中的意思是,当Y5输出0,且A10一直不变成1时,可以对RAM进行访存,既控制了地址大小,又不影响Y5输出0时CS的正常接收为0的信号。
到此,CPU与主存及3-8译码器之间信号线的连接就已经结束了,不过这种问题还有好多种情况,要灵活变换,只要理解清楚两种扩展和3-8译码器的用法以及一些其他的基本知识,就能很熟练地解决这种题。以上只是个人理解,有什么不对的地方希望大家大方赐教。