一、常用存储器介绍
1、存储器的种类
存储器的种类:存储器是计算机结构的重要组成部分。存储器是用来存储程序代码和数据的部件,有了存储器计算机才具有记忆功能
2、RAM存储器
RAM:RAM是“Random Access
Memory”的缩写,被译为随机存储器。所谓“随机存取”,指的是当存储器中的消息被读取或写入时,所需要的时间与这段信息所在的位置无关。这个词的由来是因为早期计算机曾使用磁鼓作为存储器,磁鼓是顺序读写设备,而RAM可随读取其内部任意地址的数据,时间都是相同的,因此得名。实际上现在RAM已经专门用于指代作为计算机内存的易失性半导体存储器。
根据RAM的存储机制,又分为动态随机存储器DRAM(Dynamic RAM)以及静态随机存储器SRAM(Static RAM)两种。

2.1、DRAM的存储器
DRAM的存储单元结构:
动态随机存储器DRAM(Dynamic RAM)动态刷新
动态随机存储器 DRAM的存储单元以电容的电荷来表示数据,有电荷代表 1,无电荷代表 0,,代表 1 的电容会放电,代表 0的电容会吸收电荷,因此它需要定期刷新操作,这就是“动态(Dynamic)”
DRAM以电容的电荷来表示数据同步和异步DRAM:
根据 DRAM的通讯方式,又分为同步和异步两种,这两种方式根据通讯时是否需要使用时钟信号来区分。
由于使用时钟同步的通讯速度更快,所以同步 DRAM 使用更为广泛,这种 DRAM 被称为SDRAM(Synchronous DRAM)。 常见的DRAN大多是SDRAM
同步通信时序图DDR SDRAM
为了进一步提高 SDRAM的通讯速度,人们设计了 DDR SDRAM (Double DataRate SDRAM)存储器。DDR SDRAM在时钟的上升沿及下降沿各表示一个数据,也就是说在 1 个时钟周期内可以表示 2数据,在时钟频率同样的情况下,提高了一倍的速度
DDRII和 DDRIII,它们的通讯方式并没有区别主要是通讯同步时钟的频率提高了。
2.2、SRAM的存储器
SRAM的存储单元结构
静态随机存储器 SRAM的存储单元以锁存器来存储数据,见图 。这种电路结构不需要定时刷新充电,就能保持状态(当然,如果断电了,数据还是会丢失的),所以这种存储器被称为“静态(Static)”RAM。
同样地,SRAM 根据其通讯方式也分为同步SRAM和异步 SRAM,相对来说,异步SRAM用得较多。
SRAM以锁存器来存储数据
2.3、DRAM与SRAM的应用场合
DRAM和SRAM的特性对比:
注:所以在实际应用场合中,SRAM 一般只用于 CPU 内部的高速缓存(Cache),而外部扩展的内存一般使用 DRAM。
3、非易失性存储器
非易失性存储器种类非常多,半导体类的有 ROM 和 FLASH,而其它的则包括光盘、软盘及机械硬盘。
- ROM存储器
ROM是“Read Only Memory”的缩写,意为只能读的存储器。由于技术的发展,后来设计出了可以方便写入数据的ROM,而这个“Read Only Memory”的名称被沿用下来了,现在一般用于指代非易失性半导体存储器,包括后面介绍的FLASH存储器,有些人也把它归到ROM类里边。
- FLASH存储器
FLASH存储器又称为闪存,它也是可重复擦写的储器,部分书籍会把FLASH存储器称为FLASH ROM,但它的容量一般比EEPROM大得多,且在擦除时,一般以多个字节为单位。
根据存储单元电路的不同,FLASH存储器又分为NOR FLASH和NAND FLASH
二、SRAM控制原理
1、SRAM简介
- STM32与SRAM:
STM32控制器芯片内部有一定大小的SRAM及FLASH作为内存和程序存储空间,但当程序较大,内存和程序空间不足时,就需要在STM32芯片的外部扩展存储器了。STM32F407系列芯片可以扩展外部SRAM用作内存。
给STM32芯片扩展内存与给PC扩展内存的原理是一样的,只是PC上一般以内存条的形式扩展,而且内存条实质是由多个内存颗粒(即SDRAM芯片)组成的通用标准模块,而STM32扩展时,直接与SRAM芯片连接。
- IS61LV25616SRAM外观:

IS61LV25616的特点:
高速访问时间:8,10,12,15ns
容量:256K * 16bit
2、SRAM内部框图分析

1、地址数据接口 2、存储矩阵 3、控制电路
2.1、SRAM信号线

SRAM的控制比较简单,只要控制信号线使能了访问,从地址线输入要访问的地址,即可从I/O数据线写入或读出数据。
2.2、SRAM的存储矩阵
- SRAM存储矩阵
SRAM内部包含的存储阵列,可以把它理解成一张表格,数据就填在这张表格上。和表格查找一样,指定一个行地址和列地址,就可以精确地找到目标单元格而这样的表则被称为存储矩阵。 - 数据访问
当选中一个数据单元后,可以通过UB#或 LB#其中一个设置为低电平,I/O会对应输出该地址的高 8位和低 8位数据,因此它们被称为数据掩码信号。
2.3、SRAM的控制电路
控制电路主要包含了片选、读写使能以及上面提到的宽度控制信号UB#和LB#。利用CE#片选信号,可以把多个SRAM芯片组成一个大容量的内存条。OE#和WE#可以控制读写使能,防止误操作。
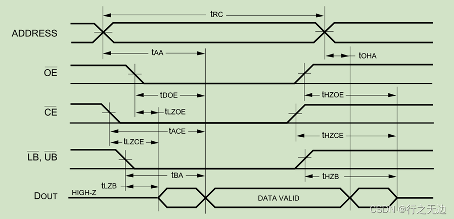
2.4、SRAM的读时序

重点时序:
- 读周期时间(tRC)
- 地址建立时间(tAA)
- OE建立时间(tDOE)
2.5、SRAM的写时序

重点时序:
- 写周期时间(tWC)
- 地址建立时间(tSA)
- WE脉宽(tPWE)
3、SRAM的读写流程
- 读写时序的流程很类似,过程如下:
(1) 主机使用地址信号线发出要访问的存储器目标地址;
(2) 控制片选信号CE#使能存储器芯片;
(3) 若是要进行读操作,则控制读使能信号OE#表示要读数据,若进行写操作则控制写使能信号WE#表示要写数据;
(4) 使用掩码信号LB#与UB#指示要访问目标地址的高、低字节部分;
(5) 若是读取过程,存储器会通过数据线向主机输出目标数据,若是写入过程,主要使用数据线向存储器传输目标数据。
三、STM32-FSMC控制器介绍
1、FMSC控制器简介
STM32F4系列芯片使用FSMC外设来管理扩展的存储器,FSMC是Flexible Static Memory Controller的缩写,译为灵活的静态存储控制器。它可以用于驱动包括SRAM、NOR FLASH以及NAND FLSAH类型的存储器,不能驱动如SDRAM这种动态的存储器。而在STM32F429系列的控制器中,它具有FMC外设,支持控制SDRAM存储器。
2、FSMC控制器框图分析

1、通讯引脚 2、存储器控制器 3、时钟控制逻辑
2.1、通讯引脚
由于控制不同类型存储器的时候会有一些不同的引脚,看起来有非常多,其中地址线FSMC_A和数据线FSMC_D是所有控制器都共用的

注:其中比较特殊的FSMC_NE是用于控制SRAM芯片的控制信号线,STM32具有FSMC_NE1/2/3/4号引脚,不同的引脚对应STM32内部不同的地址区域。
2.2、存储器控制器
上面不同类型的引脚是连接到FSMC内部对应的存储控制器中的NOR/PSRAM/SRAM设备使用相同的控制器,NAND/PC卡设备使用相同的控制器,不同的控制器有专用的寄存器用于配置其工作模式。
相关控制寄存器
控制SRAM的有FSMC_ BCR 、FSMC_ BTR以及FSMC_BWTR寄存器。每种寄存器都有4个,分别对应于4个不同的存储区域,各种寄存器介绍如下:
- FSMC_BCR控制寄存器:可配置要控制的存储器类型、数据线宽度以及信号有效极性能参数。
- FMC_BTR时序寄存器:用于配置SRAM访问时的各种时间延迟,如数据保持时间、地址保持时间等。
- FMC_BWTR写时序寄存器:与FMC_BTR寄存器控制的参数类似,它专门用于控制写时序的时间参数。
2.3、时钟控制逻辑
FSMC外设挂载在AHB总线上,时钟信号来自于HCLK(默认168MHz),控制器的同步时钟输出就是由它分频得到。
例如,NOR控制器的FSMC_CLK引脚输出的时钟,它可用于与同步类型的SRAM芯片进行同步通讯,它的时钟频率可通过FSMC_BTR寄存器的CLKDIV位配置,可以配置为HCLK的1/2或1/3,也就是说,若它与同步类型的SRAM通讯时,同步时钟最高频率为84MHz。
后面示例中的SRAM为异步类型的存储器,不使用同步时钟信号,所以时钟分频配置不起作用。
2.4、FSMC地址映射
FSMC连接好外部的存储器并初始化后,就可以直接通过访问地址来读写数据。
FSMC访问存储器的方式与I2C EEPROM、SPI FLASH的不一样,后两种方式都需要控制I2C或SPI总线给存储器发送地址,然后获取数据;在程序里,这个地址和数据都需要分开使用不同的变量存储,并且访问时还需要使用代码控制发送读写命令。
而使用FSMC外接存储器时,其存储单元是映射到STM32的内部寻址空间的;在程序里,定义一个指向这些地址的指针,然后就可以通过指针直接修改该存储单元的内容,FSMC外设会自动完成数据访问过程,读写命令之类的操作不需要程序控制。
- FSMC的NOR/PSRAM/SRAM/NAND FLASH以及PC卡的地址被映射到了External RAM地址空间内,使得访问FSMC控制的存储器时,就跟访问STM32的片上外设寄存器一样
- FSMC把整个External RAM存储区域分成了4个Bank区域,并分配了地址范围及适用的存储器类型,如NOR及SRAM存储器只能使用Bank1的地址。

FSMC地址映射
在NOR及SRAM区域,每个Bank的内部又分成了4个小块,每个小块有相应的控制引脚用于连接片选信号,如FSMC_NE[4:1]信号线可用于选择BANK1内部的4小块地址区域,当STM32访问0x68000000-0x6BFFFFFF地址空间时,会访问到Bank1的第3小块区域,相应的FSMC_NE3信号线会输出控制信号。
3、FSMC时序控制
3.1、FSMC读时序
FSMC外设支持输出多种不同的时序以便于控制不同的存储器,它具有ABCD四种模式,下面我们仅针对控制SRAM使用的模式A进行讲解
注:内核发出访问某个指向外部存储器地址时,FSMC外设会根据配置控制信号线产生时序访问存储器
3.2、FSMC写时序

注:内核发出访问某个指向外部存储器地址时,FSMC外设会根据配置控制信号线产生时序访问存储器
四、FSMC外扩SRAM实例
配置STM32F407的FSMC以支持驱动IS61LV25616 SRAM芯片的读写
1、CubeMx配置
1.1、串口配置

1.2、FSMC配置

1.3、时钟配置


1.4、FSMC参数配置

- 读时序配置分析

tRC = ADDSET + DATAST
tDOE = DATASET
ADDSET对于SRAM未作要求
FSMC的主频为168M,一个周期约等于6ns
2、代码详解
2.1、初始化

2.2、配置查看

2.3、SRAM地址定义

2.4、指针指向地址

2.5、测试空间
测试空间是否可以正常读写