计算机组成原理
实验四:存储器扩展实验
1、实验目的
1、了解存储器字位扩展基本原理; 2、掌握片选信号设计方法; 3、掌握存储器字位扩展电路设计方法; |
2、实验操作
选择芯片; 设计片选信号; 组装存储器字位扩展电路; |
实验操作举例:
学生在VR环境下,选取出相关的模型,包括:芯片模型(1K*4、2K*8),片选信号模型(CS0、CS1、A11、A10)等;根据自己的设计,通过连线和方向箭头搭建“存储器字位扩展电路”; |
|
组装4K*8的“存储器字位扩展电路”
电路中可操作的部分都会被设计成模型,让学生们可以根据需要进行自由设计; 可操作模型包括:各种芯片模型(2716、2114),片选信号模型(CS0、CS1、CS2、A11、A10等),各种连接线(D7-4、D3-0、R/W、其他连线),方向箭头(上下左右),其他可操作的元素模型;
|
|
|
|

3、操作模式
操作模式分为三种:1、学习模式;2、练习模式;3、考核模式; |
A、学习模式
学习模式(新手引导):系统会提示学生相关操作流程,学生根据流程进行操作还原,从而达到学习的目的; |
|

B、练习模式
练习模式(自由练习):学生可以自由操作,完成相应的功能设计;系统会对相关功能点判分; |
学生可自由进行实验的练习,生成“存储器字位扩展电路”; |
|
C、考核模式
考核模式(命题-自由操作-完成目标):从“存储器扩展实验”标准库中选取一个命题,学生自行设计完成相关操作;系统会根据完成情况进行判分; |
|
#第一部分:认知存储器
#第一部分:认知存储器 |
#第一部分:认知存储器
++++立钻哥哥:存储系统由多种不同工艺的存储器组成;
++++A.1、存储器概述
++++A.2、随机存取存储器和只读存储器
++++A.3、高速存储器
++++A.4、Cache存储器与虚拟存储器
++++A.5、辅助存储器
++++A.6、磁盘阵列RAID

##A.1、存储器概述
##A.1、存储器概述 |
++A.1、存储器概述
++++立钻哥哥:存储系统由多种不同工艺的存储器组成;

++++[存储器的主要技术指标]:容量、速度、位价格;
++存储系统的分层结构
++++立钻哥哥:存储系统的分层结构;

##A.2、随机存取存储器和只读存储器
##A.2、随机存取存储器和只读存储器 |
++A.2、随机存取存储器和只读存储器
++++立钻哥哥:RAM芯片,所用器件主要有双极型和MOS型两类,可分为SRAM芯片和DRAM芯片两种;
++++A.2.1、静态RAM芯片(SRAM)
++++A.2.2、动态RAM芯片(DRAM)
++++A.2.3、主存容量的扩展
++++A.2.4、主存储器与CPU的连接

###A.2.1、静态RAM芯片(SRAM)
###A.2.1、静态RAM芯片(SRAM) |
++A.2.1、静态RAM芯片(SRAM)
++++立钻哥哥:RAM芯片所用器件主要有双极型和MOS型两类,可分为SRAM芯片和DRAM芯片两种;
++++[SRAM]特点:存取速度快、集成度低、功耗大;
++++[DRAM]特点:存取速度较SRAM慢、集成度高、功耗小;

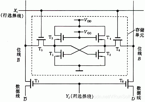
++静态MOS存储单元电路举例
++++立钻哥哥:静态MOS存储单元电路;
++++[定义]:T1导通、T2截止,存“0”;T2导通、T1截止,存“1”;
++++[保持状态]:行选择线Xi低,T5、T6管截止;
++++[工作状态-写“1”操作]:行选择线Xi加高电平,位线B|加高电平,使T1截止、T2导通(“1”状态);
++++[工作状态-写“0”操作]:行选择线Xi加高电平,位线B|加低电平,使T2截止、T1导通(“0状态”);
工作状态 | 行选择线Xi | 位线B| | T1 | T2 |
写“1”操作 | 高电平 | 高电平 | 截止 | 导通 |
写“0”操作 | 高电平 | 低电平 | 导通 | 截止 |
++++[读操作-若原存“1”]:行选择线Xi加高电平;T2导通,电流从B|线->T6->T2,读“1”线有电流;
++++[读操作-若原存“0”]:行选择线Xi加高电平;T1导通,电流从B|线->T5->T1,读“0”线有电流;
++++[读结束]:行选择线Xi加低电平;
工作状态 | 行选择线Xi | 导通 | 电流1 | 电流2 | 电流3 | 线有电流 |
读操作“1” | 高电平 | T2 | B| | T6 | T2 | 读“1” |
读操作“0” | 高电平 | T1 | B| | T5 | T1 | 读“0” |
读结束 | 低电平 |
|
|
|
|
|

++SRAM存储芯片举例(Intel2114)
++++立钻哥哥:SRAM存储芯片举例(Intel 2114);

++++[输入]:片选CS|、写命令WE|均为低(电平),打开输入三态门,数据总线->M;
++++[输出]:片选CS|低、写命令WE|为高(电平),打开输出三态门,M->数据总线;
状态 | 片选CS| | 写命令WE| | 打开 | 数据流向 |
输入 | 低电平 | 低电平 | 输入三态门 | 数据总线->M |
输出 | 高电平 | 高电平 | 输出三态门 | M->数据总线 |
+++[引脚]:

###A.2.2、动态RAM芯片(DRAM)
###A.2.2、动态RAM芯片(DRAM) |
++A.2.2、动态RAM芯片(DRAM)
++++立钻哥哥:动态RAM芯片DRAM(Dynamic Random Access Memory,动态随机存取存储器);

++单管MOS动态存储单元电路
++++立钻哥哥:单管MOS动态存储单元电路;

++DRAM芯片举例(Intel 2116(16k*1位))
++++立钻哥哥:Intel2116(16k*1位);

++++[引脚及功能(16脚封装)]:
--[地址7位]:A6~A0(行列地址,分时复用);
--[RAS|行选,CAS|列选]:低电平将A6~A0作为行或列地址锁存;
--[Din]:数据输入;
--[Dout]:数据输出;
--[WE|]:写使能;

++动态存储器的刷新
++++立钻哥哥:每隔2ms周期对存储体中全部的存储电容充电,以补充所消失的电荷,维持原存信息不变,这个过程被称为“刷新”(按行刷新);
++++[最大刷新周期]:全部刷新一遍所允许的最大时间间隔;
++++[集中刷新方式]:在2ms最大刷新周期内,集中对还一行进行刷新;
--<优点>:读写操作不受刷新工作影响,系统存取速度比较快;
--<缺点>:集中刷新期间必须停止读写,形成一段死区;

++++[分散刷新方式]:将存储周期分为两段,前段读/写/保持,后端刷新;
--<优点>:没有长的死区;
--<缺点>:存取速度降低,降低整机的速度;刷新过于频繁;

++++[异步刷新方式]:按芯片行数决定所需的刷新周期数,并分散安排在最大刷新周期2ms中;
--<优点>:兼有前面两种的优点,对主存利用率和工作速度影响小;
--<缺点>:控制上稍复杂;

###A.2.3、主存容量的扩展
###A.2.3、主存容量的扩展 |
++A.2.3、主存容量的扩展
++++立钻哥哥:主存容量的扩展;
++++[位扩展]:用1M*1位的存储芯片,组成1M*8位(1MB)的主存;采用数据线相拼接,共用一个片选信号;
++++[字扩展]:高位地址译码产生若干不同片选信号,按各芯片在存储空间分配中所占的编址范围,分送给芯片;低位地址线直接送往各芯片,选片内某单元;

++用8K*1位的存储芯片,组成8K*8位的主存
++++立钻哥哥:用8K*1位的存储芯片,组成8K*8位的主存;

++用16K*8位的存储芯片,组成64K*8位的主存
++++立钻哥哥:用16K*8位的存储芯片,组成64K*8位的主存;

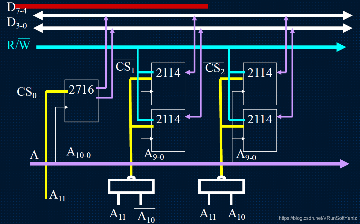
++示例1:拼装半导体存储器总容量4K*8位
++++立钻哥哥:半导体存储器总容量4K*8位,其中固化区2KB,选用EPROM芯片2716(2K*8/片),工作区2KB,选用SRAM芯片2114(1K*4/片),地址总线A15~A0,双向数据总线D7~D0;

++++(1)芯片选取与存储:共需2716芯片1片,2114芯片4片:

++++(2)地址分配与片选逻辑:

++示例2:一个56K*8位的主存储器设计
+++++立钻哥哥:CPU具有16根地址总线(A15~A0),16根双向数据总线(D15~D0),控制总线中与主存有关的信号有MREO|(允许访存,低电平有效),R/W|(高电平读命令,低电平写命令);主存按字编址,其地址空间分配如下:0~1FFFH
《拼装玩法设计》
版本 | 作者 | 参与者 | 完成日期 | 备注 |
LJPro_GameRule_V02.02 | 严立钻 |
| 2019.03.01 |
|
|
|
|
|
|
[V02.02]版本调整: 1)调整:在L01和L02层之间增加一个层级;(原因:方便程序设计,统一建模)
| ||||
| ||||
目录
一、玩法认知
二、元素归类
三、元素确认
四、元素组合关系
五、元素交互细节

一、玩法认知
(一)玩法思路来源
以玩法为核心进行课程内容制作,为教学内容增加趣味性;总结经验,扩展玩法类型;定义不同类型的玩法对应不同类型实验的VR课程方式;玩法以标准实验流程为依托,具备准备、操作、验证完整性的实验过程;
(二)拼装玩法
分析课程、实验,对内容进行分层、元素划分;所有操作物体均为元素;元素按层级进行划分;同种层级进行组装、拆分;
在拼装玩法中,将所有实验中能操作的实物具象化,以保证在VR环境中的实验操作;

二、元素归类
(一)元素归类思路
在拼装玩法中,所有可操作物体均为元素,将实验中所有可操作的元素具象化,使用者可在VR环境中抓取、放置等操作;
对内容进行分层、元素划分,同种层级进行组装、拆分;
(二)元素归类编码
对元素进行分层划分,进行统一格式编码,参考如下:

举个例子:CPU(LJC001L02M001),是计算机产品线(C),计算机组成原理(001),在第二层(L02),元素编号001(M001);
(三)元素编码
对课程内容进行分层、元素划分,统一编码;

(四)输出元素编码
根据编码规则,参照元素分层数据库表(如上图),得出统一格式的唯一元素编码;
例如:
CPU:LJC001L01M002;
显卡:LJC001L01M005;
2114芯片:LJC001L03M001;
片选逻辑:LJC001L03M004;
N位加法器:LJC001L04M001;
海明码:LJC001L06M001;
三、元素确认
(一)、确认本次实验课需要的元素

实验四:存储器扩展实验
元素名称 | 元素编号 | 描述 |
2114芯片 | LJC001L03M001 |
|
2716芯片 | LJC001L03M002 |
|
与非门 | LJC001L05M003 |
|
地址总线A | LJC001L03M004 |
|
数据总线D7-4 | LJC001L03M005 |
|
数据总线D3-0 | LJC001L03M006 |
|
控制命令线RW | LJC001L03M007 |
|
读写控制线Blue | LJC001L03M008 |
|
片选逻辑线Yellow | LJC001L03M009 |
|
地址线White | LJC001L03M009 |
|
数据线Purple | LJC001L03M009 |
|
芯片容量2K | LJC001L03M010 |
|
芯片容量1K | LJC001L03M011 |
|
芯片地址A10-0 | LJC001L03M012 |
|
芯片地址A9-0 | LJC001L03M013 |
|
片选信号CS0 | LJC001L03M014 |
|
片选信号CS1 | LJC001L03M015 |
|
片选信号CS2 | LJC001L03M016 |
|
片选逻辑A11 | LJC001L03M017 |
|
片选逻辑A10 | LJC001L03M018 |
|
片选逻辑A10| | LJC001L03M019 |
|
|
|
|
合计:21个元素 | ||
(二)元素的连接属性
连接性判断条件:是否同一层级、可连接类型;
元素有自己的属性管理,包括:层级、是否能连接、连接类型列表等属性;
连接类型可细化:连接层、连接的线、连接的信号、连接的元素、连接角度等类型;

实验四:存储器扩展实验
元素名称 | 元素连接描述 | 描述 |
2114芯片
| 2114芯片可连接: [数据总线D7-4]、 [数据总线D3-0]、 [控制命令线RW]、 [读写控制线Blue]、 [片选逻辑线Yellow]、 [地址线White]、 |
|
2716芯片 | 2716芯片可连接: [数据总线D7-4]、 [数据总线D3-0]、 [片选逻辑线Yellow]、 [地址线White]、 |
|
与非门 | 与非门可连接: [片选逻辑线Yellow]、 [片选逻辑A11]、 [片选逻辑A10]、 |
|
地址总线A | 地址总线A可连接: [地址线White]、
|
|
数据总线D7-4 | 数据总线D7-4可连接: [数据线Purple]、
|
|
数据总线D3-0 | 数据总线D3-0可连接: [数据线Purple]、
|
|
控制命令线RW | 控制命令线RW可连接: [片选信号线Blue]、
|
|
读写控制线Blue | 读写控制线Blue可连接: [2114芯片]、
|
|
片选逻辑线Yellow | 片选逻辑线Yellow可连接: [2114芯片]、 [与非门]
|
|
地址线White | 地址线White可连接: [2114芯片]、 [地址总线A]
|
|
数据线Purple | 数据线Purple可连接: [2114芯片]、 [数据总线D7-4]、
|
|
芯片容量2K | Tag标识类元素:暂不考虑连接关系;
|
|
芯片容量1K | Tag标识类元素:暂不考虑连接关系;
|
|
芯片地址A10-0 | Tag标识类元素:暂不考虑连接关系;
|
|
芯片地址A9-0 | Tag标识类元素:暂不考虑连接关系;
|
|
片选信号CS0 | Tag标识类元素:暂不考虑连接关系;
|
|
片选信号CS1 | Tag标识类元素:暂不考虑连接关系;
|
|
片选信号CS2 | Tag标识类元素:暂不考虑连接关系;
|
|
片选逻辑A11 | Tag标识类元素:暂不考虑连接关系; |
|
片选逻辑A10 | Tag标识类元素:暂不考虑连接关系; |
|
片选逻辑A10| | Tag标识类元素:暂不考虑连接关系; |
|
|
|
|
合计:21个元素 | ||
四、元素组合关系
(一)元素组合管理
元素有自己的组合关系管理系统,包括:属性管理和组合类型列表管理;
组合类型包括:层级、连线类型、信号类型、组合的元素、组合角度等组合类型;

(二)元素组合条件
先判断是否可以组合,再查询组合列表;能组合的提示可操作状态,不可组合的提示不可操作状态;
| 判断条件 | 状态提示 | 操作展示 |
可组合 | 1)有组合标识; 2)符合组合类型; | 绿色边框; | 按使用键后,元素之间有组合连接效果; |
不可组合 | 1)没有组合标识; 2)不符合组合类型; | 红色边框; | 按使用键后,不能进行组合,并有错误提示; |
五、元素交互细节
《实验四-存储器扩展-元素资源》
版本 | 作者 | 参与者 | 完成日期 | 备注 |
LJPM2019001Four_Art_V02.02 | 严立钻 |
| 2019.03.01 |
|
|
|
|
|
|
[V02.01]版本增加: 2)增加:与非门LJC001L03M006的元素插图;(原因:补充项目插图,增加真实感) 3)增加:地址标识D7-4、D3-0、D15-8、D7-0、A12-0、A11-0、A10-0、A9-0等元素,文字标识;(原因:合并多地址,方便选择操作)
| ||||
[V02.02]版本调整: 2)增加:地址A(LJ001L02M299),文字标识,标记物品属性;(原因:遗漏补缺) 3)调整:根据《拼装玩法设计》(V02.02修订版)调整元素层级;(原因:玩法设计在L01和L02层增加了一个层级,方便程序设计建模;) | ||||
| ||||
目录
一、元素列表
二、元素说明


一、元素列表
(一)元素归类编码
元素名称 | 元素编号 | 描述 | 备注 |
电路板A型 | LJC001L03M001 | A型号电路板,标准电木洞板;
| 模型 |
电路板B型 | LJC001L03M002 | B型号电路板,绿色PCB板;
| 模型 |
2114芯片 | LJC001L03M014 | 2114芯片;
| 模型 |
2716芯片 | LJC001L03M016 | 2716芯片;
| 模型 |
|
|
|
|
地址总线Address | LJC001L03M101 | 地址总线:紫色标识线,单向(箭头是独立元素,所以不需要标识方向了);
| 模型 |
数据总线Data | LJC001L03M102 | 数据总线:白色标识线,双向(箭头是独立元素,所以不需要标识方向了);
| 模型 |
控制命令线RW | LJC001L03M110 | 控制命令线RW:蓝色标识线,单向(箭头是独立元素,所以不需要标识方向了);
| 模型 |
|
|
|
|
读写连接线 | LJC001L03M120 | 读写连接线:蓝色连接标识线,无方向;
|
|
数据连接线 | LJC001L03M121 | 数据连接线:紫色连接标识线,有方向(箭头是独立元素,所以不需要标识方向了);
|
|
片选逻辑连接线 | LJC001L03M122 | 片选逻辑连接线:黄色连接标识线,无方向;
|
|
地址连接线 | LJC001L03M123 | 地址连接线:米色连接线,有方向(箭头是独立元素,所以不需要标识方向了);
|
|
箭头上 | LJC001L03M130 | 箭头上:标识连接线的方向属性,大小和颜色可调整(说明:程序根据线类型自动调整);
| 模型 |
箭头下 | LJC001L03M131 | 箭头下:标识连接线的方向属性,大小和颜色可调整(说明:程序根据线类型自动调整);
| 模型 |
箭头左 | LJC001L03M132 | 箭头左:标识连接线的方向属性,大小和颜色可调整(说明:程序根据线类型自动调整);
| 模型 |
箭头右 | LJC001L03M133 | 箭头右:标识连接线的方向属性,大小和颜色可调整(说明:程序根据线类型自动调整);
| 模型 |
|
|
|
|
与门 | LJC001L05M001 | 与门:
| 模型 |
或门 | LJC001L05M002 | 或门:
| 模型 |
非门 | LJC001L05M003 | 非门:
| 模型 |
异或门 | LJC001L05M004 | 异或门:
| 模型 |
同或门 | LJC001L05M005 | 同或门:
| 模型 |
与非门 | LJC001L05M006 | 与非门:([V02.01]版本增加:元素插图)
| 模型 |
或非门 | LJC001L05M007 | 或非门:
| 模型 |
与或非门 | LJC001L05M008 | 与或非门:
| 模型 |
|
|
|
|
芯片容量1K | LJC001L03M201 | 文字标识,标记物品属性介绍作用;
| 模型 |
芯片容量2K | LJC001L03M202 | 文字标识,标记物品属性介绍作用;
| 模型 |
芯片容量4K | LJC001L03M204 | 文字标识,标记物品属性介绍作用;
| 模型 |
芯片容量8K | LJC001L03M208 | 文字标识,标记物品属性介绍作用;
| 模型 |
芯片容量16K | LJC001L03M216 | 文字标识,标记物品属性介绍作用;
| 模型 |
芯片容量32K | LJC001L03M232 | 文字标识,标记物品属性介绍作用;
| 模型 |
芯片容量64K | LJC001L03M233 | 文字标识,标记物品属性介绍作用;
| 模型 |
|
|
|
|
地址A | LJC001L03M299 | 文字标识,标记物品属性介绍作用;
([V02.02]版本增加)
| 模型 |
地址A00 | LJC001L03M300 | 文字标识,标记物品属性介绍作用;
| 模型 |
地址A01 | LJC001L03M301 | 文字标识,标记物品属性介绍作用;
| 模型 |
地址A02 | LJC001L03M302 | 文字标识,标记物品属性介绍作用;
| 模型 |
地址A03 | LJC001L03M303 | 文字标识,标记物品属性介绍作用;
| 模型 |
地址A04 | LJC001L03M304 | 文字标识,标记物品属性介绍作用;
| 模型 |
地址A05 | LJC001L03M305 | 文字标识,标记物品属性介绍作用;
| 模型 |
地址A06 | LJC001L03M306 | 文字标识,标记物品属性介绍作用;
| 模型 |
地址A07 | LJC001L03M307 | 文字标识,标记物品属性介绍作用;
| 模型 |
地址A08 | LJC001L03M308 | 文字标识,标记物品属性介绍作用;
| 模型 |
地址A09 | LJC001L03M309 | 文字标识,标记物品属性介绍作用;
| 模型 |
地址A10 | LJC001L03M310 | 文字标识,标记物品属性介绍作用;
| 模型 |
地址A11 | LJC001L03M311 | 文字标识,标记物品属性介绍作用;
| 模型 |
地址A12 | LJC001L03M312 | 文字标识,标记物品属性介绍作用;
| 模型 |
地址A13 | LJC001L03M313 | 文字标识,标记物品属性介绍作用;
| 模型 |
地址A14 | LJC001L03M314 | 文字标识,标记物品属性介绍作用;
| 模型 |
地址A15 | LJC001L03M315 | 文字标识,标记物品属性介绍作用;
| 模型 |
地址A16 | LJC001L03M316 | 文字标识,标记物品属性介绍作用;
| 模型 |
地址A17 | LJC001L03M317 | 文字标识,标记物品属性介绍作用;
| 模型 |
地址A18 | LJC001L03M318 | 文字标识,标记物品属性介绍作用;
| 模型 |
地址A19 | LJC001L03M319 | 文字标识,标记物品属性介绍作用;
| 模型 |
地址A20 | LJC001L03M320 | 文字标识,标记物品属性介绍作用;
| 模型 |
|
|
|
|
地址A9-0 | LJC001L03M380 | 文字标识,标记物品属性介绍作用; ([V02.01]版本增加)
| 模型 |
地址A10-0 | LJC001L03M381 | 文字标识,标记物品属性介绍作用; ([V02.01]版本增加)
| 模型 |
地址A11-0 | LJC001L03M382 | 文字标识,标记物品属性介绍作用; ([V02.01]版本增加)
| 模型 |
地址A12-0 | LJC001L03M383 | 文字标识,标记物品属性介绍作用; ([V02.01]版本增加)
| 模型 |
|
|
|
|
|
|
|
|
数据D00 | LJC001L03M400 | 文字标识,标记物品属性介绍作用;
| 模型 |
数据D01 | LJC001L03M401 | 文字标识,标记物品属性介绍作用;
| 模型 |
数据D02 | LJC001L03M402 | 文字标识,标记物品属性介绍作用;
| 模型 |
数据D03 | LJC001L03M403 | 文字标识,标记物品属性介绍作用;
| 模型 |
数据D04 | LJC001L03M404 | 文字标识,标记物品属性介绍作用;
| 模型 |
数据D05 | LJC001L03M405 | 文字标识,标记物品属性介绍作用;
| 模型 |
数据D06 | LJC001L03M406 | 文字标识,标记物品属性介绍作用;
| 模型 |
数据D07 | LJC001L03M407 | 文字标识,标记物品属性介绍作用;
| 模型 |
数据D08 | LJC001L03M408 | 文字标识,标记物品属性介绍作用;
| 模型 |
数据D09 | LJC001L03M409 | 文字标识,标记物品属性介绍作用;
| 模型 |
数据D10 | LJC001L03M410 | 文字标识,标记物品属性介绍作用;
| 模型 |
数据D11 | LJC001L03M411 | 文字标识,标记物品属性介绍作用;
| 模型 |
数据D12 | LJC001L03M412 | 文字标识,标记物品属性介绍作用;
| 模型 |
数据D13 | LJC001L03M413 | 文字标识,标记物品属性介绍作用;
| 模型 |
数据D14 | LJC001L03M414 | 文字标识,标记物品属性介绍作用;
| 模型 |
数据D15 | LJC001L03M415 | 文字标识,标记物品属性介绍作用;
| 模型 |
数据D16 | LJC001L03M416 | 文字标识,标记物品属性介绍作用;
| 模型 |
数据D17 | LJC001L03M417 | 文字标识,标记物品属性介绍作用;
| 模型 |
数据D18 | LJC001L03M418 | 文字标识,标记物品属性介绍作用;
| 模型 |
数据D19 | LJC001L03M419 | 文字标识,标记物品属性介绍作用;
| 模型 |
数据D20 | LJC001L03M420 | 文字标识,标记物品属性介绍作用;
| 模型 |
|
|
|
|
|
|
|
|
数据D3-0 | LJC001L03M470 | 文字标识,标记物品属性介绍作用; ([V02.01]版本增加) ([V02.02]版本微调:编码从M480=>M470)
| 模型 |
数据D7-4 | LJC001L03M471 | 文字标识,标记物品属性介绍作用; ([V02.01]版本增加) ([V02.02]版本微调:编码从M481=>M471)
| 模型 |
数据D15-8 | LJC001L03M472 | 文字标识,标记物品属性介绍作用; ([V02.01]版本增加) ([V02.02]版本微调:编码从M482=>M472)
| 模型 |
数据D7-0 | LJC001L03M473 | 文字标识,标记物品属性介绍作用; ([V02.01]版本增加) ([V02.02]版本微调:编码从M483=>M473)
| 模型 |
|
|
|
|
读写RW | LJC001L03M480 | 文字标识,标记物品属性介绍作用; ([V02.01]版本增加)
| 模型 |
|
|
|
|
片选信号CS00 | LJC001L03M500 | 文字标识,标记物品属性介绍作用;
| 模型 |
片选信号CS01 | LJC001L03M501 | 文字标识,标记物品属性介绍作用;
| 模型 |
片选信号CS02 | LJC001L03M502 | 文字标识,标记物品属性介绍作用;
| 模型 |
片选信号CS03 | LJC001L03M503 | 文字标识,标记物品属性介绍作用;
| 模型 |
片选信号CS04 | LJC001L03M504 | 文字标识,标记物品属性介绍作用;
| 模型 |
片选信号CS05 | LJC001L03M505 | 文字标识,标记物品属性介绍作用;
| 模型 |
片选信号CS06 | LJC001L03M506 | 文字标识,标记物品属性介绍作用;
| 模型 |
片选信号CS07 | LJC001L03M507 | 文字标识,标记物品属性介绍作用;
| 模型 |
片选信号CS08 | LJC001L03M508 | 文字标识,标记物品属性介绍作用;
| 模型 |
片选信号CS09 | LJC001L03M509 | 文字标识,标记物品属性介绍作用;
| 模型 |
片选信号CS10 | LJC001L03M510 | 文字标识,标记物品属性介绍作用;
| 模型 |
|
|
|
|
二、元素说明
(一)

《玩法设计细化-实验四-存储器扩展》
版本 | 作者 | 参与者 | 完成日期 | 备注 |
LJPM2019001Four_GameRule_V01.03 | 严立钻 |
| 2019.03.01 |
|
|
|
|
|
|
[V01.02]版本调整内容(需求分歧点与朱老师已确认): 1)问题1确认:电路板使用A型电木洞板;从背包中拿出的方式; 2)问题2确认:总线自动生成; 3)问题3确认:芯片容量标识自动生成; 4)问题4确认:总线箭头不自动生成,需使用者指定方向; 说明:详见《玩法需求分歧点确认》(V01.02-需求已确认) | ||||
| ||||
目录
一、玩法设计细化:拼装、连线
二、
一、玩法设计细化:拼装、连线
(一)拼装
1、电路板拼接

电路板是所有元素的最底层级,是所有拼装的基础,所以先拼装电路板;
电路板的出场方式:从背包中拿取;
方式一:从背包中拿取电路板,空间中出现虚框表明放置位置,放入指定位置即可;
安装效果展现:元素安装到位后,有一个确认效果,比如缩放、特效、音效等;
朱老师回复:([V01.02]版本调整内容) 1.1、倾向于电路板A 型,B 型是PCB 版,通常是多层制版,过于复杂。 1.2、电路板的出场方式建议采用从背包中拿一个空板的方式,这样更加灵活,便于学生组 装。 详见《玩法需求分歧点确认》(V01.02-需求已确认) |
1.1、电路板与芯片类元素的拼装
芯片是这个实验的核心元素,包括:2114芯片、2716芯片、门电路芯片等;


芯片与电路板的拼接主要是吸附安装方式;
吸附安装:从背包中拿出芯片,电路板闪烁可放置区域(简化布局,可预先确认几个可放置区域),将芯片放置到对应位置即可;
安装效果展现:元素安装到位后,有一个确认效果,比如缩放、特效、音效等;
1.2、电路板与总线类的拼装
总线类元素包括地址总线(A)、数据总线(D)、读写控制线(RW)等;
总线类也被设计成了模型,这样可以方便增加效果,体现出总线的方向和数据传输理念;

总线类元素与电路板的拼接主要是悬浮展现;
总线出场方式:在电路板安装确认后,自动出现总线(动画);
悬浮展现:悬浮在电路板上,有动效:数据传输和方向;
安装展现效果:元素安装到位后,有一个确认效果,比如缩放、特效、音效等;
朱老师回复:([V01.02]版本调整内容) 问题2:总线还是自动生成较好,但不应该固定为多少根,可以让学生选择数量,比如数据 线选择了0-7,就自动生成8 根的数据总线。 详见《玩法需求分歧点确认》(V01.02-需求已确认) |
2、芯片拼装
2.1、芯片与电路板拼装
芯片类与电路板的拼装主要是以吸附安装方式;(详见1.1、电路板与芯片类元素的拼装的设计)
2.1、芯片与文字标识拼装
文字标识主要是介绍芯片属性,为了增加灵活性和考核难度,设计成了可拼装元素模型;(如果不是重点考核项,可以做成自动生成文字标识);

朱老师回复:([V01.02]版本调整内容) 问题3:芯片容量标识不应该是生成或拿取的,每个芯片容量是固定的,应该直接标识在芯 片表面。 详见《玩法需求分歧点确认》(V01.02-需求已确认) |
3、文字标识拼装
3.1、文字标识与芯片类拼装
文字标识类与芯片类的拼装主要是以吸附安装方式;(详见2.1、芯片与文字标识拼装的设计)
3.2、文字标识与总线类拼装
与总线类相关的文字标识有:地址A00~A20、数据D00~D20、读写RW等;



文字标识与总线类的拼接主要是吸附安装方式;
吸附安装:从背包中拿出文字标识,总线附近闪烁可放置区域,将文字标识放置到对应位置即可;
安装展现效果:元素安装到位后,有一个确认效果,比如缩放、特效、音效等;
3.3、文字标识与连接线类的拼装
与连接线类相关的标识有:片选信号CS、门电路信号、地址A00~A20等;



文字标识与连接线类的拼接主要是吸附安装方式;
吸附安装:从背包中拿出文字标识,连接线附近闪烁可放置区域,将文字标识放置到对应位置即可;
安装展现效果:元素安装到位后,有一个确认效果,比如缩放、特效、音效等;
4、箭头拼装

4.1、箭头与总线类拼装
与箭头类有关的总线有:地址A00~A20、数据D00~D20、读写RW等;

箭头与总线类的拼接主要是吸附安装方式;
吸附安装:从背包中拿出箭头(上下左右;箭头+旋转),总线附近闪烁可放置区域,将箭头放置到对应位置即可;
安装展现效果:元素安装到位后,有一个确认效果,比如缩放、特效、音效等;
朱老师回复:([V01.02]版本调整内容) 问题4:总线类方向是需要学生指定的,比如ROM 芯片是只读的,当连接数据线时只能是 单向的,而RAM 芯片是可读可写的,就应该是双向的,而地址以及控制线都应该是单向的, 建议还是做成“从背包中拿取放置“的形式,或者自动生成前由学生选择确认也可。 详见《玩法需求分歧点确认》(V01.02-需求已确认) |
补充1:还有一个效果点确认方案参考第二部分的(一)效果点确认/3、箭头的拼接;
4.2、箭头与连接线类拼装
与箭头相关的连接线:数据连接线、地址连接线等;


箭头与连接类的拼接主要是吸附安装方式;
吸附安装:从背包中拿出箭头(上下左右;箭头+旋转),连接线附近闪烁可放置区域,将箭头放置到对应位置即可;
安装展现效果:元素安装到位后,有一个确认效果,比如缩放、特效、音效等;
朱老师回复:([V01.02]版本调整内容) 问题4:总线类方向是需要学生指定的,比如ROM 芯片是只读的,当连接数据线时只能是 单向的,而RAM 芯片是可读可写的,就应该是双向的,而地址以及控制线都应该是单向的, 建议还是做成“从背包中拿取放置“的形式,或者自动生成前由学生选择确认也可。 详见《玩法需求分歧点确认》(V01.02-需求已确认) |
(二)连线
基本思路是:有一个连线按钮,点击连线,出现所有可连线的区域和节点(提前设计好),点选可连接的节点,判断生成相应的连线;
关键点1:有一个按钮;(连线按钮)
关键点2:出现所有可连线节点(提前设计好);
关键点3:选择节点后,自动连线(动效);
关键点4:删除操作;

关键点1:有一个按钮;(连线按钮)
所有连线操作都需要点击“”按钮后执行;连线状态时,按钮文字显示为“取消连接”; 点击“”按钮后,取消连线状态;
关键点2:出现所有可连线节点(提前设计好)
点击“”按钮后,进入连线状态,出现所有可连接节点(这些节点是提前设计好的);
在连线状态,点击“”按钮后,退出连线操作,所有可连接节点消失(动效);
关键点3:选择节点后,自动连线(动效)
在点击“”按钮后,出现所有可连接点,点击两个节点,自动画线连接;(例如,先点击A,再确认B,则:画线方向从A到B;不自动生成箭头,仅连接两个节点)

关键点4:删除操作
需要删除连线时,点击“”,出现所有可删除线的标识“”;

4.1、点击或聚焦到删除标识“”时,“需要删除的连接线”有选中效果(缩放、特效、音效),按确认键后,删除连接线;(移出标识识别范围,选中效果自动消失)
4.2、删除共用线:有些连线可能重叠后合并为一条共用线,如果此时共用线上有删除标识“”,执行删除操作会将两条线都删除,三条共用也一样,依次类推;(共用线选中后,相关线段都有选中效果,供使用者浏览参考)
二、玩法补充
(一)效果点确认
1、闪烁区域
闪烁提示区域如果已经有元素安装,则该闪烁区域不再提示;
2、特效
特效可以明显提高视觉效果,如果工期允许,建议设计增补;
3、箭头的拼接
在确认这个功能前,请先看一下第一部分的(一)拼装/4、箭头拼装;
箭头拼装是一个独立的环节,因为在与朱老师沟通时:重点提出需要学生指定方向,是一个重要的考核点;
点击箭头按钮后,出现所有箭头可操作区域(类似连线的节点),点击相关节点后,出现四个图标(上下左右),供学生选择确认;

技术点1:选中需要标注箭头的节点时,节点有选中效果(缩放,特效,音效);
技术点2:选中节点后,出现上下左右四个箭头,选中对应箭头后,按确认键确认,有确认效果(缩放,特效,音效);
技术点3:放弃选择操作:将聚焦移出触发范围即可;
朱老师回复:([V01.02]版本调整内容) 问题4:总线类方向是需要学生指定的,比如ROM 芯片是只读的,当连接数据线时只能是 单向的,而RAM 芯片是可读可写的,就应该是双向的,而地址以及控制线都应该是单向的, 建议还是做成“从背包中拿取放置“的形式,或者自动生成前由学生选择确认也可。 详见《玩法需求分歧点确认》(V01.02-需求已确认) |



++立钻哥哥推荐的拓展学习链接(Link_Url):
立钻哥哥推荐的拓展学习链接(Link_Url) |
++++立钻哥哥Unity学习空间:http://blog.csdn.net/VRunSoftYanlz/
++++插件<Obi Rope>:https://blog.csdn.net/VRunSoftYanlz/article/details/83963905
++++Unity企业内训(目录):https://blog.csdn.net/VRunSoftYanlz/article/details/82634668
++++Unity企业内训(第1讲):https://blog.csdn.net/VRunSoftYanlz/article/details/82634733
++++Unity企业内训(第2讲):https://blog.csdn.net/VRunSoftYanlz/article/details/82861180
++++Unity企业内训(第3讲):https://blog.csdn.net/VRunSoftYanlz/article/details/82927699
++++Unity企业内训(第4讲):https://blog.csdn.net/VRunSoftYanlz/article/details/83479776
++++Unity企业内训(第5讲):https://blog.csdn.net/VRunSoftYanlz/article/details/83963811
++++Unity企业内训(第6讲):https://blog.csdn.net/VRunSoftYanlz/article/details/84207696
++++钻哥带您了解产品原型:https://blog.csdn.net/VRunSoftYanlz/article/details/87303828
++++VR实验:以太网帧的构成:https://blog.csdn.net/VRunSoftYanlz/article/details/82598140
++++实验四:存储器扩展实验:https://blog.csdn.net/VRunSoftYanlz/article/details/87834434
++++FrameVR示例V0913:https://blog.csdn.net/VRunSoftYanlz/article/details/82808498
++++FrameVR示例V1003:https://blog.csdn.net/VRunSoftYanlz/article/details/83066516
++++SwitchMachineV1022:https://blog.csdn.net/VRunSoftYanlz/article/details/83280886
++++PlaySceneManagerV1022:https://blog.csdn.net/VRunSoftYanlz/article/details/83280886
++++计算机组成原理(教材篇):https://blog.csdn.net/VRunSoftYanlz/article/details/82719129
++++HTC_VIVE开发基础:https://blog.csdn.net/VRunSoftYanlz/article/details/81989970
++++Oculus杂谈:https://blog.csdn.net/VRunSoftYanlz/article/details/82469850
++++Oculus安装使用:https://blog.csdn.net/VRunSoftYanlz/article/details/82718982
++++SteamVR简介:https://blog.csdn.net/VRunSoftYanlz/article/details/86484254
++++SteamVR脚本功能分析:https://blog.csdn.net/VRunSoftYanlz/article/details/86531480
++++SteamVR2.0开发指南:https://blog.csdn.net/VRunSoftYanlz/article/details/86618187
++++SteamVR/Extras:https://blog.csdn.net/VRunSoftYanlz/article/details/86584108
++++SteamVR/Input:https://blog.csdn.net/VRunSoftYanlz/article/details/86601950
++++OpenXR简介:https://blog.csdn.net/VRunSoftYanlz/article/details/85726365
++++VRTK杂谈:https://blog.csdn.net/VRunSoftYanlz/article/details/82562993
++++VRTK快速入门(杂谈):https://blog.csdn.net/VRunSoftYanlz/article/details/82955267
++++VRTK官方示例(目录):https://blog.csdn.net/VRunSoftYanlz/article/details/82955410
++++VRTK代码结构(目录):https://blog.csdn.net/VRunSoftYanlz/article/details/82780085
++++VRTK(SceneResources):https://blog.csdn.net/VRunSoftYanlz/article/details/82795400
++++VRTK_ControllerEvents:https://blog.csdn.net/VRunSoftYanlz/article/details/83099512
++++VRTK_InteractTouch:https://blog.csdn.net/VRunSoftYanlz/article/details/83120220
++++Unity5.x用户手册:https://blog.csdn.net/VRunSoftYanlz/article/details/81712741
++++Unity面试题ABC:https://blog.csdn.net/vrunsoftyanlz/article/details/78630687
++++Unity面试题D:https://blog.csdn.net/VRunSoftYanlz/article/details/78630838
++++Unity面试题E:https://blog.csdn.net/vrunsoftyanlz/article/details/78630913
++++Unity面试题F:https://blog.csdn.net/VRunSoftYanlz/article/details/78630945
++++Cocos2dx面试题:https://blog.csdn.net/VRunSoftYanlz/article/details/78630967
++++禅道[zentao]:https://blog.csdn.net/VRunSoftYanlz/article/details/83964057
++++Lua快速入门篇(Xlua拓展):https://blog.csdn.net/VRunSoftYanlz/article/details/81173818
++++Lua快速入门篇(XLua教程):https://blog.csdn.net/VRunSoftYanlz/article/details/81141502
++++Lua快速入门篇(基础概述):https://blog.csdn.net/VRunSoftYanlz/article/details/81041359
++++框架知识点:https://blog.csdn.net/VRunSoftYanlz/article/details/80862879
++++游戏框架(UI框架夯实篇):https://blog.csdn.net/vrunsoftyanlz/article/details/80781140
++++游戏框架(初探篇):https://blog.csdn.net/VRunSoftYanlz/article/details/80630325
++++.Net框架设计:https://blog.csdn.net/VRunSoftYanlz/article/details/87401225
++++设计模式简单整理:https://blog.csdn.net/vrunsoftyanlz/article/details/79839641
++++专题:设计模式(精华篇):https://blog.csdn.net/VRunSoftYanlz/article/details/81322678
++++U3D小项目参考:https://blog.csdn.net/vrunsoftyanlz/article/details/80141811
++++Unity案例(Vehicle):https://blog.csdn.net/VRunSoftYanlz/article/details/82355876
++++UML类图:https://blog.csdn.net/vrunsoftyanlz/article/details/80289461
++++PowerDesigner简介:https://blog.csdn.net/VRunSoftYanlz/article/details/86500084
++++Unity知识点0001:https://blog.csdn.net/vrunsoftyanlz/article/details/80302012
++++Unity知识点0008:https://blog.csdn.net/VRunSoftYanlz/article/details/81153606
++++U3D_Shader编程(第一篇:快速入门篇):https://blog.csdn.net/vrunsoftyanlz/article/details/80372071
++++U3D_Shader编程(第二篇:基础夯实篇):https://blog.csdn.net/vrunsoftyanlz/article/details/80372628
++++Unity引擎基础:https://blog.csdn.net/vrunsoftyanlz/article/details/78881685
++++Unity面向组件开发:https://blog.csdn.net/vrunsoftyanlz/article/details/78881752
++++Unity物理系统:https://blog.csdn.net/vrunsoftyanlz/article/details/78881879
++++Unity2D平台开发:https://blog.csdn.net/vrunsoftyanlz/article/details/78882034
++++UGUI基础:https://blog.csdn.net/vrunsoftyanlz/article/details/78884693
++++UGUI进阶:https://blog.csdn.net/vrunsoftyanlz/article/details/78884882
++++UGUI综合:https://blog.csdn.net/vrunsoftyanlz/article/details/78885013
++++Unity动画系统基础:https://blog.csdn.net/vrunsoftyanlz/article/details/78886068
++++Unity动画系统进阶:https://blog.csdn.net/vrunsoftyanlz/article/details/78886198
++++Navigation导航系统:https://blog.csdn.net/vrunsoftyanlz/article/details/78886281
++++Unity特效渲染:https://blog.csdn.net/vrunsoftyanlz/article/details/78886403
++++Unity数据存储:https://blog.csdn.net/vrunsoftyanlz/article/details/79251273
++++Unity中Sqlite数据库:https://blog.csdn.net/vrunsoftyanlz/article/details/79254162
++++WWW类和协程:https://blog.csdn.net/vrunsoftyanlz/article/details/79254559
++++Unity网络:https://blog.csdn.net/vrunsoftyanlz/article/details/79254902
++++Unity资源加密:https://blog.csdn.net/VRunSoftYanlz/article/details/87644514
++++PhotonServer简介:https://blog.csdn.net/VRunSoftYanlz/article/details/86652770
++++编写Photon游戏服务器:https://blog.csdn.net/VRunSoftYanlz/article/details/86682935
++++C#事件:https://blog.csdn.net/vrunsoftyanlz/article/details/78631267
++++C#委托:https://blog.csdn.net/vrunsoftyanlz/article/details/78631183
++++C#集合:https://blog.csdn.net/vrunsoftyanlz/article/details/78631175
++++C#泛型:https://blog.csdn.net/vrunsoftyanlz/article/details/78631141
++++C#接口:https://blog.csdn.net/vrunsoftyanlz/article/details/78631122
++++C#静态类:https://blog.csdn.net/vrunsoftyanlz/article/details/78630979
++++C#中System.String类:https://blog.csdn.net/vrunsoftyanlz/article/details/78630945
++++C#数据类型:https://blog.csdn.net/vrunsoftyanlz/article/details/78630913
++++Unity3D默认的快捷键:https://blog.csdn.net/vrunsoftyanlz/article/details/78630838
++++游戏相关缩写:https://blog.csdn.net/vrunsoftyanlz/article/details/78630687
++++UnityAPI.Rigidbody刚体:https://blog.csdn.net/VRunSoftYanlz/article/details/81784053
++++UnityAPI.Material材质:https://blog.csdn.net/VRunSoftYanlz/article/details/81814303
++++UnityAPI.Android安卓:https://blog.csdn.net/VRunSoftYanlz/article/details/81843193
++++UnityAPI.AndroidJNI安卓JNI:https://blog.csdn.net/VRunSoftYanlz/article/details/81879345
++++UnityAPI.Transform变换:https://blog.csdn.net/VRunSoftYanlz/article/details/81916293
++++UnityAPI.WheelCollider轮碰撞器:https://blog.csdn.net/VRunSoftYanlz/article/details/82356217
++++UnityAPI.Resources资源:https://blog.csdn.net/VRunSoftYanlz/article/details/83155518
++++JSON数据结构:https://blog.csdn.net/VRunSoftYanlz/article/details/82026644
++++CocosStudio快速入门:https://blog.csdn.net/VRunSoftYanlz/article/details/82356839
++++立钻哥哥Unity 学习空间:http://blog.csdn.net/VRunSoftYanlz/
--_--VRunSoft:lovezuanzuan--_--ww4ww--_--

