二级管/三极管门电路原理
事实上二极管可以组成“与门”和“或门”等电路,但是“非门”一般需要用到三极管或者场效应管。
二极管与门电路原理
![[外链图片转存失败(img-PJayuMae-1562686206920)(0AF22B841AF245D7B12C42A44E67317A)]](https://img-blog.csdnimg.cn/20190709233033544.png?x-oss-process=image/watermark,type_ZmFuZ3poZW5naGVpdGk,shadow_10,text_aHR0cHM6Ly9ibG9nLmNzZG4ubmV0L0xVT0hVQVRJTkdZVVNIRU5H,size_16,color_FFFFFF,t_70)
如图:为二极管与门电路,Vcc = 10v,假设3v及以上代表高电平,0.7及以下代表低电平。
下面根据图中情况具体分析一下:
- 1.Ua=Ub=0v时,D1,D2正偏,两个二极管均会导通,此时Uy点电压即为二极管导通电压,也就是D1,D2导通电压0.7v.
- 2.当Ua,Ub一高一低时,不妨假设Ua = 3v,Ub = 0v,这时我们不妨先从D2开始分析,D2会导通,导通后D2压降将会被限制在0.7v,那么D1由于右边是0.7v左边是3v所以会反偏截止,因此最后Uy为0.7v,这里也可以从D1开始分析,如果D1导通,那么Uy应当为3.7v,此时D2将导通,那么D2导通,压降又会变回0.7,最终状态Uy仍然是0.7v.
- 3.Va=Vb=3v,这个情况很好理解, D1,D2都会正偏,Uy被限定在3.7V.
总结(借用个定义):通常二极管导通之后,如果其阴极电位是不变的,那么就把它的阳极电位固定在比阴极高0.7V的电位上;如果其阳极电位是不变的,那么就把它的阴极电位固定在比阳极低0.7V的电位上,人们把导通后二极管的这种作用叫做钳位。
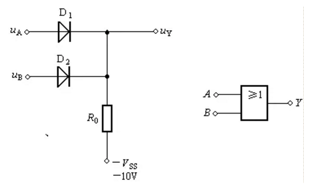
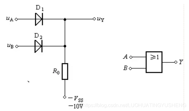
二极管或门电路原理

如图,这里取Vss = 0v,不取-10v。
- 1、当Ua=Ub=0v时,D1,D2都截至,那么y点为0v。
- 2、当Ua=3v,Ub=0v时,此时D1导通,Uy=3-0.7=2.3v,D2则截至;同理Ua=0v,Ub=3v时,D2导通,D1截至,Uy=2.3v。
- 3、当Ua=Ub=3v时,此时D1,D2都导通,Uy=3-0.7=2.3v。
三极管非门电路原理

如图,所示,为三极管的一个最基础应用,非门,还是如前面一样,分情况介绍:
- 1、当Ui=0v时,三极管处于截止状态,此时Y点输出电压Uy=Vcc=5v。
- 2、当Ui=5v时,三极管饱和导通,Y点输出为低。
2019-7-9谦谦君子,廖若星辰
版权声明:本文为LUOHUATINGYUSHENG原创文章,遵循CC 4.0 BY-SA版权协议,转载请附上原文出处链接和本声明。