01SD卡
SD卡是SecureDigitalCard的英文缩写,直译就是“安全数字卡”,正式缩写为SD,是SD协会开发的一种专有 的非易失性 存储卡格式,用于便携式设备。由于它体积小、数据传输速度快、可热插拔等优良的特性,被广泛地于便携式装置上使用。
该标准于1999年8月由SanDisk,松下(MatsushitaElectric)和东芝共同努力推出,作为对MultiMediaCard(MMC)的改进,现已成为行业标准。这三家公司组成了SD-3C,LLC,这家公司许可并执行与SD存储卡以及SD主机和辅助产品相关的知识产权。
两家公司还于2000年1月成立了非营利组织SD协会(SDA),以促进和创建SD卡标准。SDA如今有大约1,000个成员公司。SDA使用SD-3C拥有并许可的多个商标徽标,以强制遵守其规范并确保用户的兼容性。
SD卡容量
SecureDigital包括五个可提供三种不同尺寸的卡系列。这五个系列分别是原始的标准容量(SDSC),大容量(SDHC),扩展容量(SDXC),超容量(SDUC)和SDIO,它们将输入/输出功能与数据存储相结合。所述的3个形式因素是原尺寸,微型尺寸,微尺寸。

SD卡外形

驱动模式
SD卡有两种驱动模式:SPI模式与SDIO模式。它们所使用的接口信号是不同的。在SPI模式下,只会用到SD卡的4根信号线,即CS、DI、SCLK与DO(分别是SD卡的片选、数据输入、时钟与数据输出)。
传输模式
SD卡共支持三种传输模式:SPI模式(独立序列输入和序列输出),1位SD模式(独立指令和数据通道,独有的传输格式), 4位SD模式(使用额外的针脚以及某些重新设置的针脚。支持四位宽的并行传输)。
SD卡三种模式的针脚定义:

SD卡内部结构及引脚如下图所示:

覆写保护开关
在SD卡的右面通常有一个开关,即是覆写保护开关,当覆写保护开关拨下时,SD卡将受到覆写保护,资料只能阅读。当覆写保护开关在上面位置,便可以覆写资料。由于这保护开关是选择性的,有些品牌的SD卡没有此保护掣。

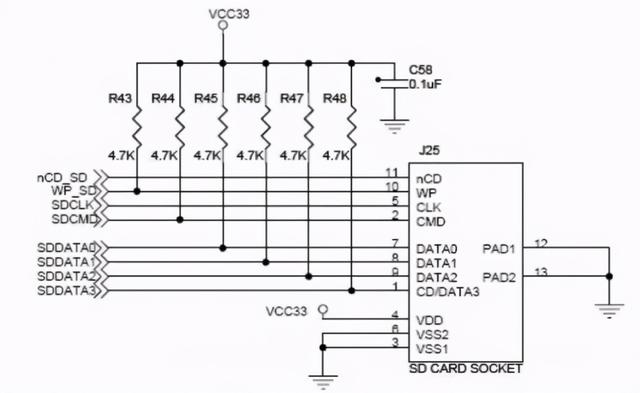
原理图
虽然标准SD卡是九脚,但原理图是SD卡座不是SD卡!!,所以原理图中一般都是11脚或更多。

一般10脚是检测卡是否插入,11脚是卡写保护的检测,再有其它引脚就是用于固定卡座的脚了,其实简单应用这两个脚都可以不要管的,这就是为什么SD卡原理图中的引脚版本不同引脚数目也不同了。
典型电路连接
SDIO连接模式

SPI连接模式

02TF卡
Micro SD Card,原名Trans-flashCard(TF卡),2004年正式更名为MicroSD Card,由SanDisk(闪迪)公司发明。MicroSD卡是一种极细小的快闪存储器卡,其格式源自SanDisk创造,原本这种记忆卡称为T-Flash,及后改称为TransFlash;而重新命名为MicroSD的原因是因为被SD协会(SDA) 采立。

它的体积为15mm x 11mm x1mm,差不多相等于手指甲的大小,是现时最细小的记忆卡。它也能通过SD转接卡来接驳于SD卡插槽中使用。现时MicroSD卡提供128MB、256MB、512MB、1G、2G、4G、8G、16G、32G、64G、128G的容量(MWC2014 世界移动通信大会期间,SanDisk(闪迪)打破了储存卡最高64GB容量的传统,正式发布了一款容量高达128GB的Micro SD XC 储存卡。
MicroSD的体积更小且可以转换SD卡使用,TF卡的电路和引脚和SD卡是一样的。

TF卡的PCB封装

从下图可以看出,靠近圆圈处的那个引脚没有和TF相连。

所以做TF封装和电路,9脚悬空
03TF转SD卡
TF卡可经SD卡转换器后,当SD卡使用。

内部电路

04注意事项
TF卡+卡套,组合起来也可以当SD卡使用,不过个很大一部分TF卡,不支持SPI访问模式,所以,SPI驱动SD卡的时候,尽可能选择大卡(SD卡),不要选择TF卡。