设计要求
- 掌握51单片机的软、硬件原理及常规应用;
- 掌握MQ-2烟雾报警器的工作原理、制作及控制方法;
- 掌握DS18B20温度传感器的工作原理、制作及控制方法;
- 掌握ADC0832模数转换芯片的工作原理与使用方法;
- 设计一个基于单片机的烟雾报警系统,并对其的各种功能和指标进行测量、分析和总结。
系统概述
本设计选用MQ-2烟雾传感器、DS18B20温度传感器以及AT89C51单片机作为核心器件并与其他电子技术相结合,通过AT89C51单片机控制传感器对检测地点的烟雾、温度进行实时检测,并把检测结果进行数据信息处理,可以实现声光电一体化报警、浓度显示、温度显示等功能。
烟雾-温度报警系统的组成部分有:MQ-2烟雾信号采集电路、ADC0832模数转换电路、DS18B20温度信号采集电路、单片机控制电路、LCD显示电路、按键电路、继电器电路(在实际应用中,继电器电路可以用来控制电闸、喷淋设施和消防设施等)和声光报警电路。系统框架如下所示。

MQ-2灵敏度特性
烟雾传感器在最佳工作条件下,接触同一种烟雾,其电阻值RS随气体浓度变化的特性称之为灵敏度特性,用K表示。
K=RS/RO
式中,RS为烟雾传感器洁净空气条件下的电阻值,RS为烟雾传感器在一定浓度的检测烟雾中的电阻值。虽然对于不同的烟雾,器件灵敏度特性K的值也会各有差异,但是它们都遵循同一规律。
logRS=mlogC+n
式中,m为器件相对烟雾浓度变化的敏感性,又称烟雾分离能,对于烟雾,m值为1/2~1/3;C为检测烟雾的浓度。n为与检测烟雾,器件材料有关,并随测试温度和材料中有无增感剂而有所不同。(MQ-2传感器详细介绍请见论文)
设计说明
首先,需要说明的是:由于Proteus软件没有MQ-2烟雾传感器模型,仿真中用滑动变阻器代替。
MQ-2气体传感器内部结构电导率随着气体浓度的增大而增大,其电阻是电导率的倒数,所以电阻是随之减小的。其特性就相当于一个滑动变阻器。所以在仿真中用滑动变阻器替代。
而在实际运用中,原理图中,MQ-2接线方式如下图所示。
由于MQ-2输出电压与烟雾浓度不成线性关系,浓度大小需要根据上文计算公式计算出Rs/R0的比值,然后查灵敏度特性曲线表得出,具体操作方法请见器件资料文件夹中关于MQ-2的电压-浓度转换操作说明。
仿真为了简便该过程,将烟雾等级(Smoke)分为5档,其与MQ-2输出电压对应关系如下表所示。
仿真电路图

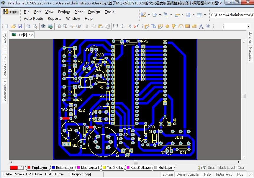
原理图及PCB

洞洞板实物
仿真结果分析
打开“火灾温度烟雾报警系统设计.DSN”仿真文件,双击单片机加载“报警.hex”文件,运行仿真,其结果如下所示。
从图中可以看出,LCD显示当前烟雾等级为3,小于设定的报警等级4;系统当前温度为29.8℃,在温度范围内(5~30℃);绿色LED灯点亮,指示系统处于正常工作状态下;继电器和蜂鸣器处于工作停止状态。
通过调节DS18B20传感器和RV3滑动变阻器上下红色箭头,改变温度大小或烟雾等级,使系统达到报警状态。此时,仿真结果如下3个图所示。


从以上3个报警状态可以看出,无论温度或烟雾是单独报警还是同时报警,系统动作都是一样的,即红色LED报警指示灯点亮,蜂鸣器鸣叫,继电器动作,达到声光电一体式报警动作。
可以通过“调整”、“调大”和“调小”按键,设置烟雾报警等级和温度报警上下限。按下“调整”键,进入烟雾报警等级设置,LCD光标闪烁,通过“调大”和“调小”键设置等级大小;设置完成好后,再次按下“调整”键,进入温度报警下限设置,同样操作。当3个参数都设置好后,按下“调整”键,即可退出系统设置。
本例中,我们设置烟雾报警等级为3,温度范围为20~60℃,结果如图所示。
当系统处于正常工作状态时,按下“呼叫”键,此时系统立刻进入报警状态:红色LED灯点亮,蜂鸣器鸣叫,继电器动作。呼叫键用于模拟系统失效或者出现紧急情况时,巡检人员手动操作直接报警。
分享的资源有
(1)基于MQ-2和DS18B20的火灾温度烟雾报警系统设计论文完整版;
(2)Keil C程序;
(3)Proteus仿真文件;
(4)开题报告和任务书;
(5)器件资料;
(6)原理图和PCB文件;
(7)元件清单;
(8)实物图;
全套资源如下






重要的事情说一遍!!!
获取基于MQ-2和DS18B20的火灾温度-烟雾报警系统设计全套设计资料!
请微信搜索关注我的公众号:交院小智