实物图


目 录
一、 总体设计方案…1
1.1 总体功能介绍…1
1.2 设计原理…1
1.3 VerilogHDL程序代码设计及功能介绍…5
1.4 总体电路图…6
二、功能仿真及分析…7
三、功能测试及分析…8
四、结论…15
4.1 系统特点及存在的问题…15
4.2 学习体会…15
五、附件(代码)…16
摘 要
关键词:FPGA, 时钟分频,异步时序
本设计基于FPGA(ALTERA cyloneII EP4CE6F17C8N)和Arduino(Mega2560)两种控制器,FPGA实现功能,Arduino实现屏幕显示。
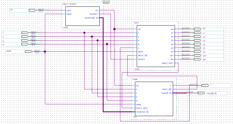
定义时钟模块,为room模块和maze模块提供clk时钟。提供随机数。
定义room模块,实现重置,时钟,方向,和判断是否拿到剑,s[n]表示到达哪个房间,s3表示进入maze模块。用case语句实现走动和位置的记录,最终通过结合随机数和是否拿到sword来判断能否打败龙。
定义maze模块,制作了一个八个房间的迷宫,剑藏在随机数所确定的房间里,如果走到的房间恰好为随机数表示的房间,那么v=1,表明拿到了剑。
一、总体设计方案
1.1 总体功能描述
有6个房间和1把斩首剑,以及一个包含9个房间的迷宫(剑在迷宫内)。开始于一个嘈杂的洞穴(the Cave of Cacophony)。要想获得胜利,必须要先通过曲折的隧道(the Twisty Tunnel)和湍急的河流(the Rapid River);然后你需要进入迷宫寻找随机放置在一个房间的斩首剑(the Vorpal Sword)。这把剑将保护你通过后面危机四伏的龙穴(the Dragon Den),安全地到达胜利穹顶(the Victory Vault)赢得胜利。如果你进入龙穴而没有斩首剑,你会被凶残的暴龙撕裂分食,尸骨被扔进阴森恐怖的墓地(the Grievous Graveyard)最终输掉游戏。而如果你有斩首剑,还要根据随机数来判定你是否能取得胜利。
新功能:
1、设有九宫格式迷宫,而宝剑藏于其中,需要通过寻找来获得宝剑,增加了游戏的趣味性。
2、采用液晶屏显示,显示实时位置,并且会有如“YOU WIN”等游戏输赢结果的提示和暴龙凶恶的画面,增加游戏的可读性和趣味性。
1.2 设计原理
(1)整体示意图(游戏地图)
(2)子功能模块:
①独立按键模块:
②Maze模块:
3、Room模块:
逻辑抽象
(4)状态转换图


1.3 Verilog HDL程序代码设计及功能介绍
1、独立按键模块:
(1)功能:四个按健各代表“N”“S”“W”“E”中的一个方向,实现“东”“西”“南”“北”的位置移动。
(2)设计过程:通过按键实现输入和状态转化,设计按键在电路板的四个方向,操控更加方便
2、clock_random模块:
(1)功能:①产生了两个随机数,一个是0/1,判定拿到斩首剑与暴龙战斗是否能胜利。1代表胜利,0代表失败。一个是000-111,产生斩首剑存放的房间号码。
②输出7Hz的主时钟信号,避免按一次独立按键检测到多个信号。
(2)设计过程:通过时钟产生随机数,通过三个时钟类似计数器产生000-111的信号,时间相等,因此概率也相等,在需要判定的那一刻取数,便实现了随机的效果。主时钟信号是多次调整的结果,频率太低容易检测不到,太高容易检测到多次。
3、单片机Arduino的LCD12864显示程序:
(1)功能:显示实时位置,并且会有如“YOU WIN”等游戏输赢结果的提示和暴龙凶恶的画面。
(2)设计过程:因用LED难以辨别状态,因此使用arduino的mega2560实现显示功能,通信方式为并行,通过I/O口检测高低电平显示不同的图像文字。
4、maze模块:
(1)功能:有9个房间,其中有一个房间藏着斩首剑,需要游戏者去寻找。
(2)设计过程:这是拓展部分,宝剑随机藏于0-7号房间,由东南西北四个按键控制,另外实验改进加入了一个类似锁存器的功能在模块中,以便于在进入房间一刻把随机数锁定。Maze模块属于状态3,与主模块room之间用sword_room和return_S2连接
5、Room模块:
(1)功能:有 6个房间,需要游戏者通过来可能到达迷宫寻找斩首剑以及前往龙穴战斗。
(2)设计过程:按照游戏要求设计,共7个状态,由东南西北四个按键控制。为避免进入S3后按键输入出现混乱,使用了if语句,在进入S3后room模块主功能停止作用。
1.4总体电路图

二、功能仿真及分析


分析:
向东:到达s1向南:到达s2
向西:到达maze,s3=1
向北:到达room0,v=0未拿到剑
向西:到达room2,v=0未拿到剑
向西:到达room5,v=0未拿到剑
向南:到达room6,v=0未拿到剑
向南:到达room7,v=0未拿到剑
向东:到达room4,v=0未拿到剑
向东:到达room1,v=0未拿到剑
向北:到达maze起点,v=0未拿到剑
向东:到达s2
向东:到达龙穴,没有剑,die=1战败死亡
reset置零,回到起点。
三、功能测试及分析
1、引脚分配


2、测试照片
①初始界面:显示嘈杂的洞穴(0号位置),曲折的隧道(1号位置)湍急的河流(2号位置),以及暴龙形象,呼应冒险游戏的主题,渲染紧张的游戏氛围。
②显示初始位置:嘈杂的洞穴(0号位置)
③经过曲折的隧道(1号位置)湍急的河流(2号位置)到达迷宫入口(entrance),即迷宫里的初始位置(8号房间)
④到达“?”房间(8号房间)后,显示迷宫地图。斩首剑藏于其中一个房间。
⑤去不同房间寻找宝剑,当前位于迷宫的3号房间
⑥获得斩首剑,即将返回前往龙穴
⑦返回到湍急的河流,下一个地点即为龙穴
⑧拿到斩首剑,却因为暴龙状态极佳,而无法与之匹敌,最终死亡(“you die”)
⑨游戏失败的画面
⑩游戏者再接再厉,最终拿到斩首剑赢得胜利
⑪游戏胜利的欢乐画面
四、结论
4.1系统特点及存在的问题
系统特点
模块之间接口完美,逻辑清晰。
利用同步时序电路,明确状态的变化,可以清楚的观察游戏者所处的位置。
存在的问题
迷宫部分实现了最基本的走动和随机数功能,还可以拓展其丰富性,另外,打龙的时候用随机数的概率来获得胜利比较单调,可以再设计一个能为玩家所控制的打龙模块。迷宫部分实现了最基本的走动和随机数功能,还可以拓展其丰富性,另外,打龙的时候用随机数的概率来获得胜利比较单调,可以再设计一个能为玩家所控制的打龙模块。
4.2学习体会
学到了各个模块之间如何实现接口的信息反馈,认识到模块的可扩展性尤为重要。熟悉了各种语句比如if语句case语句。学会如何表示状态的转移。认识到正确的仿真对测试结果的重要性。
五、附件(代码)
FPGA部分 (Verilog HDL):
Room模块:
module room(
input clk,n,s,e,w,v,reset,return_S2,random,
output reg s0,s1,s2,s3,s4,s5,s6,win,die,sword_room
);
always@(posedge clk or negedge reset)
begin
if(reset==1'b0)
{s0,s1,s2,s3,s4,s5,s6,win,die,sword_room}<=10'b1000_0000_00;
else if(return_S2&&s3==1)
begin
{s0,s1,s2,s3,s4,s5,s6,sword_room}<=8'b0010_0000;
end
else if(sword_room==0)
begin
case ({s0,s1,s2,s3,s4,s5,s6})
7'b1000_000:if(e==0) //s0
{s0,s1,s2,s3,s4,s5,s6}<=7'b0100_000;
7'b0100_000:begin//s1
if(s==0)
{s0,s1,s2,s3,s4,s5,s6}<=7'b0010_000;
else if(w==0)
{s0,s1,s2,s3,s4,s5,s6}<=7'b1000_000;
end
7'b0010_000:begin//s2
if(n==0)
{s0,s1,s2,s3,s4,s5,s6}<=7'b0100_000;
else if(w==0)
{s0,s1,s2,s3,s4,s5,s6}<=7'b0001_000;//s3
else if(e==0)
{s0,s1,s2,s3,s4,s5,s6}<=7'b0000_100;//s4
end
7'b0001_000:begin//s3
sword_room<=1;
end
7'b0000_100:begin//s4
if(v==0)
begin
{s0,s1,s2,s3,s4,s5,s6}<=7'b0000_001;//s6
end
else
begin
if(random==0)
{s0,s1,s2,s3,s4,s5,s6}<=7'b0000_010;//s5
else
{s0,s1,s2,s3,s4,s5,s6}<=7'b0000_001;//s6
end
end
7'b0000_010:begin//s5
win<=1;
end
7'b0000_001:begin//s6
die<=1;
end
default:{s0,s1,s2,s3,s4,s5,s6}<=7'b1000_000;
endcase
end
end
endmodule
maze模块:
module maze(
input clk,n,s,e,w,reset,sword_room,
input[2:0]random,
output reg v,
output reg return_S2,
output reg [8:0] room
);
reg[3:0]state=4'b1000;
reg flag=0;
reg [2:0]locked=3'b111;
always@(posedge clk or negedge reset)
begin
if(reset==1'b0)
begin
state<=4'b1000;
flag<=0;
locked[2:0]<=3'b111;
v<=0;
return_S2<=0;
room<=9'b100_000_000;
end
else if(sword_room)
begin
if(flag==0)
begin
locked[2:0]<=random[2:0];
flag<=1;
end
case(state)
4'b0000:begin
room<=9'b000_000_001;//room0
if(w==0)state<=4'b0010;//2
else if(s==0)state<=4'b1000;//8
else state<=4'b000;
end
4'b0001:begin
room<=9'b000_000_010;//room1
if(w==0)state<=4'b0100;
else if(n==0)state<=4'b1000;
else state<=4'b0001;
end
4'b0010:begin
room<=9'b000_000_100;//room2
if(s==0)state<=4'b0011;
else if(w==0)state<=4'b0101;
else if(e==0)state<=4'b0000;
else state<=4'b0010;
end
4'b0011:begin
room<=9'b000_001_000;//room3
if(e==0)state<=4'b1000;
else if(w==0)state<=4'b0110;
else if(n==0)state<=4'b0010;
else if(s==0)state<=4'b0100;
else state<=4'b0011;
end
4'b0100:begin
room<=9'b000_010_000;//room4
if(e==0)state<=4'b0001;
else if(n==0)state<=4'b0011;
else if(w==0)state<=4'b0111;
else state<=4'b0100;
end
4'b0101:
begin
room<=9'b000_100_000;
if(e==0)state<=4'b0010;
else if(s==0)state<=4'b0110;
else state<=4'b0101;
end
4'b0110:begin
room<=9'b001_000_000;
if(e==0)state<=4'b0011;
else if(s==0)state<=4'b0111;
else if(n==0)state<=4'b0101;
else state<=4'b0110;
end
4'b0111:begin
room<=9'b010_000_000;
if(e==0)state<=4'b0100;
else if(n==0)state<=4'b0110;
else state<=4'b0111;
end
4'b1000:begin
room<=9'b100_000_000;//room8
if(e==0) return_S2<=1;
else if(n==0)state<=4'b0000;
else if(s==0)state<=4'b0001;
else if(w==0)state<=4'b0011;
else state<=4'b1000;
end
endcase
if(state[2:0]==locked[2:0])
v<=1;
end
end
endmodule
clock_random模块:
module clock_random(
input clk0,reset,
output reg clk,random1,
output reg [2:0] random2
);
reg clk1,clk2,clk3;
//test:
/*
parameter COUNT_TIME=2000_0000;//room and maze,clk
parameter COUNT_TIME1=2000_0000;//clk1
parameter COUNT_TIME2=1000_0000;//clk2
parameter COUNT_TIME3=500_0000;//clk3
parameter CLK_FREQ = 100_00_0000; //clock frequency
*/
parameter COUNT_TIME=7;//room and maze
parameter COUNT_TIME1=100;
parameter COUNT_TIME2=50;
parameter COUNT_TIME3=200;
parameter CLK_FREQ = 5000_0000; //clock frequency
parameter NUM_COUNT=CLK_FREQ/COUNT_TIME;
parameter NUM_COUNT1=CLK_FREQ/COUNT_TIME1;
parameter NUM_COUNT2=CLK_FREQ/COUNT_TIME2;
parameter NUM_COUNT3=CLK_FREQ/COUNT_TIME3;
reg[31:0] scan_timer,scan_timer1,scan_timer2,scan_timer3; //scan time counter
always@(posedge clk0 or negedge reset)
begin
if(reset == 1'b0)
begin
scan_timer<=32'd0;
scan_timer1 <= 32'd0;
scan_timer2<= 32'd0;
scan_timer3<= 32'd0;
end
else if(scan_timer>=NUM_COUNT)
begin
scan_timer<=32'd0;
clk=~clk;
end
else if(scan_timer1>=NUM_COUNT1)
begin
scan_timer1<=32'd0;
clk1=~clk1;
end
else if(scan_timer2>=NUM_COUNT2)
begin
scan_timer2<=32'd0;
clk2=~clk2;
end
else if(scan_timer3>=NUM_COUNT3)
begin
scan_timer3<=32'd0;
clk3=~clk3;
end
else
begin
scan_timer<=scan_timer+32'd1;
scan_timer1 <= scan_timer1 + 32'd1;
scan_timer2 <= scan_timer2 + 32'd1;
scan_timer3 <= scan_timer3 + 32'd1;
if(clk1==clk2)
random1<=1;
else
random1<=0;
//random2:0-7,一定要写成b不能是d!
case({clk1,clk2,clk3})
3'b000:random2<=3'b000;
3'b001:random2<=3'b001;
3'b010:random2<=3'b010;
3'b011:random2<=3'b011;
3'b100:random2<=3'b100;
3'b101:random2<=3'b101;
3'b110:random2<=3'b110;
3'b111:random2<=3'b111;
default:random2<=0;
endcase
end
end
endmodule
单片机Arduino的LCD12864显示程序(C语言):
#include <LCD12864RSPI.h>
#define AR_SIZE( a ) sizeof( a ) / sizeof( a[0] )
#define S0 22
#define S1 24
#define S2 26
#define S3 28
#define S4 30
//#define S5 32
//#define S6 34
#define V 32
#define WIN 34
#define DIE 36
#define ROOM0 23
#define ROOM1 25
#define ROOM2 27
#define ROOM3 29
#define ROOM4 31
#define ROOM5 33
#define ROOM6 35
#define ROOM7 37
#define ROOM8 39
//unsigned char show0[]={0xBC,0xAB,0xBF,0xCD,0xB9,0xA4,0xB7,0xBB};//极客工坊
const unsigned char show1[] ="make by Chan,Jin,Shou";
unsigned char win_pic[]=
//以下省略几十页图片矩阵
const unsigned char s0[] ="Your position is 0";
const unsigned char s1[] ="Your position is 1";
const unsigned char s2[] ="Your position is 2";
const unsigned char s3[] ="You're in the sword_room";
const unsigned char s4[] ="You're fighting with dragon";
const unsigned char win[]="you WIN";
const unsigned char die[]="you DIE";
const unsigned char v[]="get the sword";
const unsigned char room8[] ="You're in entrance";
const unsigned char room7[] ="You're in room7";
const unsigned char room6[] ="You're in room6";
const unsigned char room5[] ="You're in room5";
const unsigned char room4[] ="You're in room4";
const unsigned char room3[] ="You're in room3";
const unsigned char room2[] ="You're in room2";
const unsigned char room1[] ="You're in room1";
const unsigned char room0[] ="You're in room0";
void setup()
{
LCDA.Initialise(); // 屏幕初始化
delay(100);
for(int i=22;i<=36;i=i+2)
pinMode(i,INPUT);
for(int i=23;i<=41;i=i+2)
pinMode(i,INPUT);
LCDA.DisplayString(0,0,show1,AR_SIZE(show1));
delay(1000);
LCDA.CLEAR();
delay(50);
}
void loop()
{
if((digitalRead(S3)==0)&&digitalRead(WIN)==0&&digitalRead(DIE)==0)
{
LCDA.DrawFullScreen(main_map);
delay(1000);
if(digitalRead(S0))
{
LCDA.CLEAR();
LCDA.DisplayString(2,1,s0,AR_SIZE(s0));
delay(500);
}
if(digitalRead(S1))
{
LCDA.CLEAR();
LCDA.DisplayString(2,1,s1,AR_SIZE(s1));
delay(500);
}
if(digitalRead(S2))
{
LCDA.CLEAR();
LCDA.DisplayString(2,1,s2,AR_SIZE(s2));
delay(500);
}
if(digitalRead(S4))
{
LCDA.CLEAR();
LCDA.DisplayString(2,1,s4,AR_SIZE(s4));
delay(500);
}
LCDA.CLEAR();
delay(50);
}
if(digitalRead(S3)==1)
{
LCDA.DrawFullScreen(sword_room_map);
delay(1000);
if(digitalRead(ROOM0))
{
LCDA.CLEAR();
LCDA.DisplayString(2,1,room0,AR_SIZE(room0));
delay(500);
if(digitalRead(V))
{
LCDA.CLEAR();
LCDA.DisplayString(2,1,v,AR_SIZE(v));
delay(500);
}
}
if(digitalRead(ROOM1))
{
LCDA.CLEAR();
LCDA.DisplayString(2,1,room1,AR_SIZE(room1));
delay(500);
if(digitalRead(V))
{
LCDA.CLEAR();
LCDA.DisplayString(2,1,v,AR_SIZE(v));
delay(500);
}
}
if(digitalRead(ROOM2))
{
LCDA.CLEAR();
LCDA.DisplayString(2,1,room2,AR_SIZE(room2));
delay(500);
if(digitalRead(V))
{
LCDA.CLEAR();
LCDA.DisplayString(2,1,v,AR_SIZE(v));
delay(500);
}
}
if(digitalRead(ROOM3))
{
LCDA.CLEAR();
LCDA.DisplayString(2,1,room3,AR_SIZE(room3));
delay(500);
if(digitalRead(V))
{
LCDA.CLEAR();
LCDA.DisplayString(2,1,v,AR_SIZE(v));
delay(500);
}
}
if(digitalRead(ROOM4))
{
LCDA.CLEAR();
LCDA.DisplayString(2,1,room4,AR_SIZE(room4));
delay(500);
if(digitalRead(V))
{
LCDA.CLEAR();
LCDA.DisplayString(2,1,v,AR_SIZE(v));
delay(500);
}
}
if(digitalRead(ROOM5))
{
LCDA.CLEAR();
LCDA.DisplayString(2,1,room5,AR_SIZE(room5));
delay(500);
if(digitalRead(V))
{
LCDA.CLEAR();
LCDA.DisplayString(2,1,v,AR_SIZE(v));
delay(500);
}
}
if(digitalRead(ROOM6))
{
LCDA.CLEAR();
LCDA.DisplayString(2,1,room6,AR_SIZE(room6));
delay(500);
if(digitalRead(V))
{
LCDA.CLEAR();
LCDA.DisplayString(2,1,v,AR_SIZE(v));
delay(500);
}
}
if(digitalRead(ROOM7))
{
LCDA.CLEAR();
LCDA.DisplayString(2,1,room7,AR_SIZE(room7));
delay(500);
if(digitalRead(V))
{
LCDA.CLEAR();
LCDA.DisplayString(2,1,v,AR_SIZE(v));
delay(500);
}
}
if(digitalRead(ROOM8))
{
LCDA.CLEAR();
LCDA.DisplayString(2,1,room8,AR_SIZE(room8));
delay(500);
if(digitalRead(V))
{
LCDA.CLEAR();
LCDA.DisplayString(2,1,v,AR_SIZE(v));
delay(500);
}
}
}
if(digitalRead(WIN)==1||digitalRead(DIE)==1)
{
if(digitalRead(WIN))
{
LCDA.CLEAR();
LCDA.DisplayString(2,1,win,AR_SIZE(win));
delay(500);
LCDA.DrawFullScreen(win_pic);
delay(1000);
}
if(digitalRead(DIE))
{
LCDA.CLEAR();
LCDA.DisplayString(2,1,die,AR_SIZE(die));
delay(500);
LCDA.DrawFullScreen(die_pic);
delay(1000);
}
}
LCDA.CLEAR();
delay(50);
}