程序运行效果说明
程序设计目标:8个数码管数值从右往左循环移动显示。
测试方法说明:只需要一个电路板,将程序下载到STC板子上后,看到8个数码管从左到右分别显示0到7的八个数字,隔一段时间后显示1到8,接着是2到9,再接着是3到0……重复这样的规律显示,达到的效果是0到9这10个数字循环向左移动。
程序相关电路及工作原理说明
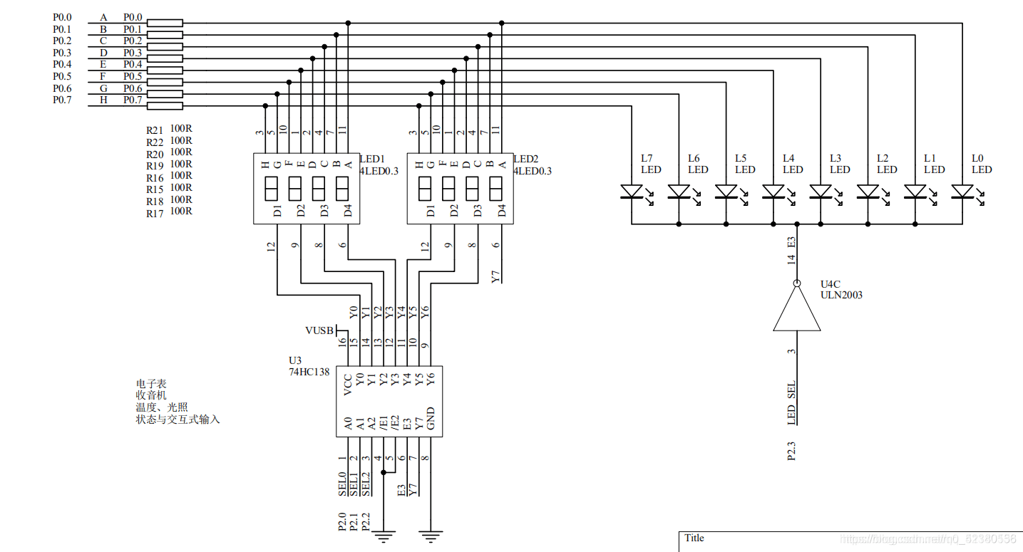
本电路图由8个数码管及相应的控制电路组成。图中LED部分不属于本程序控制范围。但是由于P2^3是数码管与发光二极管的共用引脚,因此在此列出。8个LED数码管是否显示由位选线决定。要控制8个LED数码管的显示需要3位二进制码表示,并且电路图中与P2.0、P2.1、P2.2对应的SEL0、SEL1和SEL2就是用于控制8个数码管显示的位选引脚。SEL0、SEL1、SEL2组合的值为多少,则对应第几个数码管显示。 确定要显示的数码管之后需要确定具体显示的数值,依据其对应的数码管八段中的段位来决定。每个LED数码管八段定义如下图所示:
代码如下:
#include "STC15F2K60S2.H"
#define uint unsigned int
#define uchar unsigned char
sbit sbtSel0=P2^0; //
sbit sbtSel1=P2^1; //
sbit sbtSel2=P2^2; //位选的三个引脚控制位
//变量定义
uchar ucDig1Tmp;
uchar ucDig2Tmp;
uchar ucDig3Tmp;
uchar ucDig4Tmp;
uchar ucDig5Tmp;
uchar ucDig6Tmp;
uchar ucDig7Tmp;
uchar ucDig8Tmp;//show_wi(i=1,2,3,4,......,8)分别是从左到右的各个数码管上显示的数字
uchar ucSeg7State;
uchar ucCount;
uchar arrSegSelect[]={0x3f,0x06,0x5b,0x4f,0x66,0x6d,0x7d,0x07,0x7f,0x6f,0x77,0x7c,0x39,0x5e,0x79,0x71,0x40,0x00};//段选
uchar arrDigSelect[] = {0x00,0x01,0x02,0x03,0x04,0x05,0x06,0x07};//位选
void Init()//初始化函数
{
P2M0=0xff;
P2M1=0x00;
P0M0=0xff;
P0M1=0x00;//P0,P2都设置为推挽输出
ucSeg7State=0;
ucCount=0;
ucDig1Tmp=0;//最开始数码管从左到右显示0-7
ucDig2Tmp=1;
ucDig3Tmp=2;
ucDig4Tmp=3;
ucDig5Tmp=4;
ucDig6Tmp=5;
ucDig7Tmp=6;
ucDig8Tmp=7;
TMOD=0x01; //定时器0,方式1
ET0=1; //开启定时器中断
TH0=(65535-1000)/256; //定时器0的高八位设置
TL0=(65535-1000)%256;//定时器的低八位设置
TR0 = 1; //启动定时器
EA = 1; //开启总中断
}
//定时器T0中断服务函数
void T0_Process()interrupt 1 //把数码管的显示提到中断里面来了
{
TH0=(65535-1000)/256;//重新装载定时器0的初始值,为了下一次定时器溢出做准备
TL0=(65535-1000)%256;
ucSeg7State++;//这变量两个作用:具有下面分频作用,和扫描过程中显示第ucSeg7State个数码管的作用
if(ucSeg7State==8)//进行分频,每中断八次才让ucCount的值加一次
{
ucSeg7State=0;
ucCount++;
}
if(ucCount==100)//考虑到扫描频率很高这里再次分频,ucCount加到100才执行
{
ucCount=0;
ucDig1Tmp++;//让从左往右各个数码管上的数字都加一
ucDig2Tmp++;
ucDig3Tmp++;
ucDig4Tmp++;
ucDig5Tmp++;
ucDig6Tmp++;
ucDig7Tmp++;
ucDig8Tmp++;
}
P0=0;//让数码管显示更加好,不受上一次P0赋值的影响
P2=arrDigSelect[ucSeg7State];//位选,选第ucSeg7State个数码管
switch(ucSeg7State)//每次中断显示一个数码管
{
case 0:
P0=arrSegSelect[ucDig1Tmp%10];
break;//从左到右,第一个数码管显示
case 1:
P0=arrSegSelect[ucDig2Tmp%10];
break;//从左到右,第二个数码管显示
case 2:
P0=arrSegSelect[ucDig3Tmp%10];
break;//从左到右,第三个数码管显示
case 3:
P0=arrSegSelect[ucDig4Tmp%10];
break;//从左到右,第四个数码管显示
case 4:
P0=arrSegSelect[ucDig5Tmp%10];
break;//从左到右,第五个数码管显示
case 5:
P0=arrSegSelect[ucDig6Tmp%10];
break;//从左到右,第六个数码管显示
case 6:
P0=arrSegSelect[ucDig7Tmp%10];
break;//从左到右,第七个数码管显示
default:
P0=arrSegSelect[ucDig8Tmp%10];
break;//从左到右,第八个数码管显示
}
}
//主函数
void main()
{
Init();//初始化
while(1);
}
版权声明:本文为m0_52380556原创文章,遵循CC 4.0 BY-SA版权协议,转载请附上原文出处链接和本声明。