鉴频鉴相器是锁相环中常用的电路结构,属于电荷泵锁相环。根据拉扎维CMOS模拟IC中定义,鉴频鉴相器用在二型锁相环中,后面接电荷泵。本文分析各类PFD的优缺点以及PFD性能指标解读。
这里仅仅讨论不同的电路结构,PFD的性能指标解读,另写博客讲解。
1.PFD电路结构
总体来讲,PFD一共有四种电路结构, 传统的PFD,预充电PFD(pt-PFD),非时钟PFD(NC-PFD),边沿触发的PFD.
1.1传统PFD
有RS触发器构成。
优点:鉴相范围[− 2 π -2\pi−2π,2π \piπ],范围宽
缺点:存在死区(可以通过增加复位延时消除死区),电路结构复杂,需要的晶体管数量多。由于多输入逻辑们延时较大,电路工作频率不高。而且高频动态功耗大。
此电路暂时不分析,没找到对应的原始论文
1.2非时钟PFD(nc-PFD)
参考文献:A Simple Precharged CMOS Phase Frequency Detector ——1998 JSSC,最早提出的NC-PFD.
特点:电路结构简单,仅需要18个mos管。无死区,电平敏感。
缺点:检相范围[-π \piπ,π \piπ],输出受到占空比的影响。
以下图为例分别分析优缺点
假设参考时钟(Fref)和反馈时钟(slave)同频率,Fref相位超前。
当Fref=1时:两个nc-stage最下面的MOS管都导通,等到Slave信号为1,DOWN变为1.,UP变为1
之后,Fref先变0,此时DOWN跟随Fref拉低。B点点位高阻保持,等到Slave变为0,UP信号在拉低。
因此:UP信号与Slave信号脉宽相同,Down信号宽度等于Fref下降沿减去Slave信号上升沿。
在考虑如下问题:
1由以上分析可知,NC-PFD是电平敏感,因此若输入信号的占空比变化,其输出UP和DOWN的脉冲宽度页随之变化。
2.假设Fref和Slave信号同频反相。则Fref和Slave电平始终相反,一个为0,另一个为1。此时UP和down一直为0,无法鉴相。
当Slave信号落后相位大于180时,同理分析,DOWN的脉冲宽度大于UP的脉冲宽度,鉴相错误。
(Slave信号落后时,UP信号应大于DOWN信号。)
故NC-PFD鉴相范围[-π \piπ,π \piπ]
3.假设Fref和Slave信号,同频同相。仿照之前的分析过程,UP和DOWN信号同时拉高,拉低。且脉冲宽度应该等于输入信号的脉宽。脉宽足够用来开启电荷泵开关,不存在死区。
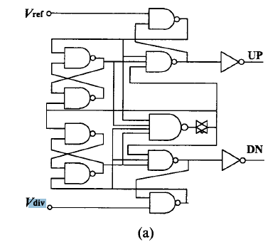
1.2 预充电PFD(pt-PFD)

特点:电路结构简单,边沿敏感,低电平先预充电,高电平传递信号。
缺点:有死区,鉴相范围[-π \piπ,π \piπ]
用以下波形解释上述特点:
当Vref=0时:预充电节点1拉高,等待Vref拉高。
当Vref=1时:DN输出1。
同理
当Vdiv=0时:预充电节点1拉高,等待Vref拉高。
当Vdiv=1时:UP输出1。
当Vref和Vdiv同时为1的时候,上下两部分同时复位,UP=DOWN=0;复位通过Vref和Vdiv向后传递,存在一定的传播延时。
总结以下几个问题:
1.由于复位信号的传播延时存在,当Vref和Vdiv之间的相位差足够小的时候,DN和UP脉冲宽度也会很小,可能仅为复位信号的传播延时。无法打开电荷泵开关,产生死区。
2.由前面分析可知,只有当Vref和Vdiv同时为1的时候,才会产生复位信号,因此当输入信号同频反相,时没有哪一时刻,两者同为1。鉴相器无法工作
当Vdiv落后于Vref的大于180度时,与nc-PFD类似,会出现相反的鉴相结果,鉴相错误。
故:鉴相范围[-π \piπ,π \piπ]
1.3边沿触发型PFD

边沿触发式PFD的电路结构。主体电路由两个带有复位端的D 触
发器和一个或非门组成。优点是线性度好,鉴相范围宽,理想鉴相范围达到(-2π,2π)。性能良好的
D 触发器的设计将是整个边沿式PFD 设计的关键。
由于存在复位时间,也会有死区存在。可以通过加大复位延迟消除死区,是短脉冲宽度足够打开电荷泵开关。