文章目录
软件准备
Altium_Designer_Beta_18.1.7已安装好。
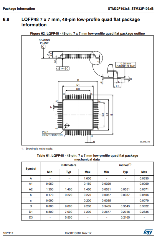
STM32最小系统电路原理图
1、查找STM32最小系统原理图样式
进入浏览器,搜索该网址https://www.st.com/content/st_com/en.html
进入后,选择查看产品,点击上方选择栏,点击选择3×3的图标
然后选择”Microcontrollers & Microprocessors”
再次点击选择"STM32-bits Arm cortex MCUs"
之后在左侧菜单栏选择"STM32 F1series"
再次选择"STM32F103"
选择"STM32F103C8"
选择下载“STM32F103C8"的数据表”Download datasheet“

之后进入查看文档,查找所需要的STM32最小系统原理图

2、创建stm32最小系统元件库
新建一个元件库工程
新建文件,工程选择如下
工程改名保存,如下

新建PCB元件库和SCH元件库
添加完成后页面自动弹出如下,可以点击页面底部的窗口进行选择”project"


添加完成,保存工程
芯片PCB的封装
芯片封装使用系统自带的封装。如下
打开“PCB Library"窗口
选择工具
页面自动弹出,显示如下,点击”Next"

选择FQFP,再点击“Next"
对照第一步中的数据分析表,填写封装参数

点击”next",填写第二张表中的参数(有点错误,将最后的16全部改为12)
填写完成,直接点击“next”,一直到最后一步点击“finish"
显示如下
芯片SCH的封装
切换到工程页面
打开“最小系统元件库.SchLib”
选择”place“,放置一个矩形,这就是要封装的芯片

选择”place“,放置置芯片引脚


之后双击引脚,根据第一步中的数据表芯片引脚图编辑引脚名称和引脚并标识
引脚放置时需注意,点击引脚,空格键翻转,摆放到合适位置后左键点击固定位置
修改完之后,如图
按Add_Footpoint添加画好PCB封装

完成之后点击ok即可
SCH library中双击元件修改名称

U?(问号必须用中文输入法)是芯片(IC)
右键工程选择第一项检查错误(如果SCH中的引脚标识在PCB中没有相应的引脚就会报错),并生成库文件
之后元件库生成完毕,页面显示如下:
自定义元器件PCB的封装
在PCB库编辑页面右键,新建空白元件
双击,编辑它的名称

点击放置走线
放置后双击线条,修改当前层为TOP Overlay(丝印层)
线条放置如下
同上放置圆弧
放置后双击圆弧,修改当前层为TOP Overlay(丝印层)
放置填充
放置后双击填充物,修改当前层为TOP Overlay(丝印层)
最后放置焊盘

自定义元器件SCH的封装
打开SCH Library,选择左边窗口最下方的”add"
开始放置线条

最后同上述一样add footpoint然后生成库文件
SCH library中双击元件修改名称,J是晶振
右键工程选择第一项检查错误,并生成库文件,显示如下
至此完成一个最小元件库的封装。
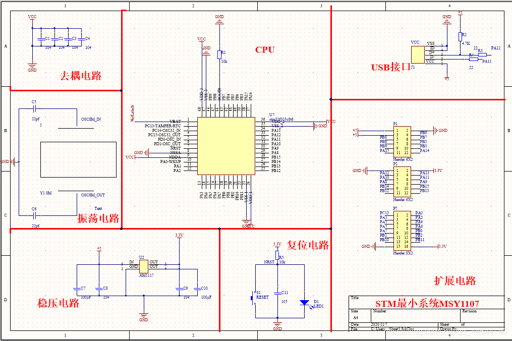
3、绘制stm32最小系统原理图
再新建工程,右键[Schematic]建立原理图绘制界面
放置元器件,右方点击Libraries,再点击installed,即可把自己创建的库加进来
这时可以看到自己创建的库
双击放置一个芯片
放置线将各个引脚延长
点击放置网络标号,双击写上对应的网络名称
连接在VBAT1端口之后,修改名称为VOUR如下
此时注意,查看添加网络端口时必须确认有4个点才能算是连上,(查看放大图像crtl+鼠标滚轮)如下:

添加VCC,电压为3.3V

添加GND,接地端子
再在官方库里搜索添加RES,10kΩ
完成芯片如下
再在官方库里搜索添加添加元器件,放进电路中即可;
由于在AD自带的官方库里没有USB以及AM1107(稳压模块会用到),因此仿造前文绘制元器件的办法(用系统自带的封装即可),再绘制USB、AM1107放置在自己创建的库里,步骤与前文一致,不再赘述,如下:

最终放置元器件原理图如下
对原理图各个电路部分进行标识,点击上方菜单栏的“A"添加文本框,拖到指定部分,例如”去耦电路“等等如下

至此,STM32最小系统原理图绘制完成。
https://blog.csdn.net/ima_xu/article/details/82528752
总结
今日所学,Altium Designer绘制STM32最小系统原理图。主要在于Altium Designer软件的学习,创建元件库的方法,绘制电路图的操作。