文章目录
?电赛公开课整理(一),电路基础,截图+模电知识【15000字】【原创】
?电赛公开课整理(二),电路基础,截图+模电知识【16000字】【原创】
电赛公开课整理(一),电路基础,截图+模电知识【15000字】【原创】
电赛公开课整理(二),电路基础,截图+模电知识【16000字】【原创】
十二、加减法与直流偏置电路
虽然运算放大器的基本特性就是放大两个输入端的差值,但是单独运放是无法作为减法电路来使用,因为哪怕只有1mV的输入差值,也能使运放输出饱和。
1.2 同相比例加法电路
同相比例运算电路也可以构成加法电路。我们想当然的会设计出如图3所示的“同相比例加法电路来,按理说该电路应该可行。
图3 同相比例“加法”电路
我们先不做计算,直接运行仿真看看是什么效果。如图4所示,三个输入信号VG1、VG2、VG3的幅值仍然为1/2/3伏,但是输出电压VF1的幅值却只有2V,这不科学啊。
图4 同相加法电路
为什么实际情况与想象的不同呢?当运放输入端电压为0V(GND)的时候,各信号可单独使用叠加原理进行计算,各输入信号之间没有相互影响。但是同相放大电路的各输入信号之间是相互影响的。
图3所示电路的正确分析方法为:
1) 由于虚短虚断,所以uN=uP=uO。
2) 电路等效为图5所示的电路求解中心点电压。求解的方法用叠加原理最简单,分别计算三个输入信号的影响再求和,得到式3。
图5 同相比例“求和”等效电路
如图6所示,增加电阻R1和R5构成3倍放大以后,就可以得到1:1比例的加法电路了,图7显示的仿真结果也符合加法电路逻辑。
图6 改进后的同相比例加法电路
图7 同相比例加法电路瞬时现象仿真
3 减法运算电路用于直流偏置
利用运放缩放信号幅值和控制直流偏移是非常普遍的应用。
- 绝大多数ADC都是单极性的,所以在ADC采样应用中,需要把双极性信号进行正向平移(可能还需缩放),变为单极性信号再给ADC采样。
- 大多数DAC都是单极性的,所以如果需要DAC输出双极性信号,就需要运放将单极性信号进行负向平移(可能还需缩放),变成双极性信号输出(R-2R型DAC输出本就需接运放,可直接实现双极性输出)。
如图12所示的电路为一种ADC采样信号平移的方法。
假设ADC基准电压范围是0-2V,待测信号幅值为1V。则待测信号需要向上平移1V。
双极性信号由反相端输入,取-1倍放大。由电阻分压出0.5V信号输入运放同相端,反馈网络实现2倍放大,即平移1V。输入输出电压关系式为:
(8)注意,平移信号用的直流电压必须是低内阻的,所以C2电容必不可少。


图12 电平正向平移电路
如图13所示的电路为一种利用运放实现DAC双极性输出的方法。
- DAC信号由同相端输入,偏移电压由反相端输入,图中偏移电压直接使用了VCC,实际也可由电阻分压出其他电压值,无论是何种偏置电压,都需要并联大电容C1以减小交流阻抗。


图13 电平负向平移电路
4 直流偏置电路的改进
图13和图14所示的直流偏置电路有一个缺点,那就是实际偏置电压与增益有关。对图13进行改进,信号源VG1串联电容C3后得到图15所示的改进型直流偏置电路,其平移电压与增益无关,经常用在单电源运放的场合。
图15 固定直流偏置电路
- 模拟电路中,除了用于定时和振荡用途的电容,其余的0.1μF以上的电容在电路中都是充当“直流电池”角色的。这类电路时,首先就是搞清楚电容上充的电压是多少。
- ==只要把输入信号VG1当成0V,就可以求出稳态时各“直流电池”电容的电压。==图中C3上电压VM2=uN=uP=2.5V。
- 有了C3电压值,就可以求解输入输出电压关系:

抛开式11~式13的理论计算,还可以从同相比例和反相比例放大倍数直接分析直流偏置的结果。 - 图15中C3电压(VM1)与同相端直流电压uP相等,会被放大(-R4/R1(r1改r3))倍。
- 而同相端直流电压uP会被放大(1+R4/R1(r1改r3))倍。
- 所以总体效果就是输出电压平移了1倍的uP。
课后问答
欢迎大家留言作答以下题目,答案将在下期公开课公布。在答案公布前作答正确的同学,还将获得5枚赫兹币奖励哦~
课后问答:
1、图1电路中,电阻R1、R2、R3、Rf取值分别为1k、2k、3k、3k,输入信号幅值均为1V,求输出电压幅值?
2、图3电路中,电阻R1、R2、R3取值分别为1k、2k、2k,输入信号幅值均为1V,求输出电压幅值?、
十三、电流检测
大多数的电子电路中,都包含测控环节,即测量出电路运行参数,然后基于这些参数来控制电路。电路中,最普遍的物理参数量就是电压和电流。由于各种现实原因,我们的检测工具大部分是基于电压量输入的,因此对于电流的检测也通常要转变为电压信号再进行测量。
1 电流检测方法
在实际应用中,我们经常需要检测电流的大小。电压检测可以很容易的用分压电阻的方法得到,但是电流的检测方法却要复杂一些。通常有两大类方法检测电流,隔离或是不隔离。
对于工频正弦交流电,可以采用电流互感器进行隔离检测,利用变压器原理将原边电流折算到副边,使用电流互感器有几个注意事项:
- 如图1所示为不同规格大小的电流互感器,待测电流导线穿过互感器中心,相当于是变压器的初级,一般只有1匝(也可导线多次穿心变多匝),副边则有多匝。
- 互感器的参数不是标匝数比,而是标类似100A:1A。变压器电流比等于电压比(匝数比)反比,“100A:1A”还给出了额定电流的参数。特别小的电流互感器也采用实心结构,相当于把穿心导线提前做进去了,直接引出接头或引脚使用。

图1 电流互感器
- 切记电流互感器的次级不能断路。图2所示的仿真电路,
次级所接电阻用1MΩ电阻来模拟断路情况。VG1电压采用幅值1000V的正弦波,
待测电流正好为100A 幅值正弦波。

图2 互感器测量电流
- 仿真结果如图3所示。现象很好解释,次级线圈的电流将为1A幅值的电流,
乘以电阻1MΩ的R2,电压值可不就是10万伏高压了吗。
仿真中使用的变压器是理想变压器,实际中电压未必能到10万伏,
但是定性的结果是类似的。

图3 电流互感器次级开路高压仿真
- 图2电路所犯的错误来源于对我们长期以来对电流源和电压源概念的混乱认识上。
电压源不能短路,电流源不能开路,电压源常见而电流源不常见。
电流互感器的输出端在任何时候都应该并联上电阻或导线,
以免意外产生高压带来危险和损坏。 - 使用电流互感器还有一个注意事项就是图2中R2电阻的功率问题。
通常电路我们都无需去计算电阻的功耗是否符合要求,
但是电流互感器所用的电阻往往都是需要仔细计算发热功率的。 - 具体就是,根据信号要求调节R2阻值,获取足够幅值的测量电压。比如,
希望待测电流100A对应测量电压5V,就可以将R2设定为5Ω。
然后用I2R算出电阻的额定功率为5W(次级额定电流1A),
一般功率电阻留1倍安全裕量,取5Ω/10W功率电阻。
如果待测信号是直流或者非工频正弦交流,则不能使用互感器
(市售互感器仅针对工频设计)。这时可以采用价格昂贵的霍尔
电流传感器进行隔离测量(霍尔传感器的知识可以自行科普),
也可以用交直流任意波形通杀的“分流器”进行非隔离测量。
分流器名字高大上,但说白了其实它就是个检流电阻,
但随便一个电阻是不能充当检流电阻使用。 - 检流电阻串联在主电路中,电流很大,必然发热。
由于我们使用过程中不会再去测量电阻值,所以检流电阻的阻值必须稳定,
也就是不能随温度显著变化。如图4所示为大功率分流器,
黑色部分是一般是用康铜材料,缺口用于调整阻值,
银白部分为紫铜镀锌材质的接头。 - 检流电阻的阻值一般都很小,所产生的压降要不能影响主电路。
分流器的一般标准是XXA/75mV,也就是达到额定电流时,压降为75mV。
除了可直接接指针类仪表外,对分流器信号采样前需要放大。

图4 分流器
- 在数安培以内的小功率应用场合,我们也常用的毫欧级的专用功率电阻进行
检测电流,这类电阻需是无感电阻,一般为针插或贴片封装,
便于安装在PCB电路板上。
无论是大功率分流器还是小型检流电阻,出于少影响待测电路的目的,
它们产生的电压都很小,需要进一步放大。放大电路的基本接法有两大类,
低侧电流检测和高侧电流检测。先来说低侧电流检测法。 - 如图5所示,负载RL的“下方”有一个检流电阻R1,只需测量R1上端电压,
即可检测电流。

图5 低侧电流检测电路
- 使用运放同相比例运算电路将R1上的电压信号放大1000倍,输出电压为VM1。
仿真运行结果如图6所示。主电流电流幅值约为500mA,R1上电压幅值约为500μV
,经放大后得到了500mV的方波电压。

图6 低侧电流检测仿真
使用低侧电流检测电路仅需普通运放,成本低,但是是有适用条件的。
- 如图5所示,负载RL不再是共地输出。对于一些负载还有后续处理电路的场合,
是要求输出信号共地的。无需共地的负载一般都是终端负载,比如蜂鸣器、喇叭、
电机、灯等用电器。 - 特别的,对于电机等非线性、强干扰负载,低侧电流检测并不适用。如图5所示,
低侧电流检测的基本原理是认为R1“下端”电压为0,所以才只需检测R1上端电压的值。 - 对于电机等负载,主回路的地线应看做是“功率地”,
它与运放所在的“模拟地”之间需要“隔离”,两个“地”本身两者就会有电压差。
所以,只检测R1单端电压是不够的。
2 电流检测放大器
专用电流检测放大器的原理如图7所示。
- 通过电阻和高耐压晶体管将VSENSE转变成电流信号进行输出,
或再接ROUT转变成电压输出。

图7 电流检测放大器原理
- 图7的输入输出关系式很容易推导:

(1)
(2)
基于差分原理的高侧电流检测适用于所有检流应用。但究竟是选择差分放大器、
仪表放大器、还是电流检测放大器呢?高侧检流电阻的(共模)电压一般比较高,

特点
电流检测放大器 差分放大器
速度 快,可测量瞬时电流 慢适合测量平均电流
增益 可调 固定
CMRR(DC) >100dB 80dB
CMRR(PWM) 80dB 80dB
输入级漏电流 低 分压网络导致漏电流大
外部滤波器 输入级之后 输入级前后均可
输入过压 损坏输入级晶体管 分压网络在前,危害小
无法使用仪表放大器。
差分放大器和电流检测放大器的主要对比如表1所示。电流检测放大器几乎在各个
性能指标上都优于差分放大器,特别是速度和增益可调方面。
表1 差分放大器与电流检测放大器的对比差分放大器
不仅是基于电流输出的电流检测放大器的速度快,将来我们还会发现,电流输出型的DAC也要快于电压型的DAC。为什么“电流”的速度要高于“电压”?
- 限制“电压”速度的是电容,限制电流速度的是“电感”,这是完全对偶的,所以滤波电路可以是电容滤波或电感滤波。
- 但是现实中,电容远比电感容易“获取”,所以我们在一般情况下都用电容滤波。
同理,“寄生”电容也比“寄生”电感大得多,所以“电流”速度比“电压”速度快。
课后问答
课后问答:
选择题:
1、 电流互感器的输出短接会发生什么现象?( )
A电流会持续上升
B会发生短路故障
C会发热烧毁
D不会发生什么危险的事
2、 关于分流器的说法,正确的是?( )
A分流器就是个电阻
B分流器输出信号幅值很低
C分流器的材料温度稳定性要求高
D分流器可以检测任何电流信号
3、 差分放大器用于电流检测有什么优点?( )
A可以输入高电压信号
B检测速度快
C输出信号幅值可调
4、 电流检测放大器选型时,有哪些注意事项?( )
A注意输入电压范围
B注意待测信号带宽
C注意输出信号的内阻
D注意增益是否需要可调
参考答案:
1 D
2 ABCD
3 A
4 ABCD
十四、电力MOSFET开关概述及工作原理
在小功率至中等功率的电源电路中,电力MOSFET作为开关元件性能最为突出。
本节将介绍电力MOSFET的工作原理、主要性能参数指标,以及驱动方法。
电力MOSFET的工作原理
为了增大导电截面,电力MOSFET采用了如图1所示的垂直导电结构。
- 以N管为例,N型半导体衬底材料上部掺杂出P区,
控制栅(导电金属)与P区之间隔着二氧化硅绝缘层。 - 黑粗线所示的金属导线分别与控制栅、P掺杂区、N衬底区相连,
构成MOSFET的栅极(G)、源极(S)和漏极(D)。

图1 电力场效应管原理图
参考图1,电力MOSFET的工作原理如下:
- GS之间不加电压情况下,电流无法从漏极D流向源极S(PN结反向截止),
称为断开状态。 - 任何时候,电流均可从S流向D(PN结正向导通),
所以电力MOSFET天生寄生有一个二极管,N型电力MOSFET的符号如图2所示。

图2 带寄生二极管的MOSFET符号
- GS之间加正向电压以后,GS之间形成电场,
生成如图3中白色小方块所示的N型反型层。

图3 生成反型层
- 继续增大UGS,当GS电压足够高时,N反型层突破P型半导体区域,
与衬底N型半导体连成整体,DS之间可以导电。

图4 导电沟道形成
如果是P型MOS管,则情况全部相反。GS之间加反压S→D导通,
任何时候D→S都导通(寄生二极管)。
课后问答
课后问答:
选择题:
1、最容易使用的可控电力开关器件是?
A.晶闸管
B.GTR
C.IGBT
D.MOSFET
3、MOSFET的控制方式是?
A.电压控制
B.电流控制
C.磁场控制
D.温度控制
参考答案:
1.D
2.A
关于电赛公开课
《模拟电路基础知识讲座》由 TI 邀请青岛大学傅强老师录制,深入浅出的介绍了模拟电路及电源相关的基础知识,帮助大家由浅入深地了解产品,更轻松的进行产品的选型和设计。
本课程共计80节视频内容,视频解析文字课40节,每周二、周四更新,欢迎同学观看学习。
查看全部课程安排<<<<<<<<<<
十五、降压斩波电路
3 Buck 降压斩波电路的仿真
图9所示的 TINA 仿真电路将定量分析 Buck 电路中元件参数对电路的影响。
- 为简单起见,使用了时间开关 SW1 来模拟 MOSFET 开关,时间开关的占空比设为0.6,具体开关频率根据仿真需要设定。
- 滤波电容CO串联了电阻RCS,用于模拟电容(越大越影响滤波)(esr等效电阻两端电压会突变会影响滤波效果)的等效串联电阻,虽然 TINA 中电容的等效串联电阻参数可以设定,但这里直接串联电阻来仿真直观些。

图9 Buck 电路的 TINA 仿真
首先来仿真滤波电容等效串联电阻RCS对输出电压纹波的影响。
开关频率保持1MHz,同时监测二极管阴极电压VF1和输出电压UO。
VF1上电压如果是完美方波,则表示电感电流连续(连续就是不变水平线)。SW1 闭合时,VF1电压肯定是10V。但 SW1 断开时,VF1电压只有电感电流连续时才会保持在接近0V(忽略SD1的管压降)。
如图10所示,VF1电压为完美方波,所以电感电流连续。RCS取值100mΩ,可以看出UO的纹波电压电压比较明显。进一步分析可以看出,SW1 闭合阶段,UO输出增大;SW1 断开阶段,UO输出降低,呈现锯齿状。纹波电压的来源就是锯齿状纹波电流在RCS上的压降。

图10 100mΩ等效串联电阻时的输出纹波如图11所示,其他参数均不改变,将RCS将为10mΩ,纹波电压明显降低。以上分析可以看出,直流电源滤波电容的效果不仅是看电容值的大小,而是与电容等效串联电阻直接相关。同种类电容,电容值越大,电容等效串联电阻越小。而同容量钽电容的等效串联电阻要远小于铝电解电容,这是钽电容滤波效果好的根本原因。

图11 10mΩ等效串联电阻时的输出纹波
无论是图10还是图11,VF1的波形都是完美方波,这意味着电感电流连续,输出电压值也接近6V的理论值。下面来讨论电感电流不连续的情况。
如图12所示,将开关频率降为100kHz,VF1的波形不再是完美的方波,这说明电感电流不连续。
虽然RCS取值10mΩ,但是纹波电压却和图10中100mΩ情况差不多,这是因为开关频率降低了10倍,电流起伏时间延长,纹波电流峰值增大,自然纹波电压也增大,基本符合十倍的关系。
输出电压UO达到了7.1V,比电感电流连续时理论值6V要高,符合前面的分析。
图13中,电感电流断续时间段,VF1的电压产生了振铃,其趋势是等于UO。当电感电流不再变化时,UL电压为零,VF1电压当然就等于UO了。

图13 开关频率100kHz时瞬时仿真波形如图14所示,进一步减小开关频率,电感电流断续的时间更长,可以更明显的看出UO输出电压以达到9V,偏离6V的“理论值”更远。电流断续时间段,VF1的电压在经历振铃以后,保持在9V,直到 SW1 再次闭合后电压钳位至输入电压10V。

图14 开关频率20kHz时瞬时现象仿真波形
图13和图14表明,开关频率会影响电感电流是否连续,这是因为电感、滤波电容、负载一定时,电感电流下降率是一定的,开关频率越高,则 SW1 断开时间越短,电感电流越不易下降到零,从而电流连续。下面的仿真将通过改变电感L实现电感电流连续。
- 如图15所示,将电感L增大到1mH,维持20kHz的开关频率不变。
- 电感电流衰减公式如式6所示,电感量越大,电流衰减速度越小。因此,即使开关频率不高,通过增大电感也可以使电感电流连续。
(6)
图15电感1mH时的瞬时现象仿真波形
总结一下以上的讨论:虽然我们一般都希望电感电流是连续的,但是电感量大小,滤波电容,开关频率乃至负载大小都会影响电感电流是否连续。
- 电感值越大,电流衰减越慢,电流越容易连续。
- 开关频率越高,TOFF绝对时间就越短,电流越容易连续。
- 负载越重(电阻值越小),电感电流初值越大,电流越容易连续。想象一下极端情况,如果负载断路,电感电流在开关闭合时也将是零,更不要说开关断开了。这一结论留待读者自行仿真。
课后问答
课后问答:
选择题:
1、Buck 降压斩波电路中,续流二极管的作用是?
A.保证电压为正
B.保持电压稳定
C.保证电感电流连续
2、斩波电路计算输出电压是基于什么原理?
A.稳态时,电感电压平均值为零
B.稳态时,电容平均值为零
C.续流二极管上电压平均值为零
3、BUCK 降压斩波电路中,电感电流断续,会造成输出电压?
A.不变
B.升高
C.降低
4、开关频率对输出电压纹波的影响是什么?
A.开关频率越高,输出电压纹波越大
B.开关频率越高,输出电压纹波越小
C.开关频率与输出电压纹波没有直接关系
5、开关频率与电感电流断续的关系是什么?
A.开关频率越高,电感电流越不容易断续
B.开关频率越高,电感电流越容易断续
C.开关频率与电感电流是否断续无关
Cabba
十六、整流和逆变电路
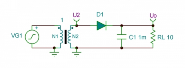
1、单相半波整流电路
首先澄清一个直流电的概念,即没有负压就是直流电,恒压直流只是直流电的特殊形式。如图1所示,我们可以通过电阻上的电流来判断电压的大小和方向:电流在电阻上的压降就是电压。
(1)由于D1二极管的存在,电阻RL上电流只能是自上而下,所以电压Uo为直流。
(2)如图2仿真波形所示,只有交流电的正半周期负载电阻上才有电流,形成半个正弦波形,输出电压低于输入电压一个二极管管压降。

图1 无滤波电容的单相半波整流电路
图2 无滤波电容的单相半波整流电路仿真波形
为了得到接近恒定电压的直流,可以给整流电路的输出加上滤波电容,如图3所示。
(1)仿真电路中,滤波电容取值1000uF,轻负载电阻值1k,时间常数RC计算约为1s,远大于工频周期20ms,所以滤波效果应非常明显。Rc就是串联
(2)如图3所示的仿真波形验证理论计算结果,输出电压为较平直的直流。
图3 带滤波电容的轻负载单相半波整流电路

图4 带滤波电容的轻负载单相半波整流电路仿真波形
改变负载电阻,可以考察滤波效果的变化。
(1)如图5所示的仿真电路中,滤波电容仍取值1000uF,负载电阻值100Ω,时间常数RC计算约为100ms,与工频周期20ms在同一数量级,所以输出电压纹波应该比较明显。
(2)如图6所示的仿真波形验证理论计算结果,输出电压可见明显波动。
图5 带滤波电容的中负载单相半波整流电路
图6 带滤波电容的中负载单相半波整流电路仿真波形
如图7所示,继续将负载电阻改小(重负载),滤波电容仍取值1000uF,负载电阻值10Ω,时间常数RC计算约为10ms,已低于工频周期20ms,所以滤波效果很差,如图8所示。
图7 带滤波电容的重负载单相半波整流电路
图8 带滤波电容的重负载单相半波整流电路仿真波形
通过以上仿真和讨论可知,整流电路要得到较为恒定的直流电压输出,需要接滤波电容。成本最低的滤波电路为电容滤波,滤波电容的取值与负载电阻的大小有关。两者共同构成的时间常数RC,其与工频周期的比例关系,决定了滤波效果的好坏。简单来说,重负载(小阻值负载)需要大滤波电容,轻负载(大阻值负载)仅需要小滤波电容就能取得良好滤波效果。
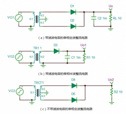
2、单相全波整流电路
如图9所示为单相全波整流电路,单相全波整流电路需要使用一个中心抽头变压器,中心抽头作为输出的地。
(1)在交流电正半周期,电流通过N2线圈,D1二极管、负载、地构成回路,实现在负载电阻上加载上正下负半波电压。
(2)在交流电负半周期,电流通过N3线圈,D2二极管、负载、地构成回路,同样实现在负载电阻上加载上正下负半波电压。
图9 不带滤波电容的单相全波整流电路
图10为不带滤波电容的单相全波整流电路仿真波形。
(1)变压器两端输出电压VM是单端对地电压U2幅值的两倍。
(2)输出电压Uo相当于是U2电压做整流处理,并且低一个二极管管压降。
图10 不带滤波电容的单相全波整流电路仿真波形
如图11所示,对比单相半波整流电路与单相全波整流电路的区别。
(1)图11(a)和图11(b)使用了同样的1000uF滤波电容和10Ω负载。
(2)图11(c)不带滤波电容,以输出完整“绝对值”正弦波形作为参考。

图11 单相半波和单相全波整流电路对比
图12所示为仿真波形:
(1)全波与半波整流电路的时间常数一致,所以一半衰减曲线重合(蓝色区域)。
(2)滤波后,全波整流比半波整流多出黄色面积的电压。(这里标注黄色区域有错误)
图12 单相半波和单相全波整流电路对比仿真波形
全波整流的效果要好于半波整流。所付出的代价则是,使用了中心抽头变压器且电压利用率只有一半,多使用一个二极管。
3、单相全桥整流电路
不使用中心抽头变压器也可以实现类似“全波”整流的效果,如图13所示为单相全桥整流电路。
(1)交流电正半周期,电流自下而上通过N2线圈,二极管D1,负载R1,二极管D4构成回路。在负载R1上生成上正下负的半波电压输出。
(2)交流电负半周期,电流自上而下通过N2线圈,二极管D2,负载R1,二极管D3构成回路。同样在负载R1上生成上正下负的半波电压输出。
图13 单相全桥整流电路
如图14所示为单相全桥整流电路的仿真波形,由于每次电流都需要经过两个二极管才能到达负载,所以输出电压要降低2个二极管管压降。
图14 单相全桥整流电路仿真波形
将全波整流与全桥整流电路进行对比,如图15所示。全桥整流与全波整流均可以实现正负半波整流效果,他们最大的区别就是输出电压全波整流仅需扣除1个二极管管压降,而全桥整流需要扣除2个二极管管压降。
图15 单相全桥整流电路与全波整流电路仿真波形对比
4、整流电路小结
从所用器件来说,半波整流、全波整流、全桥整流所用二极管数目分别为1/2/4。但是二极管并不值钱,无论是数量还是耐压都不是选型首要考虑的问题,电路效率和变压器成本才是值得考虑得问题。
参考表1,在高压电路中,二极管管压降所占比例不大,优先选择全桥整流电路,以节约变压器费用。而在低压电路中,可选择高成本好效果的全波整流,或者是低成本普通效果的半波整流。
表1 整流电路选型表
前面介绍的斩波电路(除电流可逆斩波电路外)都坚持只用1个开关,这是因为电力电子开关不仅本身比较值钱(相比电路中其他元件),而且还不好伺候(需要驱动控制)。如果是花钱买大电感大电容,只不过是多花钱,放上就能用了。
当负载需要改变电压电流方向时,就需要多开关的桥式电源电路了。
5 全桥逆变电路
全桥电路也叫H桥电路,它的用途非常广泛,其根本之处就在于可以对负载加载正负电压(电流)。
用于驱动直流电机时,可以实现电机正反转,改变开关占空比就可以调速。
用于驱动喇叭时,就是效率极高的D类功放。

图16 全桥电路如图16所示,对角线开关交替工作可以输出交流电,此时的全桥电路称为逆变电路,也就是从直流电得到交流电。如果开关的占空比按正弦规律变化,输出则可等效出正弦交流电。

图17 全桥电路逆变工作模式瞬时现象仿真
- 同一桥臂的两个开关(例如SW1和SW2)不能同时导通,否则电源会发生短路。由于电力半导体开关从收到控制信号到真正关断需要一定的时间,所以SW1和SW2的控制信号必须预留出保证两只开关均关断的时间,这个最短所需时间称为死区时间(Dead time)。不同类型开关所需死区时间不一样,MOSFET 开关关断时间在微秒至数十微秒。
6 半桥逆变电路
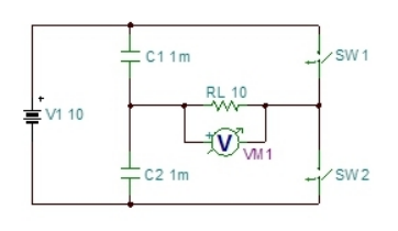
全桥电路的原理很好理解,但有时我们不需要4个开关也可以实现逆变电路。如图18所示,用2个大容量电容取代H桥的两个开关,就构成了半桥逆变电路。
- 由于C1和C2电容值很大,所以可以认为它们的电压在一个周期内几乎不变,按V1电压10V计算,C1和C2电压应该保持5V。

2) SW1导通时(SW2断开),RL与C1并联,被加载了右正左负的5V电压;SW2导通时(SW1断开),RL与C2并联,被加载了左正右负的5V电压;负载RL上形成的交流电压如图19所示,注意,半桥电路输出电压只有全桥电路的一半。
图19 半桥逆变电路瞬时现象仿真
- 半桥电路与全桥电路一样可以使用占空比变化的 SPWM 来控制,从而输出正弦波电压。与全桥电路不同的是,半桥电路的两个开关必须对称互补工作,否则C1和C2电压将不再平衡,电路的工作状态就完全不同,读者可自行仿真。
课后问答
课后问答:
选择题
1、在低压电路中,全桥整流最大的缺点是什么?
A.电路复杂
B.元件成本高
C.效率低
2、全波整流与半波整流相比,最大优点是什么?
A.成本低
B.输出电压波形好
C.效率高
3、SPWM 逆变的目的是什么?
A.提高效率
B.减低成本
C.输出得到正弦波
4、半桥逆变需要几个开关?
A . 1
B. 2
C. 3
D. 4
5、对于 SPWM 逆变,下列说法正确的是?
A. 载波是正弦波
B. 载波的频率比调制波低
C. SPWM 输出需要滤波
Cbcbc
十七、升压斩波电路
如果说通过开关间歇工作,实现“等效”降压的功能还不算神奇的话,“凭空”将直流电压升压的Boost斩波电路则体现了电力电子技术的精髓。
1 Boost 升压斩波电路的推导
电荷泵中的电容给了我们有益的启发,即电容短时间充电即可维持住电压。如图1所示的电路,是构成 Boost 升压斩波电路的基本原理之一:峰值电压采样保持电路。
- 如图1所示,分别用方波、正弦波、三角波通过二极管给电容充电,无论电源是何种波形,电容上总是保持电压峰值。

图1 峰值电压保持电路
- 如图2所示为峰值电压保持电路带上负载以后的情况,负载越重,电压衰减越快。如需得到良好的峰值电压保持效果,则RC的时间常数应远大于输入信号重复周期。

图2 负载对峰值电压保持电路的影响
对于 Boost 升压电路来说,有了峰值电压保持电路,下一步就是如何获得短时间的高压了。三大基本元件中,电阻只能分压(降压),电容的特性是维持电压不变,只有电感可以产生高压。生活中经常能看到电感产生高压的例子,例如各种开关,插头产生的电火花。
- 如图3所示,开关SW1闭合时,电感L1上有电流流过,当断开SW1时,电感电流突降为零,这是不被允许的。于是L1上产生于V1相同方向的电压,试图维持电流不变。SW1如果是半导体开关,将会被轻易击穿,如果SW1是机械开关,那么L1上的高压将把空气击穿导电,于是电火花就产生了。

图3 电感产生高压的电路
- 通常电火花都是有害的,电火花的温度足以局部熔化金属触点,但是如果把电感高压(图3)用“峰值电压保持电路”(图1)给提取出来,就成为如图4所示的 Boost 升压斩波电路了。

图4 Boost 升压斩波电路
利用稳态时,电感端电压平均值为零的特性,同样可以很容易得出 Boost 电路的输入输出电压关系式。
- 开关闭合时,Boost 等效电路如图5所示(注意图中各电压的正方向),此阶段的电感电压表达式为:

(1)

图5 开关闭合时 Boost 等效电路
- 一般分析电力电子电路原理时,均忽略二极管导通压降,所以开关断开时,Boost 等效电路如图6所示,此阶段的电感电压表达式为:

(2)

图6 开关断开时 Boost 等效电路
- 根据电感端电压平均值为零,可得式3,式中D为占空比(duty)。由于D小于等于1,所以 Boost 电路为升压电路,占空比越大,输出电压越高。



(3)
2 Boost 升压斩波电路的仿真
下面分别从负载轻重,电感大小,开关频率几方面来对图7的 Boost 电路进行瞬时现象仿真。仿真时间段均选取1s以后,显示电路完全稳定后的波形。

图7 开关断开时 Boost 等效电路
大电感轻负载。与 Buck 电路类似,大电感总是能保证电感电流连续。图8所示为 1mH电感、1kΩ负载时的 Boost 电路瞬时现象仿真,开关频率50kHz、占空比60%。
- 当电感L1电流连续时,开关SW1的电压波形VF1将是方波。开关闭合,VF1电压为零;开关断开后,二极管D1导通,VF1电压将比UO电压高出一个二极管管压降。图2中,开关断开后VF1电压为12.54V,比UO电压11.95V高出约0.6V,正好是D1的管压降。
- SW1闭合时,电感L1储能,负载由C1供电,电压下降;SW1断开时,电感L1储向负载供电并对C1充电,UO电压上升;由于负载很轻(RL为1kΩ),所以UO的纹波非常小(约2mVpp)。C1等效串联电阻对输出纹波的影响可自行仿真分析。

图8 大电感轻负载下 Boost 电路瞬时现象仿真
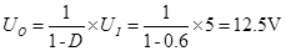
- 输出电压的理论值计算如式1所示,为12.5V,误差主要由二极管D1的管压降引起。因为公式1推导时将D1导通看成无压降的导线,考虑D1有0.6V的管压降(普通二极管),修正后的UO理论值是11.9V,与仿真值非常接近。

(1)
如图9所示为大电感重负载情况下的瞬时现象仿真波形。输出电压出现很大的纹波(约为1.5Vpp)。
- 虽然电感电流连续,但由于 Boost 电路负载端(包括滤波电容和负载)电流不连续,所以当电感不对负载端供电时,负载的电流完全来自滤波电容。
- 负载的轻重严重影响输出电压的纹波,简单说就是负载越重,纹波越大。

图9 大电感重负载下 Boost 电路瞬时现象仿真
- 如图10所示,增大输出滤波电容C1可以减小输出电压纹波。总的来说,就是RC时间常数越大,纹波电压越小。

图10 大电容重负载下 Boost 电路瞬时现象仿真
电感的大小不影响纹波。如图11所示,将电感减小为10uH,电容C1维持100uF,纹波与电感量1mH时的情况差不多(约为1.5V)。
- 分析这一现象原因时,只需考虑开关SW1闭合以后即可。这时的电路完全是RC放电,与电感L无关,RC时间常数决定UO衰减的速率,SW1闭合多长时间,UO就会相应衰减一定的电压。
- 电感对“RC负载”起作用的时间是开关SW1断开阶段,稳态时电容电压UO放掉多少,就会被电感充上多少,所以只要放电曲线“样子”确定了,充电的“样子”也就没跑了。因此,锯齿状纹波的大小与电感关系不大。

图11 小电感重负载下 Boost 电路瞬时现象仿真
前面的分析都是电感电流连续的情况,无论是大电感还是重负载都可以保证电感电流连续。当轻负载时,如果电感不够大,则非常容易发生电感电流不连续的情况。如图12所示,负载为1kΩ,电感减小到10μH。
- 首先,可以观察到开关断开阶段,VF1的电压不在总是“跟随”UO变化,当二极管D不导通时,VF1电压将是不定值(振荡之后趋近于V1(因为电感是导线啊))。
- UO的输出电压远高于11.9V的理论值。与 Buck 电路电感电流不连续时推导的过程类似,TOFF将由两段时间组成,电感有电流时间段TOFF1和电感无电流时间段TOFF2,公式1修正为公式2。

(2) - 根据图6上的估计读数,TON时间约为TOFF1的7倍,所以根据式2输出电压应为40(5*8)V,这与仿真结果也大致吻合(误差来源于式1忽略了VF1的振荡电压)。
- 当负载为空载时,TOFF2将远大于TOFF1,此时UO将会产生意外高压,击穿滤波电容等低耐压器件。所以,Boost 电路不能空载使用,至少应接一个大阻值的“假负载”。

图12 小电感轻负载下 Boost 电路瞬时现象仿真
由于电路中感抗与容抗才是实质起作用的物理量,所以提高开关频率总能解决“手头有点紧”的难题(电感或电容不够大)。如图13所示,将开关频率提高到2MHz以后,虽然电感L只有10μH,滤波电容C1只有100uF,但是电感电流连续,输出电压纹波也非常小。

图13高频小电感轻负载下 Boost 电路瞬时现象仿真
课后问答
课后问答:
选择题:
1、Boost 升压斩波电路中,输出高电压实质是来源电路哪个元件?
A.电容
B.电感
C.续流二极管
D.开关
2、试仿照 Buck 电路小节的分析方法,分析电感电流断续时,Boost 电路的输出电压变化情况?
A.不变
B.升高
C.降低
3、关于 BOOST 电路输出电压纹波的说法正确的是?
A.电感越大,输出电压纹波越小
B.滤波电容越大,输出电压纹波越小
C.开关频率越高,输出电压纹波越小
4、对于 BOOST 电感电流不连续,说法正确的是?
A.电感电流不连续时,输出电压会升高
B.电感越大,电感电流越容易连续
C.负载越轻,电感电流越容易连续
B b bc ab
十八、驱动隔离
电力半导体开关的驱动电路主要由两个作用,在 MOSFET 的驱动中我们实际讲解了其中一个作用,那就是驱动电路必须提供足够的功率去快速通断开关。本节将讲解驱动电路的另一个作用——隔离,内容包含为什么需要隔离,以及隔离的方法。
1、驱动电平的浮动现象
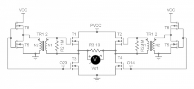
本节将通过分析桥式电路驱动电平的浮动现象,帮助大家理解为什么驱动需要隔离。如图1,将全桥电路中的开关全部换成了实际的N沟道增强性 MOSFET,直流电压PVCC取100V。
- T2和T3驱动很好办,只需要在E和F上加载几伏的控制电压即可,T2和T3称为低压侧桥臂。
- 想要驱动T1,必须在AC之间加载几伏的电压,这里就暂定5V好了。T4的情况与T1类似,下面只讨论T1。
- 假定开关特性完全一致,C点电压在4个开关均不导通时,电压将是50V(T1和T2的绝缘电阻相等,各承受一半电压)。这意味着A点驱动电压要给上55V才行。
- 当T1导通时,C点电压将上升到100V,这时A点驱动电压得105V。由于C点电压浮动,处于高压侧桥臂的 MOSFET 将很难驱动。

图1 N-MOSFET 构成的全桥电路
类似高压侧桥臂这种开关电平浮动的驱动方案大体有以下几种:
- 对于高电压大功率电源,或者是不惜工本的情况,可以采用脉冲变压器隔离或光耦隔离的方案。
- 在中小功率电路中使用更广泛的是两种低成本的方案,自举升压驱动和P型管驱动。
2、脉冲变压器隔离
变压器可以隔离一切电位,而仅仅把电位差给传递到二次侧。脉冲变压器的名称的由来:
(1)适用于高频,区别于工频变压器。
(2)工作波形一般不对称,区别于一般开关电源的主高频变压器。
(3)脉冲变压器一般需定制或自制,匝数比多为降压型。
如图2所示为使用脉冲变压器进行隔离驱动的H桥逆变电路。
(1)只有高侧的开关需要隔离驱动。
(2)O14代表控制T1和T4通断的控制信号,O23代表控制T2和T3通断的控制信号,O14和O23为对称互补信号。
(3)PVCC供电200V,VCC供电20V。
(5)T5导通,N2线圈流过向下的电流。N1线圈流过顺时针电流驱动T1(或T2)栅极。T5断开,T1(或T2)栅极电压通过R2泄放。

图2 使用脉冲变压器进行隔离驱动的H桥逆变电路
如图3所示为泄放电阻R2取值不同时,H桥输出电压波形的仿真。从仿真可以看出,驱动不仅是对珊极(寄生电容)充电,放电环节同样重要!!!
(1)当R2电阻值100kΩ时,由于栅极放电电流严重不足,MOSFET 开关根本没有完全实现通断,输出电压没有在正负直流母线电压之间变化。
(2)当R2电阻值1kΩ时,栅极放电电流不足,虽然输出电压勉强在正负直流母线电压之间变化,但是开关延迟严重。
(3)当R2电阻值100Ω时,栅极放电电流差强人意,输出电压基本在正负直流母线电压之间变化,开关延迟尚可接受。
(4)当R2电阻值10Ω时,栅极放电电流令人满意,输出电压完美的在正负直流母线电压之间变化,开关几乎无延迟。

图3 不同栅极泄放电阻下H桥输出电压波形
如图4所示,可以改用图腾柱结构来驱动脉冲变压器,充电放电均为“主动式”。仿真波形如图5所示,H桥输出电压完美。

图4 图腾柱结构的脉冲变压器驱动H桥

图5 图腾柱结构的脉冲变压器驱动H桥输出波形
3、光耦隔离
光耦只能传递信号,无法传递功率,所以还需隔离电源进行前后级隔离供电。除非使用电池供电,否则各个电源的来源还是市电,所以最终提供光耦隔离驱动能量的还是变压器,只不过光耦需要的是电源变压器。
如图6所示为光耦隔离电路及其隔离供电电源。
(1)VCC_T1和GND_T1代表给一只光耦次级供电的隔离电源,他们与光耦前级的 GND 毫无电位关系。
(2)O1驱动发光二极管发光后,次级光电三极管流过电流,驱动负载。

图6 光耦隔离电路及其隔离供电电源
如图7所示为采用光耦隔离驱动的H桥电路,O1和O2为反相互补信号。

图7 用光耦隔离驱动的H桥电路
参考图7,对光耦隔离中的电源进行分析:
(1)由于低侧开关驱动没有隔离,所以控制电路VDD和主电路电源PVCC是共地的。
(2)在可靠性要求高的场合,低侧开关的驱动也是隔离的。
(3)高侧开关驱动电源VCC_T1和VCC_T2的“地”是完全独立的。
如图8所示,用两个仿真电压表观测各个地之间的电压差。

图8 各个地的电压差测量电路
如图9所示为光耦隔离驱动的H桥电路的输出电压波形,以及各个地之间的电位波动。
(1)Vo1为逆变电路输出的方波电压,上升沿不完美是因为光耦后级没有再用一次图腾柱输出,导致 MOSFET 栅极驱动速度不够。
(2)控制信号的电压只有10V,但是各个地的压差达到200V,这就是为什么需要隔离电源。

图9 H桥输出电压和地电位波动仿真波形
4 自举升压驱动
当电源电路中有两个开关,构成高低压侧桥臂,并且控制方法是轮流导通时,就可以使用原理上非常巧妙的自举升压驱动芯片,例如图10所示的 TI 公司 UCC27200A 驱动芯片。

图10 UCC27200A 自举升压驱动简化的原理框图
- T1和T2构成一对半桥,T2为低压侧桥臂,驱动毫无压力。T1的源极接在芯片的HS端,随着T2的通断,VHS电平将高低起伏,因此T1管难以驱动。
- 在芯片内部,低压侧驱动单元的电源直接是12V控制电源VDD供电;高压侧驱动单元的电源HVcc则是由自举升压电容C所提供,且它的“地”是VHS。
- 由于C的电平是随T1的源极(VHS)浮动的,所以高压侧驱动单元输出的驱动信号HO也会自动浮动电平,从而解决T1驱动问题,这也就是自举升压驱动名称的由来。
如何保证C上始终有电呢?答案在VDD→D→C→T2→GND 所构成的充电回路上。
- 当T2导通时,VHS电压降到0,C可被VDD充12V电压。
- 当T2断开时,VHS电压升高,HVCC同步升高,由于D反向截止,C不会对VDD漏电,C两端电压保持12V。
- 由于C上储能始终是有限的,会被高压侧驱动电路用掉电荷,所以低压侧开关T2需要周期性导通(顺便)给C充电。并且,电路刚启动时,也必须先开通T2(以便给C充上电),而后才能去控制T1。
前面学过的电流可逆斩波电路在“电流可逆”工作状态下,两只开关互补导通,便可以使用自举升压驱动芯片进行驱动。常用的自举升压驱动芯片还有IR公司的IR2110,它与UCC27200A的主要区别是自举升压二极管D没有集成在芯片内部,注意要选取快恢复二极管。
5 P型管驱动
不满足自举升压驱动原理的小功率开关电路来说,例如如图11所示的使用二极管续流的 Buck 斩波电路,T1的源极电位VF1是浮动的,也存在难以驱动的问题,此时如果杀鸡用牛刀采用光耦或脉冲变压器去隔离,肯定是不经济合理的。

图11 Buck 电路的开关
有一种简单方案是使用P型电力电子开关来解决电压浮动问题。如图12所示将桥式电路的高压侧桥臂开关换成PMOS管。
- 对于T1和T4来说,栅极电压低于PVCC时,开关导通;栅极电压等于PVCC时,开关断开。栅极所需的控制电压不再是浮动的。

图12 PMOS 驱动电路
- 利用三极管(或场效应管)T5和T6构成的反相器电路,可将T1和T4栅极控制电压变换为低压控制,注意T5和T6需为高耐压的三极管或场效应管。
- 图13所示为瞬时现象仿真波形,注意观察4个 MOSFET 开关的栅极控制电压波形。

图13 PMOS 构成的H桥电路的瞬时现象仿真
为了加快关断速度,实际 PMOS 的驱动还额外用开关管取代了电阻R1和R2以加快栅极电容的充电过程,图12所示的驱动电路用于低速场合和作为原理性说明是可行的。
课后问答
课后问答:
选择题 :
1、脉冲变压器与普通工频变压器相比,有什么区别?
A. 体积大
B .工作频率高
C .一般需定制
2、脉冲变压器隔离使用图腾柱驱动最直接的原因是?
A .损耗小
B .效率高
C .加快开关关断速度
3、对于主电路为高压的全桥逆变电路,控制电路和驱动电路至少需要几路隔离直流电源?
A . 1
B .2
C .3
D .4
4、光耦隔离的优点是什么?
A .驱动速度快
B .隔离电源仅需工频变压器
C .驱动波形好
D .成本低
5、关于P型管驱动,以下说法正确的是?
A .全桥电路需要4个P型开关
B .Boost 电路使用P型管开关可以简化驱动电路
C .Buck 电路使用P型管开关可以简化驱动电路
零是起源
资料共享- 公众号:零是起源
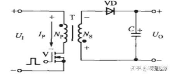
一、反激式直流开关电源
电路结构:
Ui是直流输入电压,Uo为直流输出变压,T为高频变压器,Np为一次绕组,Ns为二次绕组,V为功率开关管MOSFET,VD为输出二极管,C为输出滤波电容。
工作原理:
a) 功率开关管导通时储存能量

在PWM信号的正半周时V导通,一次侧有电流Ip流过,将能量储存在一次绕组中。此时二次绕组的输出电压极性是上端为负,下端为正,使VD截止,没有输出。
b) 功率开关管关断时传输能量

在PWM信号的负半周时V截止,一次侧没有电流流过,根据电磁感应的原理,此时在一次绕组上会产生感应电压Uor,使二次绕组产生电压Us,其极性上端为正,下端为负,因此VD导通,经电容C整流滤波后获得输出电压。由于开关频率很高,输出电压基本维持恒定,实现稳压目的。
注意事项:
反射式DC/DC变换器不能在输出整流二极管与滤波电容之间串联低频滤波电感(小磁珠电感除外,其电感仅为几个微亨,是专门抑制高频干扰的),否则将无法正常工作。
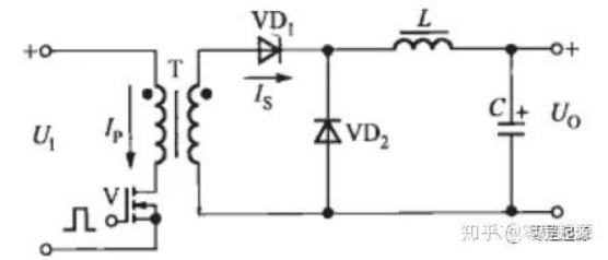
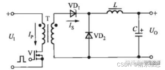
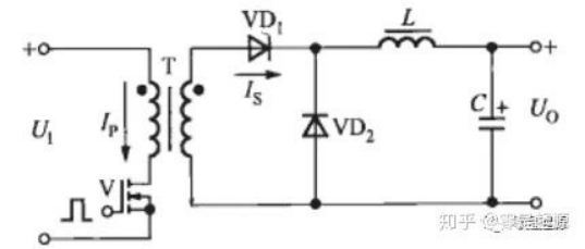
二、正激式直流开关电源
电路结构:
Ui是直流输入电压,Uo为直流输出变压,T为高频变压器,V为功率开关管MOSFET,VD1为输出整流二极管,VD2为续流二极管,L为具有储能作用的滤波电感,C为输出滤波电容。
工作原理:
a) 功率开关管导通时,能量传递至次级

在PWM信号的正半周时V导通,一次侧有电流Ip流过,能量传递至次级。次级二极管VD1导通,有电流Is流过。此时除向负载供电外,还有一部分电能储存在L和C中,VD2此时是截止状态。
b) 功率开关管关断时,电感能量放出维持负载供电

在PWM信号的负半周时V截止,二极管VD1截止,VD2导通,储存在电感L中的电能经过由VD2构成的回路向给电容充电,电容给负载供电,达到维持输出电压不变的效果。
注意事项:
正激式变换器必须在输出整流二极管与滤波电容之间串联滤波电感,该滤波电感还起到储能作用。