电机控制----FOC框架讲解
在开始接触到FOC控制的时候便着手开始去学习深入理解其中的控制原理,个人对技术的追求是“知其然,亦要知其所以然”。因此便通过模块化学习做一些记录吧。首先将FOC的控制框架弄清,才知道自己想要了解的是什么。 FOC主要是通过对电机电流的控制实现对电机转矩(电流)、速度、位置的控制。通常是电流作为最内环,速度是中间环,位置作为最外环。本文只在电流环与速度环的基础上进行分析。
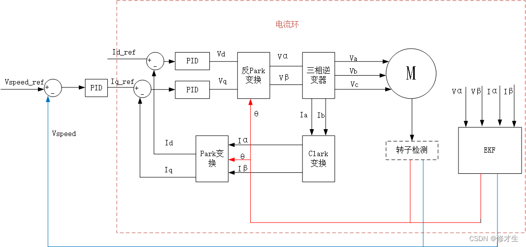
下图为FOC的整体系统框架图:
1.电流环
首先要考虑的是电流的采样反馈, 一般的电流采样硬件电路上的设计分为两种:单电阻采样以及双电阻采样。 由上控制框图中 Ia, Ib, Ic分别是A相、B相、C相的采样电流,一般的我们只需要对其中两相进行采样,由基尔霍夫定律:Ia+Ib+Ic=0计算得到第三相。其次考虑电角度θ和转速V的获取,一般的可以通过实时读取编码器的值以及霍尔传感器等计算得到。
进一步的在无感控制上,角度以及转速的获取还可以通过引入观测器的方式(我用的是卡尔曼滤波观测器(EKF))。
在得到三相电流和电角度后,实现步骤如下:
(1)三相电流Ia, Ib, Ic经过Clark变换得到Iα, Iβ;
(2)然后经过Park变换得到Iq, Id;
(3)然后将Iq和Id分别与他们的设定值Iq_ref, Id_ref计算误差值;
(4)然后分别将q轴电流误差值代入q轴电流PID环计算得到Vq,将d轴电流误差值代入d轴电流PID环计算得到Vd;
(5)然后对Vq, Vd进行反Park变换得到Vα, Vβ;
(6)最后经过SVPWM控制三相逆变器电路得到Va, Vb, Vc,最后输入到电机三相上。
2.速度环
当对PMSM进行速度控制时,需要在电流环外面加一个速度环,控制框图如下:
在图中,Vspeed_ref是速度设定值,Vspeed是电机的转速反馈。将计算得到的电机速度Vspeed与速度设定值Vspeed_ref进行误差值计算,代入PID速度环,计算的结果作为电流环输入的参考值;
(注:一般的d轴电流被设定为零(Id_ref=0),因为d轴电流对于驱动电机的转动不会产生输出力,所以通常情况下都会将d轴电流设定为零(但不是总是设定为0的);当Id_ref=0时,Iq_ref就等于了速度环的输出)
3.FOC控制各波形的形状
通过Matlab进行控制仿真的时候我们可以观察到(matlab仿真后续 更新):
(1)Vq和Vd的波形为:直线
(2)Id和Iq的波形为:直线
(3)Vα和Vβ的波形为:正弦波
(4)Ia、Ib、Ic的波形为:正弦波
(5)Iα和Iβ的波形为:正弦波
(6)Va、Vb、Vc的波形为:马鞍波
2022.07.11-0:15