1、准备工作
为创建 PLC 用户程序,必须先安装和使用Sinumerik 840D sl Toolbox 中提供的PLC 基本程序
及其他组件,本例中以Sinumerik 840D sl Toolbox 版本V04.07讲述。
注:Sinumerik 840D sl Toolbox版本需要与系统软件、操作软件一致;
1.1 Sinumerik 840D sl Toolbox 的安装
1)Sinumerik 840D sl Toolbox 中的内容

2)Sinumerik 840D sl Toolbox 的安装
双击840D sl Toolbox 安装文件夹中的“Setup.exe”,按照提示进行安装即可。

说明:
在安装程序选择界面中,PLC Basic program for 840D sl 和SINUMERIK Add-on for STEP 7 必须
选择安装,NC VAR Selector 和PLC Symbol Generator 可根据需要选择安装。
· NC VAR Selector:用于PLC 程序读写NCK 和驱动变量选择、保存。
· PLC Symbol Generator:用于生成 STEP 7 项目的符号,保存到NCU CF 卡中,以便在
SINUMERIK Operate 中可以显示PLC 符号注释。
1.2 安装PROFIBUS/PROFINET 组件的GSD/GSDML 文件
在标准的STEP 7 硬件列表中,不包含MCP/MPP、PP72/48 等硬件,需要安装GSD/GSDML 文件,步骤如下。
1)在硬件组态界面中,关闭所有已打开的项目,点击菜单栏“Options”下的“Install GSD File…”

2)在弹出的对话框中,点击“Browse”按钮,找到GSD/GSDML 文件所在目录,点击“OK”按钮,
选择需要安装的文件,点击“Install”按钮,进行安装。

安装完成之后,提示如下。

3)接着,点击菜单栏“Options”中的“Update Catalog”更新硬件列表。更新之后,在硬件列表
中便可以找到MCP/MPP、PP72/48。

1.3 计算机与系统通讯接口的设置
1)NCU 端口及计算机IP 地址设置
在进行840D sl PLC 在线调试时,计算机可通过以太网线连接至NCU 的X127 端口网络,并设
置“CP 840D sl”及计算机IP 地址,建立通讯。

2)设置STEP7 的PC/PG 接口

注意:不要使用带有“ISO”或“Auto”标示的接口;
2、创建PLC 项目
2.1 创建PLC 项目及通讯网络
1)创建新的PLC 项目
打开STEP 7 软件,在SIMATIC 管理器中,点击菜单栏“File”下的“New”选项,在弹出的对
话框中,输入项目名称,例如840Dsl_PLC,点击“OK”按钮。

2)插入S7-300 站点
点击菜单栏“Insert”中“Station”选项下的“SIMATIC 300 Station”,插入S7-300 站点,例
如“SIMATIC 300(1)”

3)进入硬件组态窗口
双击S7-300 站点“SIMATIC 300(1)”中的“Hardware”进入硬件组态窗口。

4)插入SINUMERIK 控制器
在硬件组态窗口,从菜单树“SIMATIC 300”→“SINUMERIK”→“840D sl”目录中选择并插入
SINUMERIK 控制器,例如:用鼠标左键选中“NCU720.3 PN (V3.2+)”,并按住鼠标左键将它拖
到配置窗口“Station design”中。

5)创建PROFINET 网络(X150 端口)
如果没有使用PROFINET 设备,在弹出的窗口中,可直接选择“not networked ”,并点击
“OK”按钮,不创建PROFINET 网络。
如果实际使用PROFINET 设备,在弹出的窗口中,则需点击按钮“New”,创建新的PROFINET
有源网络,其中 IP 地址为192.168.0.1,子网掩码为255.255.255.0。
注:本例中没有使用PROFINET 设备,不创建PROFINET 网络。
6)创建PROFIBUS 网络(X126 端口)
实际使用PROFIBUS 设备,则需在弹出的窗口中,点击按钮“New”,创建新的PROFIBUS网络。

修改PROFIBUS 网络名称为PROFIBUS(1)。

PROFIBUS 网络波特率设为1.5Mbps。

PROFIBUS 网络创建完成之后,显示如下。

7)设置PROFINET 和PROFIBUS 网络结束之后,显示如下

8)设置CP 840D sl 网络
首次进行PLC 调试时,需正确设置CP 840D sl 的IP 地址,否则将无法上载、下载和在线监控PLC
程序。
双击NCU 中的CP 840D sl,在弹出的对话框中,点击“Properties”按钮。

在弹出的对话框中,设置CP 840D sl 的IP 地址:
使用X127 端口时,设置IP 地址为192.168.215.1,子网掩码为255.255.255.224,推荐使用该端口进行调试;
使用X120 端口时,设置IP 地址为192.168.214.1,子网掩码为255.255.255.0;
接着,点击“NEW”按钮,创建以太网接口,在弹出的窗口中,建议将CP 840D sl 网络的名称进行修改,例如修改为CP 840D sl (1),以便区分网络。

接着,点击“OK”按钮,创建CP 840D sl 网络。

设置CP 840D sl 网络完成之后,显示如下。

2.2 时钟存储器
CPU 317F-2PN/DP 可以将 M 存储器的一个字节分配给时钟存储器。被组态为时钟存储器的字
节中的每一位都可生成方波脉冲。时钟存储器字节提供了 8 种不同的频率,其范围从 0.5 Hz
(慢)到10 Hz(快)。这些位可作为控制位(尤其在与沿指令结合使用时),用于在用户程序
中周期性触发动作,例如用于控制机床三色指示灯的闪烁。
时钟存储字节中的每一位,对应周期和频率如下:

激活时钟存储器字节步骤如下:
双击NCU 中的CPU 317F-2PN/DP,在弹出的对话框中,选择“Cycle/Clock Memory”选项卡,
勾选“Clock memory”,并输入“Memory byte”的编号,如输入16,则MB16 即为时钟存储
器字节。
待硬件组态编译下载之后,时钟存储器字节被激活。

2.3 在硬件组态中添加NX10.3/NX15.3
当使用扩展数控单元NX10.3/NX15.3 时,该模块必须通过预设的DRIVE-CLiQ 接口连接至控制
单元,并在STEP7 硬件组态中进行组态、分配集成PROFIBUS 的地址。
其中,连接NX10.3/NX15.3 的DRIVE-CLiQ 接口,与集成PROFIBUS 的地址对应关系如下:

NX10.3/NX15.3 具体组态步骤如下:
在硬件组态窗口,从菜单树 “PROFIBUS DP” > “SINAMICS” > “SINUMERIK NX…” 下查找 NX 模块,例如SINUMERIK NX 15.3。接着,用鼠标左键选中该模块,按住鼠标将它拖到组态设计窗口中的 “PROFIBUS Intergrated DP master system”网络上。

接着,在弹出的对话框中,根据NX 模块连接的端口,设置集成 PROFIBUS 的地址。例如,第
一块NX 模块连接在NCU720.3B PN 的X105 端口,则设置集成 PROFIBUS 的地址为 “15”。
设置完成之后,按下“OK”按钮。

接着,系统会弹出提醒,继续点击“OK”按钮。
NX 模块组态完成之后,显示如下:

2.4 在硬件组态中添加PROFIBUS 设备
如果存在PROFIBUS 设备,则需进行组态。以ET200S 从站为例。
1)组态ET200S 从站
根据模块的订货号,从硬件组态树型菜单栏中PROFIBUS DP > ET 200S 目录,选择ET200S 接
口模块IM151-1 HF,并拖拽插入到PROFIBUS (1) 网络下。

接着,根据该接口模块上的硬件拨码开关地址,在弹出的对话框中,设置其PROFIBUS 地址,例
如设置为“8”,并选择PROFIBUS(1)网络,点击“OK”按钮。

根据各模块的订货号,从硬件组态树型菜单栏中PROFIBUS DP > ET 200S>IM151-1 HF 目录,依
次选择相应的模块,并拖拽插入到ET200S 从站下。并根据实际应用,修改或打包I/O 地址。

2.5 编译、保存和下载硬件组态
当硬件组态配置完成之后,必须保存、编译和下载硬件组态,下载硬件组态时,推荐使用X127
端口,调试计算机IP 地址设置为自动获取。
1)选择菜单 “Station” > “Save and compile” 保存和编译项目。
2)点击按钮 “Download to module”,下载硬件组态。在弹出的“选择目标模块”对话框中,自动
显示两个经过配置的通讯对象,点击“OK”按钮,确认下载硬件组态。

在弹出的对话框中,选择通讯节点“192.168.215.1”,点击“OK”即可启动硬件组态的下载,
下载时,会先停止PLC 运行,下载后,会提示是否重新启动PLC。

注:此节讲述了840D sl系统的硬件组态,在实际应用中在完成NCU和PLC总清后,电脑和NCU网络连接成功后,可直接将PLC的硬件配置上载上来,然后在上载上来的硬件配置上按照实际的硬件进行修改,完成后再编译将硬件组态下载到NCU中。
3、插入PLC 基本程序
前提:硬件组态已完成,并进行过保存、编译、及生成了 PLC 的系统数据(System data)。
且Sinumerik 840D sl Toolbox V04.07 已安装。
1)打开PLC 基本程序库
在SIMATIC 管理器基本画面中,依次点击菜单“File”> “Open”按钮。


在弹出的窗口中,点击标签“Libraries”,选择 PLC 基本程序库,例如“bp7x0_47”,并点击
“OK”按钮,打开PLC 基本程序库。

2)复制PLC 基本程序库到用户PLC 程序中
PLC 基本程序库打开之后,复制源文件、程序块、符号文件到用户PLC 程序中,并确认覆OB1。
另外,复制完成之后,如果PLC 系统数据(System data)丢失,可再次编译硬件组态,重新生成。

3)Sinumerik 840D sl Toolbox 中常用的PLC 基本程序块

注:关于基本程序块的说明,请参考DOConCD 中的基本功能手册“SINUMERIK 840D sl / 828D
Basic Functions”P3 章节“Basic PLC program for SINUMERIK 840D sl”。除此之外,系统还提供众多的SFB 和SFC 功能块,可参考STEP7 编程手册或者在线帮助。
4、编写用户PLC 程序
当创建STEP7 项目、硬件组态、插入PLC 基本程序完成之后,便可以编写用户PLC 程序。
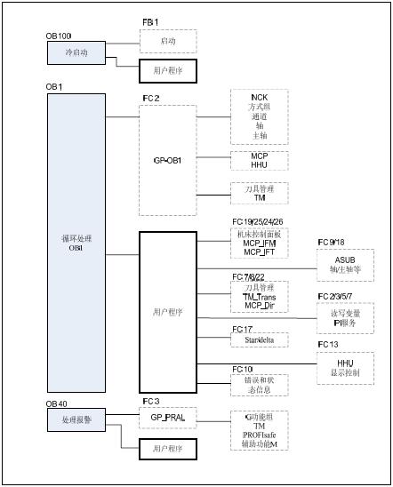
4.1 PLC 结构图

4.2 修改OB100 中的机床控制面板参数
机床控制面板的信号是由 PLC 基本程序传送的。为了机床控制面板正常工作,必须在OB100 中
调用FB1 并输入相关参数。
另外,系统上电时首先执行OB100,且只执行一次。
OB100 编写示例如下:

4.3 在OB1 中编写、调用用户PLC 程序块
用户可根据实际应用,在OB1 中编写、调用用户PLC 程序块。另外,OB1 中的程序会被循环执行。
1)OB1 程序结构示例
CALL FC2 //FC2 为PLC 基本程序,不能删除,用户PLC 程序在该程序块之后开始编写)
CALL FC19 //铣床版机床控制面板MCP 483 程序
CALL FCxx //用户PLC 程序
CALL FBxx,DBxxx //用户PLC 程序
……
CALL FC10 //故障消息和运行消息处理
2)OB1 编写示例
CALL FC 2
CALL FC 30
CALL FC 10
IN0:=TRUE
IN1:=I3.7
CALL FC 19
IN0 :=B#16#1
IN1 :=B#16#1
IN2 :=B#16#4
OUT3:=DB21.DBX6.0
OUT4:=DB34.DBX4.3
SET
= DB31.DBX 2.1
= DB31.DBX 21.7
= DB32.DBX 2.1
= DB32.DBX 21.7
= DB33.DBX 2.1
= DB33.DBX 21.7
= DB35.DBX 2.1
= DB35.DBX 21.7
= DB34.DBX 2.1
= DB34.DBX 21.7
= DB36.DBX 2.1
= DB36.DBX 21.7
SET
= DB21.DBX 6.6
= DB21.DBX 6.7
= DB31.DBX 1.7
= DB32.DBX 1.7
= DB33.DBX 1.7
= DB34.DBX 1.7
= DB35.DBX 1.7
= DB31.DBX 1.5
= DB32.DBX 1.5
= DB33.DBX 1.5
= DB34.DBX 1.5
= DB35.DBX 1.5
L DB21.DBB 4
T DB21.DBB 5
A M 43.0
= DB10.DBX 56.1
AN M 43.0
A DB10.DBX 106.1
= DB10.DBX 56.2
O I 3.7
O DB21.DBX 194.2
= DB21.DBX 7.7
A I 2.1
= DB21.DBX 7.1
5、下载用户PLC 程序
当用户程序PLC 程序编写完成之后,可选择PLC 程序中的“Blocks”,点击“Download”下载
按钮,下载所有PLC 程序块。
