前言:
在你绘制PCB封装的时候,是不是要花很多的时间去根据芯片手册去绘制其PCB封装,如果你在嘉立创或者其他封装库中没有找到对应封装,则需要自行绘制,那么今天我们使用AD的 IPC插件,即可快速完成PCB封装的绘制,并且对应3D封装也会帮忙绘制完成
安装
首先点击用户图标 再点击 Extensions and Updates (扩展和更新)
安装IPC 插件 我这里显示是已经安装了的

然后在工具- IPC Compliant Footprint Wizard

这里会让你选择要创建的封装类型,基本上常见的封装都有 SOP PQFP SOD

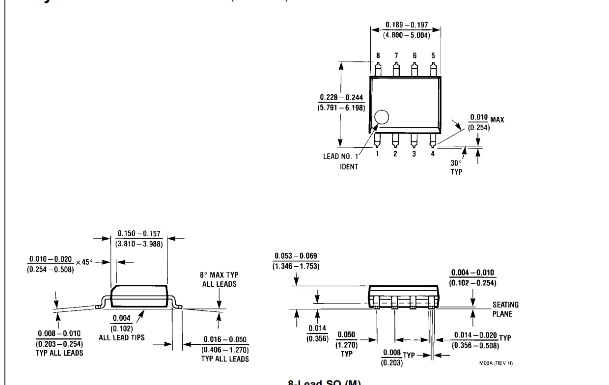
我们以SOP8为例 先选择SOP/TSOP
之后会让填写数据

具体的数据在对应芯片的Datasheet里面都有 用户可以去查阅下手册即可得知
每一个值都有最大值和最小值,需要填写,根据手册上填写即可,IPC会自动生成最适尺寸,用户表不用关心,

根据芯片手册数据填写完毕之后,即可查看对应模型 点击2D /3D 即可切换显示模型

勾选下方Generate STEP mode Previve 即可生成对应3D模型
点击Next下一步 此步骤是是否添加表贴焊盘,因为有的SOP8封装的器件,在其下方还会有一个表贴的散热焊盘,一般为长方形 如果需要添加,点击 Add Thermal Pad 即可添加 对应的长和宽的最大尺寸和最小尺寸根据实际值填写即可
如果没有,直接点击Next下一步即可
下一步的话,会告诉你生成的一个左右焊盘间距S的计算值,符合IPC计算标准,一般来说默认即可 也就是 Use calculated values 使用计算值 如果你对计算值不满意,或者需要修改,自行修改数据即可
此处操作是设置焊盘的长度,如果你的板子设计比较大,有足够的空间,可以可以选择 LevelC-High density 这样在进行器件焊接时会相对比较容易放,容易焊接
如果板子比较密集,则可以选择最小的LevelA
正常我们使用默认的 LevelB-Medium density 即可
选择不同的Level 右侧预览会给出对应的焊盘大小,看下预览图即可
在往后的一些操作,就是告诉用户根据IPC计算公式得到的各种数据 他们都是符合IPC设计标准的 一直点击Next即可


到了这一步是关于创建器件的命名, 是否使用建议命名, 还有关于器件的描述 如无需要默认即可 也可修改为对应的芯片名 方便查找
在创建好PCB封装,命好名字之后,最后的一步就是保存了,三个选项
Existing Pcblib File 已经存在的PCB库
New Pcblib File 新建一个PCB库
Current Pcblib File 当前的PCB库
默认是将原理图存在当前的PCB库中

最后点击Finish 你的原理图就创建完成了
在对应的PCB库中即可查看与使用