在前面,我们分析完市面上的植物生长机,也选了一款植物生长机进行了拆机,接下来我们就开始搭建一个全功能智慧植物生长系统。
我们想要实现的功能有这些:
- 涂鸦智能APP远程遥控、监测
- 光照监测
- 温湿度监测
- 土壤湿度监测
- 水箱水位监测
- 自动补光
- 自动加湿
- 自动加温
- 自动通风
- 水箱自动加水
- 自动浇水
- 亚克力温室罩(可选)
预期实现的功能逻辑:

接下来我们就正式开始~
一、硬件设计与选型
1、主控板选型改造
为实现涂鸦智能APP的 远程控制,我们选用了WB3S 模组作为主控。涂鸦三明治 Wi-Fi SoC 主控板(WB3S)是方便我们使用者快速实现各种智能硬件产品原型的一款开发板。但是板载ADC接口只有一个,在硬件上需要我们进行接口拓展,这里我们选用一颗RS2255开关芯片来满足我们的需求。
原理图(点击下载)

PCB图(点击下载)

在涂鸦三明治 Wi-Fi SoC 主控板(WB3S)的基础上,保留原有的ADC接口,另外拓展了A1、A2、A3三个模拟接口。
- 模拟接口使用
根据原理图我们不难发现,如果我们需要读取A1、A2、A3三个模拟接口的话,程序上首先需要读取ADC的数值。ADC具体与A1、A2、A3中哪个模拟接口接在一起,需要通过PWM0、PWM1两个管脚的高低电平控制RS2255。具体模式如下
| 使用接口 | PWM0 | PWM1 |
|---|---|---|
| A1 | 1 | 0 |
| A2 | 0 | 1 |
| A3 | 1 | 1 |
2、照度检测(点击下载)
照度监测我们选取一个BH 1750照度检测模块来实现。BH 1750 照度检测模块 搭载一个BH1750FVI,是I2C总线接口的数字环境光传感器IC。可以准确读取1-65535lx范围内的环境照度。

- 原理图

- 管脚
VCC:3-5V供电
GND:参考地
SCL: IIC_SCL
SDA:IIC_SDA
ADDR:地址线
3、温湿度监测 (点击下载)
温湿度监测我们选用一个SHT21温湿度传感器。SHT21具有完全标定、IIC数字输出、低功耗、优异的长期稳定性等功能特点。(也可以用HTU21D替换)。

- 原理图

- 管脚
VCC:3.3V供电
GND:参考地
SCL: IIC_SCL
SDA:IIC_SDA
4、土壤湿度监测(点击下载)
土壤湿度监测使用土壤湿度模块是一个简易的水分传感器可用于检测土壤的水分,表面镀镍也不易生锈,延长使用寿命,感应面积宽提高导电性能。模块双输出模式,数字量输出简单,支持模拟量输出。灵敏度可调(图中蓝色电位器调节阀值)。比较器采用LM393芯片,工作稳定,信号干净。
- 原理图

- 管脚
VCC:3.3-5V供电
GND:参考地
D0:开关信号输出
A0:模拟信号输出
5、水箱水位监测(点击下载)
水箱水位监测使用一个水位传感器实现。它具有:水量到模拟量的转换、可塑性强、输出为基础模拟值、低功耗、灵敏度高、可以直接与微处理器或其他逻辑电路相连接等优点,适合各种开发板和控制器。

- 原理图

- 管脚
+:3-5V供电
-:参考地
S:模拟量输出
6、补光
补光功能我们继续使用上篇文档提到的普通植物生长机上的补光灯实现,这款补光由暖色、红色、红外、蓝色四种颜色的2835LED灯珠组成,共有114颗灯珠,暖光/红光/远红外/蓝光的灯珠数量比为25:9:2:2。可以使用两路PWM进行控制,其中一路控制蓝光,另一路控制暖光、红光和远红外。有蔬菜和瓜果/花卉两种工作模式。大家也可以通过用两路PWM控制的补光灯代替。

- 管脚
12V:12V供电
PON:PWM输入1
RON:PWM输入2
GND:参考地
7、加湿
加湿功能我们使用一路继电器控制一个5V加湿模块实现。芯片设计工作频率为 108KHz。芯片预留了水位监测控制脚(8 脚),可实现枯水断电,起到保护雾化片不会因为缺水而干烧的作用。

- 加湿模块原理图

- 管脚
红线:5V
黑线:GND
8、加温
继续使用一路继电器控制一个75W远红外加热灯实现。它具有热效率高、发热效果好、遇水防爆、导热散热强、潮湿环境可用等优点。根据需求可以添加散热风扇。

- 散热风扇
沿用普通植物生长机的DC 12V 0.18A的风扇。通过一个AC220V-DC12V 的变压器与加热灯并联,一同被继电器控制。

9、通风
通风功能通过一路继电器控制两个6CM 12V 0.5A大风量风扇实现。通风功能可以让温室的温湿度降低,并有助于植物的授粉,让环境与外界进行气体交换。

10、水箱加水功能
水箱加水功能,则是一路继电器控制一个12V水泵实现。可从其他水池或水井向水箱供水,也可根据具体情况把水泵换成12V 自来水阀来控制。功率:24W;流量:5L/min;进水压力:0.48MPa。

11、浇水功能
浇水功能通过一路继电器控制两个12V直流隔膜泵实现,把水箱里的水抽向植物土壤达到浇水的目的。

12、继电器
一般情况下,我们的控制器不能直接控制比其电压高的电路,那么要想控制其他供电网络上的设备,使用继电器无疑是一个不错的选择。这里我们选用两个一路继电器和一个四路继电器,控制加湿、加温、水箱加水、通风、浇水功能。
- 一路继电器

- 四路继电器

- 继电器管脚
| 引脚符号 | 引脚定义及功能 |
|---|---|
| DC+ | 供电电源正极 |
| DC- | 供电电源地 |
| IN或INxx | 控制信号输入端 |
| NO或NOx | 负载输入端,常开 |
| COM或COMx | 负载输入端,公共端 |
| NC或NCx | 负载输入端,常闭 |
12、整机供电
整机有AC220V、DC 12 V、DC 5V、DC 3.3V四种供电网络。
- AC 220V
AC 220V我们直接接在AC220V 50Hz市电上。

- DC 12 V
DC12V主要是通过一个S-120-12开关电源接在市电AC 220V上获得。

12V散热风扇因为需要与加热灯联动,与加热灯相同的逻辑启动,为了节省IO接口,我们通过一个220V转12V AC-DC降压模块输出是12V400mA的隔离开关电源模块并联在加热灯的两端为散热风扇供电。

- DC 5V
DC 5V供电网络主要用于继电器供电、超声波加湿器供电另降为3.3V为控制板和所有传感器供电。

- 模块参数
1:工作电压:DC 9V–36V;
2:输出电压:5.2V/5A/25W
3:输出能力:
9~24V输入: 输出5.2V/6A/30W
24~32V输入:输出5.2V/5A/25W
32~36V输入:输出5.2V/3.5A/18W
- DC 3.3V
DC 3.3V通过涂鸦三明治直流供电电源板获得,该电源开发板具有 DC 12V、DC 5V 两个输入接口,在 DC 12V 输入时,两个 SY8012B 芯片同时工作可为其他开发板部件提供 DC 12V、DC 5V、DC 3.3V。在 DC 5V 输入时,一个 SY8012B 工作,为其他开发板部件提供 DC 5V、DC 3.3V。

*这一套供电方案感觉太繁琐,大家可以自行更换。
13、亚克力温室罩设计
亚克力罩可以使用autoCAD等常用单位建模软件进行设计,最后生成工厂可加工的文件。需要注意一下设计点:
- 基础花盆尺寸
- 各元件的尺寸和位置规划
- 各元件需要的固定孔位
- 走线开孔
- 参考模型(激光雕刻2D图纸):
图纸仅作为参考,您可以根据的需求改进或者重新设计。
- 参考模型背面

三、整机搭建
1、整体物料准备
| 物料 | 规格 | 数量 | 购买链接 |
| 涂鸦三明治直流供电电源板 | 默认 | 1 | 涂鸦智选,一站式智能成品定制采购分销平台 |
| 自制涂鸦三明治WIFI控制板 | 自制 | 1 | 核心模组链接:https://iot.tuya.com/purchase/store/CM9r0u24kjdbuo?f=/purchase/store |
| 涂鸦 USB转UART串口 | 默认 | 2 | https://iot.tuya.com/purchase/store/CM9r2pojskh9ui?f=/purchase/store |
| 电子线 1007 26AWG 红 | 10米 | 1 | 淘宝网 - 淘!我喜欢 |
| 电子线 1007 26AWG 黄 | 10米 | 1 | |
| 电子线 1007 26AWG 黑 | 10米 | 1 | |
| 常用热缩管包 | Φ2/3/4/5/6/8.0MM | 1 | 淘宝网 - 淘!我喜欢 |
| 40P彩排杜邦线 | 公对公 | 3 | 淘宝网 - 淘!我喜欢 |
| 40P彩排杜邦线 | 公对母 | 3 | |
| 40P彩排杜邦线 | 母对母 | 3 | |
| 红黑并线 | RVB2*0.5 | 10 | https://item.taobao.com/item.htm?spm=a1z10.3-c-s.w4002-21223910208.9.47466a4bXThwu3&id=546870583991 |
| 220V转12V AC-DC降压模块 | 输出12V400mA | 1 | https://item.taobao.com/item.htm?spm=a1z09.2.0.0.4a002e8dsVNLAA&id=529581470811&_u=f223e66ua031 |
| 全铜主机电源线机箱电源线 | 默认3*0.5平方 | 1 | 淘宝网 - 淘!我喜欢 |
| AC电源插座 | 3PAC | 1 | 淘宝网 - 淘!我喜欢 |
| 继电器模块 | 5V,四路 | 1 | 淘宝网 - 淘!我喜欢 |
| 继电器模块 | 5V,一路 | 1 | 淘宝网 - 淘!我喜欢 |
| 水位传感器 | 默认 | 1 | https://item.taobao.com/item.htm?spm=a1z09.2.0.0.4a002e8dsVNLAA&id=522574625874&_u=f223e66u1d28 |
| 光强度光照度模块 | BH1750 | 1 | 淘宝网 - 淘!我喜欢 |
| 土壤湿度计检测模块 | 默认 | 1 | 淘宝网 - 淘!我喜欢 |
| HTU21高精度温湿度传感器模块 | HTU21D | 1 | https://item.taobao.com/item.htm?spm=a1z10.3-c-s.w4002-21223910208.9.6bea6a4bQB8Fmb&id=565152293353 |
| 穿墙免焊固定面板 | 12P对接整套 | 2 | 淘宝网 - 淘!我喜欢 |
| 陶瓷灯头爬宠爬虫加热灯灯座 | 二代陶瓷灯头 | 1 | 天猫tmall.com--理想生活上天猫 |
| 迷你陶瓷加热灯 | 75W | 1 | 天猫tmall.com--理想生活上天猫 |
| 电动喷雾器管子(用于水箱加水) | 1米 | 2 | https://detail.tmall.com/item.htm?id=577968318991&spm=a1z09.2.0.0.360f2e8dTEe2F5&_u=f223e66ua9d9&skuId=3990351915191 |
| 农用电动喷雾器电机(用于水箱加水) | 521内回流 | 1 | https://detail.tmall.com/item.htm?id=613624082137&spm=a1z09.2.0.0.360f2e8dTEe2F5&_u=f223e66u0680&skuId=4320615105904 |
| 上水壶茶壶茶具电硅胶无异味进水管(用于浇水) | 默认 | 2 | 淘宝网 - 淘!我喜欢 |
| 上水壶配件水泵(用于浇水) | 2号上水泵 | 2 | 淘宝网 - 淘!我喜欢 |
| 12V转5V 5A直流电源降压模块 | 默认 | 1 | 淘宝网 - 淘!我喜欢 |
| 12V电脑机箱电源功放变频器散热风 | 6CM12V大风量 | 2 | https://item.taobao.com/item.htm?spm=a1z09.2.0.0.360f2e8dTEe2F5&id=564954378814&_u=f223e66uec9a |
| 220转12V 10A开关电源 | 12V10A | 1 | 淘宝网 - 淘!我喜欢 |
| 水位保护加湿器模块 | 默认 | 1 | 淘宝网 - 淘!我喜欢 |
| 有机玻璃胶 | 默认 | 1 | 淘宝网 - 淘!我喜欢 |
| 不锈钢橱碰珠吸合器 | 免打孔5只装 | 1 | 淘宝网 - 淘!我喜欢 |
| 缠绕管10mm | 白色 | 1 | 淘宝网 - 淘!我喜欢 |
| 缠绕管8mm | 白色 | 1 | |
| 缠绕管6mm | 白色 | 1 | |
| 缠绕管4mm | 白色 | 1 | |
| 尼龙垫片(用于绝缘安装电源板) | M3*6*0.5 | 1 | 天猫tmall.com--理想生活上天猫 |
| M3螺母 | M3 304(50粒) | 1 | 天猫tmall.com--理想生活上天猫 |
| M3*16螺丝 | M3*16(100个) | 1 | 天猫tmall.com--理想生活上天猫 |
| M4*40螺丝 | M4*40(20个) | 1 | 天猫tmall.com--理想生活上天猫 |
| 铜柱M3*40 | M3*40(20个) | 1 | 天猫tmall.com--理想生活上天猫 |
| 沉头螺丝套装 | 304沉头套装(M3-M5) | 1 | https://detail.tmall.com/item.htm?id=521341801216&spm=a1z09.2.0.0.360f2e8dTEe2F5&_u=f223e66ud579&skuId=4105662378493 |
| 高透明亚克力板定制(送把手) | 非标尺寸等制 | 1 | 天猫tmall.com--理想生活上天猫 |
| 亚克力透明合页 | 亚克力加大号(65*42*10) | 4 | 淘宝网 - 淘!我喜欢 |
| 基础土培植物生长机 | 土培 | 1 | https://item.taobao.com/item.htm?spm=a230r.1.14.212.77449ccbkd42ni&id=631518009880&ns=1&abbucket=16#detail |
物料清单仅供参考,您可以根据自己的需求做适当调整。
2、组装亚克力
找工厂按照事先画好的亚克力模型切割完外壳零件以后,按照图纸将外壳使用亚克力浇水组装起来。

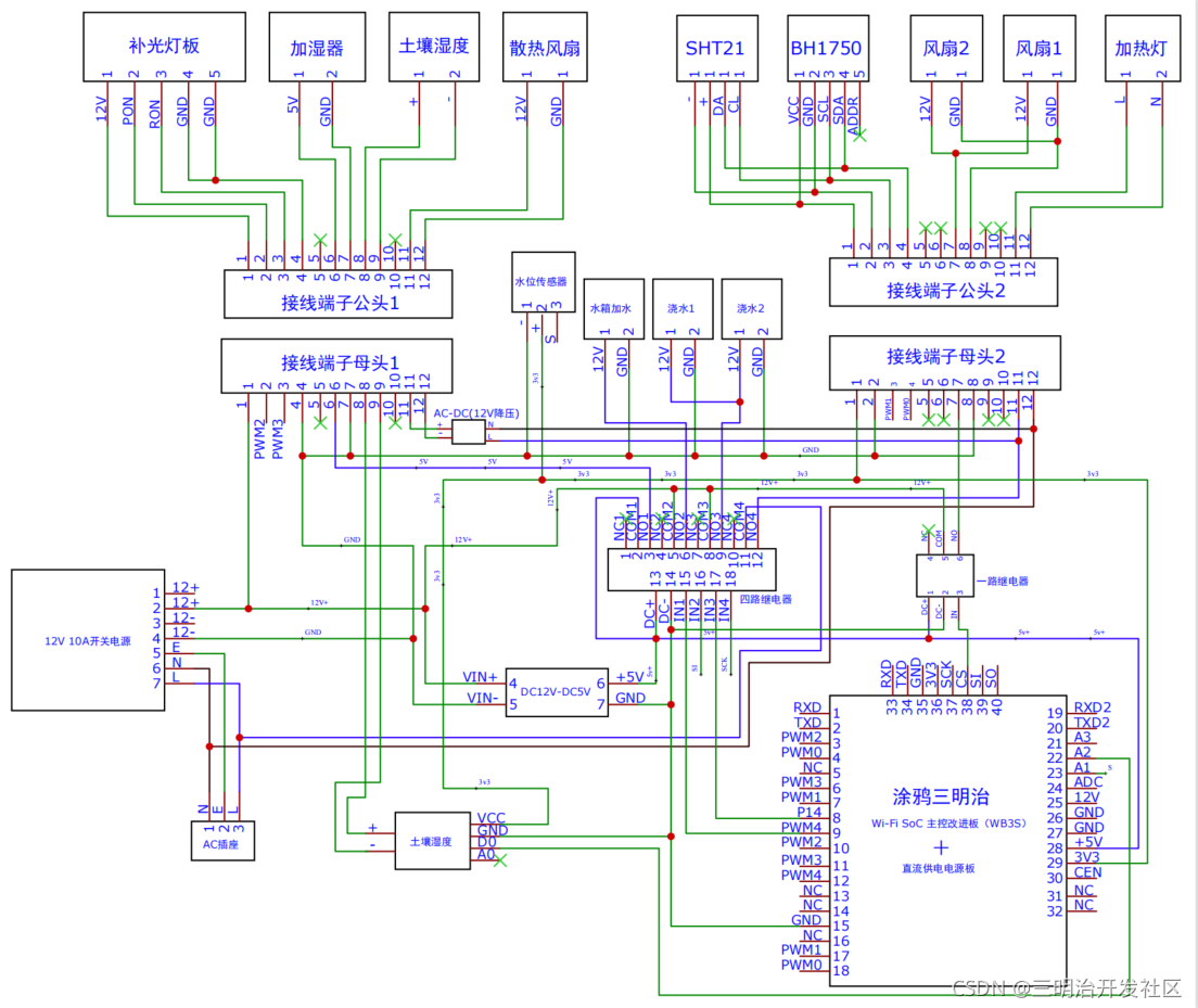
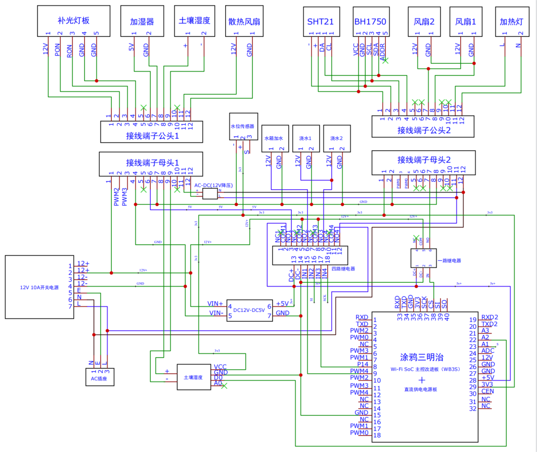
3、接线示意图

4、元件安装和接线注意事项
在所有的物料准备好以后,我们就可以进行元件安装和接线了。您可以根据自己的个人喜好安装,安装时需要注意以下几点:
- 各个具体位置放置
- 上通风口为进风口,下通风口为出风口
- 线材选择和长度截取
- 光照传感器位置放置
5、加湿器装置制作
加湿装置制作比较灵活,这里为您分享一个制作经验,您可以根据身边的材料自由发挥。
- 选择一个有内盖的瓶子

- 固定吸水棉
内盖钻孔,内盖孔径大小调整到可以固定吸水棒上端,在瓶内放置沙子或小石块固定吸水棒下段。

- 将水位感应线通过内盖孔插入瓶内

- 固定起雾装置
首先,将起雾装置按如图所示方式放置在吸水棒上。
然后将外盖固定上,注意不能压太紧,压太紧不能出雾。如果没有类似的瓶子可以用热熔胶固定。

6、成品展示
将所有元件安装好以后,再用绕线管整理线束。整体效果如下图:

至此,这款基于涂鸦智能的全功能植物生长系统硬件部分就完成了,基于涂鸦IoT平台,还可以更加方便的搭建更多智能产品原型,后面我们一起再分享一下程序部分,欢迎各位大佬指点,欢迎大家分享各自的植物生长机的方案,喜欢的话可以继续关注哦~