Capstone最新推出的一款HDMI转VGA音视频转接线或者转换器方案芯片CS5210。
其设计的优势在于内置晶振,外围电路器件较少设计简单,芯片封装集成度较高,方案BOM成本低,相比其他方案产品更具性价比,下面将着重讲述CS5210的功能特性和参数要求。
一、CS5210功能概述
Capstone CS5210 HDMI到VGA转换器结合了HDMI输入接口和模拟RGB DAC输出。支持内部LDO,节省成本,优化电路板空间。嵌入式单片机基于工业标准8051内核。
CS5210适用于各种市场系统和显示应用程序,如笔记本电脑、主板、台式机、转换和对接系统。
二、CS5210应用场景

三、CS5210设计HDMI转VGA转换方案产品特性:
HDMI 1.4兼容接收机
VGA输出接口,DAC速度高达~200 MHz像素速率,8位
视频分辨率支持高达1920x1200@60以及1920X1080@60Hz
内置振荡器,无需外部晶体
嵌入式线性差稳压器(LDO)
嵌入式微控制器
符合HDCP 1.4规范的片上HDCP引擎(可选)
集成片上HDCP 1.4键(可选)
嵌入式EDID(如果终端设备没有,CS5210将响应EDID)
支持EEPROM自由模式通过使用内部预写ROM
支持自动省电模式
支持VGA连接检测
内部上电复位(POR)
双通道16位分辨率sigma-delta DAC
I2C从接口和HDMI DDC接口可用于调试和固件更新。
QFN32 4x4包装
HDMI数字输入
HDMI 1.4兼容
内置高性能自适应均衡器
支持热插拔检测
VGA输出接口
时钟频率高达200 MHz的三重8位DAC(数模转换器)
视频分辨率支持高达1920x1200@60以及1920X1080@60Hz
嵌入式V-sync/H-sync 5V缓冲器
用于VGA连接器引脚的HBM 4-KV
符合VESA VSIS v1r2
嵌入式微控制器
工业标准8051核
支持I2C主从高达400 KHz。
电力与技术
单5V电源
超低待机功率<100uW
四、CS5210管脚配置和脚位定义方式

CS5210设计HDMI转VGA转接线或者HDMI转VGA转换器方案产品形态如下

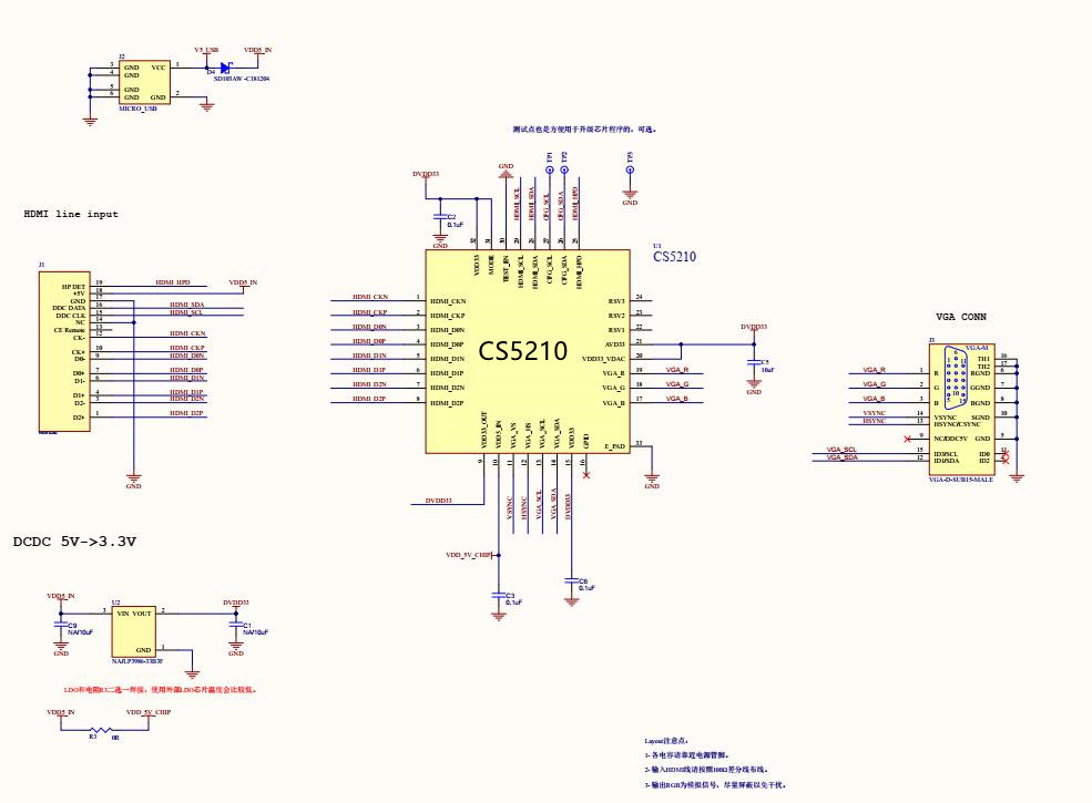
CS5210设计HDMI转VGA音视频转接线或者转换器产品设计应用电路图如下所示:

设计以上HDMI转VGA转换器方案PCB板如下所示:

CS5210设计HDMI转VGA转换器方案PCB板BOM清单如下表所示:
