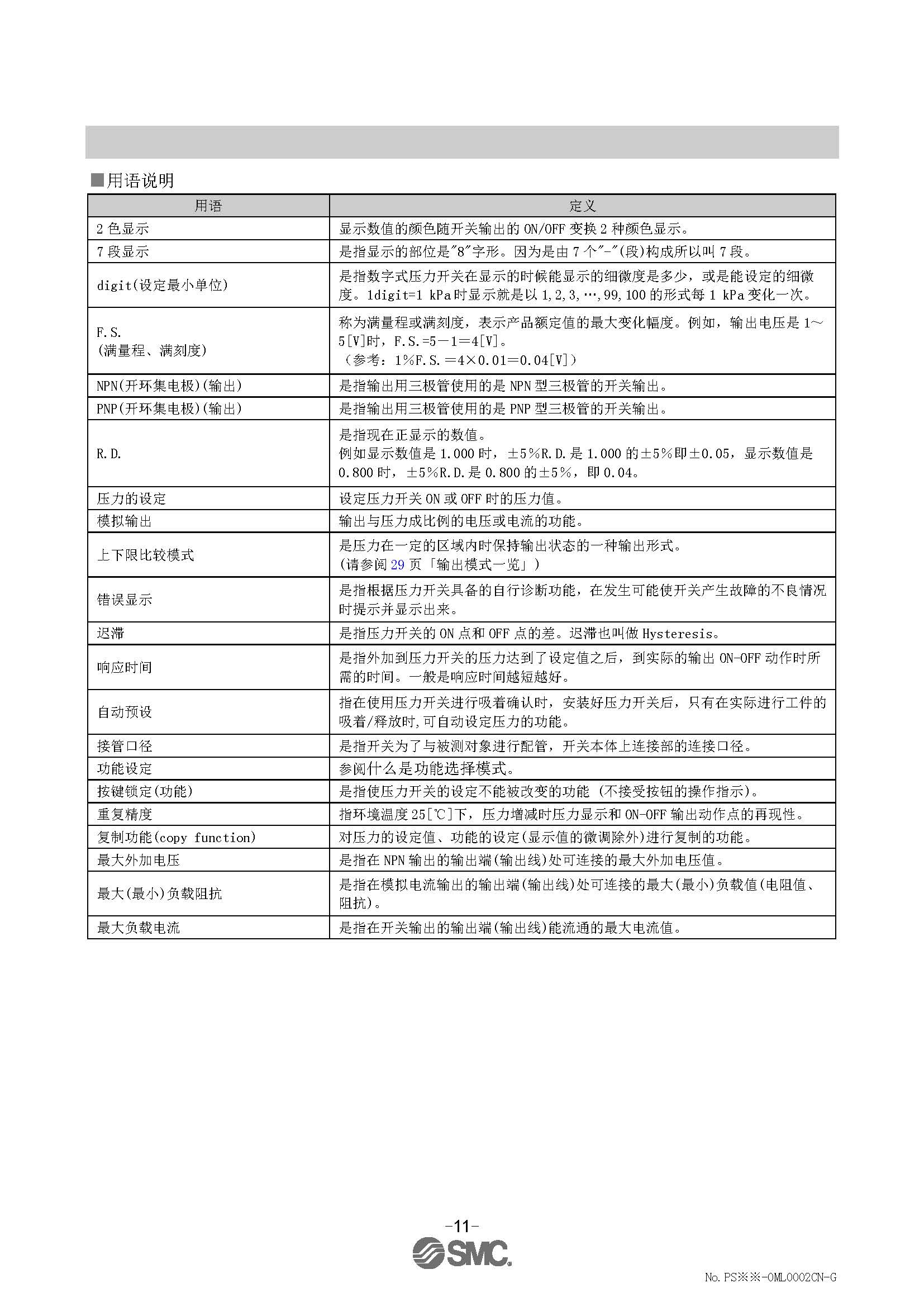
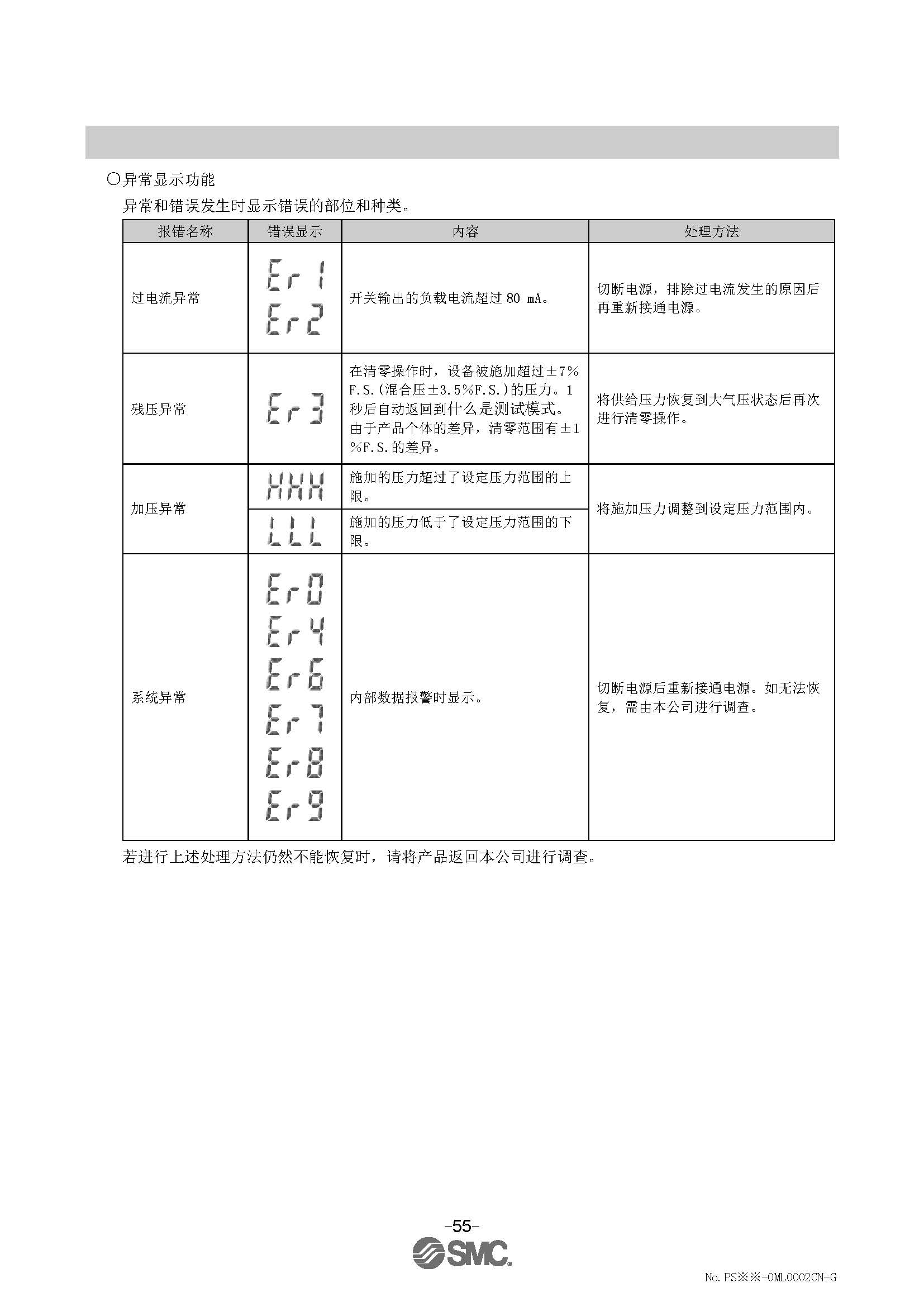
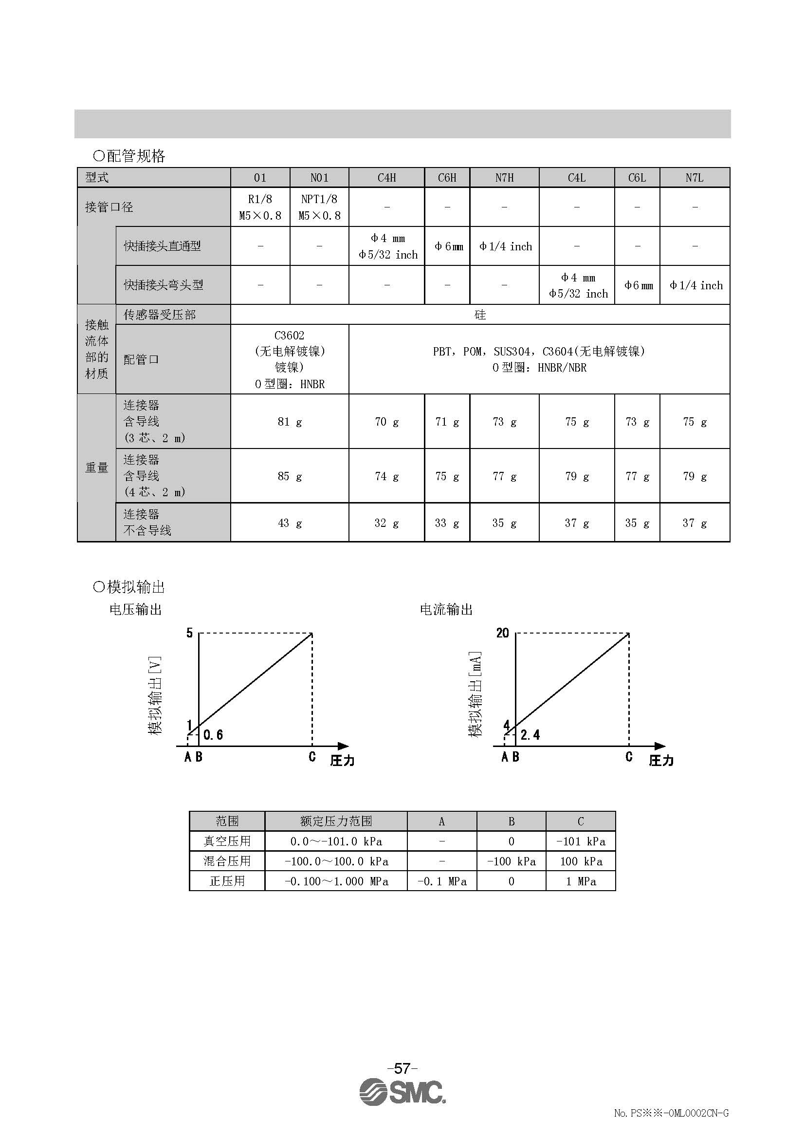
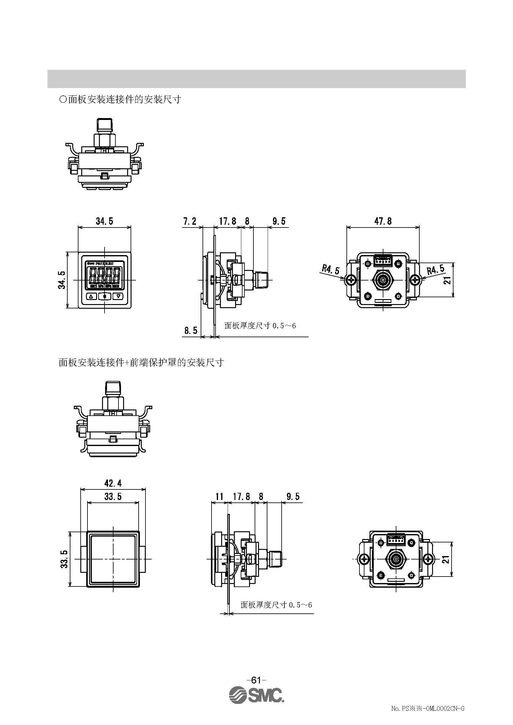
SMC的压力传感器(也有继电器功能)
可以输出4-20mA或者1-5V模拟量,也可以设定压力报警值,可以设置迟滞值或者窗口模式(下边操作手册里有具体说明)。
ISE系列(正压)
ZSE系列(负压)
或者混合压力范围。
有现场数字显示,红绿两色表示目前值和报警值。可以设定不同压力显示单位bar,MPa,Psi等。
很不错的产品。有小伙伴不知道怎么使用。下边是常用的ISE30A产品操作手册。以供参考。
需要注意,需要配合产品样本一起查看。
http://www.smc.com.cn/products/zh/s.do?ca_id=1192
网页版选型程序:
https://mssc.smcworld.com/dsmss/index.php/?language=zh-CHS&_ga=2.59320425.518406900.1585526816-254521536.1534815863































































有小朋友问,如果断电之后再通电,那么我的设置值还有吗?一般压力继电器都有断电记忆功能的。目前小田接触过放几年后通电,依然还是当初设置值。当然要了解是rom,ram,还是eeprom在进行存储。还是电池存储等,就涉及到电路设计了。
版权声明:本文为weixin_42952688原创文章,遵循CC 4.0 BY-SA版权协议,转载请附上原文出处链接和本声明。