1.STM32的系统时钟选择与分析(另有部分在库函数开发指南122,4.3 STM32时钟系统;)
(中文参考手册59页,6.2.6系统时钟选择)
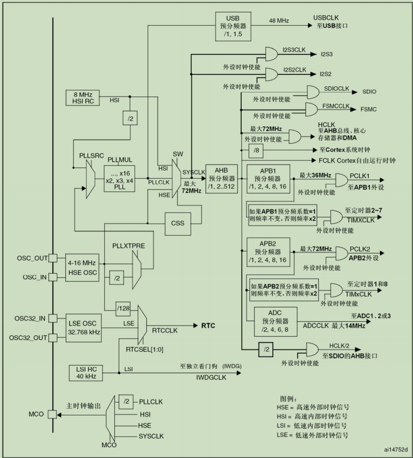
为什么 STM32 要有多个时钟源呢?
因为首先 STM32 本身非常复杂,外设非常的多,但是并不是所有外设都需要系统时钟这么高的频率,比 如看门狗以及 RTC 只需要几十 k 的时钟即可。同一个电路,时钟越快功耗越大,同时抗电磁干 扰能力也会越弱,所以对于较为复杂的 MCU 一般都是采取多时钟源的方法来解决这些问题。
三种不同的时钟源可被用来驱动系统时钟(SYSCLK):
● HSI振荡器时钟
● HSE振荡器时钟
● PLL时钟 这些设备有以下2种二级时钟源:
●(LSI) 40kHz低速内部RC,可以用于驱动独立看门狗和通过程序选择驱动RTC。RTC用于从停机/ 待机模式下自动唤醒系统。
●(LSE) 32.768kHz低速外部晶体也可用来通过程序选择驱动RTC(RTCCLK)。 当不被使用时,任一个时钟源都可被独立地启动或关闭,由此优化系统功耗。

1.当HSI被用于作为PLL时钟的输入时,系统时钟能得到的大频率是64MHz。
2.对于内部和外部时钟源的特性,请参考相应产品数据手册中“电气特性”章节。 用户可通过多个预分频器配置AHB、高速APB(APB2)和低速APB(APB1)域的频率。AHB和 APB2域的大频率是72MHz。APB1域的大允许频率是36MHz。SDIO接口的时钟频率固定 为HCLK/2。 RCC通过AHB时钟(HCLK)8分频后作为Cortex系统定时器(SysTick)的外部时钟。通过对SysTick 控制与状态寄存器的设置,可选择上述时钟或Cortex(HCLK)时钟作为SysTick时钟。ADC时钟 由高速APB2时钟经2、4、6或8分频后获得。
定时器时钟频率分配由硬件按以下2种情况自动设置:
1. 如果相应的APB预分频系数是1,定时器的时钟频率与所在APB总线频率一致
2. 否则,定时器的时钟频率被设为与其相连的APB总线频率的2倍。 2.定时器定时中断时,寄存器的参数设置

2.定时器定时中断时,寄存器的参数设置
(1)中文参考手册282,14.4,TIMx寄存器描述;
(2)库函数开发指南,216,十三章.定时器中断实验
3.串口通信时,特别是波特率寄存器的设置
(1)中文参考手册540,25.6 USART寄存器描述
(2)库函数开发指南188, 第九章 串口实验
4.单片机选型原则
一、单片机内核*不同的内核有不同的性能/功耗表现,按需选择;*内核即代表某系列的单片机;1、简单基础单片机内核: 51、STM8、AVR、PIC、S08、430;2、ARM Cortex系列:Cortex-M0内核是低功耗的内核;3、ARM全系列详解: http://www.myir-tech.com/resource/448.asp4(附)、两种逻辑电路集成器件: a、FPGA:基于门编程(altera、xilinux);类似:SDAM 掉电不保存; b、CPLD:基于块编程;类似:EEPRM FLASH 掉电保存;
二、单片机选型*市面的产品基本都是围绕这几款单片机:51(低端)、ST(中端)、ARM(高端);
1、单片机的性能;
2、单片机的自身资源是否满足项目需求,长远考虑后续的更新迭代(封装、功能)、系统升级和维护难度; a、内存是否足够(储存常量数组、密码等数据); b、I/O的数量充足; c、外设资源(RTC、IIC(硬件、模拟)、SPI、UART);d、未来需求兼容性
3、开发周期:熟悉该类型单片机的硬件与软件,可用高级语言编写和调试;
4、单片机的价格、货源、体积、封装;
5,开发工具




