目录
1 前言
SX126x芯片内部可以选择2种电源模式:DC-DC或者LDO。每种模式需相应的电路设计和命令配置。官方建议使用更高效的DC-DC供电方式,在该方式下LDO依旧工作,具体内容在后续会介绍到。
同时射频供电和IO供电可灵活使用,满足不同使用场景。
2 电源输入
芯片有2个电源引脚,一个是用于射频收发的VABT,另一个是用于接口(SPI,DIOS,BUSY)IO电平的VBAT_IO。两个电源输入可单独供电,也可连在一起使用。
PS:需要满足的条件 VABT ≥ VBAT_IO
2.1 低功耗MCU场景
由于发射功率原因,需要VBAT电压为3.3V,同时由于低功耗需求,使用的是1.8V的MCU来控制SX126x。此时就可以使用如下供电方案:
- VBAT直接使用电池3.3V供电
- MCU和VBAT_IO同时使用1.8V供电

3 配置命令
- 使用SetRegulatorMode()命令进行电源模式选择
regModeParam:
0 - 只有LDO供电方式
1 - DC-DC供电方式,同时LDO也打开(后面描述DC-DC时详细解释)
- 不同配置和工作模式下的供电方案
PS:需注意,该命令只能在STDBY_RC工作模式下使用。看Semtech官方代码如何使用
void RadioInit( RadioEvents_t *events )
{
...
//在使用之前先切换至STDBY_RC模式
SX126xSetStandby( STDBY_RC );
SX126xSetRegulatorMode( USE_DCDC );
...
}4 LDO方式
配置该模式后,DC-DC是关闭的,在所有工作模式下,都使用LDO供电方式
5 DC-DC方式
配置该模式后,LDO也使开启的。在STDBY_RC模式下,依旧LDO供电。在STDBY_XOSC,FS,RX,TX模式下,主要DC-DC供电,LDO最为最后保障作用。
5.1 过电流保护
当选择DC-DC后,LDO也时保持开启状态,其电压会低于DC-DC电压50mv,以确保高电流峰值时的电压稳定。如果由于大电流峰值而使DC-DC电压下降到这个水平,LDO将提供电流。此时射频的能力消耗将增大。
默认峰值电流限制在60mA,是通过OCP寄存器设置。
- 上电复位后,默认是60mA,如果使用命令SetPaConfig()设置字段DeviceSel后,SX1262过电流限制会提高到140mA。
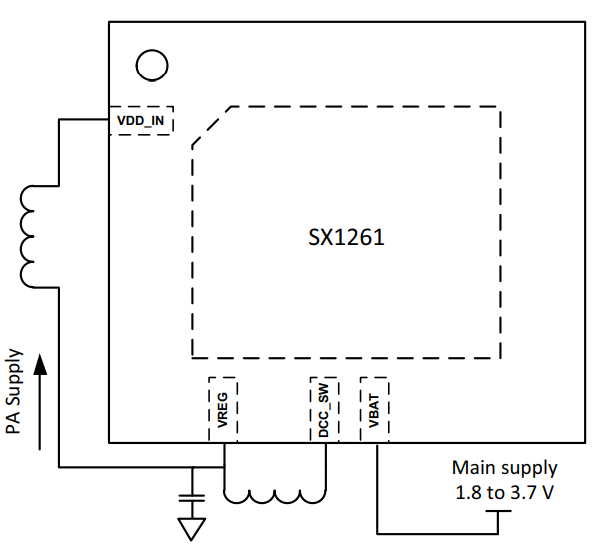
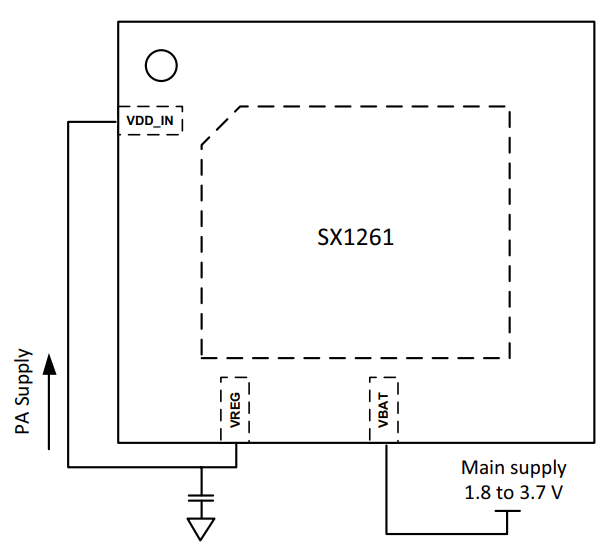
6 电路设计
选择DC-DC还是LDO除了软件在寄存器上的配置外,还需要对应的电路设计。SX1261/2/8关于电源供电的设计有略微的差异,具体可以查芯片手册。这里只拿SX1261举例分析:
6.1 SX1261 DC-DC
DC-DC有接近90%的效率,用于给芯片和外部PA供电

6.2 SX1261 LDO
有时基于成本和尺寸的限制,也会采取LDO的方式。节约了外部15uH和47nH两个电感的成本和布板空间。

6.3 DC-DC下SX1261和SX1262差别

- 最大差别在于VDD_IN的电源输入,SX1262最大输出功率为+22dBm,VDD_IN的输入电源需要3V以上


