- 一.选择题(每题1分,共20分)
1. 我国在______ 年研制成功了第一台电子数字计算机,第一台晶体管数字计算机于______ 年完成。
A.1946 1958 B.1950 1968 C.1958 1961 D.1959 1965
2. Pentium微型计算机中乘除法部件位于______ 中。
A.CPU B.接口 C.控制器 D.专用芯片
3. 没有外存储器的计算机初始引导程序可以放在______ 。
A.RAM B.ROM C.RAM和ROM D.CPU
4. 下列数中最小的数是______ 。
A.(101001)2 B.(52)8 C.(2B)16 D.(44)10
5. 在机器数______ 中,零的表示形式是唯一的。
A.原码 B.补码 C.移码 D.反码
6. 在定点二进制运算器中,减法运算一般通过______ 来实现。
A.原码运算的二进制减法器 B.补码运算的二进制减法器
C.补码运算的十进制加法器 D.补码运算的二进制加法器
7. 下列有关运算器的描述中______ 是正确的。
A.只作算术运算,不作逻辑运算 B.只作加法
C.能暂时存放运算结果 D.以上答案都不对
8. 某DRAM芯片,其存储容量为512K×8位,该芯片的地址线和数据线数目为______ 。
A.8,512 B.512,8 C.18,8 D。19,8
9. 相联存储器是按______ 进行寻址的存储器。
A.地址指定方式 B.堆栈存取方式
C.内容指定方式 D。地址指定与堆栈存取方式结合
10. 指令系统中采用不同寻址方式的目的主要是______ 。
A.实现存储程序和程序控制 B.缩短指令长度,扩大寻址空间,提高编程灵活性
C.可以直接访问外存 D.提供扩展操作码的可能并降低指令译码难度
11. 堆栈寻址方式中,设A为累加寄存器,SP为堆栈指示器,Msp为SP
指示器的栈顶单元,如果操作的动作是:(A)→Msp,(SP)-1→SP,那么出栈操作的动作为:
A.(Msp)→A,(SP)+1→SP B.(SP)+1→SP,(Msp)→A
C.(SP)-1→SP,(Msp)→A D.(Msp)→A,(SP)-1→SP
12. 在CPU中跟踪指令后继地址的寄存器是______ 。
A.主存地址寄存器 B.程序计数器 C.指令寄存器 D.状态条件寄存器
13. 描述多媒体CPU基本概念中正确表述的句子是______ 。
A.多媒体CPU是带有MMX技术的处理器
B.多媒体CPU是非流水线结构
C.MMX指令集是一种单指令流单数据流的串行处理指令
D.多媒体CPU一定是 CISC机器
14. 描述Futurebus+总线中基本概念正确的表述是______ 。
A.Futurebus+总线是一个高性能的同步总线标准
B.基本上是一个同步数据定时协议
C.它是一个与结构、处理器技术有关的开发标准
D.数据线的规模不能动态可变
15. 在______ 的微型计算机系统中,外设可以和主存储器单元统一编址,因此可以不用I/O指令。
A.单总线 B.双总线 C.三总线 D.多总线
16. 用于笔记本电脑的大容量存储器是______ 。
A.软磁盘 B.硬磁盘 C.固态盘 D.磁带
17. 具有自同步能力的记录方式______ 。
A.NRZ0 B.NRZ1 C.PM D.MFM
18. ______不是发生中断请求的条件。
A.一条指令执行结束 B.一次I/O操作结束
C.机器内部发生故障 D.一次DMA操作结束
19. 采用DMA 方式传送数据时,每传送一个数据就要用一个______ 。
A.指令周期 B.数据周期 C.存储周期 D.总线周期
20. 并行I/O标准接口SCSI中,一块主适配器可以连接______ 台具有SCSI接口的设备。
A.6 B.7~15 C.8 D.10
- 二.填空题(每空1分,共20分)
1. 在计算机术语中,将A.______ 和B.______ 和在一起称为CPU,而将CPU和C.______ 合在一起称为主机。
2. 计算机软件一般分为两大类:一类叫A.______ ,另一类叫B.______ 。操作系统属于C.______ 类。
3. 主存储器容量通常以MB表示,其中M = A.______ , B =B.______;硬盘容量通常以GB表示,其中G =C. ______ 。
4. CPU能直接访问A.______ 和B.______ ,但不能直接访问磁盘和光盘。
5. 指令字长度有A.______ 、B.______ 、C.______ 三种形式。
6. 计算机系统中,根据应用条件和硬件资源不同,数据传输方式可采用A.______ 传送、B.______ 传送、C.______ 传送。
7. 通道是一个特殊功能的A.______ ,它有自己的B.______ 专门负责数据输入输出的传输控制。
8. 并行I/O接口A.______ 和串行I/O接口B.______ 是目前两个最具有权威性的标准接口技术。
- 三.简答题(每题5分,共20分)
1.一个较完善的指令系统应包括哪几类?
2.什么是闪速存储器?它有哪些特点?
3.比较水平微指令与垂直微指令的优缺点。
4.CPU响应中断应具备哪些条件?
- 四.应用题(每题5分,共20分)
1.已知:X=0.1011,Y=-0.0101,求[X/2]补,[X/4]补, [-X]补, [Y/2]补,[Y/4]补, [-Y]补。
2.设机器字长为16位,定点表示时,尾数15位,阶符1位。
(1)定点原码整数表示时,最大正数为多少?最小负数为多少?
(2)定点原码小数表示时,最大正数为多少?最小负数为多少?
3.[x]补+[y]补=[x+y]补
求证 : -[y]补=[-y]补
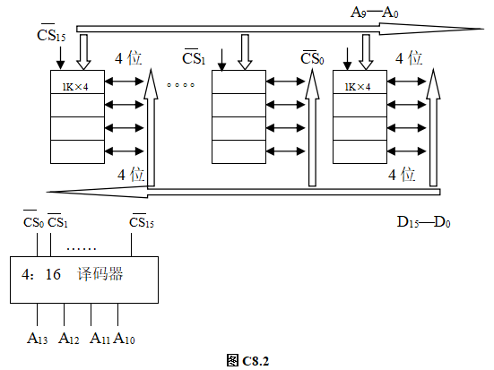
4.有一个16K×16的存储器,由1K×4位的DRAM芯片构成问:
(1)总共需要多少DRAM芯片?
(2)画出存储体的组成框图。
5.中断接口中有哪些标志触发器?功能是什么?
6.CPU结构如图所示,其中一个累加寄存器AC,一个状态条件寄存器和其它四个寄存器,各部分之间的连线表示数据通路,箭头表示信息传送方向。
(1)标明图中四个寄存器的名称。
(2)简述指令从主存取到控制器的数据通路。
(3)简述数据在运算器和主存之间进行存/取访问的数据通路。

7.何谓DMA方式?DMA控制器可采用哪几种方式与CPU分时使用内存?
8.CD-ROM光盘的外缘有5mm的范围因记录数据困难,一般不使用,故标准的播放时间为60分钟。请计算模式1情况下光盘存储容量是多少?
计算机组成原理试题(三)答案
- 选择题
1.D 2. A 3. B 4. A 5. B,C 6. D 7. D
8. D 9. C 10. B 11. B 12. B 13. A 14. C
15. A 16. C,D 17. C 18. A 19. C 20. B
二. 填空题
1. A.运算器 B.控制器 C.存储器
2. A.系统程序 B.应用程序 C.系统程序
3. A.220 B.8位(1个字节) C.230
4. A.cache B.主存
5. A.单字长 B.半字长 C.双字长
6. A.并行 B.串行 C.复用
7. A.处理器 B.指令和程序
8. A.SCSI B.IEEE1394
三. 简答题
- 包括:数据传送指令、算术运算指令、逻辑运算指令、程序控制指令、输入输出指令、堆栈指令、字符串指令、特权指令等。
- 闪速存储器是高密度、非易失性的读/写半导体存储器。从原理上看,它属于ROM型存储器,但是它又可随机改写信息;从功能上看,它又相当于RAM,所以传统ROM与RAM的定义和划分已失去意义。因而它是一种全新的存储器技术。
闪速存储器的特点:(1)固有的非易失性
(2)廉价的高密度
(3)可直接执行
(4)固态性能
3.(1)水平型微指令并行操作能力强、效率高、灵活性强,垂直型微指令则较差。
(2)水平型微指令执行一条指令的时间短,垂直型微指令执行时间长。
(3)由水平型微指令解释指令的微程序,具有微指令字比较长,但微程序短的特点,而垂直型微指令正好相反。
(4)水平型微指令用户难以掌握,而垂直型微指令与指令比较相似,相对来说比较容易掌握
4. 解:
- 在CPU内部设置的中断屏蔽触发器必须是开放的。
- 外设有中断请求时,中断请求触发器必须处于“1”状态,保持中断请求信号。
- 外设(接口)中断允许触发器必须为“1”,这样才能把外设中断请求送至CPU。
- 当上述三个条件具备时,CPU在现行指令结束的最后一个状态周期响应中断。
四. 应用题
1. 解:[X]补 = 0.1011 [X/2]补 = 0.01011 [X/4]补 = 0.001011 [-X]补 = 1.0101
[Y] 补 = 1.1011 [Y/2]补 = 1.11011 [Y/4]补 = 1.111011 [-Y]补 = 0.0101
2. 解:(1)定点原码整数表示时
最大正数:(215-1)10 = (32767)10
最小负数:-(215-1)10=(-32767)10
(2)定点原码小数表示时
最大正数:(1-2-15)10
最小负数:-(1-2-15)10
3. 证:因为 [x]补+[y]补=[x+y]补
令x = -y 代入,则有 [-y]补+[y]补=[-y+y]补 = [0]补 = 0
所以 -[y]补=[-y]补
4. 解:(1)芯片1K×4位,片内地址线10位(A9--A0 ),数据线4位。芯片总数
16K×16/(1K×4)=64片
(2)存储器容量为16K,故地址线总数为14位(A13─A0),其中A13A12A11A10通过 4:16译码器产生片选信号CS0─CS15 。

5. 解:中断接口中有四个标志触发器:
- 准备就绪的标志(RD):一旦设备做好一次数据的接受或发送,便发出一个设备动作完毕信号,使RD标志置“1”。在中断方式中,该标志用作为中断源触发器,简称中断触发器。
- 允许中断触发器(EI):可以用程序指令来置位。EI为“1”时,某设备可以向CPU发出中断请求;EI为“0”时,不能向CPU发出中断请求,这意味着某中断源的中断请求被禁止。设置EI标志的目的,就是通过软件来控制是否允许某设备发出中断请求。
- 中断请求触发器(IR):它暂存中断请求线上由设备发出的中断请求信号。当IR标志为“1”时,表示设备发出了中断请求。
- 中断屏蔽触发器(IM):是CPU是否受理中断或批准中断的标志。IM标志为“0”时,CPU可以受理外界的中断请求,反之,IM标志为“1”时,CPU不受理外界的中断。
6. 解:(1)a为数据缓冲寄存器DR,b为指令寄存器IR,c为主存地址寄存器AR,
d为程序计数器PC
(2)PC→AR→主存→缓冲寄存器DR → 指令寄存器IR → 操作控制器
(3)存储器读:M → DR → ALU → AC 存储器写:AC → DR → M
7. 解:DMA直接内存访问方式是一种完全由硬件执行I/O交换的工作方式。DMA控制器从CPU完全接管对总线的控制,数据交换不经过CPU而直接在内存和I/O设备间进行。
8. 解:扇区总数 = 60 × 60 × 75 = 270000
模式1存放计算机程序和数据,其存储容量为
270000 × 2048 /1024 /1024 = 527MB