【山外笔记-计算机网络·第7版】第01章:计算机网络概述

本文下载链接:

[学习笔记]第01章_计算机网络概述-打印版.pdf

教材:《计算机网络·第7版》

作者:谢希仁

时间:2020.04.19

本章是全书的概要,最重要的内容是:

(1)互联网边缘部分和核心部分的作用,其中包含分组交换的概念。

(2)计算机网络的性能指标。

(3)计算机网络分层次的体系结构,包含协议和服务的概念。

一、计算机网络在信息时代中的作用

**1、21世纪的重要特征:**就是数字化、网络化和信息化,是一个以网络为核心的信息时代。

2、三大网络

(1)电信网络:向用户提供电话、电报及传真等服务。

(2)有线电视网络:向用户传送各种电视节目。

(3)计算机网络:发展最快的并起到核心作用,使用户能够在计算机之间传送数据文件。

(4)“三网融合”:电信网络、有线电视网络和计算机网络三大网络融合成一种网络。

3、Internet的中文译名

(1)因特网,这个译名是全国科学技术名词审定委员会推荐的。较为准确,但却长期未得到推广。

(2)互联网,目前流行最广的、事实上的标准译名。

**4、互连网:**在局部范围互连起来的计算机网络。

5、互联网(Internet):当今世界上最大的计算机网络

(1)互联网具有两个重要基本特点,即连通性和共享。

  • ① 连通性(connectivity)就是互联网使上网用户之间,不管相距多远都可以非常便捷经济地交换各种信息,好像这些用户终端都彼此直接连通一样。

  • ② 共享是指资源共享,可以是信息共享、软件共享,也可以是硬件共享。

(2)“互联网+”:“互联网+各个传统行业”

“互联网+”特点就是把互联网的创新成果深度融合于经济社会各领域之中,大大地提升实体经济的创新力和生产力。

二、互联网概述

2.1 网络的网络

1、计算机网络(简称网络):由若干结点(node)和连接这些结点的链路(link)组成。

(1)结点可以是计算机、集线器、交换机或路由器等。

(2)主机(host):与网络相连的计算机。

2、互连网(internetwork或internet):多个网络通过路由器相互连接起来构成一个覆盖范围更大的计算机网络。因此互连网是网络的网络(network of networks)。

图1-1 简单的网络(a)和由网络构成的互连网(b)

2.2 互联网基础结构发展的三个阶段

1、互联网的发展阶段

(1)第一阶段:从单个网络ARPANET向互连网发展。

(2)第二阶段:建成三级结构的互联网,即主干网、地区网和校园网(或企业网)。

(3)第三阶段:逐渐形成多层次ISP结构的互联网。

2、internet和Internet的区别:

(1)internet(互连网)是一个通用名词,泛指由多个计算机网络互连而成的计算机网络。网络之间的通信协议(即通信规则)可以任意选择,不一定非要使用TCP/IP协议。

(2)Internet(互联网,或因特网)是一个专用名词,指当前全球最大的、开放的、由众多网络相互连接而成的特定互连网,采用TCP/IP协议族作为通信的规则,且其前身是美国的ARPANET。

3、互联网服务提供者/商ISP

(1)互联网服务提供者/商ISP:Internet Service Provider,负责互联网的运营。

(2)ISP可以从互联网管理机构申请到很多IP地址,同时拥有通信线路以及路由器等连网设备。

(3)任何机构和个人从ISP获取所需IP地址的使用权,可通过该ISP接入到互联网。

(4)上网就是指通过某ISP获得的IP地址接入到互联网。

(5)互联网是全世界无数大大小小的ISP共同拥有的,这就是互联网也称为“网络的网络”的原因。

**4、ISP的层次:**根据提供服务的覆盖面积大小以及所拥有的IP地址数目的不同

(1)主干ISP:由几个专门的公司创建和维持,服务面积最大可覆盖国家范围,并且还拥有高速主干网。

(2)地区ISP:是一些较小的ISP,通过一个或多个主干ISP连接起来。

(3)本地ISP:给用户提供直接的服务,可以连接到地区ISP,也可直接连接到主干ISP。

图1-3 基于ISP的多层结构的互联网的概念示意图

5、互联网交换点IXP(Internet eXchange Point)

(1)IXP的主要作用就是允许两个网络直接相连并交换分组,而不需要再通过第三个网络来转发分组。

(2)典型的IXP由一个或多个网络交换机组成,许多ISP再连接到这些网络交换机的相关端口上。

(3)IXP常采用工作在数据链路层的网络交换机,这些网络交换机都用局域网互连起来。

2.3 互联网的标准化工作

1、互联网制定标准的特点:面向公众

(1)互联网所有的RFC文档都可从互联网上免费下载。

(2)任何人都可以用电子邮件随时发表对某个文档的意见或建议。

2、互联网标准化组织

(1)互联网协会ISOC(Internet Society):负责管理和促进互联网的发展和使用。

(2)互联网体系结构委员会IAB(Internet Architecture Board):负责管理互联网有关协议的开发。

  • ① 互联网工程部IETF(Internet Engineering Task Force)

    • ❶ IETF是由许多工作组WG(Working Group)组成的论坛(forum).

    • ❷ IETF的具体工作由互联网工程指导小组IESG管理,主要是针对协议的开发和标准化。

  • ② 互联网研究部IRTF(Internet Research Task Force)

    • ❶ IRTF是由一些研究组RG(Research Group)组成的论坛。

    • ❷ IRTF的具体工作由互联网研究指导小组IRSG(Internet Research Steering Group)管理。

    • ❸ IRTF的任务是研究互联网的一些协议、应用、体系结构等一些需要长期考虑的问题。

3、RFC(Request For Comments):请求评论

(1)所有的互联网标准都是以RFC的形式在互联网上发表的,但并非所有的RFC文档都是互联网标准。

(2)所有的RFC文档都可从互联网上免费下载。

(3)RFC文档按发表时间的先后编上序号(即RFC xx xx,这里的xxxx是阿拉伯数字)。

(4)一个标准可以和多个RFC文档关联。

(5)制定互联网标准的过程变为两个阶段,即建议标准→互联网标准。

4、制定互联网的正式标准要经历阶段:

(1)互联网草案(Internet Draft):有效期只有六个月,还不能算是RFC文档。

(2)建议标准(Proposed Standard):从这个阶段开始就成为RFC文档。

(3)互联网标准(Internet Standard):每个标准就分配到一个编号STD x x。

5、RFC文档的种类

(1)建议标准RFC文档

(2)互联网标准RFC文档

(3)历史的RFC文档:被后来的规约所取代或是从未到达必要的成熟等级因而未变成为互联网标准。

(4)实验的RFC文档:表示其工作属于正在实验的情况,而不能够在任何实用的互联网服务中进行实现。

(5)提供信息的RFC文档:包括与互联网有关的一般的、历史的或指导的信息。

三、互联网的组成

**互联网的拓扑结构:**从其工作方式上看

(1)边缘部分:由所有连接在互联网上的主机组成,是用户直接使用的,用来进行通信和资源共享。

(2)核心部分:由大量网络和连接这些网络的路由器组成,是为边缘部分提供连通性和交换服务的。

图1-6 互联网的边缘部分与核心部分

3.1 互联网的边缘部分

1、端系统

(1)处在互联网边缘的部分是连接在互联网上的所有的主机,又称为端系统(end system)。

(2)端系统的拥有者可以是个人、单位、某个ISP。

(3)边缘部分利用核心部分所提供的服务,使众多主机之间能够互相通信并交换或共享信息。

(4)端系统之间的通信方式可分为两类:客户-服务器方式(C/S方式)和对等方式(P2P方式)。

2、客户-服务器方式

(1)客户(client)和服务器(server)都是指通信中所涉及的两个应用进程。

(2)客户-服务器方式所描述的是进程之间服务和被服务的关系。

(3)客户-服务器方式最主要的特征就:客户是服务请求方,服务器是服务提供方。

(4)服务请求方和服务提供方都要使用网络核心部分所提供的服务。

(5)客户程序的主要特点:

  • ① 客户程序被用户调用后运行,主动向远地服务器发起通信请求服务。

  • ② 客户程序必须知道服务器程序的地址。

  • ③ 客户程序不需要特殊的硬件和很复杂的操作系统。

(6)服务器程序的主要特点:

  • ① 服务器程序是一种专门用来提供某种服务的程序,可同时处理多个远地或本地客户的请求。

  • ② 系统启动后即自动调用并一直不断地运行着,被动地等待并接受来自各地的客户的通信请求。

  • ③ 服务器程序不需要知道客户程序的地址。

  • ④ 服务器程序一般需要有强大的硬件和高级的操作系统支持。

3、对等连接方式

对等连接(peer-to-peer,P2P)是指两台主机在通信时并不区分哪一个是服务请求方哪一个是服务提供方。只要两台主机都运行了对等连接软件(P2P软件),就可以进行平等的、对等连接通信。这种工作方式也称为P2P方式。对等连接工作方式可支持大量对等用户(如上百万个)同时工作。

3.2 互联网的核心部分

1、互联网的核心部分

(1)网络中的核心部分向网络边缘中的大量主机提供连通性,使边缘部分中的主机能够相互通信。

(2)位于网络边缘的主机和位于网络核心部分的路由器都是计算机。

(3)主机是为用户进行信息处理的,并且可以和其他主机通过网络交换信息。

(4)路由器(router)是一种专用计算机,是实现分组交换(packet switching)的关键构件。

(5)路由器的任务是转发收到的分组,是网络核心部分最重要的功能。

(6)互联网核心部分的路由器之间一般都用高速链路相连接。

(7)互联网边缘部分的主机接入到核心部分则通常以相对较低速率的链路相连接。

2、电路交换的主要特点

(1)电路交换(circuit switching)是必须经过“建立连接(占用通信资源)→通话(一直占用通信资源)→释放连接(归还通信资源)”三个步骤的交换方式。

(2)从通信资源的分配角度来看,交换(switching)就是按照某种方式动态地分配传输线路的资源。

(3)电路交换的过程

  • ① 建立连接:通信一方向另一方发出建立连接请求,另一方响应请求,建立起一条专用的物理通路。

  • ② 通话:在通话的全部时间内,通信双方始终占用端到端的通信资源,不会被其他用户占用。

  • ③ 释放连接:通信结束后,交换机释放这条专用的物理通路,把占用的所有通信资源归还给电信网。

(4)电路交换的传输效率很低,被用户占用的通信线路资源在绝大部分时间里都是空闲的。

3、分组交换的主要特点

图1-11 以分组为基本单位在网络中传送

(1)分组

  • ① 通常把要发送的整块数据称为一个报文(message)。

  • ② 在发送报文之前,先把较长的报文划分成为一个个更小的等长数据段。

  • ③ 在每一个数据段前面加上一些由必要的控制信息组成首部(header),就构成了一个分组(packet)。

  • ④ 分组是在互联网中传送的数据单元又称为“包”,而分组的首部称为“包头”。

(2)路由器

  • ① 路由器是用来转发分组的,即进行分组交换的。

  • ② **路由器的工作原理:**路由器收到一个分组,先将分组暂存在存储器(即内存)中,检查其首部,查找转发表,按照首部中的目的地址,找到合适的接口转发出去,把分组交给下一个路由器。这样一步一步地以存储转发的方式,把分组交付最终的目的主机。各路由器之间必须经常交换彼此掌握的路由信息,以便创建和动态维护路由器中的转发表,使得转发表能够在整个网络拓扑发生变化时及时更新。

  • ③ 分组交换在传送数据时,分组在哪段链路上传送才占用这段链路的通信资源。

  • ④ 分组交换采用存储转发技术,实质上是采用了断续(或动态)分配传输带宽的策略。

  • ⑤ 当网络中的某些结点或链路突然出现故障时,在各路由器中运行的路由选择协议(protocol)能够自动找到转发分组最合适的路径。

(3)分组交换的优点

  • ① 高效:在分组传输的过程中动态分配传输带宽,对通信链路是逐段占用。

  • ② 灵活:为每一个分组独立地选择最合适的转发路由。

  • ③ 迅速:以分组为传送单位,可以不先建立连接就能向主机发送分组。

  • ④ 可靠:保证可靠性的网络协议,分布式多路由的分组交换网,使网络有很好的生存性。

(4)分组交换的问题

  • ① 分组在各路由器存储转发时需要排队,这就会造成一定的时延。

  • ② 分组交换无法确保通信时端到端所需的各种资源。

  • ③ 分组交换过程中各分组必须携带的控制信息会造成了一定的开销(overhead)。

(5)三种交换方式在数据传送阶段的主要特点:

  • ① 电路交换:整个报文的比特流连续地从源点直达终点,好像在一个管道中传送。

  • ② 报文交换:整个报文先传送到相邻结点,全部存储下来后查找转发表,转发到下一个结点。

  • ③ 分组交换:单个分组传送到相邻结点,存储下来后查找转发表,转发到下一个结点。

图1-13 三种交换的比较

四、计算机网络在我国的发展

五、计算机网络的类别

5.1 计算机网络的定义

计算机网络主要是由一些通用的、可编程的硬件互连而成的,而这些硬件并非专门用来实现某一特定目的。这些可编程的硬件能够用来传送多种不同类型的数据,并能支持广泛的和日益增长的应用。

(1)计算机网络所连接的硬件,并不限于一般的计算机,而是包括了智能手机。

(2)计算机网络并非专门用来传送数据,而是能够支持很多种的应用。

(3)“可编程的硬件”表明这种硬件一定包含有中央处理机CPU。

5.2计算机网络的分类

1、按照网络的作用范围进行分类

(1)广域网WAN(Wide Area Network)

  • ① 广域网的作用范围通常为几十到几千公里,也称为远程网(long haul network)。

  • ② 广域网是互联网的核心部分,其任务是通过长距离运送主机所发送的数据。

  • ③ 连接广域网各结点交换机的链路一般都是高速链路,具有较大的通信容量。

(2)城域网MAN(Metropolitan Area Network)

  • ① 城域网的作用范围一般是一个城市,可跨越几个街区甚至整个城市,其作用距离约为5-50km。

  • ② 城域网可以为一个或几个单位所拥有,也可以是一种公用设施,用来将多个局域网进行互连。

(3)局域网LAN(Local Area Network)

局域网的作用范围通常为1km左右,一般用微型计算机或工作站通过高速通信线路相连。

(4)个人区域网PAN(Personal Area Network)

个人区域网就是在个人工作的地方把属于个人使用的电子设备用无线技术连接起来的网络,因此也常称为无线个人区域网WPAN(Wireless PAN),其范围很小,大约在10m左右。

2、按照网络的使用者进行分类

(1)公用网(public network)

公用网是指电信公司(国有或私有)出资建造的大型网络,也可称为公众网。

(2)专用网(private network)

专用网是某个部门为满足本单位的特殊业务工作的需要而建造的网络,不向本单位以外的人提供服务。

3、用来把用户接入到互联网的网络

(1)接入网AN(Access Network)是用来把用户接入到互联网的网络,又称为本地接入网或居民接入网。

(2)接入网本身既不属于互联网的核心部分,也不属于互联网的边缘部分。

(3)接入网是从某个用户端系统到互联网中的第一个路由器(边缘路由器)之间的一种网络。

(4)从作用上看,接入网只是起到让用户能够与互联网连接的“桥梁”作用。

六、计算机网络的性能

6.1 计算机网络的性能指标

1、速率

(1)比特(bit)是一个“二进制数字”,一个比特就是二进制数字中的一个1或0。

(2)速率指的是数据的传送速率,也称为数据率(data rate)或比特率(bit rate)。

(3)速率的单位是bit/s(比特每秒)(或b/s,有时也写为bps,即bit per second)。

(4)比特的换算:

k(kilo)=103=千M(Mega)=106=兆G(Giga)=109=吉
T(Tera)=1012=太P(Peta)=1015=拍E(Exa)=1018=艾
Z(Zetta)=1021=泽Y(Yotta)=1024=尧

2、带宽

“带宽”(bandwidth)有以下两种不同的意义:

(1)信道带宽

  • ① 信道带宽(或通频带)是指某个信号具有的频带宽度,即信道允许通过的信号频带范围。

  • ② 信道带宽的单位是赫(或千赫、兆赫、吉赫等)。

(2)网络带宽

  • ① 网络带宽用来表示网络中某通道传送数据的能力,即单位时间内信道所能通过的“最高数据率”。

  • ② 网络带宽的单位就是数据率的单位bit/s,是“比特每秒”。

3、吞吐量

(1)吞吐量(throughput)表示在单位时间内通过某个网络(或信道、接口)的实际的数据量。

(2)吞吐量的单位是bit/s(比特每秒)或bps。

(3)吞吐量受网络的带宽或网络的额定速率的限制。

(4)吞吐量也可用每秒传送的字节数或帧数来表示。

4、时延

(1)时延(delay/latency)指数据从网络(或链路)的一端传送到另一端所需的时间,也称延迟或迟延。

(2)时延的组成:总时延=发送时延+传播时延+处理时延+排队时延

(3)发送时延:

  • ① 发送时延(transmission delay)是主机或路由器发送数据帧所需要的时间,即从发送数据帧的第一个比特算起,到该帧的最后一个比特发送完毕所需的时间,也叫做传输时延

  • ② 发送时延的计算公式:发送时延=数据帧长度(bit)/发送速率(bit/s)

  • ③ 对于一定的网络,发送时延并非固定不变,与发送的帧长成正比,与发送速率成反比。

  • ④ 发送时延发生在机器内部的发送器中,与传输信道的长度(或信号传送的距离)没有任何关系。

(4)传播时延

  • ① 传播时延(propagation delay)是电磁波在信道中传播一定的距离需要花费的时间。

  • ② 传播时延的计算公式:传播时延=信道长度(m)/电磁波在信道上的传播速率(m/s)

  • ③ 电磁波在自由空间的传播速率是光速,即3.0×105km/s。

  • ④ 电磁波在在铜线电缆中的传播速率约为2.3×105km/s。

  • ⑤ 电磁波在在光纤中的传播速率约为2.0×105km/s。

  • ⑥ 信号传送的距离越远,传播时延就越大。

  • ⑦ 传播时延则发生在机器外部的传输信道媒体上,而与信号的发送速率无关。

(5)处理时延

处理时延是主机或路由器在收到分组时花费的一定数据处理时间,如分析分组的首部、从分组中提取数据部分、进行差错检验或查找适当的路由等,这就产生了处理时延。

(6)排队时延

  • ① 分组在经过网络传输时,要经过许多路由器。分组在每进入一个路由器后,要先在输入队列中排队等待处理。在路由器确定了转发接口后,还要在输出队列中排队等待转发。这就产生了排队时延。

  • ② 排队时延的长短往往取决于网络当时的通信量。当网络的通信量很大时会发生队列溢出,使分组丢失,这相当于排队时延为无穷大。

图1-14 几种时延产生的地方不一样

5、时延带宽积

(1)时延带宽积是链路传播时延和链路带宽的乘积。

(2)时延带宽积是一个代表链路的圆柱形管道的体积,管道长度是传播时延,截面积是带宽。

(3)链路的时延带宽积又称为以比特为单位的链路长度,表示链路可容纳多少个比特。

(4)对于一条正在传送数据的链路,只有在代表链路的管道都充满比特时,链路才得到充分的利用。

6、往返时间RTT

(1)往返时间RTT(Round-Trip Time):通信信息双向交互一次所需的时间。

(2)发送时间=数据长度(bit)/发送速率(bit/s)

(3)有效数据率=数据长度(bit)/(发送时间+RTT)

(4)在互联网中,往返时间还包括各中间结点的处理时延、排队时延以及转发数据时的发送时延。

7、利用率

利用率有信道利用率和网络利用率两种。

(1)信道利用率指出某信道有百分之几的时间是被利用的(有数据通过)。完全空闲的信道的利用率是零。

(2)网络利用率则是全网络的信道利用率的加权平均值。

(3)信道利用率并非越高越好,信道或网络的利用率过高会产生非常大的时延。

(4)时延和网络利用率的关系:D=D0/(1-U)

  • ① D0表示网络空闲时的时延;D表示网络当前的时延; U是网络的利用率,在0到1之间。

  • ② 当网络的利用率达到其容量的1/2时,时延就要加倍。

  • ③ 当网络的利用率接近最大值1时,网络的时延就趋于无穷大。

6.2 计算机网络的非性能特征

1、费用

网络的价格(包括设计和实现的费用)与网络的性能密切相关。网络的速率越高,其价格也越高。

2、质量

网络的质量取决于网络中所有构件的质量,以及这些构件的组网方式。

3、标准化

网络的硬件和软件的设计既可以按照通用的国际标准,也可以遵循特定的专用网络标准。最好采用国际标准的设计,这样可以得到更好的互操作性,更易于升级换代和维修,也更容易得到技术上的支持。

4、可靠性

可靠性与网络的质量和性能都有密切关系。高速网络的可靠性不一定很差。但高速网络要可靠地运行,则往往更加困难,同时所需的费用也会较高。

5、可扩展性和可升级性

在构造网络时就应当考虑到今后可能会需要扩展(即规模扩大)和升级(即性能和版本的提高)。网络的性能越高,其扩展费用往往也越高,难度也会相应增加。

6、易于管理和维护

网络如果没有良好的管理和维护,就很难达到和保持所设计的性能。

七、计算机网络体系结构

7.1 计算机网络体系结构的形成

**1、分层思想:**将庞大而复杂的问题,转化为若干较小的、易于研究和处理的局部问题。

2、OSI参考模型

开放系统互连基本参考模型OSI/RM(Open Systems Interconnection Reference Model),简称:是一个试图使各种计算机在世界范围内互连成网的标准框架,具有七层协议的体系结构的国际标准。

3、OSI失败的原因:

(1)OSI的专家们缺乏实际经验,在完成OSI标准时缺乏商业驱动力;

(2)OSI的协议实现起来过分复杂,而且运行效率很低;

(3)OSI标准的制定周期太长,使得按OSI标准生产的设备无法及时进入市场;

(4)OSI的层次划分不太合理,有些功能在多个层次中重复出现。

4、TCP/IP就常被称为是事实上的国际标准。

7.2 协议与划分层次

1、网络协议(network protocol)

网络协议是为进行网络中的数据交换而建立的规则、标准或约定,也可简称为协议。

2、网络协议的组成三要素

(1)语法:数据与控制信息的结构或格式;

(2)语义:需要发出何种控制信息,完成何种动作以及做出何种响应;

(3)同步:事件实现顺序的详细说明。

3、协议的形式

协议有两种形式,一种是使用便于人来阅读和理解的文字描述。另一种是使用让计算机能够理解的程序代码。这两种不同形式的协议都必须能够对网络上的信息交换过程做出精确的解释。

4、分层的好处:

(1)各层之间是独立的。每一层只实现一种相对独立的功能,不需要知道下一层是如何实现的。

(2)灵活性好。当任何一层发生变化时,只要层间接口关系保持不变,则以上下各层均不受影响。

(3)结构上可分割开。各层都可以采用最合适的技术来实现。

(4)易于实现和维护。整个庞大复杂的系统已被分解为若干个相对独立的子系统。

(5)能促进标准化工作。每一层的功能及其所提供的服务都有精确的说明。

5、分层时各层的主要功能:

(1)差错控制:使相应层次对等方的通信更加可靠。

(2)流量控制:发送端的发送速率必须使接收端来得及接收,不要太快。

(3)分段和重装:发送端将要发送的数据块划分为更小的单位,在接收端将其还原。

(4)复用和分用:发送端几个高层会话复用一条低层的连接,在接收端再进行分用。

(5)连接建立和释放:交换数据前先建立一条逻辑连接,数据传送结束后释放连接。

6、分层的缺点:有些功能会在不同的层次中重复出现,因而产生了额外开销。

7、网络体系结构

(1)计算机网络的体系结构(architecture)是计算机网络及其构件所应完成的功能的精确定义,即计算机网络的各层及其协议的集合。

(2)体系结构是抽象的,而实现(implementation)则是具体的,是真正在运行的计算机硬件和软件。

7.3 具有五层协议的体系结构

1、五层协议的体系结构

(1)OSI:七层协议体系结构,包含应用层、表示层、会话层、运输层、网络层、数据链路层和物理层。

(2)TCP/IP:四层的体系结构,包含应用层、运输层、网际层和网络接口层。

(3)五层协议的体系结构:综合OSI和TCP/IP的优点,便于学习使用,现实中不存在。

计算机网络体系结构

2、应用层(application layer)

(1)应用层是体系结构中的最高层,任务是通过应用进程间的交互来完成特定网络应用。

(2)应用层协议定义了应用进程间通信和交互的规则。对于不同的网络应用需要有不同的应用层协议。

(3)应用层交互的数据单元称为报文(message)。

3、运输层(transport layer)

(1)运输层的任务是负责向两台主机中进程之间的通信提供通用的数据传输服务。

(2)应用进程利用运输层的数据传输服务来传送应用层报文。

(3)“通用的”,是指不针对某个特定网络应用,而是多种应用可以使用同一个运输层服务。

(4)运输层有复用和分用的功能。

  • ① 复用就是多个应用层进程可同时使用下面运输层的服务。

  • ② 分用是运输层把收到的信息分别交付上面应用层中的相应进程。

(5)运输层主要使用的两种协议:

  • ① 传输控制协议TCP( Transmission Control Protocol):提供面向连接的、可靠的数据传输服务,其数据传输的单位是报文段(segment)。

  • ② 用户数据报协议UDP( User Datagram Protocol):提供无连接的、尽最大努力(best-effort)的数据传输服务,不保证数据传输的可靠性,其数据传输的单位是用户数据报。

4、网络层(network layer)

(1)网络层负责为分组交换网上的不同主机提供通信服务。

(2)在TCP/IP体系中,由于网络层使用IP协议,分组也叫做IP数据报,或简称为数据报。

(3)网络层的任务

  • ① 在发送数据时,网络层把运输层产生的报文段或用户数据报封装成分组或包进行传送。

  • ② 在发送数据时,要选择合适的路由,使分组能够通过网络中的路由器找到目的主机。

(4)互联网是由大量的异构网络(heterogeneous)通过路由器(router)相互连接起来的。

(5)互联网使用的网络层协议是无连接的网际协议IP(Internet Protocol)和许多种路由选择协议,因此互联网的网络层也叫做网际层或IP层。

5、数据链路层(data link layer)

(1)数据链路层简称为链路层。链路上的数据传输总是一段一段,需要使用专门的链路层的协议。

(2)数据链路层将网络层交下来的IP数据报组装成帧,在两个相邻结点间的链路上传送帧(frame)。

(3)每一帧包括数据和必要的控制信息(如同步信息、地址信息、差错控制等)。

(4)在接收数据时,控制信息使接收端能够知道一个帧的开始和结束。

(5)控制信息还使接收端能够检测到所收到的帧中有无差错。

(6)如果需要改正数据在数据链路层传输时出现的差错,那么就要采用可靠传输协议来纠正出现的差错。

6、物理层(physical layer)

(1)在物理层上所传数据的单位是比特。

(2)物理层要考虑用多大的电压代表“1”或“0”,以及接收方如何识别出发送方所发送的比特。

(3)物理层要确定连接电缆的插头应当有多少根引脚以及各引脚应如何连接。

(4)解释比特代表的意思,就不是物理层的任务。

(5)传递信息利用的如双绞线、同轴电缆、光缆、无线信道等物理媒体,并不在物理层而是在物理层下面。

7、数据在各层之间的传递过程

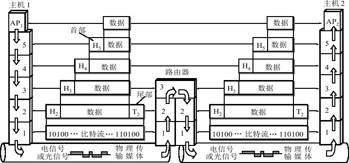
假定主机1的应用进程AP1向主机2的应用进程AP2传送数据。

图1-19 数据在各层之间的传递过程

(1)AP1先将其数据交给本主机的第5层(应用层)。

(2)第5层(应用层)加上必要的控制信息H5就变成了下一层的数据单元(报文)。

(3)第4层(运输层)将收到的数据单元加上本层的控制信息H4(报文段),再交给第3层(网络层)。

(4)第3层(网络层)将收到的数据单元加上本层的控制信息H3(数据包),再交给第2层(数据链路层)。

(5)第2层(数据链路层)的控制信息被分成两部分,分别加到本层数据单元的首部H2和尾部T2(帧)。

(6)第1层(物理层)负责比特流的传送,不再加上控制信息,传送比特流时应从首部开始传送。

(7)物理层传送比特流离开主机1,经网络的物理媒体传送到路由器。

(8)比特流从路由器的第1层依次上升到第3层。每一层都根据控制信息进行必要的操作,然后将控制信息剥去,将该层剩下的数据单元上交给更高的一层。

(9)当分组上升到了第3层时,就根据首部中的目的地址查找路由器中的转发表,找出转发分组的接口,然后往下传送到第2层,加上新的首部和尾部后,再到最下面的第1层,然后在物理媒体上把每一个比特发送出去。

(10)当这一串的比特流离开路由器到达目的站主机2时,就从主机2的第1层依次上升到第5层。最后,把应用进程AP1发送的数据交给目的站的应用进程AP2。

8、对等层

(1)对等层(peer layers)之间的通信是指任何两个同样的层次之间,把数据(即数据单元加上控制信息)通过水平虚线直接传递给对方的过程。

(2)各层协议实际上就是在各个对等层之间传递数据时的各项规定。

(3)OSI参考模型把对等层次之间传送的数据单位称为该层的协议数据单元PDU(Protocol Data Unit)。

(4)TCP/IP不一定是单指TCP和IP协议,而往往是表示整个TCP/IP协议族(protocol suite)。

7.4 实体、协议、服务和服务访问点

1、实体

实体(entity)表示任何可发送或接收信息的硬件或软件进程,就是一个特定的软件模块。

2、协议

(1)协议是控制两个对等实体(或多个实体)进行通信的规则的集合。

(2)协议的语法方面的规则定义了所交换的信息的格式。

(3)协议的语义方面的规则就定义了发送者或接收者所要完成的操作。

(4)在协议的控制下,两个对等实体间的通信使得本层能够向上一层提供服务。

(5)要实现本层协议的功能,还需要使用下面一层所提供的服务。

3、协议和服务的区别

(1)首先,协议对上面的实体是透明的。

  • ① 协议的实现保证了能够向上一层提供服务。

  • ② 使用本层服务的实体只能看见服务而无法看见下面的协议。

(2)其次,协议是“水平的”,即协议是控制对等实体之间通信的规则。

  • ① 服务是“垂直的”,即服务由下层通过层间接口向上层提供。

  • ② 只有能够被高一层实体“看得见”的功能才能称之为“服务”。

  • ③ 上层使用下层所提供的服务必须通过与下层交换一些命令,在OSI中称为服务原语。

4、服务访问点SAP(Service Access Point)

(1)服务访问点是指在同一系统中相邻两层的实体进行交互(即交换信息)的地方,实际是一个逻辑接口。

(2)OSI把层与层之间交换的数据的单位称为服务数据单元SDU(Service Data Unit)。

7.5 TCP/IP的体系结构

图1-22 TCP/IP四层协议的表示方法1

图1-22 TCP/IP四层协议的表示方法2

网络接口层有时也称为子网层,用于解决不同网络的互连问题。

TCP/IP协议族的特点是上下两头大而中间小。应用层和网络接口层都有多种协议,而中间的IP层很小,上层的各种协议都向下汇聚到一个IP协议中。

TCP/IP协议可以为各式各样的应用提供服务(everything over IP)。

TCP/IP协议允许IP协议在各式各样的网络构成的互联网上运行(IP over everything)。

图1-24 沙漏计时器形状的TCP/IP协议族示意图


版权声明:本文为sdl0928原创文章,遵循CC 4.0 BY-SA版权协议,转载请附上原文出处链接和本声明。