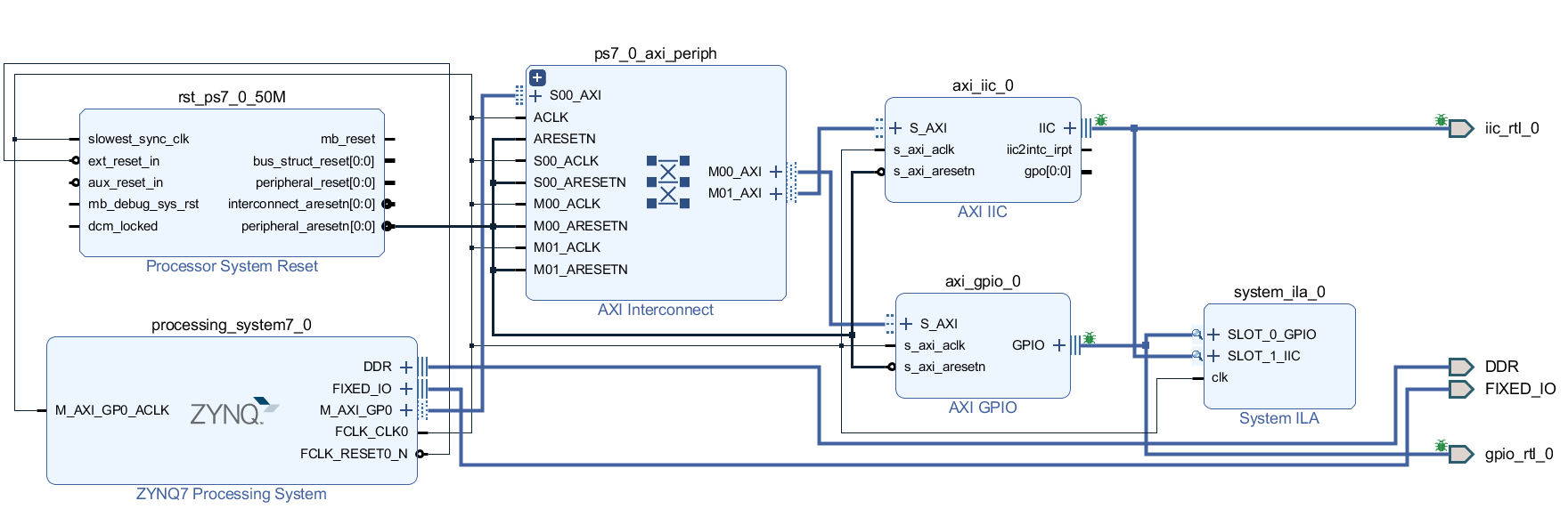
系统框图

Debug要选引线然后右键选择debug,如果用IP ILA观察内部信号会导致连不到引脚上,这个主要可能还是我不会设置。
VITIS
采用helloworld模板,然后直接操作内存去控制GPIO。
代码为:
#include <stdio.h>
#include "platform.h"
#include "xil_printf.h"
#include "sleep.h"
#define GPIO_BASE_ADDR 0x41200000
u32 *p_gpio;
int main()
{
u32 temp = (u32)0x00;
init_platform();
print("Hello World\n\r");
print("Successfully ran Hello World application");
p_gpio = (u32 *)(GPIO_BASE_ADDR+0x04);
*p_gpio=(u32)0x00;
while(1)
{
print("Hello World\n\r");
p_gpio = (u32 *)GPIO_BASE_ADDR;
temp = ~temp;
*p_gpio=temp;
sleep(1);
}
cleanup_platform();
return 0;
}
版权声明:本文为weixin_40567368原创文章,遵循CC 4.0 BY-SA版权协议,转载请附上原文出处链接和本声明。