目录
1、概论
MIPI协议:Moblie Industry Process Interface,移动行业处理接口。
MIPI协议包括了许多不同的WorkGrop:
1.CSI(Camera Serial Interface)
2.DSI(Display Serial Interface)
3.。。。。
2、CSI2协议
CSI是由MIPI联盟下Camera工作组指定的接口标准。CSI-2是MIPICSI的第二个版本,主要由应用层(Application Layer)、协议层(Protocol Layer)和物理层(Physical Layer)组成。
应用层
处理原始图像数据和各种算法模块
协议层
包含几个不同的子层,每个子层都由各自的明确的职责,主要包括
像素/字节组包/解包层(Pixel to Byte PackingFormats)
像素组包层:将像素数据按照一定次序,切割成8位数据;
字节解包层:将包数据按照顺序还原成每帧像素。
底层协议层(Low Lever Protocol Layer)
为每个新生成的数据加上包头和包尾,形成符合协议传输要求的数据流。
通道管理层(Lane Management Layer)
将生成的数据流按照一定的次序和要求,进行读写管理,输出数据流。
物理层
生成MIPI最后的信号波形。

工作顺序:
1.将原始的图像数据在应用层做相应的图像处理,包括白平衡/噪声去除和色彩还原等;
2.将处理的数据进入组包层做数据分割以及重组,然后将其传输给底层协议层;
3.底层协议层会根据数据类型产生包头,根据数据内容产生构成包围的校验序列,再将包头、数据本身和包尾组成起来发送给通道管理层;
4.通道管理层模块按照通道的选通情况,合理分配数据到每个通道,之后数据经过数模转换进入到物理层传输;
5.接收端在收到物理层数据后,再按照之前的逆序解包出原始的图像数据。
2.1 CSI-2数据帧格式
CSI-2的数据包有两种:长帧和短帧。无论长帧还是短帧,帧开头都是SoT,帧结尾都是EoT。在两次HS传输过之间,插入的是LP状态,一般是LP11等Control状态,当然也可以进入Escape状态、进入LPDT或者是进入UPLS。

长帧结构如下
长帧包括32bit的包头(Packet Head,PH)、有效数据填充以及16bit的包尾(Packet Foot,PF)。
PH包括:
数据标识(Data Identity,DI):1个字节,包括VC(Victual Channel)低两位和DT(Data Type)的低六位;
数据计数(Word Count,WC):2个字节。从PH结尾到PF的开头中间的填充数据的长度,单位为字节。接收端通过WC来判断报的结尾位置。
错误检测(ECC):1个字节。包括VC的高两位,与DI中的VC低两位构成4bit虚拟通道标识;低6位为纠错码,采用Hamming(汉明码)的方式,用来纠正PH中一位的错误或者发现两位的错误;
有效数据填充:
长度=WC*8bit。低位在前,对内容没有任何限制(0~65535字节)。
PF包括:
检验(CHECKSUM):两个字节。低位在前,CHECKSUM采用CCITT的16-bit的CRC校验,即X16+X12+X5+X0。CRC只能检测出一个或多个错误,并不能纠正错误。
短帧结构如下:
DI:1个字节,包括VC的低两位,和DT(5:0);
短包数据域:2个字节,如果该短帧为Data Type的帧同步(Frame Synchronization),则数据域表示帧数;如果短帧的Data Type为行同步(Line Synchronization),则数据域表示行数。
错误检测(ECC):1个字节,包括VC的高两位和六位纠错码。
3、D-PHY
D-PHY的最初版本设计目标是500M bits/s,而D是罗马数字的500,故而叫D-PHY。D-PHY规范的2.0版的标准:
在高速模式下的同步传输,比特率为80-2300Mb/s,具体取决于设备和速度等级;
TX经典配置为一个时钟Lane和最多四个数据Lane组成;
Rx经典配置为一个时钟Lane和最多八个数据Lane组成;
在低功率模式下的异步传输,比特率为10Mb/s;
物理协议接口(PPI)连接CSI-2和DSI的应用;
可选的AXI4-Lite接口,可进行注册访问。
主机是数据的主要来源,从机是数据的接收器;
D-PHY Lane可以配置成单向Lane操作,从主机开始,从机结束。
D-PHY链路支持用于快速数据流量的高速(HS)模式和用于控制事务的低功耗(LP)模式;
在HS模式下,低摆动差分信号支持从80Mb/s到3200Mb/s的数据传输;
在LP模式下,所有导线都作为一条单端线路运行,能够支持10Mb/s的异步数据通信;
在HS模式下,使用源同步的传输方式,由主机(Master)设备向从机(Slave)设备提供DDR时钟。使用差分信号传输。
在LP模式下,使用单端信号传输,HS模式下用作差分传输的通道会被拆分成两根独立的信号线。
无论是HS模式还是LP模式,都采用LSB fisrt、MSB last的传输方式。两种模式的结合保证了MIPI总线在需要传输大量数据(如图像)时可以高速传输,而在不需要大数据量传输时又能够减少功耗。
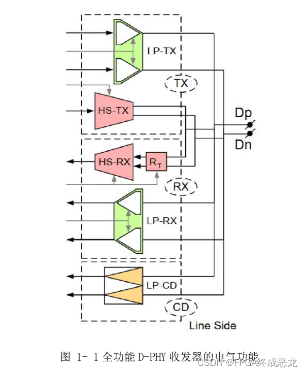
PHY电气功能包括
高速发送端(HSTX)、高速接收端(HSRX)、低功耗发送端(LPTX)、低功耗接收端(LPRX)和低功耗竞争端(LPCD)。
PHY配置包含
一个时钟通道模块和一个或多个数据通道模块。每个通道模块由一个或多个同时利用两条互连线的差动高速功能,一个或多个单端低功耗功能分别在每条互连线上工作,以及控制和接口逻辑组成。高速功能用于高速数据传输;低功耗用于控制。

高速功能包括差分发送端和差分接收端。一个通道模块可以包含一个HSTX或一个HSRX,或者两个都包括。在正常运行时,单个通道模块内的HSTX和HSRX不会同时启动。启用高速功能将终止其一侧的通道互连。如果通道模块的高速功能未启用,则该功能应进入高阻抗状态。
低功耗功能包括单端发送端、接收端和低功耗竞争检测器。低功耗总是成对出现,因为他们是单端功能,分别操作在两个互连线上的每一个上。
高速和低功耗功能的存在是相关的。也就是说,如果一个通道模块包含一个HSTX,那么它也应该包含一个LPTX。HSRX和LPRX也有类似的约束条件。
如果一个包含LPRX的通道模块被供电,该LPRX应该始终处于活动状态,并持续监控线路水平。LPTX只有在驱动低功耗状态时才能使能。LPCD功能仅用于双向操作。如果存在,则使能LPCD功能,在LPTX驱动低功耗状态时检测竞争情况。
一个完整的链路除了包含通道模块,还包含一个将所有通道、时钟倍频器单元和PHY协议接口连接在一起的PHY适配层。每个通道的逻辑物理协议接口(PPI)包括一组信号来覆盖该车道的功能。所有通道都可以公用时钟信号。
3.1 数据通道模块的工作流程图
高速传输、逃逸模式、周转和初始化。
HS模式进入:LP11-LP01-LP00-SoT(00011101);
HS模式退出:EoT-LP11;
Escape模式进入:LP11-LP10-LP00-LP01-EntryCode;
Escape模式退出:LP01-LP11;
TX端反转数据通信方向请求(Turnaround):LP1-LP10-LP00-LP10-LP00。
高速数据传输以突发的方式进行,为了辅助接收机同步,在发送端需要以主导和尾部顺序扩展数据突发,在接收端需要消除数据突发。因此,这些签到和尾部序列只能在传输线上观察到。传输从停止状态开始,以停止状态结束。在突发之间的中间时间内,数据通道应保持停止状态,除非在通道上提出掉头或逃逸请求。在一个高速数据突发期间,时钟通道将处于高速模式,向从端提供一个双倍速率(DDR)时钟。
逃逸模式是低功耗数据通道的一种特殊工作模式。数据通道应通过逃逸模式进入程序(LP-11,LP-10,LP-00,LP-01,LP-00)。一旦在线路上观测到最终桥接状态(LP-00),车道将在空格状态(LP-00)中进入逃逸模式。如果LP-11在最终桥接状态(LP-00)之前的任何时间被检测到,逃逸模式进入程序将被终止,接收方将等待或返回停止状态。
双向数据通道周转可通过链路周转程序交换双向数据通道的传输方向。此过程允许在当前方向相反的反向上传递信息,从正向到反向或从反向到正向的过程中都是相同的。
通电后,当主PHY驱动一个停止状态(LP-11)比TINIT长一段时间时,从端PHY需要初始化。第一个超过指定TINIT的停止状态成为初始化周期。主PHY本身应该由一个系统或PPI初始化。主端应该确保在主端初始化之前,停止状态不会出现大于TINIT的状态。
3.2 数据通道模块状态图
数据通道模块包含四种主要的操作状态:初始化(init,未指定持续时间)、低功率停止状态、超低功耗状态和高速时钟传输。

时钟通道处于低功耗模式时,数据通道的高速数据传输启动时间会被延长。在这种情况下,在处理发送请求之前,时钟通道应首先返回到高速运行。
数据通道应通过时钟通道超低功耗状态进入超低功耗状态。在这个过程中,发送端从停止状态开始先驱动发送端超低功耗请求状态(LP-10),再驱动发送端超低功耗请求状态(LP-00),随后,时钟通道进入超低功耗状态。如果发生错误,在发送端超低功耗请求状态后立即检测到LP-01或LP-11,超低功率状态进入程序将被终止,接收方将分别等待或返回停止状态。
在高速模式下,时钟通道为高速数据传输提供一个从主到从的低摆动、差分DDR(半速率)时钟信号。时钟信号应具有相对于数据通道上向前方向的切换位序列的正交相位,并在突发的第一个传输位的中心具有上升沿。时钟通道类似于单向数据通道。然而,有一些时间差异,一个时钟通道传输一个高速DDR时钟信号而不是数据位。它由协议通过时钟通道PPI控制,只有在任何数据通道中没有高速传输时,协议才会停止。