在自动驾驶发展的历程中,视觉算法的应用已经成为不可或缺的一部分。但当前的视觉算法仍然存在着一些局限性:一方面,相机容易受到光线明暗突变、逆光等影响;另一方面,相机在运行时,产生的数据量非常大,因而对算力的要求特别高。
如今,市场上出现一种新型相机传感器,或可以有效解决上述这些痛点,那就是事件相机。事件相机具备极快的响应速度、减少无效信息、降低算力和功耗、高动态范围等优势,可以帮助自动驾驶车辆降低信息处理的复杂度、提高车辆的行驶安全,并能够在极亮或者极暗环境下正常工作。
本文将从3个方面详述事件相机,包括什么是事件相机、商业模式与竞争格局、商业化前景。
一、什么是事件相机
1.1 定义
事件相机最初的技术来自苏黎世,又被称为仿生视觉传感器,是一种受生物启发的视觉传感器,早期应用于无人机、机器人、航空航天等。如同人眼一般,事件相机对运动物体的感知非常灵敏,能够高效地处理动态和静态信息。
事件相机是相比于传统的帧相机而言的:帧相机是以固定帧率输出一帧一帧的图片,并最终组成视频流;而事件相机只记录亮度变化的像素点。
有人会有疑惑,那何谓“事件”?这里的“事件”并不是字面意义上的事件,而是把事件相机所记录下的一个个像素点的光强变化称之为“事件”。
1.2 优势
事件相机相较于传统帧相机而言,主要具有响应速度快、减少无效信息、降低算力和功耗、高动态范围的优势。
(1)响应速度较快
帧相机始终输出的是一张张的帧图像,面对突然横穿的行人时,其响应速度不一定会及时,比如第一帧图像显示行人在左边,第二帧图像显示在中间,第三帧图像显示在右边,结合三张图像才能判断出一个行人横穿的场景;而事件相机的识别频率非常高,相当于达到了1000帧的帧相机效果,能够更快地预判到行人横穿。
(2)减少无效信息
帧相机会产生大量的无效信息;而事件相机是根据物体表面的光强变化而产生事件流。
某传感器公司专家解释道:“事件相机显示的主要是前方运动物体的外边框,由于变化的部分主要是在物体边框,而其内部的区域大概率是没有变化的。相当于给图像做了一次压缩,减少了无效信息,只输出动态信息,可以以一个低带宽的线路给出一个高质量的信息。”
(3)降低算力和功耗
帧相机需要对每一帧图像进行处理,比如30帧的相机,在10秒内可以产生300张图像,如此庞大的数据量对芯片的算力要求也更高,产生的功耗也会更大。在自动驾驶领域,虽然帧相机也可以通过一种叫注意力机制的方法,把视觉信息集中在一些感兴趣的区域,但前提仍需要将所有的图像数据先进行一次预处理。
事件相机在二维结构上显示出一定的稀疏性(比如一个目标物只在t0时刻动了,但之后一直保持着静止,那就只会在t0时刻显示一个事件,之后则没有数据产生),也就是说,它只会对变化的部分产生脉冲信号,可能10秒内只有几十KB数据量,它不需要处理过多的数据量。事件相机所需的算力可能只有传统CIS芯片的1%,甚至更低,对应的功耗也会较低。
(4)高动态范围
通俗点说,高动态范围指的是相机在极端光强变化下也能保持图像的清晰度。
帧相机的动态范围通常只能达到60dB,而事件相机的动态范围能达到120dB,甚至会更高。高动态范围可以帮助事件相机在光线极暗、曝光过度、光线突变等情况下,依然能够保持有效的工作,为自动驾驶增添了一份安全冗余。
某传感器公司专家通过一个形象的例子,说:“比如一辆车从黑暗的隧道驶出时,普通相机会出现过度曝光,需要一段时间才能恢复,虽然也可以通过算法去克服这个问题,但是事件相机在这方面会表现得更好。”

图:事件相机在极暗环境下效果图
(来源:宇勘科技提供)
1.3 工作原理
那事件相机是如何工作的呢?具体来说,当对应像素坐标点的光强变化量超过了预先设定的阈值时,事件相机就会以微秒级分辨率标记时间戳,并输出异步事件流。
我们通过下图的小球实验可以更直观地发现:只要小球变化的时刻,就会产生事件流,而小球静止的时刻,就不会产生事件流。

图:事件相机与帧相机的输出信号对比
(来源:公开信息)
1.4 与传统帧相机的差异
(1)感光机制不同
帧相机是通过设定恒定速率的方式,从而获取场景的信息,并只记录下每一帧内各像素点上的光强信息,而不记录这一刻相对于上一个时刻所产生的光强变化。
而事件相机记录的则是光强的差值变化,以及具体到某个像素坐标位置的变化,从而触发一个事件流的产生。需要注意的是,对于相对静止的物体,事件相机是没有信号返回的;而对于相对运动的物体,尤其是物体外边框,则会产生相应的光强变化。
(2)读出机制不同
帧相机始终输出的是一帧一帧的图像,并且每一帧的图像呈现出非常稳定且均匀的特征。以一个30帧的相机来说,当车辆经过一个不变的场景时,相机在运作时依然会每秒拍摄30张重复的图像——其中29张属于浪费。
反过来看,事件相机是由一个个事件组成,它无法像帧相机一样,输出一个图像视频,而是只记录某个像素点上发生的正向或者负向的光强变化,并输出光强变化量信号,所以事件相机的数据特征不是均匀稳定的。
宇勘科技商务负责人金光旭解释道:“帧相机的读出电路是行列扫描的方式,是一种矩阵数据整体读出的形式,在像素坐标轴上记录像素点的RGB信息;而事件相机是通过AER的编码方式,仅将事件以时间戳和坐标的数据形式,按照事件产生的先后顺序异步传出。”
(3)电路设计不同
事件相机与传统的帧相机相比,二者在电路设计上是完全不同的,最大的区别是在于图像传感器部分。
在发展初期,由于事件流不容易理解和处理,部分事件相机厂商为了能够将事件相机更快地实现产品化,并应用在更多的场景,于是在事件相机的pixel结构设计上加了一个APS电路。
针对APS的理解,某传感器公司专家解释道:“所谓的APS实际上就是某种程度上的CIS pixel,它会提供辅助参考的作用。”
1.5 产品类型
当前,市场上主流的事件相机产品主要为三类:DVS、ATIS以及DAVIS,它们都采用了差分型视觉采样模型。此外,也有一些其它类型的事件相机,比如CeleX、Vidar,但从商业化的进度来看,上述三类事件相机的商业化发展较快,所以此处着重介绍这三类。
表:三种产品类型的基本情况
产品分类 | DVS (动态视觉传感器) | ATIS (基于异步时间的图像传感器) | DAVIS (动态和有源像素视觉传感器) |
简介 | 早期的事件相机,仅输出事件流 | 基于DVS的改良,只在输出事件流的同时,输出灰度信息 | 基于DVS的改良,可同时输出事件流和灰度信息 |
电路结构 | 由对数光感受器、差分电路、两个比较器(阈值比较器与内部握手电路)组成 | 由两个部分组成,拥有两个感光器 | 由DVS相机和APS相组成,并共用一个感光器。 |
优势 | 电路设计简单,像素面积小 | 能提供灰度信息,功耗相对DAVIS较低 | 能提供灰度信息,像素面积相对ATIS更小。 |
挑战 | 纯事件数据的可视化程度较低,无法提供精细化的图像 | 不适用在环境亮度变化不频繁的场景 | APS部分无法与DVS做到精准同步 |
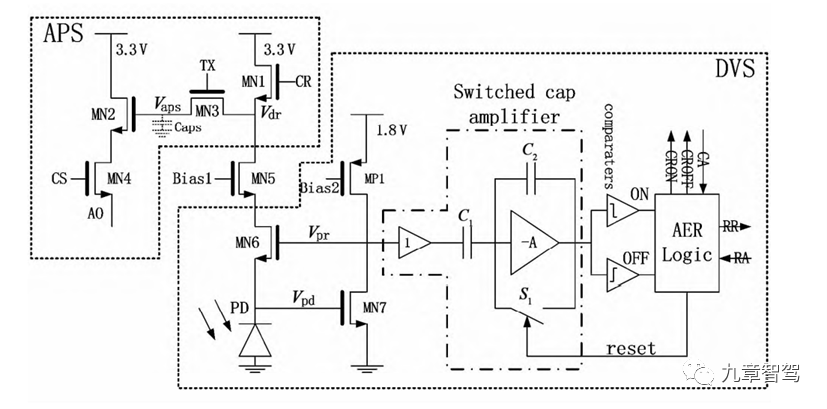
(1)DVS(动态视觉传感器)
DVS是最先发展起来的一款事件相机,它采用AER异步传输方式的差分型视觉采样模型,以异步时空脉冲信号表示场景光强变化,对有光强变化的部分做出响应,而对无光强变化的部分则不会做出响应。DVS将这些运动变化信息转化为空间稀疏、时间密集的事件流。
电路结构:DVS像素电路由对数光感受器、差分电路、两个比较器(阈值比较器与内部握手电路)组成。其中,对数光感受器能感知光强变化并及时做出反应;差分电路可以将感光电路的输出信号进行放大;两个比较器主要是比较电压的变化实现ON/OFF事件脉冲的输出。

图:DVS像素电路结构图
(来源:《事件视觉传感器发展现状与趋》)
优势:电路设计简单,像素面积小。
挑战:纯事件数据的可视化程度较低,无法提供精细化的图像。
(2)ATIS(基于异步时间的图像传感器)
ATIS在DVS的基础上进行改进了数据的可视化,可以只在电路产生事件信号的同时,触发光强测量电路,从而对事件提供一定的灰度信息。
电路结构:ATIS像素结构分为两个部分(A和B),它包括两个感光器。其中,A部分包含完整的DVS像素结构,可以检测光强的变化并激发事件;B部分包含的感光器是用来检测光照强度的变化并进行曝光。

图:ATIS像素电路结构图
(来源:《事件视觉传感器发展现状与趋》)
优势:能提供灰度信息,功耗相对DAVIS较低。在启动后,由于直接发放了一次脉冲,可以直接获取到相机前方的所有灰度信息,然后根据运动区域内,将在产生的脉冲信号上不断更新相应灰度信息。
挑战:不适用在环境亮度变化不频繁的场景。比如在高速运动场景下,由于光强测量结果是在脉冲信号产生后的一段时间内的平均光强,所以存在事件与灰度信息重构更新不匹配的情况。
(3)DAVIS(动态和有源像素视觉传感器)
DAVIS也是在DVS基础上改良而来,可同时输出事件信息和灰度信息,与ATIS的区别在于只有一个感光器。
电路结构:DAVIS是DVS相机和APS相结合而成,两者共用一个感光器。

图:DAVIS像素电路结构图
(来源:《事件视觉传感器发展现状与趋》)
优势:DAVIS与ATIS一样,也可以提供灰度信息;同时,DAVIS由于共用一个感光器,像素面积相对ATIS更小。
挑战:APS电路的采样速度远不如DVS电路,导致二者无法做到精准同步。再者,APS电路在高速场景下存在拖影现象。
内容来源:九章智驾
原文链接:https://mp.weixin.qq.com/s/OqXQcP5B5m1oeHA7iBpDow
作者:奚少华
版权归原作者所有,如需转载请联系原作者。